特征
●单电源/双电源操作
—1.6V至36V
—0.8V至18V
●真正的单电源操作;输入和输出电压范围包括接地
●低电源电流:最大80A
●高输出驱动:5mA最小值
●低偏移电压:最大0.5 mA
●高开环增益:700 V/mV Min
●卓越PSRR:5.6 mV/V最小值
●工业标准四引脚
●以模具形式提供
一般说明
OP490是一款高性能微功率四路运算放大器,从1.6 V到36 V的单电源工作,或从-0.8 V到-18 V的双电源工作。输入电压范围包括负轨,允许OP490在单电源操作中向下调节输入信号。OP490的输出摆幅还包括接地,当从一个单一电源运行时,可以实现“零入零出”操作。
四路OP490每个放大器的静态电源电流小于20毫安,但每个放大器都能向负载提供超过5毫安的输出电流。在军用温度范围内,输入偏移电压低于0.5mv,偏移漂移低于5mv/∞C。增益超过700000,CMR优于100db。低于5.6 mV/V的电源抑制比可将电池供电系统中的偏移电压变化降至最低。
四路OP490将四路放大器的高性能与节省空间和成本相结合。OP490的最低电压和电流要求使其成为电池和太阳能应用的理想选择,例如便携式仪器和遥感器。
引脚连接



简化示意图

OP490–典型性能特征





应用程序信息
电池供电应用
OP490可以在1.6V的最小电源电压下工作,也可以在-0.8V的双电源供电下工作,并且只需要60毫安的电源电流。在许多电池供电电路中,OP490可连续运行数百小时,然后才需要更换电池,从而减少设备停机时间和运行成本。
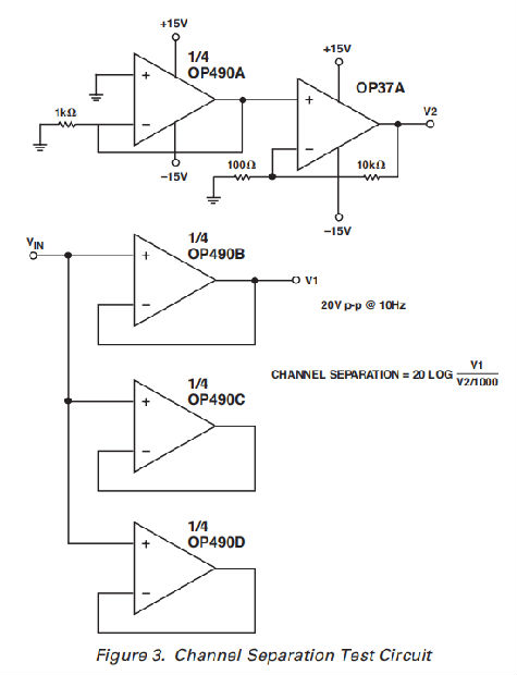
高性能便携式设备和仪器经常使用锂电池,因为与旧的原电池相比,锂电池的保质期长、重量轻、能量密度高。大多数锂电池的标称输出电压为3V,以平坦放电特性著称。OP490的低供电电流要求,加上锂电池的平坦放电特性,表明OP490可以在电池的整个使用寿命内运行。图4显示了1 Ah锂电池的典型放电特性,OP490和每个放大器依次驱动输出摆幅到100 kW负载。



单电源输出电压范围
在单电源操作中,OP490的输入和输出范围包括接地。这允许真正的“零入零出”操作。输出级提供主动下拉至离地0.8伏左右。低于此水平时,需要高达1兆瓦的负载电阻将输出拉低至零。
在从地面到0.8 V的区域,OP490的电压增益等于数据表规格。在整个电压范围内保持电流源输出能力。
输入电压保护
OP490使用PNP输入级,保护电阻与逆变和非逆变输入串联。PNP晶体管的高击穿与保护电阻相结合,提供了大量的输入保护,允许在不损坏放大器的情况下,在任何一个电源的情况下,输入都可以超过20 V。
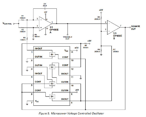
微功率压控振荡器
OP490与廉价的四芯CMOS开关组合构成图5中的精密VCO。该电路提供三角形和方波输出,仅从5伏电源中提取75毫安。A充当积分器;S1对称地切换充电电流以产生正、负斜坡。积分器以B为界,B作为施密特触发器,精确滞后为1.67V,由电阻R5、R6和R7以及相关CMOS开关设置。A的输出为三角波,上下电平分别为3.33V和1.67V。B的输出为方波,几乎有轨对轨摆动。如图所示,操作频率由以下等式给出:

但这很容易通过改变C1来改变。电路在几百赫兹以下工作良好。

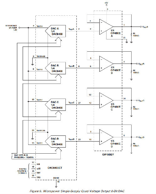
微功耗单电源四路电压输出8位DAC
图6中的电路使用dac8408cmos四位8位DAC和OP490形成一个电源漏极仅为140ma的单电源四电压输出DAC。DAC8408用于电压开关模式,每个DAC都有一个输出电阻(™10 kW)独立于数字输入代码。输出放大器充当缓冲器,以避免加载dac。100 kW电阻器确保OP490输出在需要时摆动低于0.8 V。


高输出放大器
图7中所示的放大器能够驱动25V p-p到1kW负载。放大器的设计基于电桥结构。A在B的帮助下放大输入信号并驱动负载。放大器C是一个单位增益逆变器,它借助D驱动负载。高输出放大器的增益(显示的组件值)为10,但可以通过改变R1或R2轻易改变。
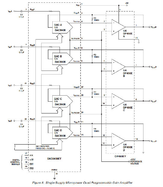
单增益可编程单电源放大器
四路OP490和DAC8408四路8位CMOS DAC的组合,创建了一个静态电源漏极只有140毫安的四路可编程增益放大器。DAC中的数字代码,很容易被微处理器设置,它决定了固定的DAC反馈电阻与DAC梯形图的电阻之间的比率,DAC梯形图呈现给运算放大器反馈回路。每个放大器的增益为:

十进制数的8位等于当前的数字码。如果DAC中的数字代码由所有零组成,反馈回路将打开,导致运算放大器输出饱和。将10毫瓦电阻放置在与DAC反馈回路平行的位置,消除了这一问题,但增益精度有很小的降低。2.5V参考电压使放大器偏向线性区域的中心,提供最大的输出摆幅。

外形尺寸
尺寸单位为英寸和(mm)。



安芯科创是一家国内芯片代理和国外品牌分销的综合服务商,公司提供芯片ic选型、蓝牙WIFI模组、进口芯片替换国产降成本等解决方案,可承接项目开发,以及元器件一站式采购服务,类型有运放芯片、电源芯片、MO芯片、蓝牙芯片、MCU芯片、二极管、三极管、电阻、电容、连接器、电感、继电器、晶振、蓝牙模组、WI模组及各类模组等电子元器件销售。(关于元器件价格请咨询在线客服黄经理:15382911663)
代理分销品牌有:ADI_亚德诺半导体/ALTBRA_阿尔特拉/BARROT_百瑞互联/BORN_伯恩半导体/BROADCHIP_广芯电子/COREBAI_芯佰微/DK_东科半导体/HDSC_华大半导体/holychip_芯圣/HUATECH_华泰/INFINEON_英飞凌/INTEL_英特尔/ISSI/LATTICE_莱迪思/maplesemi_美浦森/MICROCHIP_微芯/MS_瑞盟/NATION_国民技术/NEXPERIA_安世半导体/NXP_恩智浦/Panasonic_松下电器/RENESAS_瑞莎/SAMSUNG_三星/ST_意法半导体/TD_TECHCODE美国泰德半导体/TI_德州仪器/VISHAY_威世/XILINX_赛灵思/芯唐微电子等等
免责声明:部分图文来源网络,文章内容仅供参考,不构成投资建议,若内容有误或涉及侵权可联系删除。
Copyright © 2002-2023 深圳市安芯科创科技有限公司 版权所有 备案号:粤ICP备2023092210号-1