特征
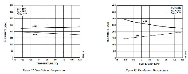
•高转换率:170V/μs
•宽带:28MHz
•快速沉降时间:<200ns至0.01%
•低失调电压:<500μV单位增益稳定
•低压运行:±5 V至±15 V
•低电源电流:<10毫安
•驱动电容性负载
应用
•高速图像显示驱动程序
•高频有源滤波器
•快速仪表放大器
•高速探测器
•积分器
•光电二极管前置放大器
一般说明
OP467是一种四路高速精密运算放大器。它提供了一个高速运算放大器的性能,并在一个封装中结合了精密运算放大器的优点。OP467是应用的理想选择,传统上,多个运算放大器被用来实现这一水平的速度和精度。
OP467的内部补偿保证了机组的稳定运行,并且可以驱动大容量的电容负载而不产生振荡。OP467的增益带宽积为28mhz,驱动30pf负载,输出转换率为170v/μs,在小于200ns的时间内稳定到0.01%,为高速数据采集系统提供了良好的动态精度。在10 MHz时,信道到信道的间隔通常为60 dB。
OP467的直流性能包括偏移量小于0.5mv,电压噪声密度低于6nv/√Hz,总电源电流低于10ma。共模抑制比(CMRR)通常为85分贝。电源抑制比(PSRR)通常为107 dB。输入频率高达1mhz时,PSRR保持在40db以上。低偏移和漂移加上高速和低噪声使OP467可用于高速探测器和仪器仪表等应用。
OP467规定在扩展的工业温度范围(−40°C至+85°C)范围内从±5 V至±15 V工作,可用于14引线PDIP、14引线CERDIP、16引线SOIC和20端子LCC。
有关MIL-STD-883数据表和可用性,请联系您当地的销售办事处。
引脚配置


骰子特征

典型性能特征











应用程序信息
输出短路性能
为了实现宽带宽和高转换率,OP467输出没有短路保护。将输出与地面或电源短路可能会损坏设备。
为了安全运行,应限制输出负载电流,使结温不超过绝对最高结温。
最大内部功耗可通过:

式中:
TJ和TA分别为结温和环境温度。
PD是设备内部功耗。
θJA是数据表中给出的封装器件热阻。
未使用的放大器
建议将四元封装中任何未使用的放大器作为单位增益跟随器与1 kΩ反馈电阻器连接,无反转输入连接至接地平面。
印刷电路板(PCB)布局注意事项
高速运算放大器的良好性能很大程度上取决于良好的PCB布局。为了获得最佳的动态性能,遵循高频布局技术。
接地
在高速应用中,为了获得最佳性能,良好的地面平整是必不可少的。通过提供低阻抗参考点,它可以显著降低接地回路和红外压降的不良影响。最好的结果是使用一层指定给地面的多层板设计。为了保持连续低阻抗接地,避免在该层上运行任何记录道。
电源考虑事项
为了正常工作,正极电源必须在负极电源之前按顺序接通。所有用户都应该采取措施确保这一点。在高频电路中,器件的引线长度引入了与电路串联的电感。这种电感与杂散电容相结合,形成一个高频谐振电路。由这些电路产生的极点会导致增益峰值和额外的相移,从而降低运算放大器的相位裕度,导致工作不稳定。
解决这个问题的一个实际方法是将谐振频率降低到足够低的程度,以利用放大器的电源抑制。这很容易做到这一点,将电容器穿过电源线和接地层,尽可能靠近设备引脚。因为电容器也有内部寄生元件,例如杂散电感,所以选择合适的电容器很重要。为了有效,它们应该在感兴趣的频率范围内具有低阻抗。钽电容器因其高电容/尺寸比而成为一个很好的选择,但其有效串联电阻(ESR)随频率增加而降低。
另一方面,陶瓷片式电容器在较高的频率下具有良好的ESR和有效串联电感(ESL)性能,并且由于其体积小,可以非常靠近器件引脚放置,从而进一步降低杂散电感。将这两个电容器组合使用可获得最佳效果。推荐使用5μF至10μF钽并联电容器和0.1μF陶瓷片电容器。如果需要与电源的高频共振进行额外的隔离,则应在旁路电容器和电源之间的电源线上串联一个铁氧体磁珠。注意,添加铁氧体磁珠会给电路的频率响应带来新的极点和零点,如果选择不当,可能会导致运行不稳定。

信号注意事项
输入和输出轨迹需要特别注意,以确保杂散电容最小。输入节点对容性电抗非常敏感,尤其是当连接到高阻抗电路时。杂散电容可以将来自噪声线路的不需要的信号注入高阻抗输入。通过在高阻抗输入迹线周围提供保护迹线来保护它们,这也显著改善了信道分离。
此外,与运算放大器的输入电容并联的任何杂散电容在电路的频率响应中产生一个极点。由这个极点引起的附加相移降低了电路的增益裕度。如果这个极点在运算放大器的增益范围内,就会导致性能不稳定。为了减少这些不良影响,尽可能使用最低阻抗。降低这个节点的阻抗会使极点处于更高的频率,远高于放大器的增益范围。PCB上的杂散电容可以通过使迹线尽可能窄和短来降低。可通过选择较小的焊盘尺寸、增加迹线之间的间距以及使用具有低介电常数绝缘体的PCB材料(一些常见绝缘体的介电常数:air=1、Teflon®=2.2和FR4=4.7,空气是理想的绝缘体)来实现。
建议移除输入和输出焊盘正下方的接地层段。
高速放大器的输出对电容性负载非常敏感。电容性负载给电路的频率响应引入了一对极和零,减小了相位裕度,导致工作不稳定或振荡。
一般来说,通过在放大器输出端和其余电路之间放置一个电阻,将放大器的输出与任何电容性负载隔离开来是一个很好的设计实践。10Ω至100Ω的串联电阻器通常足以将输出与电容性负载隔离。
OP467是内部补偿,以提供稳定的运行,并能够驱动大型电容性负载而无振荡。
不建议使用插座,因为它们会增加引线的电感/电容,并通过增加引线的热阻来降低封装的功耗。如果必须使用插座,请使用铁氟龙或引线最短的插座。
相位反转
OP467的输入不受任何相位反转的影响;任何相位的反向二极管都可以超过。

饱和恢复时间
OP467具有快速和对称的恢复时间。这一特性在高速仪器仪表和测量电路等应用中非常有用,在这些应用中,放大器经常暴露在使放大器过载的大信号中。


高速仪表放大器
OP467的性能适合于各种高速应用,包括高速精密仪表放大器。图44显示了通常用于数据采集、CCD成像和其他高速应用的电路。
电路增益由RG设置。2 kΩ电阻器将电路增益设置为2;对于单位增益,去掉RG。对于任何其他增益设置,使用以下公式:

RC用于调整直流共模抑制,CC用于交流共模抑制调整。




2mhz双四路带通滤波器
图48中的电路通常用于医学成像超声接收器。30MHz带宽足以精确产生2MHz中心频率,如图49所示的测量响应。当运放的带宽太接近滤波器的中心频率时,放大器的内部相移会在2mhz产生过大的相移,从而改变滤波器的响应。事实上,如果所选运算放大器的带宽接近2兆赫,三个运算放大器的相移组合会导致环路振荡。
与其他高速电路一样,必须仔细考虑该电路的布局。
如果版图引入的相移足够大,会改变电路的性能,或者更糟,导致振荡。



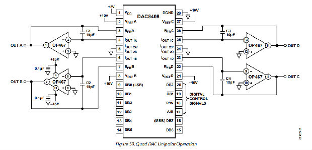
快速I-V转换器
OP467的快速转换率和快速的稳定时间非常适合于各种应用中使用的快速缓冲器和I-V转换器。图50中的电路是由两个IC组成的单极四模DAC。DAC8408的电流输出由配置为I-to-V转换器的OP467转换为电压。该电路能在200ns内稳定到0.1%。图51和图52显示了输出的满标度稳定时间。为了获得可靠的电路性能,保持从DAC输出端到OP467逆变输入端的记录道短路,以最小化寄生电容。




外形尺寸




安芯科创是一家国内芯片代理和国外品牌分销的综合服务商,公司提供芯片ic选型、蓝牙WIFI模组、进口芯片替换国产降成本等解决方案,可承接项目开发,以及元器件一站式采购服务,类型有运放芯片、电源芯片、MO芯片、蓝牙芯片、MCU芯片、二极管、三极管、电阻、电容、连接器、电感、继电器、晶振、蓝牙模组、WI模组及各类模组等电子元器件销售。(关于元器件价格请咨询在线客服黄经理:15382911663)
代理分销品牌有:ADI_亚德诺半导体/ALTBRA_阿尔特拉/BARROT_百瑞互联/BORN_伯恩半导体/BROADCHIP_广芯电子/COREBAI_芯佰微/DK_东科半导体/HDSC_华大半导体/holychip_芯圣/HUATECH_华泰/INFINEON_英飞凌/INTEL_英特尔/ISSI/LATTICE_莱迪思/maplesemi_美浦森/MICROCHIP_微芯/MS_瑞盟/NATION_国民技术/NEXPERIA_安世半导体/NXP_恩智浦/Panasonic_松下电器/RENESAS_瑞莎/SAMSUNG_三星/ST_意法半导体/TD_TECHCODE美国泰德半导体/TI_德州仪器/VISHAY_威世/XILINX_赛灵思/芯唐微电子等等
免责声明:部分图文来源网络,文章内容仅供参考,不构成投资建议,若内容有误或涉及侵权可联系删除。
Copyright © 2002-2023 深圳市安芯科创科技有限公司 版权所有 备案号:粤ICP备2023092210号-1