特征
引脚兼容LM111系列设备
保证最大0.5mV输入偏移电压
保证最大25nA输入偏置电流
保证最大3nA输入偏移电流
保证最大250ns响应时间
保证最小200000电压增益
50mA输出电流源或汇
±30V差分输入电压
完全规定用于单个5V操作
应用
SAR A/D转换器
电压-频率转换器
精密RC振荡器
峰值检波器
电机速度控制
脉冲发生器
继电器/灯驱动器
说明
LT®1011是一种通用比较器,其输入特性明显优于LM111。虽然引脚兼容LM111,它提供四个两倍于更低的偏置电流,六倍于更低的偏置电压和五倍高的电压增益。偏移电压漂移,a以前未指定的参数,保证15μV/°C。此外,电源电流降低了不损失速度的两倍系数。LT1011是几个比LM111快一倍超速行驶条件。它也完全指定为DC单台运行时的参数和响应时间5V电源。这些参数改进允许LT1011用于高精度(≥12位)系统没有修剪。例如,在12位a/D应用程序中,使用2mA DAC时,由LT1011小于0.5LSB。LT1011保留了所有LM111的多功能特性,包括单3V至±18V电源操作,浮动晶体管输出具有50mA源/汇能力。它可以驱动接地、负电源或正电源的负载,以及在V-和集电极输出之间指定高达50V的电压。高达全电源电压的差分输入电压为允许,即使有±18V电源,使输入用简单的二极管钳夹在电源上。

绝对最大额定值(注1)
电源电压(针脚8至针脚4)36伏
输出至负极电源(针脚7至针脚4)
LT1011Ac-ic/" title="LT1011AC">LT1011AC,LT1011C 40伏
LT1011Ai-ic/" title="LT1011AI">LT1011AI,LT1011I 40伏
LT1011Am-ic/" title="LT1011AM">LT1011AM,LT1011M(过时)50伏
接地至负极电源(针脚1至针脚4)30伏
差分输入电压 ±36伏
选通引脚(引脚6至引脚8)处的电压 5伏
输入电压(注2)等于供给
输出短路持续时间10秒
工作温度范围(注3)
LT1011Ac-ic/" title="LT1011AC">LT1011AC,LT1011C 0°C至70°C
LT1011Ai-ic/" title="LT1011AI">LT1011AI,LT1011I –40°C至85°C
LT1011Am-ic/" title="LT1011AM">LT1011AM,LT1011M(过时)–55°C至125°C
储存温度范围 –65°C至150°C
铅温度(焊接,10秒)300摄氏度
电气特性
表示适用于整个工作温度范围的规格,否则规格为TA=25°C。除非在V1=15V时,否则VΩ=15V,否则V=0 V。

表示所有电源电压(包括单个5V电源)的保证参数。见注5。
电气特性
表示适用于整个工作温度范围的规范,其他较宽的规范为TA=25°C。除非在V1=15V时,否则VΩ=15V,否则V=0 V。

表示所有电源电压(包括单个5V电源)的保证参数。见注5。
注1:绝对最大额定值是指设备的寿命可能会受到影响。
注2:可将输入端箝位到带有二极管的电源上,以便最大输入电压实际上超过电源电压一个二极管放下。请参阅应用程序信息部分中的输入保护。
注3:TJMAX=150°C。
注4:输出下降1.5mA,VOUT=0V。
注5:这些规范适用于单个5V至±15V,整个输入电压范围,以及高电压和低电压输出状态。高状态为ISINK≥100μA,VOUT≥(V+–1V)和低态ISINK≤8mA,VOUT≤0.8V,因此,本规范定义最坏情况下的错误带,包括由于模式信号,电压增益和输出负载。
注6:漂移通过除以偏移电压差计算用最大温差和最小温差来测量。
注7:用100mV阶跃和5mV测量响应时间超速档。输出负载是一个连接到5V的500Ω电阻器当输出电压超过1.4V时进行测量。
注8:不要将频闪针短接地。应该是最新的在3mA到5mA的条件下驱动最短的选通时间。电流低至如果速度不重要,500μA将选通LT1011A。外部当选通“关”时,选通引脚上的泄漏超过0.2μA可能导致偏移电压偏移。
注9:见图表“输入偏移电压与共模电压”
典型性能特征



应用程序信息
防止振荡问题
比较器中的振荡问题几乎总是存在的由输出和输入或输出与其他敏感引脚之间比较器。在高增益的情况下尤其如此像LT1011这样的带宽比较器设计用于毫伏输入信号的快速切换。LT1011的增益带宽积大于10GHz。振荡问题往往发生在其中LT1≈2000的增益为1015MA。这个意味着输出信号的衰减必须在在输入端测得的5MHz时至少为2000:1。如果源阻抗为1kΩ,输出和输入之间的有效杂散电容必须具有电抗大于(2000)(1kΩ)=2MΩ,或小于0.02pF。LT1011上输入和输出引脚之间的实际交错电容在切至时小于0.002pF印刷电路安装长度。印刷电路痕迹引起的附加杂散电容必须通过直接从输入行路由输出跟踪如果可能的话,在输入端旁边运行地面跟踪提供屏蔽的痕迹。确保无振荡运行包括:
1.用0.01μF绕过选通/平衡销从5号脚连接到5号脚的电容器。这消除了从输出到平衡销,其灵敏度几乎与输入。
2.用0.1μF绕过负极电源(引脚4)陶瓷电容器靠近比较器。0.1μF罐如果上拉负载与单独电源相连,也可用于正极电源(引脚8)。当拉起负载直接连接到引脚8,使用2μF固体钽旁路电容器。
3.用电容器绕过任何缓慢移动或直流输入(≥0.01μF)接近比较器以降低高频率源阻抗。
4.保持电阻源阻抗尽可能低。如果在一个输入端串联增加一个电阻来平衡源阻抗用于直流精度,用电容器。LT1011的低输入偏置电流通常不需要任何电源。例如,5kΩ的不平衡只会造成0.25mV直流偏移。
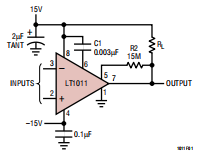
5.使用滞后。这包括改变输入输出时比较器的偏移电压更改状态。滞后迫使比较器快速移动其线性区域,消除通过“过驱动”比较器的振荡输入条件。磁滞可以是交流或直流。交流技术不会改变表观偏移电压但需要最小的输入信号转换率有效。所有直流电迟滞工作输入转换率,但产生偏移电压偏移取决于输入信号的先前条件。图1所示的电路是一个非常好的电路交流和直流磁滞之间的折衷。

这种电路对一般用途特别有用比较器应用,因为它不强制任何信号直接返回到输入信号源。相反,它利用了平衡销提供非常快速,干净输出开关,即使低频输入信号在毫伏范围内。0.003μF电容器引脚6至引脚8产生交流磁滞,因为平衡管脚上的电压会根据输出的状态轻微移动。两个针都在移动4毫伏。如果一个引脚(6)被旁路,交流磁滞创建。输入输出只有几毫伏,但足以在接近比较器能够达到的最大速度。防止输入转换值过低引起的问题速率方面,也使用少量的直流磁滞。这个平衡销对电流的灵敏度约为每微安0.5mV输入参考偏移平衡引脚电流。15米的电阻器输出到引脚5产生0.5mV直流滞后。这个交流和直流磁滞的结合创造了清洁无振荡开关,输入误差很小。图2描绘了输入引用错误与切换的关系电路的频率,如图所示。注意,在低频,误差只是直流电磁滞,而在高频时,一个额外的误差是由交流磁滞引起的。高频率误差可以通过减小CH来减小,但是较低的值可能无法提供干净的切换非常低的转换率输入信号。
输入保护
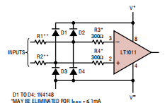
LT1011的输入特别适用于一般目的比较器的应用,因为在不损坏比较器的情况下,可以容忍较大的差分和/或共模电压。一个或两个输入可以高于负电源40V,独立于正电源。内部正向偏置二极管当输入值低于负值时将执行供应。在这种情况下,输入电流必须限制在1毫安。如果必须调节非常大的(故障)输入电压,则串联电阻器和钳位二极管应已使用(见图3)。

D1至D4:1N4148
如果结果≤1mA,可消除
按允许选择
故障电流和功耗
应用程序信息
输入电阻应将故障电流限制在合理值(0.1mA至20mA)。中的功耗对于连续故障,尤其是LT1011电源关闭时,必须考虑电阻器。最后一个注意事项:轻载电源可通过流经D1-D4的大故障电流。R3和R4限制LT1011的输入电流小于当输入信号保持在V-以下时为1mA。他们可以如果R1和R2足够大,足以限制故障,则排除故障电流小于1mA。
输入转换率限制
比较器的响应时间通常是测量的步进电压为100mV,过电压为5mV至10mV。不幸的是,这并不能模拟许多真实世界的情况通常情况下,步长要大得多且超速可以大大减少。对于LT1011,步骤大小很重要,因为内部节点的转换率将限制大于1V的输入步长的响应时间。例如,在5V步长下,响应时间从150ns到360ns。参见“响应时间与输入”曲线更多细节的步长。如果响应时间很关键而大的输入信号建议在输入端安装钳位二极管。当差分输入电压较低时,转换速率限制也会影响性能,但两者都会输入必须快速转换。建议最大公倍数模式转换速率为10V/μs。
LT1011可通过从
频闪针。输出晶体管被迫关闭状态,在采集器(引脚7)处提供“hi”输出。洋流低至250μA会导致选通,但在低选通时电流,选通延时为200ns到300ns。中频选通电流增加到3mA,选通延时下降到60纳秒。选通管脚处的电压低于150毫伏零选通电流时为V+,低于V+约2 V,持续3毫安选通电流。不要将频闪针接地。一定是的电流驱动。图4显示了一个典型的选通电路。注意,引脚5和之间没有旁路电容器6这样可以最大限度地提高选通速度,但对于慢、低的振荡问题,比较者更为敏感电平输入。输出端和引脚5之间的1pF电容器将大大减少振荡问题频闪速度。
直流磁滞也可以通过在输出到针脚5。参见“防止振荡”下的步骤5问题。”用于冲程的销(6)也是偏移调整装置之一别针。流入或流出针脚6的电流必须保持非常低(<0.2μA)不选通时,以防止输入偏移电压轮班。
输出晶体管
LT1011输出晶体管在这个意义上是真正浮动的没有电流流入或流出收集器或当晶体管处于“关”状态时发射极。这个等效电路如图5所示。

应用程序信息
在“关闭”状态下,I1关闭,Q1和Q2都转动关闭。Q2的集电极现在可以保持在任何电压下V以上-无传导电流,包括电压高于正供应水平。最大电压高于V–LT1011M为50V,LT1011C/I为40V发射极可以保持在V+和V–as之间的任何电压只要它对收集器是负的。在“on”状态下,I1连接,打开Q1和Q2。二极管D1和D2防止Q2到提高速度,同时限制Q1的驱动电流。这个R1/R2分压器设置Q2的饱和电压,并提供关闭驱动。集电极或发射极引脚都可以保持在V+和V-之间的电压。这使得剩余的销驱动负载。在典型应用中发射器连接到V或地和集电极驱动与V+相连的负载或独立的正极电源。当发射器用作输出时,集电极通常与V+相连,负载接地或V–。注意,发射极输出与相对于集电极输出,使“+”和“–”输入名称必须颠倒。当收集器被捆绑时对于V+,发射极处于“开启”状态的电压约为2V低于V+(见曲线)。
输入信号范围
LT1011的共模输入电压范围为负电源上方约300mV,低于1.5V正供给,独立于实际供给电压(见典型性能特性曲线)。这是输出电压范围当共模电压为应用于一个输入,并应用较高或较低的信号到剩余的输入。如果一个输入在公共区域内模式范围和一个在外,输出将是正确的。如果输入超出共模范围相反的方向,输出仍然是正确的。如果两者都有输入在相同的共模范围之外方向,输出将不响应差分输入;对于25°C及以上的温度,输出将无条件保持高(集电极输出),对于低于25°C的温度,输出变为未定义。


安芯科创是一家国内芯片代理和国外品牌分销的综合服务商,公司提供芯片ic选型、蓝牙WIFI模组、进口芯片替换国产降成本等解决方案,可承接项目开发,以及元器件一站式采购服务,类型有运放芯片、电源芯片、MO芯片、蓝牙芯片、MCU芯片、二极管、三极管、电阻、电容、连接器、电感、继电器、晶振、蓝牙模组、WI模组及各类模组等电子元器件销售。(关于元器件价格请咨询在线客服黄经理:15382911663)
代理分销品牌有:ADI_亚德诺半导体/ALTBRA_阿尔特拉/BARROT_百瑞互联/BORN_伯恩半导体/BROADCHIP_广芯电子/COREBAI_芯佰微/DK_东科半导体/HDSC_华大半导体/holychip_芯圣/HUATECH_华泰/INFINEON_英飞凌/INTEL_英特尔/ISSI/LATTICE_莱迪思/maplesemi_美浦森/MICROCHIP_微芯/MS_瑞盟/NATION_国民技术/NEXPERIA_安世半导体/NXP_恩智浦/Panasonic_松下电器/RENESAS_瑞莎/SAMSUNG_三星/ST_意法半导体/TD_TECHCODE美国泰德半导体/TI_德州仪器/VISHAY_威世/XILINX_赛灵思/芯唐微电子等等
免责声明:部分图文来源网络,文章内容仅供参考,不构成投资建议,若内容有误或涉及侵权可联系删除。
Copyright © 2002-2023 深圳市安芯科创科技有限公司 版权所有 备案号:粤ICP备2023092210号-1