特征
•极低的噪声密度,5 nV/√Hz,最大1 kHz
•优良的输入偏置电压,最大75μV
•低偏移电压漂移最大为1μV/°C
•最小1500 V/mV的极高增益
•最低106分贝的突出CMR
•典型的2.4 V/μs的转换率
•典型的5 MHz增益带宽积
•行业标准8-引线双插脚
一般说明
OP270是一种高性能、单片、双运算放大器,具有极低的电压噪声密度(1 kHz时最大为5 nV/√Hz)。它的性能与模拟设备公司的工业标准OP27相当。
OP270的输入偏置电压小于75μV,偏置漂移小于1μV/°C,保证在整个军用温度范围内。OP270的开环增益在10kΩ负载下超过1500000,即使在高增益应用中,也能保证良好的增益精度和线性度。输入偏置电流小于20毫安,这减少了由于信号源电阻引起的误差。由于共模抑制(CMR)大于106分贝,电源抑制比(PSRR)小于3.2μV/V,OP270可显著减少由地面噪声和电源波动引起的误差。双OP270的功耗比两个OP27设备少三分之一,这对于注重功耗的应用来说是一个显著的优势。OP270具有单位增益稳定特性,增益带宽积为5mhz,转换速率为2.4v/μs。
OP270提供了出色的放大器匹配,这对于多增益块、低噪声仪表放大器、双缓冲器和低噪声有源滤波器等应用非常重要。
OP270符合行业标准8-引线DIP引脚。它与MC1458、SE5532/A、RM4558和HA5102双运算放大器引脚兼容,可用于升级使用这些设备的系统。
对于更高速度的应用,建议使用ADA4004-2或AD8676。对于四路运算放大器,请参阅OP470产品介绍。
功能框图

典型性能特征










测试电路


应用程序信息
电压和电流噪声
OP270是一种非常低噪声的双运算放大器,在1 kHz时,其典型电压噪声密度仅为3.2 nV/√Hz。由于电压噪声与集电极电流的平方根成反比,OP270的极低噪声特性部分是通过在高集电极电流下操作输入晶体管实现的。然而,电流噪声与集电极电流的平方根成正比。结果,在牺牲电流噪声性能的前提下,OP270具有优异的电压噪声密度性能,这对于低噪声放大器来说是正常的。
为了在电路中获得最佳的噪声性能,必须了解电压噪声(en)、电流噪声(in)和电阻噪声(et)之间的关系。
总噪声和源电阻
运算放大器的总噪声可以通过:

式中:
En为总输入参考噪声。
en是运算放大器的电压噪声。
in是运算放大器的电流噪声。
et是源电阻热噪声。
RS是源电阻。
总噪声指的是输入端,而输出端则由电路增益放大。
图32显示了1kHz时总噪声与源电阻之间的关系。当RS小于1kΩ时,总噪声由OP270的电压噪声控制。当RS上升到1kΩ以上时,总噪声增加,主要由电阻噪声控制,而不是由OP270的电压或电流噪声控制。当RS超过20kΩ时,OP270的电流噪声成为总噪声的主要贡献者。

图33还显示了总噪声和源电阻之间的关系,但在10赫兹时。由于电流噪声与频率的平方根成反比,所以总噪声比图32中显示的更快。在图33中,当RS大于5 kΩ时,OP270的电流噪声占总噪声的主导地位。
图32和图33表明,为了减少总噪声,源电阻必须保持在最小值。在具有高源电阻的应用中,与OP270相比,具有更低电流噪声的OP200可以提供更低的总噪声。

图34显示了0.1Hz至10Hz范围内的峰峰值噪声与源电阻的关系。在较低的RS值下,OP270的电压噪声是峰间噪声的主要贡献者,随着rsi的增加,电流噪声成为主要的贡献者。OP270和OP200之间的峰峰值噪声交叉点位于17 kΩ的源电阻处。

表5列出了一些信号源的典型源电阻,供参考。


噪声测量
峰间电压噪声
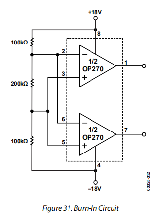
图35的电路是测量峰值峰值电压噪声的测试装置。要在0.1 Hz至10 Hz范围内测量OP270的200 nV峰间噪声规格,必须遵守以下预防措施:
•设备必须至少预热5分钟。如预热漂移曲线(见图8)所示,通电后由于芯片温度升高,偏置电压通常会变化2μV。在10秒的测量间隔内,这些温度引起的效应可以超过几十毫伏。
•出于类似的原因,设备必须很好地屏蔽气流。屏蔽还可以最大限度地减少热电偶的影响。
•装置附近的突然运动也可能通过,从而增加观察到的噪声。
•测量0.1 Hz至10 Hz噪声的试验时间不应超过10秒。如图36噪声测试仪频率响应曲线所示,0.1 Hz转角仅由一个极点定义。10秒的测试时间作为额外的极点,以消除0.1赫兹以下频带的噪声贡献。
•测量多个装置的噪声时,建议进行噪声电压密度试验。10赫兹噪声电压密度测量与0.1赫兹至10赫兹峰间噪声读数有很好的相关性,因为这两个结果都是由白噪声和1/f转角频率的位置决定的。
•应通过良好旁路的低噪声电源(如电池)向测试电路供电。这种电源将最小化通过放大器电源引脚引入的输出噪声。

噪声测量噪声电压密度
图37的电路显示了一种快速可靠的测量双运算放大器噪声电压密度的方法。第一个放大器是单位增益,最后一个放大器的非互易增益为101。因为放大器的噪声电压是不相关的,它们加入有效值来产生:

OP270是一个具有两个相同放大器的单片器件。
因此,放大器的噪声电压密度匹配,给出


噪声测量电流噪声密度
图38所示的测试电路可用于测量电流噪声密度。电压输出与电流噪声密度的关系式为:

式中:
G是10000的增益。
RS=100 kΩ源电阻。

容性负载驱动和电源的考虑
OP270是单位增益稳定,能够驱动大电容负载而不振荡。尽管如此,还是强烈建议绕过良好的供应。适当的电源旁路可以减少由电源线噪声引起的问题,并提高OP270的电容负载驱动能力。
在标准反馈放大器中,运算放大器的输出电阻与负载电容相结合,形成一个低通滤波器,在反馈网络中增加相移并降低稳定性。图39显示了消除这种影响的简单电路。元件C1和R3将放大器与负载电容解耦,并提供额外的稳定性。图39所示的C1和R3值适用于与OP270一起使用时高达1000 pF的负载电容。

单位增益缓冲器应用
当Rf≤100Ω且输入由快速、大信号脉冲(>1V)驱动时,输出波形如图40所示。
在输出的类似快速馈通的部分,输入保护二极管有效地将输出短接到输入端,信号发生器将产生仅受输出短路保护限制的电流。当Rf≥500Ω时,输出能够处理电流要求(10 V时IL≤20 mA);放大器保持在激活模式,并发生平滑过渡。
当Rf>3kΩ时,由Rf和放大器的输入电容(3pf)形成的极产生额外的相移并减小相位裕度。与射频并联的小电容器(20 pF到50 pF)有助于消除这一问题。

低相位误差放大器
图41所示的简单放大器采用单片双运算放大器和几个电阻器,与传统放大器设计相比,大大减少了相位误差。在给定增益下,特定相位精度的频率范围比标准单运放放大器的频率范围大十年以上。
低相位误差放大器通过A1反馈回路中运算放大器A2的响应进行二阶频率补偿。两个运算放大器必须在频率响应上非常匹配。在低频时,A1反馈回路强制V2/(K1+1)=VIN。A2反馈回路强制VO/(K1+1)=V2/(K1+1),产生VO/VIN=K1+1的整体传递函数。直流增益由输出端的电阻分压器确定,不受A2附近电阻分压器的直接影响。注意,与传统的单运放放大器一样,直流增益仅由电阻比设置。低相位误差放大器的最小增益为10。

图42比较了低相位误差放大器与传统单运算放大器和级联两级放大器的相位误差性能。低相位误差放大器显示出更低的相位误差,特别是对于ω/βωT<0.1的频率。例如,单运放放大器在0.002Ω/βωT处出现−0.1°的相位误差,而低相位误差放大器的相位误差为0.11Ω/βωT。

五波段,低噪音,立体图形均衡器
图43所示的图形均衡器电路在五个频带范围内提供15 dB的增强或切断。在20khz带宽上的信噪比优于100db,并参考3v rms输入。较大的电感器可以被有源电感器代替,但因此降低了信噪比。

数字摇摄控制
图44使用DAC8221(双12位CMOS DAC)在两个通道之间平移信号。在电流电压转换器配置中,一个通道由驱动一半OP270的DAC A的电流输出形成。另一个通道由DAC A的互补输出电流形成,该电流通常通过AGND引脚流向地面。这个互补电流被另一半的OP270转换成电压,它也将AGND保持在虚拟地上。
通过使用DAC8221内部的反馈电阻器,消除了由于内部DAC梯形电阻器和电流-电压反馈电阻器之间不匹配而导致的增益误差。只有DAC A传递一个信号;DAC B提供第二个反馈电阻。在VREFB不连接的情况下,使用RFBB的电流-电压转换器是精确的,并且不受到达dacb的数字数据的影响。在20hz到20khz音频范围内,数字摇摄控制的失真小于0.002%。图45显示了1 kHz输入信号的互补输出和应用于DAC数据输入的数字斜坡。
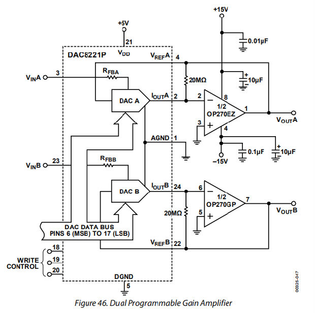
双可编程增益放大器
双OP270和DAC8221(一个双12位CMOS DAC)可以组合成节省空间的双可编程放大器。DAC中的数字代码,很容易被微处理器设置,它决定了内部反馈电阻和DAC梯形图呈现给运算放大器反馈回路的电阻之间的比率。每个放大器的增益为;

其中n是DAC中存在的12位数字代码的十进制等效值。
如果DAC中的数字代码由所有0组成,则反馈回路打开,导致运算放大器输出饱和。与DAC反馈回路并联的20 MΩ电阻器消除了这一问题,增益精度只有很小的降低。




外形尺寸



安芯科创是一家国内芯片代理和国外品牌分销的综合服务商,公司提供芯片ic选型、蓝牙WIFI模组、进口芯片替换国产降成本等解决方案,可承接项目开发,以及元器件一站式采购服务,类型有运放芯片、电源芯片、MO芯片、蓝牙芯片、MCU芯片、二极管、三极管、电阻、电容、连接器、电感、继电器、晶振、蓝牙模组、WI模组及各类模组等电子元器件销售。(关于元器件价格请咨询在线客服黄经理:15382911663)
代理分销品牌有:ADI_亚德诺半导体/ALTBRA_阿尔特拉/BARROT_百瑞互联/BORN_伯恩半导体/BROADCHIP_广芯电子/COREBAI_芯佰微/DK_东科半导体/HDSC_华大半导体/holychip_芯圣/HUATECH_华泰/INFINEON_英飞凌/INTEL_英特尔/ISSI/LATTICE_莱迪思/maplesemi_美浦森/MICROCHIP_微芯/MS_瑞盟/NATION_国民技术/NEXPERIA_安世半导体/NXP_恩智浦/Panasonic_松下电器/RENESAS_瑞莎/SAMSUNG_三星/ST_意法半导体/TD_TECHCODE美国泰德半导体/TI_德州仪器/VISHAY_威世/XILINX_赛灵思/芯唐微电子等等
免责声明:部分图文来源网络,文章内容仅供参考,不构成投资建议,若内容有误或涉及侵权可联系删除。
Copyright © 2002-2023 深圳市安芯科创科技有限公司 版权所有 备案号:粤ICP备2023092210号-1