特征
•宽电源范围:±5V(10V)至±50V(100V)
•高输出负载驱动:IO>±50mA
•宽输出电压摆动:1V至轨道
•独立输出禁用或关闭
•温度范围广:–40°C至+85°C
•软件包:SO和HSOP PowerPAD™
应用
•测试设备
•雪崩PHOTODIODE:高V电流感觉
•压电电池
•传感器驱动器
•伺服驱动器
•音频放大器
•高压合规电流源
•通用高压调节器/电源
说明
OPA454是一种低成本运算放大器,具有高电压(100V)和相对高电流驱动(25mA)。它具有单位增益稳定,增益带宽积为2.5MHz。
OPA454具有内部保护,可防止温度过高和电流过载。它完全规定在±5V至±50V的宽电源范围内或在10V至100V的单电源上运行。状态标志是一个开漏极输出,允许它很容易被标准低压逻辑电路引用。这种高压运算放大器提供了优良的精度,宽输出摆幅,并没有相位反转问题,往往是在类似的放大器。
可以使用具有自己的公共返回引脚的启用/禁用引脚独立地禁用输出,以方便与低压逻辑电路的接口。这种禁用是在不干扰输入信号路径的情况下完成的,不仅节省了电力,而且保护了负载。
OPA454采用小型外露金属垫封装,在工业温度范围(-40°C至+85°C)范围内易于散热。


(1)、OPA445与OPA445引脚兼容,除了在使用偏置微调和NC引脚(非开放)的应用中。

图1:馈通电容电路
典型特征
TP=+25°C,VS=±50V,RL=4.8kΩ时,连接至GND,除非另有说明。








(1)、请参见应用程序信息部分中的图57。




(2)、请参阅应用程序部分“单位增益非转换配置”。

(3)、请参阅应用程序部分“单位增益非转换配置”。
(4)、请参阅应用程序部分“单位增益非转换配置”。
(5)、见“沉降时间”一节。
(6)、电压在V1和V2的电网按比例为20mV或0.1%。


(7)、见“沉降时间”一节。
(8)、电压在V1和V2的电网按比例为20mV或0.1%。


(9)、OPA454与足够的散热装置相连,以防止热关机。
(10)、OPA454与足够的散热装置相连,以防止热关机。
(11)、OPA454与足够的散热装置相连,以防止热关机。

应用程序信息
图57显示了OPA454作为基本的非转换放大器连接。OPA454可用于几乎任何±5V至±50V运放配置。它特别适用于大于36V的电源电压。
电源端子应使用0.1μF(或更高)电容器绕过,电容器位于电源引脚附近。确保电容器的额定值与所用电源电压相匹配。

电源
OPA454可在高达±50V或总电压为100V的电源下工作,具有优异的性能。在整个工作电压下,大多数行为保持不变范围。参数典型特性中显示了随工作电压的显著变化。
有些应用不需要相等的正、负输出电压摆幅。电源电压不需要相等。OPA454在电源之间的电压最小为10伏,电源之间的电压为100伏。例如,正电源可以设置为90V,负电源设置为–10V,反之亦然(只要总电源小于或等于100V)。
输入保护
OPA454增强了对运算放大器输入引脚之间电压过高或输入引脚电压超过电源;保护不需要外部串联电阻。内部系列JFET将输入过载电流限制为非破坏性4mA,即使输入差分电压高达120V。此外,OPA454在器件和基板。因此,放大器不受许多集成电路制造过程中常见的结隔离的限制。
降低偏移电压和漂移
OPA454可与OPA735零漂系列运算放大器一起使用,以创建具有极低输入偏移温度漂移的高压运放电路。该电路如图58所示。

增加输出电流
OPA454驱动几毫安的输出电流到50mA以上,同时保持良好的运算放大器性能。在不同的输出电流水平下,开环增益与温度的关系见图7。
在25mA输出电流不足以驱动所需负载的应用中,可通过并联连接两个或多个OPA454来增加输出电流,如图59所示。放大器A1是主放大器,可以配置在几乎任何运算放大器电路中。从放大器A2被配置为单位增益缓冲器。或者,可以使用外部输出晶体管来提高输出电流。图60中的电路能够提供高达1A的输出电流,晶体管如图所示。
单位增益不可逆配置
在非互易单位增益结构下,随着正共模电压的增加和温度的升高,OPA454具有更多的增益峰值。负共模电压越大,增益峰值越小。与所有运算放大器一样,增益峰值随着电容性负载的增加而增加。在反馈通道中设置电阻和小电容可以减少增益峰值,提高稳定性。


输入范围
OPA454被指定为提供线性操作,输入摆幅在任一电源的2.5V范围内。一般来说,+1的增益是最苛刻的配置图61和图62使用图64所示的电路,显示了当输入摆动到轨道的0V范围内时的输出行为。图63显示了一个输入信号的行为,该信号在轨道的1V范围内摆动,也使用了图64中的电路。注意,相位反转效应的开始可以通过在正输入的连接中插入串联电阻(RS)来减小。请注意,VOUT不会一直摆动到对面的轨道。




输出范围
OPA454规定在49kΩ负载下摆动至任一供电轨1V范围内,同时保持良好的线性。随着输出电流的增大,摆向轨道的幅度减小。OPA454在负载为1.88kΩ时,可以在负极导轨的2V和正极导轨的3V范围内摆动。典型的特性曲线,输出电压摆幅vs输出电流(图11)详细地显示了这种行为。
开环增益线性度
图65显示了AOL和输出电压的非线性关系。如图65所示,与负电压电平相比,正输出电压电平下的开环增益更低。电气特性表中的规格基于在两个输出端测得的平均增益。

沉降时间
图66中的电路用于测量稳定时间响应。电路的左半部分是一个标准的假和结测试电路,用于测量稳定时间和开环增益。R1和R2提供增益并允许测量,而无需将示波器探头直接连接到求和结,这可能会通过引起振荡来干扰适当的运算放大器功能。
电路的右半部分观察反转和非反转响应的组合。R5和R6去掉了大阶跃响应。V2处的剩余电压显示以零为中心的小信号稳定时间。该测试电路可用于进货检验、实时测量或在系统应用中设计补偿电路。


启用和E/D Com
如果保持断开状态,E/D Com被内部10μA电流拉近V–(负电源)来源。什么时候左浮动,启用由内部1μA电源保持在E/D Com上方约2V。即使在启用和E/D Com引脚未连接时,OPA454的主动操作也会产生,电容耦合到启用引脚的中等快速、负向信号可以抑制1μa的上拉电流并导致设备关闭。这种行为可以表现为一种振荡,在接近极端低温时首次出现。如果不使用使能功能,保守的方法是通过30pF电容器将使能连接到低阻抗电源。另一种选择是从V+(正电源)连接一个外部电流源,足以使使能水平保持在停机阈值以上。图67显示了连接ENABLE和E/D的电路Com.选择RP为1MΩ,正电源电压为+50V,IP=50μa。

电流限制
图24和图48至图50显示了OPA454的电流极限特性。电流限制是通过内部限制输出晶体管的驱动来实现的。除非模具温度上升到+150°C,否则输出可以持续提供有限的电流,从而引发热关机。在充分散热的情况下,并使用尽可能低的电源电压,OPA454可连续保持在电流限制内,而不会进入散热状态关机。不过鉴定研究表明,400小时热停堆循环引起的最小参数变化,应避免这种运行模式,以最大限度地提高可靠性。最好提供适当的散热(通过物理板或气流),以保持在热关机阈值以下。为了延长设备的使用寿命,请将结温保持在+125°C以下。
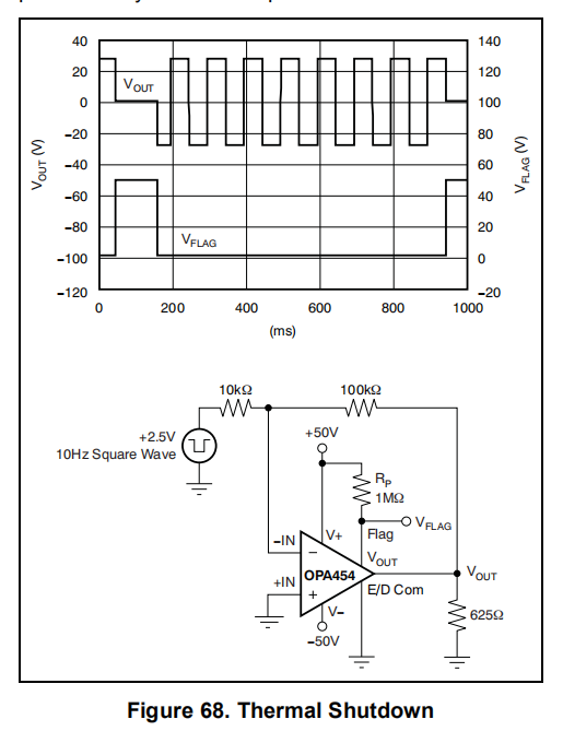
热防护
图68显示了插入式OPA454的热关机行为,其内部耗散1W。未焊接,且在插座中,DDA封装的θJA通常为+128°C/W。插座温度为+25°C时,输出级温度上升至+150°C的关机温度,从而触发设备的自动热关机。设备保持热关机(输出处于高阻抗状态),直到冷却到+130°C,然后再次通电。这种热保护迟滞特性通常可防止放大器离开安全工作区,即使输出与接地或任一电源之间存在直接短路。发生灾难性击穿的轨对轨供电电压在+25°C时通常为135V。但是,绝对最大规格为120V,在任何情况下,OPA454不应超过120V。热保护结构无法防止由电流尖峰进入感性负载(特别是电源电压升高)引起的故障。

功率损耗
功耗取决于电源、信号和负载条件。对于直流信号,功耗等于输出电流乘以导电输出晶体管上的电压的乘积,PD=IL(VS–VO)。通过使用所需的尽可能低的电源电压以确保所需的输出电压摆幅,可以将功耗降至最低。
当电源输出电压为最大值的一半时,电阻负载发生损耗。交流信号的损耗较低,因为均方根(RMS)值决定了加热。应用公告SBOA022解释了如何计算或测量异常负载或信号的耗散。对于恒流源电路,最大功耗发生在最小输出电压,如图69所示。
OPA454可提供25mA及以上的输出电流。提供这一电流量对使用±15V电源运行的某些运算放大器没有问题。然而,由于电源电压高,内部功耗大,运算放大器可以相当高。操作从一个单一的电源(或不平衡的电源)可以产生更大的功耗,因为一个大的电压压在整个导电的输出晶体管上。高功耗的应用可能需要散热器或散热片。

散热
在OPA454中消耗的功率导致结温升高。为了可靠运行,结温应限制在+125°C,最大值。维持较低的结温总是导致更高的可靠性。有些应用需要一个散热器,以确保不会超过最高工作结温度。结温可根据式1确定:

封装热阻θJA受安装工艺和环境的影响。空气流通不良和使用插座会显著增加对周围环境的热阻。许多运算放大器放在一起也会增加周围的温度。最佳的热性能是通过将运算放大器焊接到具有宽印刷电路痕迹的电路板上,以允许通过运算放大器引线进行更大的传导。将电路板的铜面积增加到大约0.5in2会降低热阻;但是,超过0.5in2时,会出现最小程度的改善,如图70所示。

PowerPAD热增强包
OPA454有SO-8和HSOP-20 PowerPAD版本,在模具和封装外部之间提供极低的热阻(θJC)路径。这些包装有一个外露的热垫。该热垫与模具直接热接触;因此,通过提供远离热垫的良好热路径,可获得优异的热性能。
顶部电源板组件
OPA454 DWD,HSOP-20,PowerPAD封装在封装的顶部有一个裸露的焊盘,如图71b所示。顶部的散热垫可与商用散热器和移动空气一起使用以散热。外部顶部侧散热器的使用增加了封装表面的有效表面积,这增加了顶部表面的对流和辐射包装。顶部-侧面散热还可避免印刷电路板(PCB)的不必要加热,并允许在OPA454的对面安装其它PCB组件。
底部电源板组件
OPA454 SO-8 PowerPAD是一个标准尺寸的SO-8封装,它使用一个下引线框架构造,该引线框架上安装有模具,如图71a所示。这种安排导致引线框架暴露在封装的下面作为热垫。IC底部的热垫可以直接焊接到PCB上,使用PCB作为散热片。此外,电镀通孔(通孔)提供了一个低热阻的热流道到背面印刷电路板该体系结构显著增强了OPA454的功耗能力,消除了传统热封装中使用的笨重散热器和插塞,并允许使用标准PCB组装技术轻松安装OPA454。注:由于SO-8 PowerPAD的引脚与标准SO-8封装兼容,因此OPA454是现有插座中运算放大器的替代品。将底部的PowerPAD焊接到PCB始终是必需的,即使对于低功耗的应用也是如此。将设备焊接到PCB上,在引线框架模架垫和PCB之间提供必要的热连接和机械连接。

底部电源板布局指南
PowerPAD包允许在一个制造操作中同时进行装配和热管理。在表面贴装焊料操作过程中(引线焊接时),必须将热焊盘焊接到封装下方的铜区域。通过在这个铜区域内使用热路径,热量可以从封装件传导到接地层或其他散热装置中。始终需要将PowerPAD焊接到PCB,即使是低功耗的应用程序也是如此。按照以下步骤将设备连接到PCB:
1、 电源板必须连接到设备上最负的电源电压V–。
2、 用顶面蚀刻准备PCB模式。那里应蚀刻引线和蚀刻热垫。
3、 使用热通孔可以改善散热,但这不是必需的。热焊盘可使用与焊盘尺寸相等的面积连接到PCB上,无需通孔,但外部连接到V–。
4、 在隔热垫区域放置推荐的孔。建议的SO-8 DDA封装的热焊盘尺寸和热通孔模式见本文件末尾所附的热焊盘模式机械图纸。这些孔的直径应为13密耳。保持它们很小,这样焊料芯吸通过孔是没有问题的回流焊SO-8 PowerPAD封装的最小建议孔数为5个。
5、 可在热垫区域外沿热平面的任何位置放置额外的通孔。这些通孔有助于消散OPA454集成电路产生的热量。这些附加过孔可能比直径为13密耳的通孔大在热垫的正下方。它们可以更大,因为它们不在要焊接的热垫区域;因此,芯吸不是问题。
6、 将所有孔连接到具有正确电压电势(V-)的内部电源平面。
7、 将这些孔连接到平面时,不要使用典型的腹板或轮辐连接方法。网络连接有一个高热阻连接,有助于减缓焊接操作中的热传递,使具有平面连接的通孔的焊接更容易。然而,在这种应用中,为了实现最有效的热传递,需要低热阻。因此,OPA454 PowerPAD封装下的孔应与内部平面进行连接,并在整个电镀通孔周围进行完整连接。
8、 顶部焊接面罩应使封装的端子和热焊盘区域暴露。底部的焊接面罩应覆盖热焊盘的孔区域。这个掩蔽可防止焊料在回流焊过程中被拉离热焊盘区域。
9、 将锡膏涂在外露的热垫区域和所有IC端子上。
10、 有了这些准备步骤,PowerPAD IC就可以简单地放置到位,并像任何标准的表面贴装元件一样完成焊接回流焊操作。此准备工作可使零件正确安装。
典型应用
图72和图73分别说明了可编程电压源和桥接电路中的OPA454。


图74使用三个OPA454创建一个高压仪表放大器。VCM±VSIG必须介于(V-)+2.5V和(V+)-2.5V之间。最大电源电压等于±50V或100V。
图75使用三个OPA454s来测量高压侧并联应用中的电流。VSUPPLY必须大于VCM。VCM必须在(V-)+2.5V和(V+)-2.5V之间。遵守这些限制条件可使V1和V2保持在OPA454线性运行所需的电压范围内。例如,如果V+=50V且V–=50V,则V1=+47.5V(最大)和V2=–47.5V(最小)。最大电源电压等于±50V,或总计100V。
参见图76和图79,分别在三级和六级运放输出级的输出电压升压配置中使用OPA454的电路示例。









高合规电压电流源
本节介绍了四种不同的应用,利用具有差分输入的高合规电压电流源。图69和图83说明了不同的应用。

使用红色发光二极管(LED)生成图84。
雪崩光电二极管(APD)的增益是通过改变APD上的电压来调节的。当反向电压超过130V时,增益开始增加。图85显示了这种结构。


安芯科创是一家国内芯片代理和国外品牌分销的综合服务商,公司提供芯片ic选型、蓝牙WIFI模组、进口芯片替换国产降成本等解决方案,可承接项目开发,以及元器件一站式采购服务,类型有运放芯片、电源芯片、MO芯片、蓝牙芯片、MCU芯片、二极管、三极管、电阻、电容、连接器、电感、继电器、晶振、蓝牙模组、WI模组及各类模组等电子元器件销售。(关于元器件价格请咨询在线客服黄经理:15382911663)
代理分销品牌有:ADI_亚德诺半导体/ALTBRA_阿尔特拉/BARROT_百瑞互联/BORN_伯恩半导体/BROADCHIP_广芯电子/COREBAI_芯佰微/DK_东科半导体/HDSC_华大半导体/holychip_芯圣/HUATECH_华泰/INFINEON_英飞凌/INTEL_英特尔/ISSI/LATTICE_莱迪思/maplesemi_美浦森/MICROCHIP_微芯/MS_瑞盟/NATION_国民技术/NEXPERIA_安世半导体/NXP_恩智浦/Panasonic_松下电器/RENESAS_瑞莎/SAMSUNG_三星/ST_意法半导体/TD_TECHCODE美国泰德半导体/TI_德州仪器/VISHAY_威世/XILINX_赛灵思/芯唐微电子等等
免责声明:部分图文来源网络,文章内容仅供参考,不构成投资建议,若内容有误或涉及侵权可联系删除。
Copyright © 2002-2023 深圳市安芯科创科技有限公司 版权所有 备案号:粤ICP备2023092210号-1