特征
•极低偏移漂移:最大1μV/°C
•极低偏移:120μV
•低输入偏置电流:最大10 pA
•非常低的1/f噪声:250 nVPP,0.1 Hz至10 Hz
•低噪声:5.1 nV/√Hz
•转换速率:20 V/μs
•低电源电流:最大2 mA
•输入电压范围包括V电源
•单电源操作:4.5 V至36 V
•双电源操作:±2.25 V至±18 V
•无相位反转
•行业标准SOIC封装
•VSSOP、TSSOP和SOT-23包
应用
•电池供电仪器
•工业控制
•医疗器械
•光电二极管放大器
•有源滤波器
•数据采集系统
•自动测试系统
说明
OPA140、OPA2140和OPA4140运算放大器(op-amp)系列是一系列低功耗JFET输入放大器,具有良好的漂移和低输入偏置电流。轨道到轨道的输出摆幅和输入范围,包括V-允许设计师利用JFET放大器的低噪声特性,同时也与现代的单电源精密模数转换器(ADC)和数模转换器(DAC)接口。
OPA140实现了11mhz单位增益带宽和20v/μs的转换速率,而静态电流仅消耗1.8ma(典型值)。它使用单个4.5-V至36-V电源或双路±2.25-V至±18-V电源。
所有版本的温度均为-40°C至125°C,适用于最具挑战性的环境。OPA140(单)有5针SOT-23、8针VSSOP和8针SOIC封装;OPA2140(双)有8针VSSOP和8针SOIC封装;OPA4140(四芯)有14针SOIC和14针TSSOP封装。
设备信息

(1)、有关所有可用的软件包,请参阅数据表末尾的订购附录。

典型特征
除非另有说明,否则在TA=25°C,VS=±18 V,RL=2 kΩ,连接到中间电源,VCM=VOUT=MID SUPPLY。











详细说明
概述
OPAx140系列运算放大器是一系列低功耗JFET输入放大器,具有优异的漂移性能和低输入偏置电流。轨道到轨道的输出摆幅和输入范围,包括V-允许设计人员使用JFET放大器的低噪声特性,同时也与现代的单电源精密模数转换器(ADC)和数模转换器(DAC)接口。OPAx140系列达到11MHz单位增益带宽和20V/μs转换率,仅消耗1.8mA(典型)的静态电流。这些装置在单个4.5-V至36-V电源或双路±2.25-V至±18-V电源上运行。
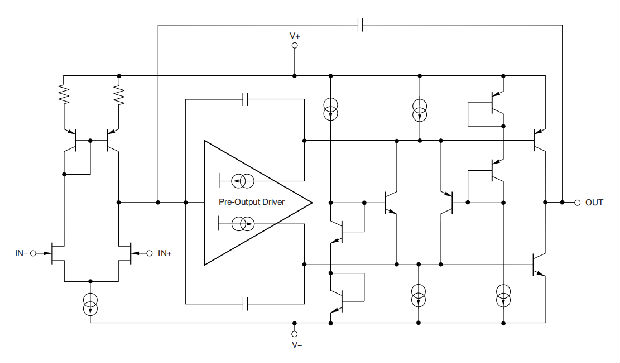
功能框图部分显示了OPAx140的简化图。
功能框图

功能描述
工作电压
OPA140、OPA2140和OPA4140系列运算放大器可在VS=4.5V(±2.25V)和VS=36V(±18V)的工作范围内使用单电源或双电源。这些设备不需要对称供电;它们只需要4.5V(±2.25V)的最小供电电压。对于VS小于±3.5 V,共模输入范围不包括中间电源。高于40 V的电源电压会永久损坏设备;请参阅绝对最大额定值表。关键参数在工作温度范围内规定,TA=–40°C至125°C。随电源电压或温度范围变化的关键参数见本数据表的典型特性部分。
电容性负载与稳定性
OPAx140的动态特性已经针对常见的增益、负载和操作条件进行了优化。低闭环增益和高容性负载的结合降低了放大器的相位裕度,并可能导致增益峰值或振荡。因此,较重的电容性负载必须与输出隔离。实现这种隔离的最简单方法是在输出端串联一个小电阻(例如,ROUT等于50Ω)。
图19和图20显示了几个ROUT值的小信号超调与电容性负载的关系图。此外,有关分析技术和应用电路的详细信息,请参阅应用注释“反馈图定义运算放大器交流性能”(SBOA015,可从TI网站下载)。
输出电流限制
OPAx140系列的输出电流被内部电路限制在36毫安/–30毫安(源/陷),以便在输出意外短路时保护设备。短路电流取决于温度,如图31所示。
噪声性能
图33显示了在单位增益配置(没有反馈电阻网络,因此没有额外的噪声贡献)的运算放大器的源阻抗变化的总电路噪声。图中显示了OPA140和OPA211,并计算了总电路噪声。运算放大器本身提供电压噪声分量和电流噪声分量。电压噪声通常被建模为偏置电压的时变分量。电流噪声被建模为输入偏置电流的时变分量,并与源电阻反应产生噪声的电压分量。因此,给定应用的最低噪声运算放大器取决于源阻抗。对于低源阻抗,电流噪声可以忽略不计,而电压噪声通常占主导地位。由于运算放大器的FET输入,OPA140、OPA2140和OPA4140系列具有低电压噪声和极低电流噪声。因此,对于任何实际的源阻抗,OPAx140系列的电流噪声贡献可以忽略不计,这使得它成为高源阻抗应用的更好选择。
图33中的方程式显示了总电路噪声的计算,这些参数如下:
•en=电压噪声
•In=电流噪声
•RS=源阻抗
•k=玻尔兹曼常数=1.38×10–23 J/k
•T=温度,单位:开氏度(K)
有关计算噪波的详细信息,请参见基本噪波计算。

基本噪声计算
低噪声电路的设计需要仔细分析所有的噪声源。在许多情况下,外部噪声源占主导地位;考虑源电阻对运算放大器整体噪声性能的影响。电路的总噪声是所有噪声分量的平方根和组合。
源阻抗的电阻部分产生与电阻平方根成比例的热噪声。该函数如图33所示。源阻抗通常是固定的;因此,选择运放和反馈电阻,以尽量减少各自对总噪声的贡献。
图34说明了无反转(A)和反转(B)运算放大器电路的增益配置。在有增益的电路配置中,反馈网络电阻也会产生噪声。一般来说,运算放大器的电流噪声与反馈电阻反应,产生额外的噪声分量。然而,OPAx140的极低电流噪声意味着其电流噪声贡献可以忽略不计。
通常可以选择反馈电阻值,使这些噪声源可以忽略不计。低阻抗反馈电阻负载放大器的输出。给出了两种结构的总噪声方程。

倒相保护
OPA140、OPA2140和OPA4140系列具有内部相位反转保护。许多FET和双极性输入运算放大器在输入被驱动超过其线性共模范围时会出现相位反转。这种情况在非换向电路中最常见,当输入被驱动到超过规定的共模电压范围时,导致输出反向进入相反的轨道。OPA140、OPA2140和OPA4140的输入电路可防止共模电压过高时的相位反转;相反,输入到相应轨道的输出限制(见图21)。
热防护
OPAx140系列运算放大器能够在规定温度范围内驱动2-kΩ负载,电源电压高达±18 V。在单电源配置中,当负载连接到负电源电压时,36 V电源电压下的最小负载电阻为2.8 kΩ。对于较低的电源电压(单电源或对称电源),只要输出电流不超过13 mA,就可以使用较低的负载电阻;否则,装置短路电流保护电路可能激活。
在高电源电压下工作时,内部功耗增加。与传统材料相比,OPA140、OPA2140和OPA4140系列设备中使用的铜引线框架结构提高了散热性。印刷电路板(PCB)布局也有助于降低结温的可能增加。宽大的铜痕迹作为一个额外的散热片有助于散热。通过将设备直接焊接到PCB上而不是使用插座,可以进一步将温升降到最低。
虽然输出电流受到内部保护电路的限制,但设备的一个或多个输出通道意外短路会导致过热。例如,当一个输出对中间电源短路时,36毫安的典型短路电流导致在±18伏的电源下内部功耗超过600毫瓦。
对于8针VSSOP封装中的双OPA2140(热阻θJA=180°C/W),当两个通道短路时,这种功耗将导致模具温度高于环境温度220°C。这种温度升高会显著降低设备的使用寿命。
为了防止过热,OPAx140系列有一个内部热关机电路,当模具温度超过大约180°C时,该电路会关闭设备。当该热关机电路启动时,15°C的内置磁滞确保在设备再次开启之前,模具温度必须下降到大约165°C。
应额外考虑最大工作电压、最高工作温度、负载和包装类型的组合。图35和图36显示了评估OPA2140(双版本)和OPA4140(四版本)时的一些实际考虑。
例如,OPA4140的最大总静态电流为10.8 mA(2.7 mA/通道)。14针TSSOP封装的典型热阻为135°C/W。此参数意味着,由于结温不应超过150°C,以确保可靠运行,必须降低电源电压,或者环境温度应保持足够低,以使结温不超过150℃。图35对各种封装类型说明了这种情况。此外,输出端的电阻负载会导致额外的功率损耗,从而产生自热,在确定最大电源电压或工作温度时,也必须考虑到这一点。为此,图36显示了当直流负载电阻为2kΩ时,最大电源电压与温度的关系。

电气过应力
设计者经常问运算放大器承受过大电应力的能力。这些问题往往集中在设备输入上,但可能涉及电源电压引脚,甚至输出引脚。每一种不同的引脚功能都具有由特定半导体制造工艺和连接到引脚的特定电路的电压击穿特性决定的电应力极限。此外,内部静电放电(ESD)保护内置在这些电路中,以防止在产品装配之前和过程中发生意外的ESD事件。
有助于更好地理解这一基本的ESD电路及其与电气过应力事件的相关性。有关OPAx140系列中包含的ESD电路的图示,请参见图37(虚线区域表示)。ESD保护电路包括几个电流控制二极管,这些二极管从输入和输出引脚连接,并返回内部电源线,在那里它们在运算放大器内部的吸收装置处会合。该保护电路旨在在正常电路操作期间保持非活动状态。
ESD事件产生一个持续时间短的高压脉冲,当它通过半导体器件放电时,该脉冲被转换成短时间的大电流脉冲。ESD保护电路设计用于在运算放大器核心周围提供电流通路,以防止其损坏。保护电路吸收的能量随后以热量的形式散失。
当一个ESD电压在两个或多个放大器器件引脚上形成时,电流流过一个或多个转向二极管。根据电流的路径,吸收装置可能会被激活。吸收装置的触发电压或阈值电压高于OPAx140的正常工作电压,但低于器件击穿电压水平。一旦超过这个阈值,吸收装置会迅速启动,并将电源轨上的电压保持在安全水平。
当运算放大器连接到如图37所示的电路中时,ESD保护组件将保持不活动状态,而不会参与应用电路的操作。然而,当外加电压超过给定引脚的工作电压范围时,可能会出现这种情况。如果出现这种情况,则存在一些内部ESD保护电路可能偏压并传导电流的风险。任何这样的电流都是通过导向二极管路径产生的,很少涉及吸收装置。
图37描述了一个具体的例子,其中输入电压(VIN)超过正电源电压(+VS)500 mV或更多。电路中发生的大部分情况取决于电源特性。如果+VS可以吸收电流,则上部输入转向二极管中的一个将电流传导并引导至+VS。过高的电流水平会随着VIN的升高而流动。因此,数据表规格建议应用程序将输入电流限制在10毫安。
如果电源不能吸收电流,VIN可以开始向运算放大器提供电流,然后作为正电源电压源接管。这种情况下的危险是电压可能上升到超过运算放大器绝对最大额定值的水平。
另一个常见的问题是,如果在电源+VS或–VS为0v时,输入信号被应用到输入端,放大器会发生什么情况。
同样,它取决于在0伏或低于输入信号幅度的电平下的电源特性。如果电源显示为高阻抗,则运算放大器电源电流可由输入源通过电流控制二极管提供。这种状态不是正常的偏压状态;放大器很可能不会正常工作。如果电源阻抗低,则通过转向二极管的电流可能会变得相当高。电流水平取决于输入源传输电流的能力,以及输入路径中的任何电阻。
如果电源吸收电流的能力存在不确定性,可以在电源引脚上添加外部齐纳二极管,如图37所示。必须选择齐纳电压,使二极管在正常运行期间不会打开。
然而,它的齐纳电压应该足够低,以便齐纳二极管在电源引脚开始上升到高于安全工作电源电压水平时导通。

电磁干扰抑制
电磁干扰抑制比(EMI)描述了运算放大器的EMI抗扰度。对许多运算放大器来说,一个常见的不利影响是射频信号整流后偏移电压的变化。一个运算放大器,如果能够更有效地抑制EMI引起的偏移量变化,则它具有更高的EMIRR,并通过分贝值量化。测量EMIRR的方法有很多种,但本节提供EMIRR in+,它专门描述了当RF信号被应用到运算放大器的非反转输入管脚时的EMIRR性能。一般来说,由于以下三个原因,仅对非转换输入进行EMIRR测试:
•众所周知,运算放大器输入引脚对EMI最敏感,通常比电源或输出引脚更能校正射频信号。
•无换向和逆变运算放大器输入具有对称的物理布局,并显示出几乎匹配的EMIRR性能。
•EMIRR在非转换引脚上比在其他引脚上更容易测量,因为非转换输入端子可以在PCB上隔离。这种隔离使得射频信号可以直接应用到不转换的输入终端,而不需要来自其他组件的复杂交互或连接PCB线路。(图38)
OPA2140的EMIRR IN+与频率的关系如中所示。如果可用,任何双和四个运算放大器设备版本具有几乎相似的EMIRR IN+性能。OPA2140单位增益带宽为11MHz。低于此频率的EMIRR性能表示属于运算放大器带宽内的干扰信号。
参见应用报告,运算放大器的EMI抑制比(SBOA128)。

表2列出了OPA2140在实际应用中常见的特定频率下的EMIRR IN+值。表2中列出的应用可以集中在所示的特定频率上或在其附近运行。这些信息可能对从事此类应用的设计师特别感兴趣,或者在其他领域工作的设计师可能会特别感兴趣,比如工业、科学和医疗(ISM)无线电波段。

EMIRR+测试配置
图39显示了测试EMIRR IN+的电路配置。射频源通过传输线连接到运算放大器非转换输入端。运算放大器配置为单位增益缓冲拓扑,输出连接低通滤波器(LPF)和数字万用表(DMM)。运算放大器输入端的大阻抗失配会导致电压反射;然而,当确定EMIRR IN+时,会对这种效应进行表征和说明。由此产生的直流偏移电压由万用表进行采样和测量。LPF将万用表与可能干扰万用表精度的残余射频信号隔离。

设备功能模式
OPAx140具有单一功能模式,当电源电压大于4.5 V(±2.25 V)时,它可以工作。OPAx140的最大电源电压为36 V(±18 V)。
应用与实施
注意:以下应用章节中的信息不是TI组件规范的一部分,TI不保证其准确性或完整性。TI的客户负责确定组件的适用性。客户应验证和测试其设计实现,以确认系统功能。
申请信息
OPA140、OPA2140和OPA4140是单位增益稳定的运算放大器,具有非常低的噪声、输入偏置电流和输入偏移电压。噪声或高阻抗电源的应用要求去耦电容器靠近器件引脚。在大多数情况下,0.1-μF电容器就足够了。设计人员可以很容易地使用轨道到轨道的输出摆动和输入范围,包括V-利用JFET放大器的低噪声特性,同时也接口到现代,单电源,精密数据转换器。
典型应用

设计要求
低通滤波器通常用于信号处理应用,以减少噪声和防止混叠。OPAx140是高精度有源滤波器的理想选择。图40显示了信号处理应用中常见的二阶低通滤波器。
在本设计示例中使用以下参数:
•增益=5 V/V(反转增益)
•低通截止频率=25 kHz
•二阶切比雪夫滤波器响应,通带内增益峰值为3-dB
详细设计程序
低通网络函数的无限增益多重反馈电路如所示。使用方程式1计算电压传递函数。

这个电路产生信号反转。对于该电路,直流增益和低通截止频率由方程式2计算:

软件工具可以方便地简化滤波器的设计。WEBENCH®Filter Designer是一个简单、功能强大、易于使用的有源滤波器设计程序。WEBENCH®过滤器设计器允许您使用TI供应商合作伙伴的TI运算放大器和无源元件来创建优化的滤波器设计。
WEBENCH Filter Designer是WEBENCH设计中心提供的基于web的工具,允许您在几分钟内设计、优化和模拟完整的多级有源滤波器解决方案。
应用曲线

电源建议
OPAx140规定在4.5 V至36 V(±2.25 V至±18 V)下工作;许多规范适用于-40°C至125°C。典型特性中给出了与工作电压或温度有关的显著变化的参数。
注意安全
大于40 V的电源电压会永久损坏设备;请参阅绝对最大额定值。
将0.1-μF旁路电容器靠近电源引脚,以减少噪声或高阻抗电源的耦合误差。有关旁路电容器放置的更多详细信息,请参阅布局一节。
布局
布局指南
为获得设备的最佳操作性能,请使用良好的PCB布局实践,包括:
•噪声可以通过整个电路的电源引脚和运放本身传播到模拟电路中。旁路电容器用于通过提供模拟电路局部的低阻抗电源来降低耦合噪声。
–将低ESR、0.1-μF陶瓷旁路电容器连接在每个电源引脚和接地之间,并尽可能靠近设备。从V+到地的单旁路电容器适用于单电源应用。
•电路模拟和数字部分的单独接地是最简单和最有效的噪声抑制方法之一。多层印刷电路板上的一层或多层通常用于接地层。接地板有助于分配热量并减少电磁干扰噪音。确保在物理上分离数字和模拟接地,注意接地电流的流动。有关详细信息,请参阅电路板布局技术(SLOA089)。
•为了减少寄生耦合,输入轨迹应尽可能远离电源或输出轨迹。如果这些记录道不能保持分离,则垂直穿过敏感记录道要比与噪声记录道平行要好得多。
•将外部组件尽可能靠近设备。如图42所示,保持RF和RG接近逆变输入可以最大限度地减小寄生电容。
•输入记录道的长度应尽可能短。始终记住,输入轨迹是电路中最敏感的部分。
•考虑在关键线路周围设置一个驱动的低阻抗保护环。保护环可以显著降低附近不同电位的漏电电流。
•为了获得最佳性能,TI建议在板组装后清洁PCB。
•任何精密集成电路都可能因水分进入塑料包装而发生性能变化。在任何水性PCB清洁过程之后,TI建议烘烤PCB组件,以去除清洁过程中引入设备包装的水分。在大多数情况下,在85°C的低温清洁后烘烤30分钟就足够了。
布局示例

安芯科创是一家国内芯片代理和国外品牌分销的综合服务商,公司提供芯片ic选型、蓝牙WIFI模组、进口芯片替换国产降成本等解决方案,可承接项目开发,以及元器件一站式采购服务,类型有运放芯片、电源芯片、MO芯片、蓝牙芯片、MCU芯片、二极管、三极管、电阻、电容、连接器、电感、继电器、晶振、蓝牙模组、WI模组及各类模组等电子元器件销售。(关于元器件价格请咨询在线客服黄经理:15382911663)
代理分销品牌有:ADI_亚德诺半导体/ALTBRA_阿尔特拉/BARROT_百瑞互联/BORN_伯恩半导体/BROADCHIP_广芯电子/COREBAI_芯佰微/DK_东科半导体/HDSC_华大半导体/holychip_芯圣/HUATECH_华泰/INFINEON_英飞凌/INTEL_英特尔/ISSI/LATTICE_莱迪思/maplesemi_美浦森/MICROCHIP_微芯/MS_瑞盟/NATION_国民技术/NEXPERIA_安世半导体/NXP_恩智浦/Panasonic_松下电器/RENESAS_瑞莎/SAMSUNG_三星/ST_意法半导体/TD_TECHCODE美国泰德半导体/TI_德州仪器/VISHAY_威世/XILINX_赛灵思/芯唐微电子等等
免责声明:部分图文来源网络,文章内容仅供参考,不构成投资建议,若内容有误或涉及侵权可联系删除。
Copyright © 2002-2023 深圳市安芯科创科技有限公司 版权所有 备案号:粤ICP备2023092210号-1