旧灯或损坏灯的启动顺序
当一个旧灯连接到镇流器上时,冲击电压高于标称值电压也可能高于安全阈值。在这种情况下,灯可能会在比点火时间长或不点火的时间。在这两种情况下,在点火期间,由于频率降低,镇流器输出端的电压很容易达到危险值。如果灯管破裂,也会发生同样的情况:灯不能点火,灯电压必须加以限制。在点火期间,L6585DE通过感测器感应流入灯内的电流电阻器连接到HBCS引脚。如果HBCS引脚电压达到1.6 V,则少量电流从EOI引脚下沉,导致频率小幅增加。这个频率从宏观上讲,修改的结果是频率调节,因此产生电流调节和灯电压限制。一旦HBCS引脚电压达到1.6 V,TCH引脚就开始充电Cd:当TCH电压达到4.63V,TCH引脚不再自由(如在预热期间),但是下沉26ua,导致Cd更快的释放。当TCH电压达到1.5 V时,引脚下拉并检查HBCS电压。如果电压高于1.05 V,则IC停止工作。如果灯在这个缩短的TCH周期内点火,EOI引脚停止下沉电流,如果达到1.9 V时,IC进入运行模式,TCH引脚立即被拉下。

值得注意的是,缩短的TCH周期时间仅取决于Cd值。它是建议从选择Cd开始,以获得保护时间,然后可以继续选择Rd以获得所需的TPRE

运行模式下的旧灯管理
在运行模式下,旧灯可能会出现三种不同的异常行为:
整流效果
过流
硬交换事件
整流效果
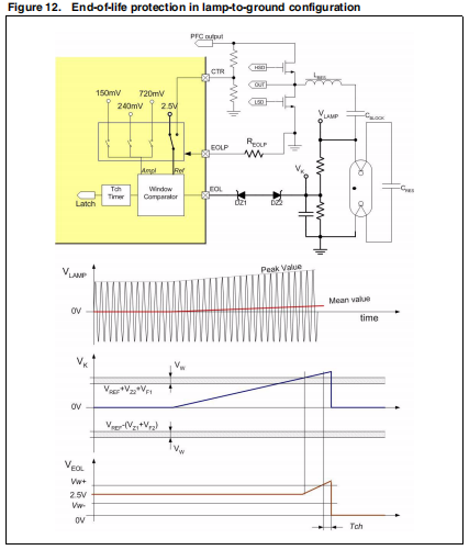
整流效果与二者欧姆电阻的差异增大有关阴极。因此,当灯电流流入时,灯的等效电阻更高一个方向比另一个方向。电流波形失真灯电流不再为零。下线引脚是内部窗口比较器的输入它可以由整流效应引起的电压变化触发。这个比较器的基准和窗口的振幅可以通过连接来设置下表所示的EOLP引脚的合适电阻器:

该比较器的参考电压可以设置为固定电压或与中心销。当连接灯时,可使用固定参考配置(见图12)接地,需要两个齐纳二极管来移动灯的平均值电压为2.5V。两个齐纳值影响干涉的对称性保护:选择两个差值等于两倍参考电压:
VUP=VREF+VZ2+VF1+W/2
VDOWN=VREF–(VZ1+VF2)–W/2
VUP=-V下
2 VREF=VZ1−VZ2
其中VUP和VDOWN是VK的最大允许值当灯连接在扼流圈和闭锁电容器采用块状电容器对地配置。在这个配置阻断电容器上的电压受到电压纹波的影响叠加在PFC输出上。使用受同一波纹影响的引用有助于拒绝它,避免比较器过早触发。一旦触发比较器,Tch循环开始,以改善噪声免疫。


过电流保护
过流和硬开关事件的出现与对称增加两个阴极的欧姆电阻。整体效果会导致增加了灯的等效电阻,并对共振网络的共振曲线(见图14)。

共振峰值的增加会导致由L6585DE管理的过电流与点火模式相同,但限制阈值和检查阈值分别为1.05伏和0.82伏。
硬开关保护
当FRUN等于共振曲线的峰值时,半桥所看到的荷载为纯粹的电阻。在这种情况下,零电压开关不再存在,而MOSFET打开时会出现高电流尖峰。HBCS引脚处的电压显示这些峰值其电压值可以大于3V,持续时间取决于谐振频率和工作频率为。典型值为40纳秒左右200纳秒。这些尖峰可能会使MOSFET过热,但如果正确检测到,可以防止在共振频率以下工作的风险(电容模式)。L6585DE可以通过HBCS引脚上的2.75 V阈值来检测这些尖峰如果检测到350(典型)后续峰值,则关闭IC的计数器。这种保护在预热和点火过程中都是空白的。
扼流圈饱和保护
镇流器扼流圈饱和意味着非常高的电流流入谐振网络和共振曲线的几乎瞬间修改发生在工作点立即处于电容模式。电容模式下的稳定运行严重损坏压舱物。

因此,在点火和运行模式下,连接到HBCS引脚的比较器激活阈值分别等于2.75 V和1.6 V。它感应到在镇流器感应电阻,并立即锁定在低消耗模式的IC。宽度触发峰值在200ns以上。这保证了在运行模式下切换事件(典型持续时间在40 ns到100 ns之间)不能触发比较器。然而,硬开关保护和抗饱和保护还不够完善独立的。关于脉冲宽度,我们可以指出四个不同的区域:
(a) 持续时间小于40ns的尖峰:(噪声区)无保护触发。
(b) 持续时间在40纳秒和100纳秒之间的尖峰:(HSw区域)仅硬开关保护将在大约420个事件后激活。
(c) 持续时间在100ns和200ns之间的尖峰:(不确定区域)硬开关保护动作,也可抗饱和保护激活,这可能导致硬开关保护的早期激活或延迟启动抗饱和保护(在这种情况下阻塞不会太深)。
(d) 持续时间超过200ns的尖峰:(ASP区)抗饱和保护一定会在第一次活动时激活。

安芯科创是一家国内芯片代理和国外品牌分销的综合服务商,公司提供芯片ic选型、蓝牙WIFI模组、进口芯片替换国产降成本等解决方案,可承接项目开发,以及元器件一站式采购服务,类型有运放芯片、电源芯片、MO芯片、蓝牙芯片、MCU芯片、二极管、三极管、电阻、电容、连接器、电感、继电器、晶振、蓝牙模组、WI模组及各类模组等电子元器件销售。(关于元器件价格请咨询在线客服黄经理:15382911663)
代理分销品牌有:ADI_亚德诺半导体/ALTBRA_阿尔特拉/BARROT_百瑞互联/BORN_伯恩半导体/BROADCHIP_广芯电子/COREBAI_芯佰微/DK_东科半导体/HDSC_华大半导体/holychip_芯圣/HUATECH_华泰/INFINEON_英飞凌/INTEL_英特尔/ISSI/LATTICE_莱迪思/maplesemi_美浦森/MICROCHIP_微芯/MS_瑞盟/NATION_国民技术/NEXPERIA_安世半导体/NXP_恩智浦/Panasonic_松下电器/RENESAS_瑞莎/SAMSUNG_三星/ST_意法半导体/TD_TECHCODE美国泰德半导体/TI_德州仪器/VISHAY_威世/XILINX_赛灵思/芯唐微电子等等
免责声明:部分图文来源网络,文章内容仅供参考,不构成投资建议,若内容有误或涉及侵权可联系删除。
Copyright © 2002-2023 深圳市安芯科创科技有限公司 版权所有 备案号:粤ICP备2023092210号-1