特征
●轨对轨输入和输出
●高输出电流:660毫安
●单电源:+5 V至+12 V
●宽带:5 MHz
●高转换率:3V/ms
●低失真:0.01%
●单位增益稳定
●无相位反转
●短路保护
●驱动电容性负载:10 nF
应用
●多媒体
●电信
●DAA变压器驱动器
●LCD驱动程序
●低压伺服控制
●调制解调器
●场效应晶体管驱动器
一般说明
OP179和OP279是轨对轨,高输出电流,单电源放大器。它们是为需要电流或电容负载驱动能力的低压应用而设计的。OP179/OP279可以吸收和源电流为±60毫安(典型值),并且在电容负载为10毫安时稳定。
从OP179/OP279的高输出电流中获益的应用包括驱动耳机、显示器、变压器和功率晶体管。强大的输出与独特的输入级相结合,即使在单电源设计中,也能保持极低的失真和较宽的共模范围。
OP179/OP279可用作缓冲器,以提供比CMOS输出通常提供的更大的驱动能力。CMOS ASIC和DAC通常有输出,可以摆动到正电源和接地,但不能驱动超过几毫安。
带宽通常为5mhz,转换速率为3v/μs,这使得这些放大器非常适合在高增益配置中使用时需要音频带宽的单电源应用。电压低至4.5V,高达12V,可保证运行。
在+5伏系统中使用OP179/OP279时,可以获得非常好的音频性能。THD在600Ω负载下低于0.01%,噪声为21 nV/√Hz。每个放大器的电源电流小于3.5毫安。
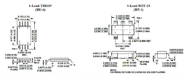
单OP179在5线SOT-23-5封装中提供。在工业(–40°C到+85°C)温度范围内指定。
OP279有8芯塑料浸渍、TSSOP和SO-8表面贴装封装。它们在工业(–40°C到+85°C)温度范围内指定。
引脚配置



订购指南

典型性能图





操作理论
OP179/OP279是模拟设备扩展的单电源设备系列的最新产品,专为多媒体和电信市场设计。它是一个高输出电流驱动,轨对轨输入/输出运算放大器,由单个+5V电源供电。它也适用于其他需要低失真和高输出电流驱动的低电源电压应用。为了结合轨对轨输入/输出操作的高输出电流和低失真的特性,采用了新的电路设计技术。
例如,图1说明了OP179/OP279输入级的简化等效电路。它由两个并联运行的PNP差分对Q5-Q6和Q7-Q8组成,带有二极管保护网络。二极管网络D5-D6和D7-D8用于将施加的差分输入电压钳制到OP179/OP279,从而保护输入晶体管免受雪崩损坏。这两个PNP增益级之间的基本区别是Q7-Q8对通常是关闭的,并且它们的输入被Q1-D1-D2和Q9-D3-D4从运算放大器输入缓冲。操作最好理解为施加共模电压的函数:当OP179/OP279的输入在电源之间的中间偏压时,差分信号路径增益由电阻负载(通过R7、R8)Q5-Q6控制。当输入共模电平朝负电源(VNEG或GND)降低时,输入晶体管电流源I1和I3被迫饱和,从而迫使Q1-D1-D2和Q9-D3-D4网络切断;然而,Q5-Q6保持激活状态,提供输入级增益。另一方面,当共模输入电压向正电源方向增加时,Q5-Q6被驱动到截止,Q3被驱动到饱和,并且Q4变得活跃,为Q7-Q8差分对提供偏置。Q7-Q8差分对激活的点大约等于(VPO–1 V)。

这里的关键问题是在这个阶段输入偏置电流的行为。OP179/OP279在共模电压范围(VNEG+1 V)到(VPOS–1 V)范围内的输入偏置电流是Q1Q5和Q9-Q6中基极电流的算术和。在这个范围之外,输入偏置电流主要由Q5-Q6(接近VNEG的输入信号)和Q1-Q5(Q9-Q6)的基电流和控制。由于这种设计方法,OP179/OP279的输入偏置电流不仅表现出不同的振幅,而且表现出不同的极性。这种输入偏置电流行为在图3中得到了最好的说明。因此,至关重要的是,连接到OP179/OP279输入端的有效源阻抗平衡,以获得最佳的直流和交流性能。
为了实现轨对轨输出特性,OP179/OP279设计采用互补共发射极(或gmRL)输出级(Q15-Q16),如图23所示。这些放大器提供输出电流,直到它们被强迫进入饱和状态,饱和状态发生在任一供电轨的50毫伏左右。因此,它们的饱和电压是OP179/OP279中最大输出电压摆幅的限制。由于使用公共发射极放大器,输出级还显示出电压增益;并且,输出级的电压增益(因此,器件的开环增益)表现出与OP179/OP279输出处的总负载电阻的强烈依赖性,如图7所示。

输入过压保护
与任何半导体器件一样,只要存在输入超过任一电源电压的条件,就必须考虑器件的输入过电压特性。当发生过电压时,放大器可能会损坏,这取决于外加电压的大小和故障电流的大小。图24显示了OP179/OP279的输入过电压特性。该图是由地面电源和连接到输入端的曲线跟踪器生成的。可以看出,当输入电压超过任何一个电源超过0.6伏时,内部pn结通电,允许电流从输入流到电源。如简化等效输入电路(图22)所示,OP179/OP279没有任何内部限流电阻,因此故障电流可以迅速上升到破坏性水平。
只要输入电流限制在5毫安或以下,该输入电流不会对设备造成固有损害。对于OP179/OP279,一旦输入电压超过电源0.6 V以上,输入电流就会迅速超过5 mA。如果这种情况继续存在,应增加一个外部串联电阻器。电阻的大小是用最大过电压除以5毫安来计算的。例如,如果输入电压可以达到100 V,则外部电阻应为(100 V/5 mA)=20 kΩ。如果暴露在过电压下,该电阻应与其中一个或两个输入串联。同样,为了确保最佳的直流和交流性能,平衡电源阻抗水平是很重要的。有关放大器一般过电压特性的更多信息,请参阅1993年研讨会应用指南,可从模拟设备文献中心获得。

输出相位反转
一些为单电源工作而设计的运算放大器,当其输入被驱动超过其有效共模范围时,会出现输出电压相位反转。通常对于单电源双极型运算放大器,负电源决定其共模范围的下限。利用这些器件,外部箝位二极管,阳极接地,阴极接输入,输入信号偏移被防止超过设备的负电源(即GND),防止出现可能导致输出电压相位变化的情况。JFET输入放大器也可能出现相位反转,如果是这样,通常需要一个串联输入电阻来防止它。
只要输入电压不超过电源电压,OP179/OP279就不受合理的输入电压范围限制。虽然装置的输出不会改变相位,但是大电流可以流过输入保护二极管,如图22所示。因此,在输入电压可能超过电源电压的情况下,应采用输入过电压保护部分中推荐的技术。
电容负载驱动
OP179/OP279具有出色的电容负载驱动能力。它可以直接驱动高达10nF的性能图,标题为小信号过冲与负载电容(图18)所示。然而,即使设备是稳定的,电容性负载也不会没有带宽损失。如图25所示,对于大于3nF的负载,带宽减小到1MHz以下。输出端的“缓冲”网络不会增加带宽,但它确实可以显著减少给定电容性负载的超调量。缓冲器由一个串联的R-C网络(RS,CS)组成,如图26所示,从设备的输出端连接到地面。该网络与负载电容器CL并联工作,以提供相位滞后补偿。电阻和电容的实际值最好是根据经验确定的。


第一步是确定电阻器的值RS。良好的起始值为100Ω(通常,最佳值将小于100Ω)。该值减小,直到小信号瞬态响应得到优化。接下来,确定CS-10μF是一个好的起点。该值减小到可接受性能的最小值(通常为1μF)。对于OP179/OP279上10 nF负载电容器的情况,最佳缓冲网络为20Ω串联1μF。如图27中的示波器照片所示,其优点很明显。顶部记录道在10nF负载下采集,底部记录道在20Ω,1μF缓冲网络就位的情况下采集。打捞和振铃的数量大大减少。表一展示了一些大型负载电容器的缓冲网络示例。


过载恢复时间
运算放大器的过载或过驱动恢复时间是输出电压从饱和状态恢复到其线性区域所需的时间。这种恢复时间在放大器必须在大的瞬态事件后恢复的应用中很重要。图28中的电路用于评估OP179/OP279的过载恢复时间。OP179/OP279从正饱和恢复约1μs,从负饱和恢复约1.2μs。

输出瞬态电流恢复
在许多应用中,运算放大器用于提供中等水平的输出电流,以驱动adc、小型电机、传输线和电流源的输入。正是在这些应用中,运算放大器必须迅速恢复到负载电流的阶跃变化,同时保持稳定的负载电流水平。由于其高输出电流能力和低闭环输出阻抗,OP179/OP279是此类应用的最佳选择。例如,当产生或降低25毫安稳态负载电流时,对于负载电流的10毫安(即25毫安至35毫安和35毫安至25毫安)阶跃变化,OP179/OP279表现出小于500毫安至0.1%的恢复时间。
精密负电压基准
在许多数据采集应用中,需要一个精确的负参考。一般来说,任何正电压基准都可以通过在逆变配置中使用运算放大器和一对匹配电阻器转换为负参考电压。这种方法的缺点是电路中最大的单一误差源是所用电阻器的相对匹配。
图29所示的电路通过使用有源积分器电路避免了对紧密匹配电阻器的需要。在这个电路中,基准电压的输出为积分器提供输入驱动。积分器为了保持电路的平衡,调整其输出,以建立参考电压VOUT和GND之间的适当关系。因此,可以简单地通过替换适当的参考IC来选择各种负输出电压(见表)。为了加快电路的通断稳定时间,R2可以减小到50kΩ或更小。虽然这里选择的积分器的时间常数是1ms,但是通过增加R3和减小C2,仍然存在权衡电路带宽和噪声的空间。只需简单地添加一个PNP晶体管和一个10 kΩ电阻器,就可以在电路中保持关机功能。使用这种方法需要注意的一点是:尽管轨对轨输出放大器在应用中工作得最好,但当需要提供任何负载电流时,这些运算放大器需要有限的净空(mV)。电路负电源的选择应考虑到这个问题。

高输出电流,缓冲基准/调节器
许多应用需要稳定的电压输出,其电位相对接近未经调节的输入源。这种“低压差”类型的基准/调节器很容易与轨道环轨输出运算放大器一起实现,并且在使用诸如OP179/OP279之类的高电流设备时特别有用。一个典型的例子是从5 V系统电源产生的3.3 V或4.5 V参考电压。产生这些电压需要一个三端基准,如REF196(3.3V)或REF194(4.5V),这两个都具有低功率的特点,源输出为30␣mA或更小。图30显示了这样一个基准可以如何配备一个OP179/OP279缓冲器,以获得更高的电流和/或电压水平,以及sink和source负载能力。

该电路的低压差性能由U2级提供,U2级是作为U1产生的基本参考电压的跟随器/缓冲器连接的OP179/OP279的一半。OP179/OP279的低电压饱和特性允许在图示中使用高达30毫安的负载电流,作为具有高直流精度的5伏至3.3伏转换器。事实上,30毫安负载电流增量的直流输出电压变化测量值小于1毫伏。这对应于小于0.03Ω的等效输出阻抗。在该应用中,来自U1的稳定3.3v通过噪声滤波器R1-C1施加到U2。U2在几毫伏内复制U1电压,但在VOUT1处有更高的电流输出,具有吸收和源输出电流的能力-与大多数IC参考不同。U2反馈通路中的R2和C2为最小的直流误差和附加的噪声滤波提供了偏置补偿。
负载电流10 mA阶跃变化时参考/调节器的瞬态性能也相当好,主要由R5-C5输出网络决定。如图所示,对于任一极性,瞬态约为10 mV峰值,并在8μs内稳定到2 mV以内。尽管存在优化瞬态响应的空间,但应通过实验验证R5-C5网络的任何变化,以避免某些电容器类型过度振铃的可能性。
为了将VOUT2调整到另一个(更高)输出电平,增加可选电阻器R3(虚线显示),使新的VOUT1变成:

例如,对于REF192的VOUT1=4.5 V和VOUT2=2.5 V,U2所需的增益是1.8倍,因此选择R2和R3的比率为0.8:1或18 kΩ:22.5 kΩ。注意,对于最低的VOUT1直流误差,R2和R3的并联组合应保持等于R1(如这里所示),R2-R3电阻器应为稳定的、公差接近的金属膜类型。
该电路可以如图所示使用5 V至3.3 V参考/调节器,也可以与ON/OFF控制一起使用。如前所述,通过用逻辑控制信号驱动U1的引脚3,输出被打开/关闭。注意,当使用开/关控制时,电阻器R4应与U1一起使用,以加快开关的速度。
电话线接口直接接入装置
图31显示了110Ω传输系统的仅+5 V传输/接收电话线接口。它允许在变压器耦合的110Ω线路上以差分方式进行信号的全双工传输。放大器A1提供可调节的增益,以满足调制解调器输出驱动要求。A1和A2配置为在变压器的单个电源上施加最大可能的信号。由于OP179/OP279的高输出电流驱动和低压差电压,单个+5 V电源上可用的最大信号约为4.5 V p-p,进入110Ω传输系统。放大器A3被配置为差分放大器,用于从传输线提取接收信号以通过A4放大。A4的增益可以按照与A1相同的方式进行调整,以满足调制解调器的输入信号要求。标准电阻值允许使用SIP(单线封装)格式的电阻阵列。将其与OP179/OP279的8线SOIC封装相结合,该电路提供了一种紧凑、成本敏感的解决方案。

单电源、远程应变计信号调节器
图32中的电路说明了OP179/OP279可用于+12 V单电源、350Ω应变计信号调节电路中的方法。在该电路中,OP179/OP279具有两个功能:(1)通过伺服REF43的+2.5 V输出跨R1,为350Ω应变计提供20 mA驱动。这样,应变计的微小变化会在AMP04的输入端产生较大的差分输出电压。(2) 为了最大化电路的动态范围,OP179/OP279的另一半被配置为连接到AMP04的REF终端的电源分配器。因此,应用中的张力或压缩可以通过电路测量。

AMP04配置为增益100,产生80 mV/Ω的电路灵敏度。电容器C2用于AMP04的引脚8和6,以提供一个16赫兹的噪声滤波器。如果需要额外的噪声滤波,可在AMP04的输入端使用可选电容器CX,以提供差模噪声抑制。
单电源平衡线路驱动器
图33中的电路是专业音频应用中使用的独特线路驱动电路拓扑,并已针对汽车音频应用进行了修改。在单个+12 V电源上,线路驱动器在整个音频频段(未显示)中显示小于0.02%的失真。对于大于600Ω的负载,失真性能提高到电路显示小于0.002%的位置。该设计是一个无变压器,平衡传输系统的输出共模噪声抑制是至关重要的。与基于变压器的系统一样,在不改变电路增益1的情况下,任何一个输出都可以对不平衡线路驱动器应用进行接地短路。其他的电路增益可以根据图中的公式来设置。这使得设计可以很容易地配置为非反转、反转或差分操作。

单电源耳机放大器
由于其高速和大输出驱动器,OP179/OP279是一个优秀的耳机驱动器,如图34所示。它的低电源操作和轨对轨输入和输出在单个+5 V电源上提供最大的信号摆幅。为确保驱动耳机的最大信号摆幅,放大器输入偏置为V+/2,在本例中为2.5 V。正极电源的100 kΩ电阻平均分为两个50 kΩ电阻,其公共点被10μF绕过,以防止电源噪声污染音频信号。

然后音频信号通过交流耦合到每个输入端10 μF电容器。需要一个较大的值来确保20赫兹的音频信息不被阻塞。如果输入已经具有适当的直流偏置,则不需要交流耦合和偏置电阻。输出端使用220μF电容器将放大器与耳机耦合。由于耳机的低阻抗(范围为32Ω到600Ω),因此该值远大于用于输入的值。另一个16Ω电阻器与输出电容串联使用,通过限制电容放电电流来保护运算放大器的输出级。当驱动48Ω负载时,电路在低输出驱动电平(未显示)下显示小于0.02%THD+N。OP179/OP279的大电流输出级可将此重负载驱动至4V p-p,并保持小于1%的THD+N。
有源滤波器
OP179/OP279有几种有源滤波器拓扑结构。
其中有两种流行的结构,常见的SallenKey(SK)压控电压源(VCVS)和多反馈(MFB)拓扑。这些滤波器类型可用于高通(HP)、低通(LP)和带通(BP)滤波器。SK滤波器使用运放作为单位或更高增益的固定增益电压跟随器,而MFB结构使用它作为逆变级。这里讨论的是这些滤波器的简化,2极形式,非常有用的系统构建块。
统一增益,SALLEN-KEY(VCVS)滤波器
高通配置
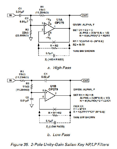
图35a是使用OP179/OP279部分的单位增益2极SK滤波器的HP形式。对于这个滤波器和它的LP对应物,通带内的增益是固有的统一,并且由于跟随器连接,信号相位是不可逆的。为了简单实用,电容器C1-C2设置为相等,电阻R2-R1调整为比率“N”,根据设计表达式提供滤波器阻尼“α”。高压设计首先选择C1和C2的标准电容值,然后计算N;然后根据图中的表达式计算R1和R2。
在这些例子中,α(或1/Q)设为√2,提供巴特沃斯(最大平坦)响应特性。滤波器转角频率标准化为1 kHz,电阻值以四舍五入和(精确)形式显示。通过适当选择α,也可以选择其他各种2极响应形状。对于给定的响应类型(α),可以使用比例R或C值轻松地缩放频率。

低通配置
在图35b的LP-SK排列中,R和C元件互换,电阻相等。这里C2/C1比率“M”用于设置滤波器α,如前所述。该设计从选择C1的标准电容值和计算M开始,M的值强制为C2的“M×C1”。然后,根据表达式计算R1和R2的值“R”。
为了获得最高的性能,用于调节有源滤波器的无源元件值得注意。电阻器应为1%,低TC,RN55或RN60型金属膜类型,或类似类型。
电容器最好是1%或2%的薄膜类型,如聚丙烯或聚苯乙烯,或NPO(COG)陶瓷较小的值。聚酯电容器的性能稍差。
Sallen密钥实现中的寄生效应
在设计这些电路时,R1-R2的较低值(10 kΩ或更小)可用于在临界时将约翰逊噪声的影响降至最低,当然还需要权衡电容器的尺寸和费用。除非使用偏置电流补偿,否则直流误差将导致电阻值更大。为了在图35a的高压滤波器中添加偏置补偿,使用一个值等于R2的反馈补偿电阻器,可选地显示为Zf。这将最小化偏差引起的偏移,将其减少到OP179/OP279的IOS和R2的乘积。使用R1+R2的Zf电阻对LP滤波器进行类似的补偿。使用直流补偿和相对较低的滤波值,使用OP179/OP279的滤波器输出直流误差将由VOS控制,其限制在4mv或更小。这里需要注意的是,附加电阻器会显著增加噪声,例如,一个未经旁路的10 kΩ电阻器会产生≈12 nV/√HZ的噪声。然而,电阻可以通过交流旁路,用简单的并联电容器(如0.1μF)消除噪声。
单电源应用中的所有关键实现
图中所示的连接说明了一种经典的双电源运放应用,对于OP179/OP279来说,使用高达±5 V的电源。但是,这些滤波器也可以在单电源模式下使用运放,而对滤波器本身几乎没有任何改动。
为操作单电源,OP179/OP279在针脚8处由+5 V供电,针脚4接地。在这种情况下,必须从直流电源1.2或直流电压2.5。
对于高压部分,直流偏压应用于R2的公共端。R2只需返回到交流接地,该接地是5 V电源上经过良好旁路的2:1分压器。这可以简单到一对带有10μF旁路帽的100 kΩ电阻器。然后,使用合适的耦合帽从U1A到下一级,对级的输出进行交流耦合。对于低压部分,直流偏压与输入信号一样,应用于R1的输入端。该直流电可从一个无旁路双100 kΩ分压器跨电源供电,输入信号交流耦合到分频器和R1。
多反馈滤波器
MFB过滤器,就像它们的SK亲戚一样,也可以用作构建块。它们具有LP和HP操作功能,但也可用于带通BP模式。由于它们是基于一个反相放大器结构,所以它们具有在通带内反向操作的特性。另一个有用的资产是它们能够方便地配置以获得收益。
高通配置
图36显示了使用OP179/OP279部分的HP MFB 2极滤波器。对于该滤波器,通带增益是用户可配置的,信号相位是反相的。该电路比SK型多使用一个调谐元件。为了简单起见,电容器C1和C3设置为相等的标准值,并且根据所述关系选择电阻器R1-R2。这个滤波器的增益H由电容器C1和C2设定,这个因素限制了增益的可选择性和精度。此外,输入电容C1使得驱动级所看到的负载具有很高的无功,并限制了该滤波器的整体实用性。C1负载的可怕影响可以通过使用大约100Ω的小串联输入电阻得到一定程度的缓和,但仍然可能是一个问题。

在这个例子中,滤波器增益被设置为unity,拐角频率为1khz,响应为Butterworth类型。对于直流输出偏移是关键的应用,偏置电流补偿可用于放大器。这是由网络Zb提供的,其中R等于R2,电容器提供噪声旁路。
低通配置
图37是使用OP179/OP279部分的LP MFB 2极滤波器。对于该滤波器,通带中的增益可在宽范围内由用户配置,并且通带信号相位是反转的。给定α、F和H的设计参数,通过选取C2的标准值开始简化设计过程。然后根据所述关系选择C1和电阻器R1-R3。Zb提供可选的直流偏置电流补偿,其中R等于R3的值加上R1和R2的并联等效值。

这个滤波器的增益H由电阻R2和R1设定(就像在标准运算放大器逆变器中一样),并且可以在低频下精确到这些电阻所允许的那样。由于这种灵活和精确的增益特性,加上低范围的分量值扩散,这种滤波器可能是所有MFB类型中最实用的。电容器比率最好通过并联两种或两种以上的常见类型来满足,例如,1khz单位增益巴特沃斯滤波器。
带通配置
使用OP179/OP279部分的MFB带通滤波器如图38所示。这个滤波器提供了相当稳定的介质Q设计,频率高达几千赫。为了获得最佳的可预测性和稳定性,操作应限于OP179/OP279在滤波器中心频率处的开环增益超过2Q2的应用。

给定Q、F和通带增益AO的带通设计参数,设计过程从选取C1的标准值开始。然后根据所述关系选择C2和电阻器R1-R3。此过滤器受各种组件值的影响。实际设计应尽量将电阻限制在1 kΩ到1 MΩ的范围内,电容值不超过1μF。需要时,Zb提供直流偏置电流补偿,其中R等于R3。
双向扬声器交叉网络
有源滤波器在扬声器交叉网络中非常有用,因为它体积小,相对不受寄生影响,易于控制低/高声道驱动,加上由专用放大器提供的受控驱动器阻尼。Sallen-Key(SK)VCVS和多反馈(MFB)滤波器结构都有助于实现有源交叉网络(参见参考文献4),图39所示的电路是一种双向有源交叉,它结合了两种滤波器拓扑的优点。这种有源交叉在1V rms的输出电平下显示小于0.01%的THD+N,使用通用单位增益HP/LP级。在这个双向示例中,LO信号是dc-500hzlp低音炮输出,HI信号是HP(>500hz)高音输出。U1B在500hz时形成MFB-LP段,U1A段提供SK-HP段,覆盖频率≥500hz。
这种交叉网络是Linkwitz-Riley型 ,阻尼系数或α为2(也称为“巴特沃斯平方”)。Linkwitz-Riley型滤波器的一个特点是,整个通带的总幅度响应是平坦的。发生这种情况的一个必要条件是HI输出的相对信号极性必须相对于低输出反转。如果只使用了SK滤波器段,这就要求在安装时反向连接到一个扬声器。或者,在LO信道中使用一个反转级,这将实现相同的效果。在如图所示的电路中,级U1B是MFB LP滤波器,它提供必要的极性反转。与SK部分一样,它被配置为单位增益和α为2。截止频率为500hz,补充了U4的SK-HP部分。

在滤波器部分,选择了元件值,以便在合理的物理/电气尺寸和最低的噪声和失真之间取得良好的平衡。直流偏移误差可以通过在反馈和偏置路径中使用直流补偿来最小化,交流旁路采用电容器以降低噪声。此外,由于网络输入是无功的,它应该由VIN处的直接耦合低阻抗源驱动。
图40显示了该滤波器结构,该结构适用于5V直流电源的单电源操作,与前面讨论的线路相同。

500赫兹的交叉示例频率可以通过电阻器或电容器的频率缩放来降低或提高。在为其他频率配置电路时,必须在各部分之间保持互补的低压/高压作用,并且各部分内的元件值必须具有相同的比率。表II提供了一种适应的设计帮助,并给出了其他频率的建议标准分量值。

表注(适用于α=2)。
*对于SK级U1A:R1=R2,C1=C2等。
**对于MFB级U1B:R6=R5,R7=R5/2,C4=2C3。
外形尺寸


安芯科创是一家国内芯片代理和国外品牌分销的综合服务商,公司提供芯片ic选型、蓝牙WIFI模组、进口芯片替换国产降成本等解决方案,可承接项目开发,以及元器件一站式采购服务,类型有运放芯片、电源芯片、MO芯片、蓝牙芯片、MCU芯片、二极管、三极管、电阻、电容、连接器、电感、继电器、晶振、蓝牙模组、WI模组及各类模组等电子元器件销售。(关于元器件价格请咨询在线客服黄经理:15382911663)
代理分销品牌有:ADI_亚德诺半导体/ALTBRA_阿尔特拉/BARROT_百瑞互联/BORN_伯恩半导体/BROADCHIP_广芯电子/COREBAI_芯佰微/DK_东科半导体/HDSC_华大半导体/holychip_芯圣/HUATECH_华泰/INFINEON_英飞凌/INTEL_英特尔/ISSI/LATTICE_莱迪思/maplesemi_美浦森/MICROCHIP_微芯/MS_瑞盟/NATION_国民技术/NEXPERIA_安世半导体/NXP_恩智浦/Panasonic_松下电器/RENESAS_瑞莎/SAMSUNG_三星/ST_意法半导体/TD_TECHCODE美国泰德半导体/TI_德州仪器/VISHAY_威世/XILINX_赛灵思/芯唐微电子等等
免责声明:部分图文来源网络,文章内容仅供参考,不构成投资建议,若内容有误或涉及侵权可联系删除。
Copyright © 2002-2023 深圳市安芯科创科技有限公司 版权所有 备案号:粤ICP备2023092210号-1