工作电源电压8V至28V,最大40V过电压
工作电源电压6V实现的升压变换器
待机状态下的静态电流小于50μA
ISO 9141兼容接口
驱动电源的充电泵MOS作为反向电池保护
PWM工作频率高达30千赫
可编程交叉传导
保护时间
过压、欠压、短路
电路和热保护
实时诊断
说明
具有ISO 9141总线接口的汽车用功率MOS桥式驱动器控制电路。

绝对最大额定值

电气特性(8V<VVS<20V,VEN=高,-40°C≤TJ≤150°C,除非另有规定。当电流流入引脚时,电压指的是GND,电流假定为正。


2.未在生产中测试:由设计保证,并通过特性验证
3.内部VVCC为4.5V 5.5伏
4.可编程交叉传导保护时间的计算见第18页


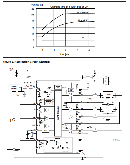
图5。在VVS=8V时连接到CP引脚的10nF外部电容器的充电时间VVS=13.5伏

功能描述
总则
L9904集成电路(IC)设计用于控制四个外部N沟道MOS晶体管,用于汽车直流电机驱动的H桥配置。它包括一个ISO9141兼容接口。典型的应用如图6所示。
电压供应
IC通过外部蓄电池反向保护二极管向VVS引脚供电。典型工作电压范围降到8伏。集成电路的供电电流消耗由静态和动态两部分组成。静态电流通常是5.8毫安。动态电流取决于PWM频率fPWM和所需的栅极电荷QGate外部功率mos晶体管。电流可通过以下表达式估算:标识=2·fPWM·QGate
门极电荷为QGate=160nC,PWM频率为fPWM=20kHz的外部功率晶体管需要动态电源电流Idyn=6.4mA。总供电电流消耗为IVS=5.8mA+6.4mA=12.2mA。
扩展电源电压范围(ST)
使用中所示的其他部件,可以将工作蓄电池电压范围扩展到6V图7。一个L~150μH(Ipeak~500mA)的小电感器与电池电源串联,构成一个升压转换器开关开路漏极输出ST。开关频率为典型的100kHz,固定占空比为50%。升压转换器在VVS<8V以下启动,增加VS引脚的电源电压并关闭在VVS>10V时,以避免在标称电池电压下出现EME。二极管D2与ST引脚串联是必要的对于蓄电池电压为负的系统。升压转换器不能驱动任何附加负载。

功能描述(续)
控制输入(EN、DIR、PWM)
cmos电平输入驱动如图4所示和真值表中所述的器件。通过启用输入高信号激活设备。对于启用输入浮动(未连接)或VEN=0V设备处于待机模式。当激活设备时,建议50μs的唤醒时间来稳定内部供应。DIR和PWM输入控制外部H桥晶体管的驱动器。电机方向可以是用DIR输入选择,用PWM输入选择占空比和频率。定义了未连接的输入通过内部上拉电阻器。在唤醒和制动期间以及通过禁用IC之前,启用两个输入应该开得很高。

符号:x不在乎R:电阻输出TS:热关机
0:逻辑低或不激活L:在吸收条件下输出OV:过压
1: 逻辑高或有效H:源条件下的输出UV:欠压
T: 三态SC:短路
6只关闭H桥中处于短路状态的外部MOS晶体管。所有其他人都保持动力通过DIR和PWM。
热关断
当结温超过TJSD时,所有驱动器切换到下沉状态(L),K输出关闭,并且诊断DG低,直到结温降至TJSD-TJHYST以下。
过电压停机
当电源电压VVS超过过电压阈值VVSOVH时,所有驱动器切换到sink condition(L),K输出关闭,诊断DG低。
功能描述(续)
欠压停机
对于低于欠压禁用阈值的电源电压,栅极驱动器保持在陷波状态(L)和诊断DG低。
短路检测
H桥S1和S2引脚的输出电压由比较器监控,以检测对地短路或者电池。如果电压降保持在以下,激活的外部高压侧MOS晶体管将被关闭比较器的阈值电压VS1TH和VS2TH比短时电流检测时间tSCd长。这个晶体管保持在关闭状态,诊断输出变低,直到DIR或PWM输入状态改变。其他MOS晶体管的状态不变。外部低侧MOS晶体管将如果电压降超过比较器阈值电压VS1TH和VS2TH的时间超过短路电流检测时间tSCd。晶体管保持在关闭状态,诊断输出变低直到DIR或PWM输入状态改变。其他MOS晶体管的状态不变。
诊断输出(DG)
如果监控以下错误堆栈,则诊断输出提供实时错误检测:热关机、过压关机、欠压关机和短路关机。开路漏极输出如果发生错误,内部上拉电阻低。
自举电容器(CB1、CB2)
为了确保外部功率MOS晶体管达到所需的RDSON,即最低栅源电压逻辑电平为5V,标准功率MOS晶体管为10V。高端晶体管要求栅极电压高于电源电压。这是通过内部电荷泵电路实现的与自举电容器组合。当高压侧MOS晶体管关闭,低端开启。当低压侧关闭时,充电的自举电容器能够为高侧功率MOS晶体管的栅极驱动器供电。为了有效地充电,引导程序的值电容器应大于功率MOS的栅源电容,并符合所需的PWM比例。
电荷泵电路(CP)
如图6所示,可使用外部N沟道MOS晶体管实现反向电池保护。在这种情况下,它的漏极体二极管提供保护。输出CP用于驱动晶体管的栅极高于电池电压,从而打开MOS,并用RDSON绕过漏极二极管。这个CP通过一个内部二极管和一个20kΩ电阻器与VS相连。用于外部N沟道功率MOS晶体管(GH1,GH2,GL1,GL2)的栅极驱动器EN的高电平在DIR和PWM输入的控制下激活外部MOS驱动器(见真相表和驱动顺序图4)。外部功率MOS门通过串联电阻连接到设备上,以减少系统的电磁发射(EME)。电阻影响开关行为。必须仔细挑选。电阻过大会增加电源的充放电时间MOS栅并能在半桥中产生交叉电流。驱动器保证更长的切换延迟时间从源到汇阶段,以防止交叉传导。栅极源电压限制为14V。充放电电流受驱动器的RDSON限制。司机们没有穿短裤的保护措施。
功能描述(续)
可编程交叉传导保护
H桥(两个半桥)配置的外部功率MOS晶体管通过附加延迟时间tCCP打开,以防止半桥中的交叉传导。交叉传导保护时间tCCP由PR引脚处的外部电容CPR和电阻RPR决定。电容器CPR充电达到电压限制VPRH。控制输入DIR和PWM的电平变化会关闭相关外部MOS晶体管和PR引脚处的充电源。电阻器RPR对电容器CPR放电。当PR处的电压达到VPRL的值。之后,心肺复苏术将再次收费。电容器CPR应选择在100pF之间和1nF。电阻RPR应高于7kW。延迟时间可表示为:
tCCP=RPR·CPR·ln NPR,NPR=VPRH/VPRL=2
tCCP=0.69·RPR·CPR
ISO接口
ISO接口提供微控制器和串行总线之间的通信,具有波特率通过VBAT和GND兼容的单根导线,最高可达60kbit/s。逻辑电平传输输入TX驱动开漏K输出。K输出可以通过上拉电阻连接到VBAT的串行总线上。K 引脚具有过压保护,对GND和VS短路,并且可以在VVS和GND之外驱动。缺乏时VVS或GND的输出显示高阻抗特性。具有内部拉的开漏极输出RXup电阻器监控K引脚的状态,以读取接收到的数据并控制传输的数据。短如果内部开路漏极晶体管不能拉动电压电势,则可识别K引脚处的电路状况在K引脚低于0.45·VVS阈值时。然后RX保持在高状态。计时器启动并切换开路漏极晶体管。关闭20μs。TX输入的下一个低电平会重置定时器和开漏晶体管再次打开。

安芯科创是一家国内芯片代理和国外品牌分销的综合服务商,公司提供芯片ic选型、蓝牙WIFI模组、进口芯片替换国产降成本等解决方案,可承接项目开发,以及元器件一站式采购服务,类型有运放芯片、电源芯片、MO芯片、蓝牙芯片、MCU芯片、二极管、三极管、电阻、电容、连接器、电感、继电器、晶振、蓝牙模组、WI模组及各类模组等电子元器件销售。(关于元器件价格请咨询在线客服黄经理:15382911663)
代理分销品牌有:ADI_亚德诺半导体/ALTBRA_阿尔特拉/BARROT_百瑞互联/BORN_伯恩半导体/BROADCHIP_广芯电子/COREBAI_芯佰微/DK_东科半导体/HDSC_华大半导体/holychip_芯圣/HUATECH_华泰/INFINEON_英飞凌/INTEL_英特尔/ISSI/LATTICE_莱迪思/maplesemi_美浦森/MICROCHIP_微芯/MS_瑞盟/NATION_国民技术/NEXPERIA_安世半导体/NXP_恩智浦/Panasonic_松下电器/RENESAS_瑞莎/SAMSUNG_三星/ST_意法半导体/TD_TECHCODE美国泰德半导体/TI_德州仪器/VISHAY_威世/XILINX_赛灵思/芯唐微电子等等
免责声明:部分图文来源网络,文章内容仅供参考,不构成投资建议,若内容有误或涉及侵权可联系删除。
Copyright © 2002-2023 深圳市安芯科创科技有限公司 版权所有 备案号:粤ICP备2023092210号-1