特征
•低噪声:1 kHz时为7.5 nV/√Hz
•0.1 Hz至10 Hz噪声:0.8μVPP
•静态电流:760μA(典型)
•低偏移电压:5μV(典型值)
•增益带宽产品:5.5 MHz
•轨对轨输入和输出
•单电源操作
•电源电压:2.2 V至5.5 V
•节省空间的套餐:
–SC70、SOT-23、DSBGA、VSSOP、TSSOP
应用
•ADC缓冲器
•音频设备
•医疗器械
•手持测试设备
•有源滤波
•传感器信号调节
说明
OPA376系列代表了带有e-trim的新一代低噪声运算放大器™,提供卓越的直流精度和交流性能。轨道环行输入和输出、低偏移(最大25μV)、低噪声(7.5 nV/√Hz)、950μA(最大)静态电流和5.5 MHz带宽使该部件非常适合各种精密和便携式应用。此外,该设备具有相当广泛的电源范围和出色的电源抑制比,使其具有吸引力的应用,直接从电池运行,没有监管。
OPA376(单一版本)有微型SC70-5、SOT-23-5和SOIC-8封装。OPA2376(双)采用DSBGA-8、VSSOP-8和SOIC-8封装。OPA4376(quad)采用TSSOP-14封装。所有型号均规定在-40°C至+125°C的温度下工作。
设备信息

(1)、有关所有可用的软件包,请参阅数据表末尾的软件包选项附录。
输入噪声电压谱密度

偏置电压生产分配

典型特征
除非另有说明,否则在TA=25°C,VS=5 V,RL=10 kΩ连接到VS/2,VCM=VS/2,VOUT=VS/2。







详细说明
概述
OPA376系列属于新一代低噪声运算放大器,具有e-trim功能,为客户提供出色的直流精度和交流性能。低噪音,轨对轨输入和输出,低偏移,低静态电流,使这些设备成为各种精密和便携式应用的理想选择。此外,该设备具有广泛的电源范围和出色的电源抑制比,使其适合于无需调节的电池供电应用。
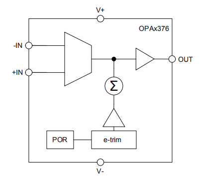
功能框图

功能描述
OPAx376系列精密放大器提供出色的直流性能和出色的交流性能。OPAx376通过单电源工作,能够驱动大容量电容负载,具有宽输入共模电压范围,非常适合驱动SAR ADC以及24位和更高分辨率转换器的输入。包括内部ESD保护,OPAx376系列提供多种工业标准封装,包括用于需要节省空间的应用的晶片级封装。
工作电压
OPA376系列放大器在2.2 V至5.5 V(±1.1 V至±2.75 V)的电源范围内工作。许多规范适用于-40°C至+125°C之间。在典型特征.
输入偏移电压和输入偏移电压漂移
OPAx376系列运算放大器采用TI公司的e-trim技术制造。每一个放大器都在生产中进行调整,从而最大限度地减少与输入偏移电压和输入偏移电压漂移相关的误差。e-trim技术是TI公司在晶圆探测或最终测试期间微调内部器件参数的专有方法。
容性负载与稳定性
OPA376系列放大器可用于需要驱动电容性负载的应用场合。与所有运算放大器一样,可能会有OPAx376变得不稳定,导致振荡的具体情况。在确定一个放大器是否能稳定工作时,需要考虑的因素包括:特定的运放电路配置、布局、增益和输出负载。在单位增益(+1-V/V)缓冲配置和驱动电容性负载的运算放大器表现出比在更高噪声增益下工作的放大器更不稳定的趋势。电容性负载与运算放大器输出电阻一起,在反馈回路中产生一个极点,降低相位裕度。随着容性负载的增加,相位裕度的退化也随之增加。
在单位增益配置的OPAx376可以直接驱动高达250pF的纯电容负载。增加增益可以增强放大器驱动更大电容性负载的能力;参见典型特征图16。在单位增益配置中,电容性负载驱动可以通过在输出端串联一个小的(10Ω到20Ω)电阻器RS来改善,如图22所示。这种电阻器在保持纯电容性负载的直流性能的同时显著降低了振铃。然而,如果电阻负载与电容负载并联,则会产生分压器,在输出端引入增益误差,并略微减小输出摆幅。引入的误差与比值RS/RL成正比,在低输出电流水平下通常可以忽略不计。

共模电压范围
OPA376系列的输入共模电压范围超出电源轨100毫伏。放大器的偏移电压非常低,从大约(V-)到(V+)-1V,如图23所示。当共模电压超过(V+)-1 V时,偏移电压增加。共模抑制从(V-)到(V+)-1.3 V。

输入和ESD保护
OPA376系列在所有引脚上集成了内部静电放电(ESD)保护电路。对于输入和输出引脚,这种保护主要由连接在输入和电源引脚之间的电流控制二极管组成。这些ESD保护二极管还提供电路内输入过驱动保护,只要电流限制在10毫安,如绝对最大额定值所述。图24显示了如何在驱动输入端添加一个串联输入电阻来限制输入电流。增加的电阻在放大器输入端产生热噪声,在对噪声敏感的应用中,其值应保持在最小值。

设备功能模式
OPAx376具有单一功能模式,当电源电压大于2.2 V(±1.1 V)时,它可以工作。OPAx376的最大电源电压为5.5 V(±2.75 V)。
应用与实施
注意
以下应用章节中的信息不是TI组件规范的一部分,TI不保证其准确性或完整性。TI的客户负责确定组件的适用性。客户应验证和测试其设计实现,以确认系统功能。
申请信息
OPA376系列运算放大器是使用e-trim技术制造的,这是一种专利技术,在制造的最后步骤中可以调整偏移电压。这种技术可以补偿成型过程中可能发生的性能变化。通过e-trim,OPA376系列可提供出色的偏置电压(典型值为5μV)。此外,该放大器具有快速转换率,低漂移,低噪声,以及优良的PSRR和AOL。这些5.5兆赫CMOS运算放大器在760μA(典型)静态电流下工作。
基本放大器配置
OPA376家族团结稳定。当输入过驱动时,它不会出现输出相位反转。典型的单电源连接如图25所示。OPA376被配置为一个增益为–10 V/V的基本逆变放大器。该单电源连接的输出以共模电压VCM为中心。对于所示电路,此电压为2.5 V,但可能是共模输入电压范围内的任何值。

有源滤波
OPA376系列非常适合于要求宽带宽、快速转换率、低噪声、单电源运算放大器的滤波器应用。图26显示了一个50 kHz,二阶,低通滤波器。所选组件可提供最大平坦的巴特沃斯响应。在截止频率之外,衰减为-40 dB/decade。巴特沃斯响应非常适合于需要可预测增益特性的应用,例如在模数转换器(ADC)之前使用的抗混叠滤波器。

驱动模数转换器
OPA376系列的低噪声和宽增益带宽使其成为adc的理想驱动器。图27显示了OPA376驱动一个16位250 kSPS转换器ADS8327。放大器被连接成一个单元增益、非反相缓冲器。

(1)、建议值;可能需要根据具体应用进行调整。
幻影供电话筒
图28所示的电路描述了远程麦克风放大器如何由信号电缆输出侧的幻象源供电。该电缆提供双重功能,同时传输麦克风放大器级的差分输出信号和直流电源。
OPA2376用作差分输出放大器的单端输入,增益为6分贝。两个运算放大器的共模偏置由驻极体传声器元件上产生的直流电压提供。电缆输出侧的6.8-kΩ系列电阻器和电缆输入侧的4.7-kΩ电阻器和齐纳二极管将48-V幻象电源降低至5.1 V。交流耦合阻断了电缆两端的不同直流电压水平。
INA163仪器放大器提供差分输入并从电缆接收平衡音频信号。通过选择RG值,可以将INA163增益设置为0分贝到80分贝。INA163电路是混合控制台中使用的典型输入电路。


典型应用
低通滤波器通常用于信号处理应用,以减少噪声和防止混叠。OPA376是构建高速、高精度有源滤波器的理想选择。图30显示了信号处理应用中常见的二阶低通滤波器。

设计要求
在本设计示例中使用以下参数:
•增益=5 V/V(反转增益)
•低通截止频率=25 kHz
•二阶切比雪夫滤波器响应,通带内增益峰值为3-dB
详细设计程序
低通网络函数的无限增益多重反馈电路如图30所示。使用方程式1计算电压传递函数。

这个电路产生信号反转。对于该电路,直流增益和低通截止频率由方程式2计算:

软件工具可以方便地简化滤波器的设计。WEBENCH®Filter Designer是一个简单、功能强大、易于使用的有源滤波器设计程序。WEBENCH过滤器设计器允许您使用TI供应商合作伙伴的TI运算放大器和无源元件来创建优化的滤波器设计。
WEBENCH®Filter Designer是WEBENCH®Design Center提供的基于web的工具,它允许您在几分钟内设计、优化和模拟完整的多级有源滤波器解决方案。
应用曲线

电源建议
OPAx376的工作电压为2.2 V至5.5 V(±1.1 V至±2.75 V);许多规范适用于-40°C至+125°C。典型特性中给出了与工作电压或温度相关的显著变化的参数。
布局
布局指南
为获得设备的最佳操作性能,请使用良好的PCB布局实践,包括:
•噪声可以通过整个电路的电源引脚和运算放大器本身传播到模拟电路中。旁路电容器可以通过提供模拟电路局部的低阻抗电源来降低耦合噪声。
–将低ESR、0.1-μF陶瓷旁路电容器连接在每个电源引脚和接地之间,并尽可能靠近设备。从V+到地的单旁路电容器适用于单电源应用。
•电路模拟和数字部分的单独接地是最简单和最有效的噪声抑制方法之一。多层印刷电路板上的一层或多层通常用于接地层。接地板有助于散热,减少电磁干扰噪音。物理隔离数字和模拟接地,注意地电流的流动。有关更多详细信息,请参阅电路板布局技术,SLOA089。
•为了减少寄生耦合,输入轨迹应尽可能远离电源或输出轨迹。如果这些记录道不能分开,垂直穿过敏感记录道要比与有噪声的记录道平行要好。
•将外部组件尽可能靠近设备。如图32所示,保持RF和RG接近逆变输入可以最大限度地减小寄生电容。
•输入记录道的长度应尽可能短。输入轨迹是电路中最敏感的部分。
•考虑在关键线路周围设置一个驱动的低阻抗保护环。保护环可以显著降低附近不同电位的漏电电流。
•清洁电路板组装后的PCB,以获得最佳性能。
•任何精密集成电路都可能因水分进入塑料包装而发生性能变化。在任何水性PCB清洁过程之后,烘烤PCB组件以去除清洁过程中引入设备包装的水分。大多数情况下,在85°C下低温后清洁烘烤30分钟就足够了。
光敏性
虽然OPA2376YZD封装有一个保护性的背面涂层,可以减少在模具上的曝光量,除非完全屏蔽,否则环境光可以到达器件的活动区域。封装的输入偏置电流是在没有光线的情况下规定的。根据给定应用中的曝光量,应预计偏置电流的增加和偏置电压的可能增加。由于光输出随时间变化,荧光灯可能会产生噪音或嗡嗡声。最佳布局实践包括终端产品包装,在操作过程中为可能的光源提供屏蔽。
布局示例

机械、包装和可订购信息
以下页面包括机械、包装和可订购信息。此信息是指定设备可用的最新数据。本数据如有变更,恕不另行通知,也不作修改。有关本数据表基于浏览器的版本,请参阅左侧导航。
OPAx376的工作电压为2.2 V至5.5 V(±1.1 V至±2.75 V);许多规范适用于-40°C至+125°C。典型特性中给出了与工作电压或温度相关的显著变化的参数。
OPA2376YZD是一种无铅(Pb)级、模具级、模具尺寸的球栅阵列(DSBGA)封装。与塑料包装中的设备不同,这些设备没有模塑化合物、引线框架、引线键或引线。使用标准的表面贴装组装程序,DSBGA可以安装到印刷电路板(PCB)上,而不需要额外的填充。图33和图34详细说明了引线和包装标记。见应用说明SBVA017,NanoStar™ 和纳米级的™ 关于300μm焊料封装的详细设计信息。


安芯科创是一家国内芯片代理和国外品牌分销的综合服务商,公司提供芯片ic选型、蓝牙WIFI模组、进口芯片替换国产降成本等解决方案,可承接项目开发,以及元器件一站式采购服务,类型有运放芯片、电源芯片、MO芯片、蓝牙芯片、MCU芯片、二极管、三极管、电阻、电容、连接器、电感、继电器、晶振、蓝牙模组、WI模组及各类模组等电子元器件销售。(关于元器件价格请咨询在线客服黄经理:15382911663)
代理分销品牌有:ADI_亚德诺半导体/ALTBRA_阿尔特拉/BARROT_百瑞互联/BORN_伯恩半导体/BROADCHIP_广芯电子/COREBAI_芯佰微/DK_东科半导体/HDSC_华大半导体/holychip_芯圣/HUATECH_华泰/INFINEON_英飞凌/INTEL_英特尔/ISSI/LATTICE_莱迪思/maplesemi_美浦森/MICROCHIP_微芯/MS_瑞盟/NATION_国民技术/NEXPERIA_安世半导体/NXP_恩智浦/Panasonic_松下电器/RENESAS_瑞莎/SAMSUNG_三星/ST_意法半导体/TD_TECHCODE美国泰德半导体/TI_德州仪器/VISHAY_威世/XILINX_赛灵思/芯唐微电子等等
免责声明:部分图文来源网络,文章内容仅供参考,不构成投资建议,若内容有误或涉及侵权可联系删除。
Copyright © 2002-2023 深圳市安芯科创科技有限公司 版权所有 备案号:粤ICP备2023092210号-1