特征
•5.5×3 mm小包装
•专为单电池锂离子或锂聚合物便携式应用而设计
•集成动态电源路径管理(DPPM)功能,允许交流适配器同时为系统供电并为电池充电
•电源补充模式允许电池补充交流输入电流
•自主电源选择(交流适配器或BAT)
•支持高达2安培的总电流
•充电控制的热调节
•LED或系统接口的充电状态输出指示充电和故障状态
•反向电流、短路和热保护
•电源良好状态输出
应用
•智能手机和PDA
•MP3播放器
•数码相机和手持设备
•互联网设备
说明
bq24070设备是一款高度集成的锂离子线性充电器和系统电源路径管理设备,针对空间有限的便携式应用。bq24070在一个单片设备中提供直流电源(AC适配器)电源路径管理,具有自主电源选择、功率FET和电流传感器、高精度电流和电压调节、充电状态和充电终端。
bq24070为系统供电,同时独立为电池充电。此功能减少了电池的充电和放电周期,允许正确的充电终止,并允许系统在没有电池组或有缺陷的电池组的情况下运行。此功能还允许系统在电池组深度放电的情况下,从外部电源瞬时启动。集成电路设计的重点是在交流适配器或电池电源可用时向系统提供连续电源。
功率流程图(1)

(1)、详见功能框图2。
(2)、P-FET背栅体二极管断开以防止体二极管传导。
模式引脚选择输入源的优先级。如果输入源不可用,则选择电池作为源。在模式引脚高的情况下,bq24070试图以ISET1引脚设置的费率从输入端充电。在模式引脚低,bq24070默认为USB充电的费率。此功能允许使用单个连接器(迷你USB电缆),主机根据所连接的源(AC适配器或USB端口)编程模式引脚。表1总结了模式引脚功能。

(1)、电池充电率始终由ISET1设置,但可能会因有限的输入源(ISET2 USB模式)和IOUT系统负载而降低。
订购信息

(1)、有关最新的软件包和订购信息,请参阅本文档末尾的软件包选项附录。
(2)、RHL软件包提供以下选项:
R-卷绕和卷绕,每卷3000个装置。
T-每卷250个装置的卷带和卷取。
(3)、本产品与RoHS兼容,包括铅浓度不超过产品总重量的0.1%,适用于指定的无铅焊接工艺。此外,本产品使用不含卤素的包装材料,包括占产品总重量0.1%以上的溴(Br)或锑(Sb)。
(4)、如果AC<VO(OUT-REG),则AC通过P-FET(Q1)连接至OUT引脚。
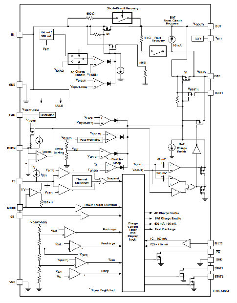
功能框图

功能描述
充电控制
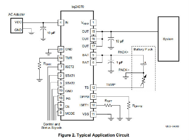
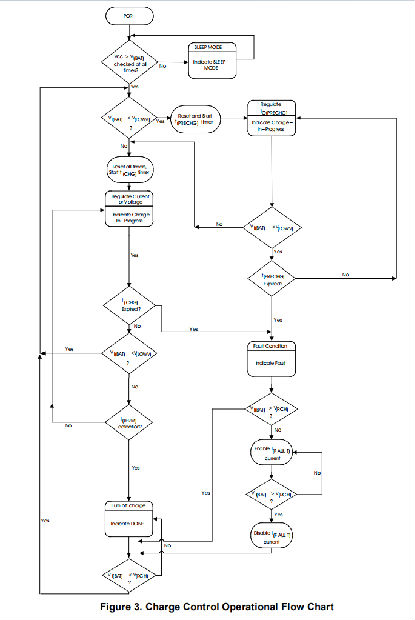
bq24070支持适用于单电池便携式设备的精密锂离子或锂聚合物充电系统。分别参见图1至图3中的典型电荷分布图、应用电路和操作流程图。



自主电源选择,模式控制引脚
模式输入低时,bq24070默认为USB模式充电,电源电流受ISET2引脚限制(100毫安用于ISET2=低,500毫安用于ISET2=高)。如果输入源不可用,则选择电池作为源。
启动顺序
为了方便系统启动和USB枚举,bq24070提供了一个专有的启动序列。在bq24070首次通电时,此功能启用100毫安USB充电速率,持续约150毫秒(t(启动)),忽略ISET2和CE输入设置。在此期间结束时,bq24070执行CE和ISET2输入设置。表1显示了启用此功能的时间。见图8。
电源路径管理
bq24070为系统供电,同时独立为电池充电。此功能减少了电池的充电和放电周期,允许正确的充电终止,并允许系统在没有电池组或有缺陷的电池组的情况下运行。此功能赋予系统输入电源的优先权,允许系统使用深度放电的电池组供电。此功能的工作原理如下。

情况1:交流模式(模式=高)
系统功率
在这种情况下,系统负载通过内部晶体管Q1从交流适配器直接供电(见图4)。如果系统的输出电压低于4.V,则系统的输出电压会下降到4.V。
充电控制
在交流模式下,根据ISET1输入上设置的充电率,通过开关Q2对电池进行充电。
动态电源路径管理(DPPM)
此功能监视输出电压(系统电压)是否因断电、电流限制或断开输入电源而导致输入功率损失。如果由于输入电流有限,OUT引脚上的电压下降到预设值V(DPPM)×SF,则电池充电电流将降低,直到输出电压停止下降。DPPM控制试图达到稳定状态,此时系统获得所需电流,并用剩余电流给蓄电池充电。没有主动控制限制系统的电流;因此,如果系统需要的电流超过输入所能提供的电流,输出电压将下降到略低于电池电压的水平,Q2将开启,从而补充系统的输入电流。DPPM有三个主要优点。
1.如果平均系统负载与其峰值功率相比中等,则此功能允许设计者选择功率较低的墙壁适配器。例如,如果峰值系统负载为1.75 A,平均系统负载为0.5 A,电池快速充电电流为1.25 A,则总峰值需求可能为3 A。对于DPPM,可以选择2 A适配器而不是3.25 A电源。在系统峰值负载为1.75a和充电负载为1.25a时,较小适配器的电压下降,直到输出电压达到DPPM调节电压阈值。充电电流减小,直到输出电压不再下降。系统充电1.75A,电池充电电流由1.25A降至0.25A,当系统峰值负荷降至0.5A时,充电电流恢复至1A,输出电压恢复正常值。
2.与没有DPPM的配置相比,使用DPPM可以节省电力。在没有DPPM的情况下,如果系统电流加上充电电流超过电源的电流限制,则输出被拉低至电池。线性充电器消耗未使用的功率(VIN-VOUT)×ILOAD。电流仍然很高(在电流限制下),电压降很大以达到最大功耗。使用DPPM,系统的电压降更小(VIN-V(DPPM-REG)),这意味着更高的效率。在这两种情况下,给电池充电的效率是相同的。其优点包括功耗小,系统温度低,整体效率高。
3.DPPM维持系统电压,无论是什么原因导致电压下降,如果可能的话。它通过减少非临界充电负载,同时保持适配器的最大功率输出来实现这一点。
注意,DPPM电压V(DPPM)编程如下:

其中:
R(DPPM)是连接在DPPM和VSS引脚之间的外部电阻器。
I(DPPM)是内部电流源。
表中规定了比例因子。
安全定时器在DPPM模式下动态调整。ISET1引脚上的电压与编程的充电电流成正比。当程序化充电电流降低时,由于DPPM,ISET1和TMR电压降低,计时器时钟按比例减慢,从而延长安全时间。正常工作时V(TMR)=2.5 V;并且,当时钟减慢时,V(TMR)减小。当V(TMR)=1.25 V时,安全计时器的值接近正常操作计时器值的2倍。见图5至图6。
案例2:USB模式(模式=L)
系统功率
在这种情况下,系统负载通过内部交换机Q1从USB端口供电(参见图4)。注意,在这种情况下,Q1将总电流调节到100毫安或500毫安电平,如在ISET2输入上选择的那样。输出,VOUT,调节为4.4 V。系统的电源管理负责将其系统负载保持在所选USB电流水平以下(如果电池电量严重不足或缺失)。否则,输出将下降到电池电压;因此,系统应具有低功耗模式,以用于USB电源应用。DPPM功能通过降低充电电流,防止输出因蓄电池充电电流而下降到编程设定的阈值以下。
充电控制
在USB模式下,Q1将输入电流调节为ISET2引脚选择的值(0.1/0.5 A)。蓄电池的充电电流由ISET1电阻器设定(通常大于0.5 A)。因为充电电流通常编程为比USB电流限制允许的电流更大的电流,所以输出电压降到电池电压或DPPM电压,以较高者为准。如果先达到DPPM阈值,充电电流将降低,直到VOUT停止下降。如果VOUT降至蓄电池电压,则蓄电池能够向系统补充输入电流。
动态电源路径管理(DPPM)
工作原理与情况1中描述的相同,只是Q1被限制在由ISET2引脚选择的USB电流电平。
注意,DPPM电压V(DPPM)编程如下:

其中:
R(DPPM)是连接在DPPM和VSS引脚之间的外部电阻器。
I(DPPM)是内部电流源。
SF是规格表中规定的比例因子。
特征图
图5显示了输出电流(IOUT)增加时的DPPM和电池补充模式;通道1(CH1)VAC=5.4 V;通道2(CH2)VOUT;通道3(CH3)IOUT=0到2.2 A到0 A;通道4(CH4)VBAT=3.5 V;I(PGM-CHG)=1 A。在典型操作中,bq24070(VOUT=4.4 Vreg),通过交流适配器过载条件和恢复。交流输入设置为~5.1 V(1.5 A电流限制),I(CHG)=1 A,V(DPPM-set)=3.7 V,V(DPPM-OUT)=1.15×V(DPPM-set)=4.26 V,VBAT=3.5 V,Mode=H,USB输入未连接。输出负载从0 A增加到~2.2 A,再回到0 A,如底部波形所示。当IOUT负载达到0.5A时,随着1-A充电电流,适配器开始电流限制,输出电压下降到DPPM-OUT阈值4.26V。这是DPPM模式。交流输入通过交流场效应管的输出电压跟踪输出电压。然后根据需要调整蓄电池充电电流,以防止输出电压进一步下降。一旦输出负载电流超过输入电流,电池必须补充过多的电流,输出电压通过电池场效应管的电压降到电池电压以下。这是电池补充模式。当输出负载电流减小时,所述操作如图所示相反。如果DPPM-OUT电压设置为低于电池电压,则在输入电流限制期间,输出直接下降到电池电压。
在USB操作下,当负载超过编程的输入电流阈值时,会观察到类似的模式。如果输出负载超过可用的USB电流,输出立即进入电池补充模式。

图6显示了当模式切换到低500μs时。电源从交流传输到USB再传输到交流;通道1(CH1)VAC=5.4 V;通道2(CH2)V(USB)=5 V;通道3(CH3)VOUT;输出电流IOUT=0.25 A;通道4(CH4)VBAT=3.5 V;I(PGM-CHG)=1A。当模式变低(1st div)时,AC FET打开,输出下降,直到USB FET打开。在打开替代电源之前关闭有源电源被称为先断后关断开关。输出端的放电速率是系统电容和负载的函数。请注意,当AC和USB输入处于负载状态时,电缆的IR下降。在第4部分,输出在DPPM电压水平下达到了稳态运行(充电电流由于USB输入电流的限制而降低)。在第6区,模式变高,USB场效应管关闭,然后交流场效应管打开。输出恢复到规定值,电池恢复到编程的电流水平。

图7所示为插入电池以通电;通道1(CH1)VAC=0 V;通道2(CH2)VUSB=0 V;通道3(CH3)VOUT;输出电流IOUT=0.25 A,如果VOUT>2 V;通道4(CH4)VBAT=3.5 V;C(DPPM)=0 pF。当没有电源并且插入电池时,如果输出上没有负载(<10毫安负载),输出会跟踪电池电压,如图所示。如果存在使输出低于蓄电池200毫伏以上的负载,则表明存在短路状态。此时,必须卸下负载才能恢复。可以在DPPM管脚上放置一个电容器来延迟实现短路模式并获得无限制(非限制)电流。

图8显示了通过USB启动和通电;通道1(CH1)V(USH)=0到5 V;通道2(CH2)USB输入电流(0.2 A/div);模式=低;CE=高;ISET2=高;VBAT=3.85 V;V(DPPM)=3.0 V(V(DPPM)×1.15<VBAT,否则DPPM模式会增加持续时间)。当使用USB电源时(如果不存在交流电源),CE引脚和ISET2引脚在启动期间被忽略,并且OUT或BAT引脚的最大输入电流为100毫安。启动时间过后,IC按编程实现CE和ISET2引脚。

电池温度监测
bq24070通过测量TS和VSS引脚之间的电压来持续监控电池温度。内部电流源为最常见的10 kΩ负温度系数热敏电阻(NTC)提供偏置(见图9)。该设备将TS引脚上的电压与内部V(LTF)和V(HTF)阈值进行比较,以确定是否允许充电。一旦检测到超过V(LTF)和V(HTF)阈值的温度,设备会立即暂停充电。该装置通过关闭功率场效应管并保持定时器值(即计时器不复位)来暂停充电。当温度恢复到正常范围时,充电恢复。103AT型热敏电阻的允许温度范围是0°C到45°C。但是,用户可以通过添加两个外部电阻器来增加温度范围。见图10。

蓄电池预处理
在充电周期内,如果电池电压低于V(低V)阈值,bq24070会向电池施加预充电电流IO(PRECHG)。这一特性使深放电的细胞复活。ISET1和VSS之间连接的电阻RSET决定了预充电率。规格表中规定了V(PRECHG)和K(SET)参数。请注意,这适用于交流模式和USB模式充电。

bq24070在调节阶段启动安全定时器t(PRECHG)。如果在定时器周期内未达到V(低电压)阈值,bq24070关闭充电器,并在STAT1和STAT2引脚上显示故障。如果充电电流通过DPPM或热调节降低,则超时时间延长。有关更多详细信息,请参阅计时器故障恢复部分。
电池充电电流
bq24070提供芯片内电流调节和可编程设定值。ISET1和VSS之间连接的电阻RSET决定电荷水平。电荷水平可以降低,以使系统优先考虑输入电流(见DPPM)。规格表中指定了V(SET)和K(SET)参数。

从USB端口供电时,可用的输入电流(0.1 a/0.5 a)通常小于编程的(ISET1)充电电流,因此,DPPM功能试图通过降低充电电流来阻止输出被拉低。
仅在交流模式操作期间(模式=高),可通过设置ISET2引脚高(完全充电)或低(半充电)将充电电平更改为系数2。在半恒流充电模式下,ISET1引脚上的电压除以2。注意,在低模式下,ISET2引脚只控制0.1 A/0.5 A USB电流电平。
有关更多详细信息,请参阅标题为电源路径管理的部分。
电池电压调节
电压调节反馈通过BAT引脚。该输入直接连接到电池组的正极。bq24070监控BAT和VSS引脚之间的电池组电压。当电池电压上升到VO(REG)阈值时,电压调节阶段开始,充电电流开始下降。
如果没有电池,电池引脚在充电完成(VO(REG))和充电(电池充电阈值,~4.1 V)之间循环。
请参见图7中的电池插入电源。
作为安全备份,bq24070还监控充电模式下的充电时间。如果充电在这个时间段t(CHG)内没有终止,bq24070关闭充电器并在STAT1和STAT2引脚上显示故障。有关在DPPM操作期间延长安全计时器的信息,请参阅案例1下的DPPM操作。有关更多详细信息,请参阅Timer Fault Recovery部分。
温度调节和热保护
为了使充电速率最大化,bq24070具有结温调节回路。如果集成电路的功耗导致结温高于TJ(REG)阈值,bq24070会对充电电流进行节流,以使结温保持在TJ(REG)阈值附近。为避免错误终止,在该模式下,终止检测功能被禁用。
bq24070还监控芯片的结温TJ,如果TJ超过T(SHTDWN),则将OUT引脚从输入端断开。此操作继续,直到TJ下降到规格表中规定的滞后水平T(SHTDWN)以下。
电池补充模式没有热保护。如果输入功率不足,Q2场效应晶体管继续将电池连接到输出(系统);然而,短路保护电路限制了电池放电电流,从而在典型设计条件下不会超过部件的最大功耗。
充电定时器操作
作为安全备份,bq24070监控充电模式下的充电时间。如果在时间段t(CHG)内没有检测到终止阈值,bq24070将关闭充电器并在STAT1和STAT2引脚上显示故障。连接在TMR和VSS之间的电阻RTMR决定了定时器的周期。K(TMR)参数在规格表中指定。为了禁用充电定时器,消除RTMR,将TMR引脚直接连接到VREF引脚。请注意,此操作将消除所有安全计时器,并清除所有计时器故障。TMR引脚不应保持浮动。

当处于热调节模式或DPPM模式时,bq24070动态调整定时器周期,以提供电池完全充电所需的额外时间。此专有功能旨在防止提前或错误终止。此模式下的最大充电时间t(CHG-TREG)由方程式6计算。

请注意,由于此调整是动态的,并且随着环境温度和充电水平的变化而变化,所以计时器时钟是调整的。如果不在充电周期内对上述方程进行积分,很难估计总安全时间。因此,了解安全时间与充电电流成反比调节的理论,并且电池的额定电流为小时数,安全时间可以适当地动态调整。
V(SET)参数在规格表中指定。V(SET-TREG)是热调节或DPPM模式下ISET引脚上的电压,是充电电流的函数。(请注意,充电电流在热调节或DPPM模式下是动态调整的。)

所有除泥时间也按t(CHG-TREG)成比例调整。
充电终止和充电
bq24070在电压调节期间监测ISET1引脚上的电压,以确定何时应终止©/10–250 mV)。一旦检测到终止阈值I(术语),bq24070终止充电。ISET1和VSS(RSET)之间连接的电阻器编程设定快速充电电流电平©电平,VISET1=2.5 V),从而编程C/10和C/25电流终端阈值电平。规格表中规定了V(术语)和K(集合)参数。请注意,这适用于交流和USB充电。

充电终止后,一旦BAT引脚上的电压低于V(RCH)阈值,bq24070将重新开始充电。此功能可使电池始终处于满容量状态。
睡眠和待机模式
如果从电路中移除输入,bq24070充电器电路将进入低功耗休眠模式。此功能可防止在没有输入电源的情况下将电池排入bq24070。请注意,在休眠模式下,Q2保持打开状态(即电池连接到OUT引脚),以便电池继续向系统供电。
如果输入功率存在,CE输入低,则bq24070进入低功耗待机模式。在这个暂停模式下,内部电源FET Q1(见图4)被关闭,BAT输入通过OUT引脚为系统供电。此功能旨在限制从输入电源(如USB挂起模式)消耗的功率。
充电状态输出
开路漏极(OD)STAT1和STAT2输出指示各种充电器操作,如表2所示。这些状态引脚可用于驱动LED或与主机处理器通信。注意,关表示开漏晶体管关断。注意,这假设CE=高。

PG,输出(功率良好)
开路漏极引脚PG表示何时有输入电源,并且高于电池电压。退出休眠模式(输入电压高于电池电压)时,相应的输出打开(低)。此输出在休眠模式下关闭(漏极开路)。PG引脚可用于驱动LED或与主机处理器通信。注意,关表示开漏晶体管关断。
CE输入(芯片启用)
CE(芯片启用)数字输入用于禁用或启用IC。此引脚上的高电平信号使芯片工作,低电平信号使设备失效并启动待机模式。当CE输入低且存在输入时,bq24070进入低功耗待机模式。在这种挂起模式下,内部电源FET Q1(见方框图)关闭;电池(BAT引脚)通过Q2和OUT引脚为系统供电。此功能旨在限制从输入电源(如USB挂起模式)消耗的功率。
充电禁用功能
DPPM输入可用于禁用充电过程。这可以通过浮动DPPM引脚来实现。
定时器故障恢复
如图3所示,bq24070提供了一种恢复方法来处理计时器故障情况。以下总结了这种方法:
条件1:充电电压高于充电阈值(V(RCH)),出现超时故障。
回收方法:bq24070等待电池电压降至充电阈值以下。这可能是由于电池负载、自放电或电池拆卸造成的。一旦电池低于充电阈值,bq24070将清除故障并开始新的充电循环。POR或CE开关也可清除故障。
条件2:充电电压低于充电阈值(V(RCH)),出现超时故障。
回收方法:在这种情况下,bq24070应用I(故障)电流。此小电流用于检测蓄电池拆卸情况,只要蓄电池电压保持在充电阈值以下,该电流就会保持接通。如果电池电压高于充电阈值,则bq24070将禁用I(故障)电流并执行条件1所述的恢复方法。一旦电池低于充电阈值,bq24070将清除故障并开始新的充电循环。POR或CE开关也可清除故障。
短路恢复
输出可以经历两种类型的短路保护,一种与输入有关,另一种与电池有关。
如果输出电压降至~1V以下,则说明输入短路,输入FET Q1关闭。为了从这种状态中恢复,输入端的500Ω上拉电阻器被施加(切换)到输出端。为了恢复,输出上的负载必须降低{Rload>1v×500Ω/(Vin–Vout)},这样上拉电阻能够将输出电压提升到1v以上,这样输入FET才能重新接通。
如果输出电压低于电池电压200毫伏,电池场效应晶体管Q2被认为短路,电池场效应晶体管关闭。为了从这种状态中恢复,有一个10毫安的电流源从电池到输出。一旦输出负载降低,使得10毫安电流源可以在电池200毫伏内接收到输出,场效应晶体管就会重新开启。
如果短路被消除,并且最小系统负载仍然过大[R<(VBat-200 mV)/10 mA],短路保护可能会暂时失效。如果DPPM针脚上的电压低于1 V,则可以禁用蓄电池短路保护(建议仅在短时间内使用)。将该针脚脉冲低于1 V并持续几微秒,应足以恢复。
此短路禁用功能主要用于插入电池时通电。由于BAT输入电压比输出电压上升得快得多(Vout<Vbat-200毫伏),在输出端有大多数电容性负载的情况下,部件可能会卡在短路模式下。在DPPM引脚和地面之间放置一个电容器,在通电期间减慢VDPPM上升时间,并延迟短路保护。如果输出对地短路,此引脚上的电容过大(延迟过大)可能导致电流过高。建议电容为1 nF至10 nF。VDPPM上升时间是100-μa DPPM电流源、DPPM电阻器和添加的电容器的函数。
VREF
VREF用于内部参考和补偿(3.3 V典型值)。此外,通过将TMR连接到VREF引脚,它可用于禁用安全定时器和终端。对于内部补偿,VREF引脚需要至少0.1-μF陶瓷电容器。VREF电容器不应超过1μF。
申请信息
选择输入和输出电容器
在大多数应用中,所需的只是输入端的高频去耦电容。一个0.1-μF陶瓷电容器,放置在离in-to-VSS引脚很近的地方,效果很好。在某些应用中,根据电源特性和电缆长度,可能需要在输入端添加额外的10μF陶瓷电容器。
bq24070只需要一个小的输出电容器来保证环路的稳定性。通常,在OUT和VSS引脚之间放置一个0.1-μF陶瓷电容器就足够了。
建议在电池引脚和VSS(与电池并联)之间安装至少33-μF电容器。这可确保在空载情况下(无系统负载或电池连接)正常热插拔供电。
热因素
bq24070封装在热增强型MLP封装中。该封装包括一个QFN热垫,用于在器件和印刷电路板(PCB)之间提供有效的热接触。本包装的完整PCB设计指南在名为QFN/SON PCB附件(SLUA271)的应用说明中提供。电源板应该绑在VSS飞机上。封装热性能最常见的测量方法是从芯片结到封装表面(环境)周围空气的热阻抗(θ)。青年成就组织
θJA的数学表达式为:

其中
TJ=芯片结温度
TA=环境温度
P=设备功耗
影响θJA测量和计算的因素有:
•设备是否安装在板上
•迹线尺寸、成分、厚度和几何形状
•设备方向(水平或垂直)
•被测设备周围的环境空气体积和气流
•其他表面是否靠近被测设备
器件的功耗P是内部功率场效应晶体管的电荷率和电压降的函数。可由式10计算:

由于锂xx电池的充电模式,最大功耗通常出现在充电周期开始时,当电池电压处于最低时。见图1。通常,当锂离子电池进入快速充电(1-C充电率和电池高于3 V)时,锂离子电池的电压会迅速(<2 V分钟)上升到约3.5 V。因此,通常使用3.5 V作为最小电池电压进行稳态热设计,因为在快速充电的早期阶段,由于组件的热质量,系统板和充电设备没有时间达到最高温度。通过对放电的电池进行充电循环,同时监测电池电压和充电器电源板温度,很容易验证这一理论。
PCB布局注意事项
要特别注意PCB布局。以下提供了一些指导原则:
•为了获得最佳性能,从输入端到VSS的去耦电容器和从OUT到VSS的输出滤波电容器应尽可能靠近bq24070,信号管脚和VSS管脚都应进行短距离跟踪。
•所有低电流VSS连接应与电池的高电流充电或放电路径分开。使用单点接地技术,包括小信号接地路径和电源接地路径。
•进出BAT和OUT引脚的高电流充电路径的尺寸必须适合最大充电电流,以避免这些线路中的电压降。
•bq24070封装在热增强型MLP封装中。该封装包括一个QFN热垫,以在器件和印刷电路板之间提供有效的热接触。本包装的完整PCB设计指南在名为QFN/SON PCB附件(SLUA271)的应用说明中提供。
安芯科创是一家国内芯片代理和国外品牌分销的综合服务商,公司提供芯片ic选型、蓝牙WIFI模组、进口芯片替换国产降成本等解决方案,可承接项目开发,以及元器件一站式采购服务,类型有运放芯片、电源芯片、MO芯片、蓝牙芯片、MCU芯片、二极管、三极管、电阻、电容、连接器、电感、继电器、晶振、蓝牙模组、WI模组及各类模组等电子元器件销售。(关于元器件价格请咨询在线客服黄经理:15382911663)
代理分销品牌有:ADI_亚德诺半导体/ALTBRA_阿尔特拉/BARROT_百瑞互联/BORN_伯恩半导体/BROADCHIP_广芯电子/COREBAI_芯佰微/DK_东科半导体/HDSC_华大半导体/holychip_芯圣/HUATECH_华泰/INFINEON_英飞凌/INTEL_英特尔/ISSI/LATTICE_莱迪思/maplesemi_美浦森/MICROCHIP_微芯/MS_瑞盟/NATION_国民技术/NEXPERIA_安世半导体/NXP_恩智浦/Panasonic_松下电器/RENESAS_瑞莎/SAMSUNG_三星/ST_意法半导体/TD_TECHCODE美国泰德半导体/TI_德州仪器/VISHAY_威世/XILINX_赛灵思/芯唐微电子等等
免责声明:部分图文来源网络,文章内容仅供参考,不构成投资建议,若内容有误或涉及侵权可联系删除。
Copyright © 2002-2023 深圳市安芯科创科技有限公司 版权所有 备案号:粤ICP备2023092210号-1