特征
在低输出电流下保持恒定频率
双N沟道MOSFET同步驱动
可编程固定频率(PLL可锁定)
宽VIN范围:3.5V至36V操作
超高效
极低压降运行:99%占空比
低压差,0.5A线性调节器,用于VPP生成或低噪声音频供应
内置上电复位定时器
可编程软启动
低电量探测器
远程输出电压检测
可折叠限流(可选)
引脚可选输出电压
逻辑控制微功率关机:IQ<30μA
输出电压从1.19V到9V
提供28和36铅SSOP封装
应用
笔记本和掌上电脑、PDA
便携式仪器
电池供电装置
直流配电系统
说明
LTC®1438/LTC1439是双同步降压开关调节器控制器,用于驱动外部锁相式N沟道功率mosfet频率架构。自适应PowerTM输出级在频率上选择性地驱动两个N沟道mosfet高达400kHz,同时降低开关损耗高效率,低输出电流。使用外部PNP的0.5A辅助线性调节器pass器件提供低噪声、低电压差来源。二次绕组反馈控制引脚(SFB1)保证调节不受主负载的影响通过强制连续操作输出。一个附加的比较器可作为低值使用电池探测器。包括上电复位定时器(POR)产生延迟65536/fCLK的信号(典型值300ms)输出在规定值的5%以内输出电压。内部电阻分压器提供引脚远程感应功能开启时的可选输出电压两个输出之一。操作电流电平可通过用户编程外部电流检测电阻器。宽输入电源范围允许在3.5V至30V(最大36V)范围内工作。
典型应用

绝对最大额定值
输入电源电压(VIN)36V至-0.3V
上部驱动电压(升压1,2)42V至-0.3V
开关电压(SW1,2)VIN+5V至–5V
EXTVCC电压 10V至–0.3V
POR2,LBO电压 12V至-0.3V
AUXFB电压 20V至-0.3V
AUXDR电压 28V至-0.3V
感官+1,感官+2,感官-1,感官-2,
VOSENSE2电压 INTVCC+0.3V至-0.3V
VPROG1,VPROG2电压 INTVCC至–0.3V
PLL LPF,ITH1,ITH2电压 2.7V至–0.3V
奥克逊,奥克逊B1,
运行/SS1,运行/SS2,LBI电压 10V至–0.3V
峰值输出电流<10μs(TGL1,2,BG1,2)2A
峰值输出电流<10μs(TGS1,2)250毫安
INTVCC输出电流 50毫安
工作环境温度范围
商业 0°C至70°C
工业–40°C至85°C
结温(注1)125摄氏度
储存温度范围–65°C至150°C
铅温度(焊接,10秒)300摄氏度
电气特性TA=25°C,VIN=15V,VRUN/SS1,2=5V,除非另有说明。

电气特性TA=25°C,VIN=15V,VRUN/SS1,2=5V,除非另有说明。

表示适用于整个操作的规范温度范围。
注1:TJ根据环境温度TA和功率计算
耗散PD根据以下公式:
LTC1438CG、LTC1439CG:TJ=TA+(PD)(95°C/W)
LTC1439CGW:TJ=TA+(PD)(85°C/W)
注2:LTC1438和LTC1439在反馈回路中进行测试将VOSENSE1,2伺服到误差放大器的平衡点(维生素1,2=1.19V)。
注3:由于栅极电荷以开关频率传送。请参阅应用程序信息。
注4:通过测量COSC电荷和放电电流(IOSC)和应用公式:fOSC(kHz)=8.4(108)[COSC(pF)+11]–1(1/ICHG+1/IDISC)–1个
注5:辅助调节器在伺服回路中进行试验到误差放大器的平衡点。对于具有VAUXDR>9.5V,VAUXFB使用内部电阻分压器。查看应用程序信息科。
典型性能特征



引脚功能
VIN:主电源引脚。必须与IC的信号接地引脚。
INTVCC:内部5V调节器和EXTVCC开关。驱动器和控制电路由该电压供电。必须与至少2.2μF钽或电解电容器。INTVCC调节器在以下情况下关闭RUN/SS1和RUN/SS2都很低。参考LTC1538/LTC1539适用于5V不带电应用。外部电源输入到内部开关。这个开关闭合并为INTVCC供电,绕过内部当EXTVCC高于4.7V.将此引脚连接到控制器的VOUT输出电压更高。此针脚上的电压不要超过10伏。看到了吗应用程序信息部分的EXTVCC连接。
推进器1,推进器2:向上部漂浮的补给。引导电容器返回到这些别针。这些引脚上的电压摆动从INTVCC到VIN+INTVCC。
SW1,SW2:开关节点到电感器的连接。这些引脚的电压波动来自肖特基二极管(外部)接地电压降到VIN。小信号接地。两个控制器共用,必须与大电流接地分开布线至COUT电容器的(–)端子。
PGND:驱动器电源接地。连接到源底部N沟道mosfet和CIN的(–)端子。SENSE–1,SENSE–2:连接到的(–)输入电流比较器。除了LTC1438-ADJ,SENSE-1内部连接到第一个控制器的VOUT感应点。第一个控制器只能用作3.3V或5.0V调节器,由VPROG1引脚控制LTC1438、LTC1438X和LTC1439。LTC1438-ADJ控制器1实现可调的遥感调节器。第二个控制器可设置为3.3V、5.0V或由VPROG2引脚控制的可调调节器(见表1)。

引脚功能
SENSE+1,SENSE+2:每个电流的(+)输入比较器。SENSE–1和SENSE+1引脚与RSENSE1一起设置电流跳闸阈值(与第二个控制器相同)。从VO2直接接收来自外部传感器的反馈输出端的电阻分压器。VPROG2引脚决定VOSENSE2必须连接到哪个点。这个VOSENSE1引脚,仅在LTC1438-ADJ上可用,需要一个外部电阻分压器来设置输出电压。
VPROG1,VPROG2:编程内部电压衰减器用于输出电压感应。首先是电压传感控制器内部连接到SENSE–1,而VOSENSE2引脚允许第二次遥感控制器。对于VPROG1,VPROG2<VINTVCC/3,除法器为设置为3.3V的输出电压。对于VPROG1、VPROG2>VINTVCC/1.5,分频器设置为输出电压为5V。保持VProg2打开(DC)允许输出由外部设备设置的第二个控制器的电压电阻分压器连接到VOSENSE2。COSC:从这个引脚到接地装置的外部电容器工作频率。
ITH1,ITH2:误差放大器补偿点。每个与之相关的电流比较器阈值都会随之增加控制电压。
RUN/SS1,RUN/SS2:软启动和RUN的组合控制输入。在每个引脚接地的电容器将斜坡时间设置为全电流输出。现在是时候了大约0.5s/μF。将这些针脚压在下面1.3V使IC关闭所需的电路那个特殊的控制者。把这两个针都压在下面1.3V使设备完全关闭。为需要5V保持带电的应用,请参阅LTC1538-AUX/LTC1539。
TGL1,TGL2:主顶部的大电流门驱动器N沟道MOSFET。这些是浮动的输出电压摆幅等于开关节点电压SW1和SW2上的INTVCC的驱动器。
TGS1、TGS2:小型顶部N通道的门驱动器MOSFET。这些是浮动驱动器的输出电压摆幅等于叠加在开关节点电压开关。使TGS1或TGS2打开为该控制器调用突发模式操作。
BG1,BG2:底部大电流门驱动输出N沟道mosfet。这些引脚上的电压摆动来自接地至INTVCC。
SFB1:二次绕组反馈输入。此输入起作用仅在第一个控制器上,通常连接到二次绕组反馈电阻分压器。将此引脚拉到1.19V以下将强制第一个控制器持续同步运行。这个别针应该
系于:地面部队连续作战;INTVCC在不使用二次绕组的应用中;以及电阻分压器在应用中使用二次绕组。
POR2:这个输出是N通道下拉的消耗。当第二个引脚的输出电压控制器的输出电压下降7.5%,并在输出电压后重新释放65536个振荡器周期第二个控制器上升到其调节值的-5%以内价值观。在RUN/SS1和RUN时断言POR2输出/SS2都很低,与VOUT2无关。这个别针不是在LTC1438X上运行。
LBO:这个输出是N通道下拉的一个消耗。这个当LBI引脚低于1.19V时,引脚将吸收电流。
LBI:比较器的(+)输入,可以用作低电池电压探测器。(–)输入已连接至1.19V内部基准。
PLLIN:相位检测器的外部同步输入。该引脚以50kΩ在内部端接至SGND。领带在不使用锁相环。
锁相环LPF:鉴相器输出和控制输入振荡器。通常串联RC低通滤波器网络是从这个引脚接地。把这个别针系在SGND上不使用锁相环的应用。可以由0V至2.4V逻辑信号驱动换档选择。
AUXFB:辅助调节器/Com辅助装置的反馈输入。当用作线性调节器时,该输入可以连接到外部电阻分压器或直接连接到外部PNP传递设备的收集器12V操作。当用作比较器时,它是反向输入的比较器的非可逆输入连接到内部1.19V参考电压。参见辅助调节器应用部分。
奥克森:把这个引脚拉高,打开辅助调节器/比较器。阈值为1.19V。这是一个对流线性电源逻辑控制的开/关输入。
AUXDR:辅助调节器的开漏输出/比较器。当用作线性调节器时,外部PNP装置的底座与该引脚相连。安需要使用外部上拉电阻器作为比较装置。AUXDR上大于9.5V的电压导致内部12V电阻分压器与AUXFB引脚串联连接。

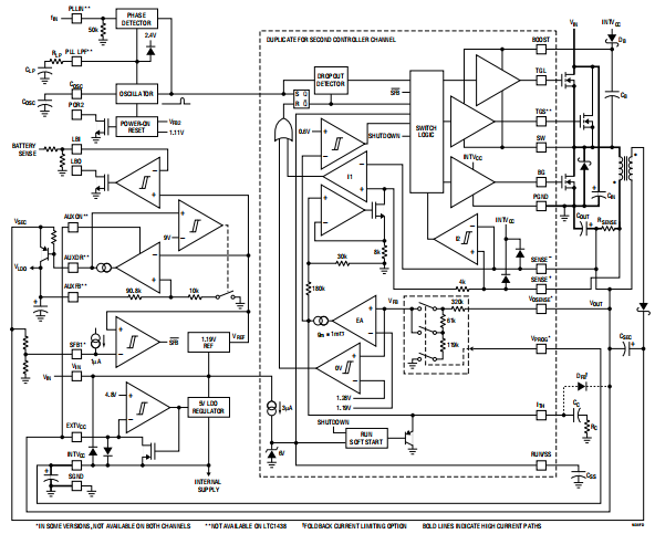
操作(参考功能图)
主控制回路
LTC1438/LTC1439使用恒定频率、电流模式降压架构。在正常运行期间,当振荡器工作时,顶部的MOSFET在每个周期被打开设置RS闩锁,当主电流比较器I1重置RS锁存器。峰值电感器I1重置RS闩锁的电流由控制ITH1(ITH2)引脚上的电压,是每个引脚的输出误差放大器(EA)。VPROG1引脚,如引脚中所述函数,允许EA接收选择性衰减的传感器的输出反馈电压VFB1–1针,同时VPROG2和VOSENSE2允许EA从内部或外部电阻接收输出反馈电压VFB2第二个控制器上的分隔器。当负载电流增加时,会导致心室颤动相对于1.19V参考电压,进而导致ITH1(ITH2)电压增加直到平均电感器电流匹配新的负载电流。在大型顶部MOSFET之后已经关闭,底部的MOSFET被打开直到电感器电流开始反转,如所示电流比较器I2,或下一个周期的开始。顶部MOSFET驱动器是从浮动启动偏置带式电容器CB,通常在每个关闭周期。当车辆识别号(VIN)降至接近但是,循环可能进入dropout并尝试持续打开顶部MOSFET。衰减检测器计算振荡周期数MOSFET保持开启,并周期性地强制关闭允许CB充电的时间。
主控制回路通过拉闸关闭/SS1(运行/SS2)引脚低。释放运行/SS1(运行/SS2)允许内部3μA电流源为软启动充电电容器CSS。当CSS达到1.3V时,主控件当ITH1(ITH2)电压钳制在约为最大值的30%。随着CSS继续充电,ITH1(ITH2)逐渐释放,允许恢复正常操作。当同时运行/SS1和RUN/SS2低,所有LTC1438/LTC1439功能关闭。参考LTC1538-AUX/LTC1539数据5V保持带电应用的薄板。比较器OV防止瞬态超调>7.5%关闭顶部MOSFET并保持关闭直到故障已排除。
低电流运行
自适应电源模式允许LTC1439在两个输出级之间自动切换,以适应不同的输出级负载电流。TGL1(TGL2)和BG1(BG2)引脚驱动大型同步N沟道mosfet高电流,而TGS1(TGS2)引脚驱动小型N沟道MOSFET与肖特基二极管工作在低电流。这允许当负载电流降低而不引起大的MOSFET栅电荷损耗。如果TGS1(TGS2)引脚如果保持打开状态,则循环默认为突发模式操作大型mosfet间歇工作的依据是什么负荷需求。自适应电源模式提供恒定频率操作,降低至额定负载电流的约1%。这个导致负载电流降低一个数量级在突发模式操作开始之前。没有小型MOSFET(即,无自适应功率模式)过渡到突发模式操作约为额定负载电流。
当com parator I2检测到电流反转并关闭底部MOSFET。如果RSENSE上的电压超过I2(约20mV)的滞后全循环,然后在接下来的循环中,顶驱被路由连接到TGS1(TGS2)引脚和BG1的小型MOSFET(BG2)pin已禁用。直到电感器电流峰值超过20mV/RSENSE或ITH1(ITH2)电压超过0.6V,这两种情况都会导致驱动器在下一个循环中返回到TGL1(TGL2)引脚。即使负载电流另有规定,两种情况也会强制持续同步运行低电流运行。一是当共模感测+1(感测+2)和感测-1的电压(感应–2)引脚低于1.4V,另一个是当SFB1引脚低于1.19V。后一种情况用于辅助二次绕组调节,如中所述应用程序信息部分。
频率同步
LTC1439上有一个锁相环(PLL)使振荡器与外部同步电源连接到PLLIN引脚。的输出PLL LPF引脚上的相位检测器也是控制输入在0伏到2.4伏的范围内工作对应于-30%到30%的频率。锁定后,锁相环将顶部MOSFET的开启对准同步信号的上升沿。当PLLIN如果保持开路,PLL LPF变低,迫使振荡器最小频率。
上电复位
POR2引脚是一个开漏输出,拉低当主调节器输出电压的第二个控制器失控。当输出电压上升到7.5%的调节范围内,定时器启动在216(65536)个振荡器周期后释放POR2。这个功能在LTC1438X上不可用。
辅助线性调节器
LTC1439中的辅助线性调节器控制外部PNP晶体管,工作电流高达500毫安。A当AUXDR引脚高于9.5V,允许调节12VVPP供应易于实施。当AUXDR低于8.5V时,可使用外部反馈分配器进行设置其他输出电压。奥克森针低关辅助调节器提供方便的逻辑控制电源。
AUX块可用作比较器
反向输入连接到内部1.19V参考。这个AUXDR引脚用作输出,需要外部向上拉至低于8.5V的电源,以抑制调用内部电阻分压器。
INTVCC/EXTVCC电源
顶部和底部MOSFET驱动器和most的电源其他LTC1438/LTC1439电路的INTVCC引脚。底部MOSFET驱动电源也是连接到INTVCC。当EXTVCC引脚保持打开状态时,一个内部5V低压差调节器为INTVCC供电。如果EXTVCC电压高于4.8V,则5V调节器转动关闭并打开内部开关以连接EXTVCC至INTVCC。这允许导出INTVCC功率从一个高效率的外部来源,如输出调节器本身或二次绕组,如所述在应用程序信息部分。
应用程序信息
基本LTC1439应用电路如图1所示。外部构件选择由荷载驱动从RSENSE的选择开始。一次RSENSE是已知的,COSC和L可以选择。接下来,是选择功率mosfet和D1。最后,CIN和COUT被选中。图1所示的电路可配置为在高达28V的输入电压下运行(受外部MOSFET)。
输出电流的RSENSE选择
根据所需的输出电流选择RSENSE。LTC1438/LTC1439电流比较器的最大阈值为150mV/RSENSE,输入公共线SGND到INTVCC的模式范围。电流比较器阈值设置电感器电流的峰值,产生最大平均输出电流IMAX等于峰值值减去峰间纹波电流的一半,∆IL。为LTC1438的变化留出一些余地/LTC1439和外部组件值产生:

LTC1438/LTC1439与RSENSE值配合良好从0.005Ω到0.2Ω。
工作频率的COSC选择
LTC1438/LTC1439采用恒定频率结构,频率由外部设备决定COSC上的振荡器电容器。每次上部的MOSFET打开,COSC上的电压被重置为接地。在准时,COSC由固定电流加上与输出成比例的附加电流相位检测器(VPLLLPF)的电压(仅限LTC1439)。当电容器上的电压达到1.19V时,COSC为复位到地面。然后重复这个过程。COSC的值是根据期望的操作计算出来的频率。假设锁相环没有外部振荡器输入(VPLLLPF=0V):
图中给出了选择COSC与频率的关系图2随着工作频率的增加,栅极电荷增加损失会更大,降低效率(见效率注意事项)。建议的最大开关量频率为400kHz。当使用图2可同步应用,选择COSC对应频率大约低于中心30%频率。(参见锁相环和频率同步化)。

电感器值计算
工作频率和感应器的选择是相互关联的,因为更高的工作频率允许使用电感和电容值较小。那为什么呢有没有人选择在较低频率下工作更大的部件?答案是效率。更高的频率通常会导致效率降低,因为MOSFET栅电荷损耗。除了这个基本的贸易关断时,电感值对纹波电流的影响较小还必须考虑当前操作。电感值对纹波电流有直接影响。这个电感纹波电流∆IL随电感或频率的升高而减小,随VIN或VOUT的升高而增大:
应用程序信息
接受较大的∆IL值允许使用低电感,但会导致更高的输出电压纹波以及更大的核心损失。一个合理的起点整定纹波电流为∆IL=0.4(IMAX)。记住,那个最大∆IL出现在最大输入电压下。电感值对低电流也有影响操作。开始向低电流运行过渡当电感器电流达到零而底部MOSFET开启。较低的电感器值(较高的∆IL)将在较高的负载电流下发生这种情况在低电流的上限范围内导致效率下降操作。在突发模式操作(TGS1,2个引脚断开),较低的电感值将导致突发频率减少。图3给出了建议的感应值与工作频率和电压的范围
电感器铁芯选择
一旦L的值已知,电感器的类型必须是挑选出来的。高效率的转换器一般不能承受低成本粉末铁心的铁心损耗,迫使使用更昂贵的铁素体,钼合金或Kool Mμ®内核。实际铁心损耗与铁心无关尺寸为一个固定的电感器值,但它是非常依赖的选择电感。随着电感的增加,铁心损耗下去。不幸的是,增加电感需要更多导线匝数和铜损耗将增加。铁氧体设计具有非常低的铁心损耗,是首选在高开关频率下,因此设计目标可以集中在铜损耗和防止饱和上。铁素体铁芯材料饱和“硬”,这意味着当峰值设计电流为超过。这导致电感器突然增加纹波电流和随之而来的输出电压纹波。做不要让核心饱和!Molypermalloy(来自Magnetics,Inc.)是一种非常好的低圆环体的核心材料损失,但比铁氧体。同一制造商的合理折衷方案是Kool Mμ。环面非常节省空间,尤其是当你可以使用几层电线的时候。因为他们一般都没有线轴,所以安装更多很难。然而,表面贴装的设计是可用的不会显著增加高度。
功率MOSFET和D1选择
必须为每一个选择三个外部功率mosfetLTC1439控制器:一对N沟道MOSFET用于顶部(主)开关和用于底部(同步)开关。只有一个顶级MOSFET每个LTC1438控制器都需要。为了利用自适应功率输出级,两个必须选择上部模块MOSFET。A大[低RSD(ON)]需要MOSFET和一个小的[更高RDS(ON)]MOSFET。大型MOSFET用作主开关和与同步开关配合使用。这个较小的MOSFET只能在低负载电流下启用条件。这样做的好处是提高低到中电流在继续以恒定频率运行的同时提高效率。此外,通过使用小型MOSFET,电路将保持恒定频率切换至较低频率电流和延迟跳跃周期。
小型MOSFET推荐的RDS(ON)是约0.5Ω。注意不要使用带有RDS(ON)太低;记住,我们要保存门电荷。(更高的RDS(ON)MOSFET具有更小的栅极电容,因此需要较少的电流来充电门)。对于所有LTC1438和成本敏感型LTC1439应用,不需要小型MOSFET。那么电路呢当负载电流下降时,开始突发模式操作。
安芯科创是一家国内芯片代理和国外品牌分销的综合服务商,公司提供芯片ic选型、蓝牙WIFI模组、进口芯片替换国产降成本等解决方案,可承接项目开发,以及元器件一站式采购服务,类型有运放芯片、电源芯片、MO芯片、蓝牙芯片、MCU芯片、二极管、三极管、电阻、电容、连接器、电感、继电器、晶振、蓝牙模组、WI模组及各类模组等电子元器件销售。(关于元器件价格请咨询在线客服黄经理:15382911663)
代理分销品牌有:ADI_亚德诺半导体/ALTBRA_阿尔特拉/BARROT_百瑞互联/BORN_伯恩半导体/BROADCHIP_广芯电子/COREBAI_芯佰微/DK_东科半导体/HDSC_华大半导体/holychip_芯圣/HUATECH_华泰/INFINEON_英飞凌/INTEL_英特尔/ISSI/LATTICE_莱迪思/maplesemi_美浦森/MICROCHIP_微芯/MS_瑞盟/NATION_国民技术/NEXPERIA_安世半导体/NXP_恩智浦/Panasonic_松下电器/RENESAS_瑞莎/SAMSUNG_三星/ST_意法半导体/TD_TECHCODE美国泰德半导体/TI_德州仪器/VISHAY_威世/XILINX_赛灵思/芯唐微电子等等
免责声明:部分图文来源网络,文章内容仅供参考,不构成投资建议,若内容有误或涉及侵权可联系删除。
Copyright © 2002-2023 深圳市安芯科创科技有限公司 版权所有 备案号:粤ICP备2023092210号-1