特征
•直接路径™ –消除砰砰声和咔嗒声
–消除输出直流阻塞电容器
–3-V至3.6-V电源电压
•低噪音和THD
–1×增益时信噪比>105 dB
–Vn<12μVms,20 Hz至20 kHz,–1×增益(典型值)
–THD+N<0.003%,负载为10-kΩ,增益为-1×时
•2-Vrms输出电压至600Ω负载
•单端输入和单端输出
•可编程增益选择减少组件数量
–13×增益值
•有源静音,衰减超过80 dB
•短路和热保护
•±8-kV HBM ESD保护输出
应用
•等离子显示器和液晶电视
•DVD播放器
•微型和微型组合系统
•声卡
说明
DRV612是一款单端、2-Vrms立体声线路驱动器,旨在减少元件数量、电路板空间和成本。对于尺寸和成本是关键设计参数的单电源电子设备来说,它是理想的选择。
DRV612不需要大于3.3V的电源来产生其5.6-VPP输出,也不需要分轨电源。
DRV612设备采用TI专利的DirectPath技术设计,该技术集成了电荷泵,产生一个负电源轨,提供干净、无pop的地面偏置输出。DRV612能够驱动2个虚拟机进入600Ω负载。DirectPath技术还允许移除昂贵的输出直流阻塞电容器。
该设备有固定增益单端输入和增益选择引脚。在这个引脚上使用一个电阻,设计者可以从13个内部可编程增益设置中选择,使线路驱动器与编解码器输出电平相匹配。该设备还减少了元件数量和电路板空间。
线路输出具有±8-kV HBM ESD保护,实现简单的ESD保护电路。DRV612内置主动静音控制,衰减超过80分贝,可实现无弹出静音开关控制。
DRV612有14针TSSOP和16针VQFN。有关兼容封装外形的立体声耳机驱动程序,请参阅TPA6139A2。
设备信息

(1)、有关所有可用的软件包,请参阅数据表末尾的订购附录。
功能框图

典型特征
VDD=3.3 V,TA=25°C,RL=2.5 kΩ,CPUMP=C(VSS)=1μF,增益=–2 V/V(除非另有说明)。



参数测量信息
所有参数均根据规范中所述的条件进行测量。
详细说明
概述
DRV612是一个直接路径立体声线路驱动器,不需要输出直流阻塞电容器,能够向600Ω负载传输2个VRM。该设备具有内置的pop抑制电路,可在开机和关机时完全消除pop噪音。放大器输出具有短路保护。
DRV612增益由外部电阻器RGAIN控制,建议值见增益设置。
DRV612从一个3-V到3.6-V供电,因为它使用一个内置的电荷泵为线路驱动器产生一个负电压源。
功能框图

特性描述
线路驱动放大器
单电源线驱动放大器通常需要直流阻断电容器。图8中的上图说明了传统的线路驱动器放大器与负载和输出信号的连接。
直流闭锁电容器的值通常很大,在通电过程中需要一个静音电路,以尽量减少咔嚓声和砰砰声。输出电容和静音电路消耗PCB面积,增加组装成本,降低音频输出信号的保真度。

直接通路放大器结构从单一电源运行,但利用内部电荷泵提供负电压轨道。
结合用户提供的正轨和IC产生的负轨,设备以有效的分供模式运行。
输出电压现在集中在零伏,能够摆动到正轨或负轨。结合这与内置的点击和弹出减少电路,直接路径放大器不需要输出直流阻塞电容。
图8的底部方框图和波形说明了地面参考线驱动程序架构。这是DRV612的体系结构。
设备功能模式
内部欠压检测
DRV612包含一个内部精确的带隙基准电压和一个用于监控电源电压VDD的比较器。内部VDD监视器设置为2.8 V,滞后200 mV。

无弹出电源
在电源上升和下降过程中,通过保持静音引脚处于低位,确保无弹出电源。引脚应保持在较低水平,直到输入交流耦合电容器充满电,然后再确定静音引脚高,这样就可以对交流耦合进行适当的预充电,从而实现无弹出式通电。图10说明了优先顺序。

应用与实施
注意
以下应用章节中的信息不是TI组件规范的一部分,TI不保证其准确性或完整性。TI的客户负责确定组件的适用性。客户应验证和测试其设计实现,以确认系统功能。
申请信息
DRV612通过将静音引脚断言为逻辑1来启动其操作。当拉动低静音引脚时,设备进入静音模式。电荷泵产生负电源电压。CP和CN之间连接的电荷泵飞行电容器传递电荷,产生负电源电压。输出电压能够产生正、负电压波动,中心接近0伏,不需要输出电容器。输入耦合电容器阻止来自音频源的任何直流偏压,并确保最大的动态范围。
这个典型的连接图强调了在流行的用例中设备正常运行所需的外部组件和系统级连接。TI可通过原理图和布局审查支持任何设计变更。访问e2e。德州仪器如需设计帮助,请加入音频放大器讨论论坛以获取更多信息。
电容性负载
DRV612能够直接驱动高达220 pF的高电容负载。通过为线路驱动器输出增加一个47Ω或更大的串联电阻器,可以接受更高的电容性负载。
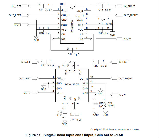
典型应用

设计要求
表1列出了这个应用实例的设计参数。

详细设计程序
部件选择
电荷泵飞行电容器和VSS电容器
电荷泵飞行电容器用于在产生负电源电压期间转移电荷。VSS电容器必须至少等于电荷泵电容器,以允许最大电荷转移。低ESR电容器是理想的选择,1μF是典型值。
去耦电容器
DRV612是一个直接路径线路驱动器放大器,需要足够的电源去耦,以确保噪声和总谐波失真(THD)是低的。一个好的低等效串联电阻(ESR)陶瓷电容器,通常是1μF,放置在尽可能靠近器件VDD引线的地方,效果最好。将这个去耦电容器放在DRV612附近对放大器的性能很重要。为了过滤低频噪声信号,在音频功率放大器附近放置一个10μF或更大的电容器也有帮助,但在大多数应用中并不需要它,因为这种设备的PSRR很高。
增益设置
增益设置用增益引脚编程。增益设置在通电期间锁定。表2列出了增益设置。
注意
如果增益管脚保持未连接(打开),则选择默认增益-2倍。

输入闭锁电容器
直流输入阻断电容器需要与音频信号串联添加到DRV612的输入引脚中。这些电容器阻断音频源的直流部分,并允许DRV612输入适当偏置,以提供最大的性能。输入阻塞电容器还将直流增益限制为1,从而限制输出端的数据偏移电压。
这些电容器与输入电阻RIN形成高通滤波器。截止频率用方程式1计算。对于该计算,使用的电容是输入阻塞电容器,电阻是从表3中选择的输入电阻。当两个值中的一个给定时,就可以确定频率和/或电容。

对于2赫兹的固定截止频率,输入电容的大小如表3所示,电容器四舍五入到最接近的E6值。对于20Hz截止,只需将电容值除以10;例如,对于1×增益,需要150 nF。

电源建议
该装置设计为在3V至3.6V的输入电压下工作,因此,电源的输出电压范围应在该范围内,并应进行良好的调节。TI建议在每个电压源引脚上放置去耦电容器。将这些去耦电容器尽可能靠近DRV612。
布局
布局指南
地面轨迹建议作为星-地布线,以尽量减少嗡嗡声干扰。VDD和VSS去耦电容器和电荷泵电容器必须用短轨迹连接。
与TPA6139A2兼容的封装
DRV612立体声线路驱动器与耳机放大器TPA6139A2引脚兼容。因此,单个PCB布局可以与填充选项一起用于不同的板配置。

布局示例


安芯科创是一家国内芯片代理和国外品牌分销的综合服务商,公司提供芯片ic选型、蓝牙WIFI模组、进口芯片替换国产降成本等解决方案,可承接项目开发,以及元器件一站式采购服务,类型有运放芯片、电源芯片、MO芯片、蓝牙芯片、MCU芯片、二极管、三极管、电阻、电容、连接器、电感、继电器、晶振、蓝牙模组、WI模组及各类模组等电子元器件销售。(关于元器件价格请咨询在线客服黄经理:15382911663)
代理分销品牌有:ADI_亚德诺半导体/ALTBRA_阿尔特拉/BARROT_百瑞互联/BORN_伯恩半导体/BROADCHIP_广芯电子/COREBAI_芯佰微/DK_东科半导体/HDSC_华大半导体/holychip_芯圣/HUATECH_华泰/INFINEON_英飞凌/INTEL_英特尔/ISSI/LATTICE_莱迪思/maplesemi_美浦森/MICROCHIP_微芯/MS_瑞盟/NATION_国民技术/NEXPERIA_安世半导体/NXP_恩智浦/Panasonic_松下电器/RENESAS_瑞莎/SAMSUNG_三星/ST_意法半导体/TD_TECHCODE美国泰德半导体/TI_德州仪器/VISHAY_威世/XILINX_赛灵思/芯唐微电子等等
免责声明:部分图文来源网络,文章内容仅供参考,不构成投资建议,若内容有误或涉及侵权可联系删除。
Copyright © 2002-2023 深圳市安芯科创科技有限公司 版权所有 备案号:粤ICP备2023092210号-1