特征
•适合汽车应用
•AEC-Q100符合以下结果:
–设备温度等级1:TA=–40oC至125oC
–设备HBM ESD等级H2
–设备CDM ESD分级C4
•低RDS(on)输出(0.83ΩHS+LS典型值)
•低功耗睡眠模式
•支持100%PWM
•8–38 V工作电源电压范围
•热增强表面贴装组件
•可配置过电流限制
•保护功能
–VBB欠压锁定(UVLO)
–过电流保护(OCP)
–电源短路保护
–对地短路保护
–过热警告(OTW)
–超温停机(OTS)
–引脚上显示的过电流和过热故障条件(nFAULT)
应用
•汽车车身系统
•门锁
•HVAC致动器
•压电警报
说明
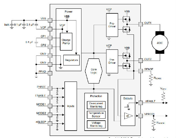
DRV8801-Q1提供了一个全H桥驱动的通用电源驱动解决方案。该装置可以驱动一个有刷直流电机或步进电机的一个绕组,以及其他装置,如螺线管。一个简单的相/使能接口可以方便地连接到控制器电路。
输出级使用配置为½-H桥的N沟道功率mosfet。DRV8801-Q1的峰值输出电流高达±2.8A,工作电压高达38V。内部电荷泵产生所需的栅极驱动电压。
提供了一种低功耗休眠模式,该模式关闭内部电路以实现非常低的静态电流消耗。此睡眠模式可使用专用nSLEEP引脚设置。
提供内部保护功能:欠压闭锁、过流保护、对电源短路保护、对地短路保护、超温报警、超温停机。过电流(包括对地短路和对电源短路)和过热故障条件通过nFAULT引脚指示。
DRV8801-Q1封装在16针QFN封装中,带有外露的散热垫,提供增强的散热效果。
设备信息

(1)、有关所有可用的软件包,请参阅数据表末尾的医嘱内容附录。
简化示意图

典型特征

详细说明
概述
DRV8801-Q1是一种用于有刷直流电机的集成电机驱动器解决方案。该装置集成了DMOS H桥和电流检测和保护电路。该器件可以用8到38V的电源电压供电,并且能够提供高达2.8A峰值的输出电流。
一个简单的相位使能接口允许控制电机的速度和方向。
系统控制器提供分流放大器输出,用于精确测量电流。VPROPI引脚输出的电压是感应引脚电压的5倍。
包括低功耗休眠模式,允许系统在不驱动电机时节省电力。
功能框图

特性描述
电力主管
当DRV8801-Q1设备不使用时,控制输入nSLEEP用于最小化功耗。nSLEEP输入禁用了许多内部电路,包括内部电压轨和电荷泵。nSLEEP被断言为逻辑低。此输入引脚上的逻辑高导致正常操作。当从低切换到高时,用户应在应用PWM信号之前允许1毫秒的延迟。充油泵需要这段时间才能稳定下来。
桥梁控制
表1显示了DRV8801-Q1的逻辑:

为了防止快速衰减同步整流过程中的电流反向,当电流接近0 A时,输出将进入高阻抗状态。
上述逻辑表中每个状态的电流路径如图6所示。
模式1
输入模式1用于在快速衰减模式和慢速衰减模式之间切换。逻辑高使设备处于慢衰减模式。
模式2
模式2用于选择在慢衰变再循环期间使用哪一组驱动器(高压侧与低压侧)。只有当模式1被断言为高时,模式2才有意义。模式2的逻辑高电平通过高压侧驱动器进行电流再循环。逻辑低电平通过低压侧驱动器进行电流再循环。
同步整流快速衰减
这种衰变模式相当于驱动场效应晶体管(图6中的2)对面的场效应晶体管(FET)发生相变。在快速衰减时,不允许电机电流为负,因为这会导致方向改变。相反,当电流接近零时,驱动器就会关闭。有关计算功率的公式,请参见功耗部分。
同步整流慢衰减(制动模式)
在慢衰减模式下,低压侧和高压侧驱动器都会打开,允许电流通过H桥和负载的低压侧和高压侧主体二极管循环(图6中的3和4)。有关计算高侧和低侧慢衰变功率的公式,请参见功耗部分。

充电泵
电荷泵用于产生高于VBB的电源,以驱动源端DMOS门。CP1和CP2之间应连接一个0.1-μF陶瓷单片电容器,以便于泵送。在VCP和VBB之间连接一个0.1μF的陶瓷单片电容器,作为储能器来运行高侧DMOS器件。
感官
低值电阻器可放置在感测引脚和接地之间,用于电流感应。为了使感测输出电流电平时的接地痕迹IR降最小,电流感应电阻器应该有一个独立的接地回路连接到星形接地点。这个轨迹应该尽可能短。对于低值感测电阻,PCB中的IR下降可能非常显著,应予以考虑。
要设置手动过电流跳闸阈值,在检测引脚和GND之间放置一个电阻器。当感应引脚上升到500毫伏以上时,H桥输出被禁用(hi-Z)。设备自动重试一段时间t(OCP)。
过电流跳闸阈值可使用方程式1计算。

选择的过电流跳闸等级不能大于I(OCP)。

VPROPI
VPROPI输出约等于感应引脚上电压的五倍。VPROPI只有在有一个电阻器连接到检测管脚时才有意义。如果感应管脚接地,VPROPI测量0 V。还要注意,在慢衰减(制动)过程中,VPROPI测量值为0 V。VPROPI可输出最大2.5 V,因为在500 mV的感应电压下,H桥被禁用。
保护电路
DRV8801-Q1设备可完全防止VBB欠压、过电流和过热事件。

VBB欠压锁定(UVLO)
如果在任何时候VBB引脚上的电压低于欠压锁定阈值电压,则Hbridge中的所有FET都将被禁用,电荷泵也将被禁用。nFAULT引脚不报告UVLO故障情况,并保持hi-Z。当VBB上升到UVLO阈值以上时,操作恢复。
过流保护(OCP)
监控流经高压侧和低压侧驱动器的电流,以确保电机导线没有对电源或接地短路。如果检测到短路,H桥中的所有FET将被禁用,nFAULT被驱动为低电平,并且t(OCP)故障计时器启动。在这段时间t(OCP)之后,允许设备遵循输入命令,并尝试另一个开启(在此尝试期间nFAULT释放)。如果仍有故障,则循环重复。如果t(OCP)失效后短路状态不存在,则恢复正常运行并解除nFAULT。
超温警告(OTW)
如果模具温度升高超过热警告阈值,则nFAULT引脚驱动低。当模具温度降至滞后水平以下时,nFAULT引脚被释放。如果模具温度继续升高,设备将进入超温关机(OTS)部分所述的过热关机。
超温停机(OTS)
如果模具温度超过热关机温度,则H桥中的所有FET将被禁用,电荷泵将关闭。在此故障情况下,nFAULT引脚保持拉低状态。当模具温度降至滞后阈值以下时,操作自动恢复。
热关机(TSD)
芯片上集成了两个模具温度监测器。当模具温度上升到最大值时,在160°C时会触发一个热警告信号。此故障会导致nFAULT low(低故障),但不会禁用芯片的操作。如果模具温度进一步升高至约175°C,全桥输出将被禁用,直到内部温度降至低于15°C的滞后。
设备功能模式
除非nSLEEP引脚逻辑低,否则DRV8801-Q1设备处于活动状态。在休眠模式下,电荷泵被禁用,H桥场效应晶体管被禁用hi-Z。如果nSLEEP逻辑高,DRV8801-Q1设备将自动退出休眠模式。
应用与实施
注意
以下应用章节中的信息不是TI组件规范的一部分,TI不保证其准确性或完整性。TI的客户负责确定组件的适用性。客户应验证和测试其设计实现,以确认系统功能。
申请信息
DRV8801-Q1设备用于中压有刷直流电机控制应用。
典型应用

设计要求
对于本设计示例,使用表3中列出的参数作为输入参数。

详细设计程序
电机电压
使用的电机电压取决于所选电机的额定值和所需的转速。更高的电压使刷直流电机的旋转速度更快,同样的脉宽调制占空比应用于功率场效应晶体管。更高的电压也会增加通过感应电动机绕组的电流变化率。
功耗
DRV8801-Q1的功耗是RMS电机电流和每个输出的FET电阻(RDS(ON))的函数。

在本例中,环境温度为35℃,结温达到65℃。在65℃时,RDS(ON)之和约为1Ω。如果电机电流为0.8 A,以热量形式耗散的功率将为0.8 A2x 1Ω=0.64 W。
DRV8801-Q1达到的温度取决于对空气和PCB的热阻。重要的是要将设备热垫焊接到PCB接地板上,并在顶部和底部板层上通孔,以将热量散失到PCB中并降低设备温度。在这里使用的示例中,DRV8801-Q1的有效热阻RθJA为47°C/W,并且:

电机电流跳闸点
当引脚感应电压超过VTRIP(0.5 V)时,检测到过电流。RSENSE电阻器的大小应能设置所需的ITRIP电平。

将ITRIP设置为2.5 A,RSENSE=0.5 V/2.5 A=0.2Ω。
为防止误跳闸,ITRIP必须高于正常工作电流。启动过程中的电机电流通常比稳态旋转大得多,因为初始负载转矩更高,并且没有反电动势会导致电机绕组上产生更高的电压和额外的电流。
通过在DRV8801-Q1输出上使用串联电感器来限制启动电流是有益的,因为这样可以降低ITRIP,并可能降低系统所需的体积电容。启动电流也可以通过增加正向驱动占空比来限制。
感测电阻选择
为了获得最佳性能,感测电阻器必须:
•表面安装
•低电感
•额定功率足够高
•靠近电机驱动器
驱动电流
这个电流路径是通过高侧源DMOS驱动器,电机绕组,和低侧下沉DMOS驱动器。功耗I2R在一个源和一个接收器DMOS驱动器中损失,如等式5所示。

应用曲线

电源建议
本体电容
具有合适的局部体积电容是电机驱动系统设计的一个重要因素。一般来说,有更多的体积电容是有益的,但缺点是成本和物理尺寸增加。
所需的本地电容量取决于多种因素,包括:
•电机系统所需的最高电流。
•电源的电容及其提供电流的能力。
•电源和电机系统之间的寄生电感量。
•可接受的电压纹波。
•使用的电机类型(有刷直流、无刷直流、步进电机)。
•电机制动方法。
电源和电机驱动系统之间的电感会限制电源电流的变化率。如果局部大容量电容太小,系统将对过大的电流需求作出响应,或者随着电压的变化而从电机中卸载。当使用足够的大容量电容时,电机电压保持稳定,并能快速提供大电流。
数据表通常提供建议值,但需要进行系统级测试以确定适当尺寸的大容量电容器。

布局
布局指南
•印刷电路板(PCB)应使用重型接地板。为了获得最佳的电气和热性能,DRV8801-Q1必须直接焊接到电路板上。在DRV8801Q1的下面是一个热垫,它提供了增强散热的路径。热焊盘应直接焊接到PCB的外露表面上。热通孔用于将热量传递到PCB的其他层。
•负载电源引脚VBB应与电解电容器(通常为100μF)和陶瓷电容器(0.1μF)并联,尽可能靠近设备。
•VCP和VBB之间以及CP1和CP2之间的陶瓷电容器(0.1μF)应尽可能靠近设备。
•感测电阻应尽可能靠近检测引脚和接地回路,以尽量减少寄生电感。
布局示例

安芯科创是一家国内芯片代理和国外品牌分销的综合服务商,公司提供芯片ic选型、蓝牙WIFI模组、进口芯片替换国产降成本等解决方案,可承接项目开发,以及元器件一站式采购服务,类型有运放芯片、电源芯片、MO芯片、蓝牙芯片、MCU芯片、二极管、三极管、电阻、电容、连接器、电感、继电器、晶振、蓝牙模组、WI模组及各类模组等电子元器件销售。(关于元器件价格请咨询在线客服黄经理:15382911663)
代理分销品牌有:ADI_亚德诺半导体/ALTBRA_阿尔特拉/BARROT_百瑞互联/BORN_伯恩半导体/BROADCHIP_广芯电子/COREBAI_芯佰微/DK_东科半导体/HDSC_华大半导体/holychip_芯圣/HUATECH_华泰/INFINEON_英飞凌/INTEL_英特尔/ISSI/LATTICE_莱迪思/maplesemi_美浦森/MICROCHIP_微芯/MS_瑞盟/NATION_国民技术/NEXPERIA_安世半导体/NXP_恩智浦/Panasonic_松下电器/RENESAS_瑞莎/SAMSUNG_三星/ST_意法半导体/TD_TECHCODE美国泰德半导体/TI_德州仪器/VISHAY_威世/XILINX_赛灵思/芯唐微电子等等
免责声明:部分图文来源网络,文章内容仅供参考,不构成投资建议,若内容有误或涉及侵权可联系删除。
Copyright © 2002-2023 深圳市安芯科创科技有限公司 版权所有 备案号:粤ICP备2023092210号-1