特点
•支持高达20V的输出上拉电压
•–40°C至125°C工作温度范围
•支持多种步进电机、直流电机、继电器和感应线圈
•0.4V(典型)的低输出音量
–5.0V逻辑输入下每个通道140mA电流汇
–所有7个通道并联时的1A电流输出
•兼容1.8V、3.3V和5.0V微控制器和逻辑接口
•用于感应反冲保护的内部自由轮二极管
•输入下拉电阻器允许Tri-stating输入驱动器
•输入RC缓冲器,以消除噪声环境中的误操作
•低输入和输出泄漏电流
•易于使用的并行接口
•ESD保护超过JESD 22
–2千伏高压断路器,500伏清洁发展机制
•提供16针SOIC和TSSOP封装
应用
•单极步进电机驱动器
•继电器和感应负载驱动器
•电磁阀驱动器
•灯和LED显示屏
•逻辑电平变换器
•一般低压侧开关应用
说明
DRV777电机驱动器具有7个低输出阻抗驱动器,最大限度地减少片内功耗。DRV777支持1.8V到5V的CMOS逻辑输入接口,从而使其兼容各种微控制器和其他逻辑接口.DRV777具有一个改进的输入接口,最大限度地减少输入直流电流从外部驱动器。该装置还具有一个输入RC缓冲器,大大提高了其在噪声工作条件下的性能。所有通道输入都有一个内部输入下拉电阻器,因此允许输入逻辑为三态。DRV777还支持其他逻辑输入电平,例如TTL和1.8V;有关详细信息,请参阅典型特性部分。
如功能图所示,DRV777的每个输出都有一个内部自由轮二极管,连接在COM引脚的公共阴极配置中。
该器件通过并行组合多个相邻通道,提供了增加电流吸收能力的灵活性。在典型情况下,当所有7个通道并联时,DRV777可支持高达1.0A的负载电流。DRV777有16针SOIC和16针TSSOP封装。
功能图


设备信息


申请信息
TTL和其他逻辑输入
DRV777输入接口是为标准1.8V、3V和5V CMOS逻辑接口指定的。参考图8和图9,以确定不同输入电压范围的VOL和相应的典型负载电流水平。应用信息部分显示了使用DRV777驱动1.8V继电器的实现。
输入RC缓冲器
DRV777的特点是一个输入RC缓冲器,有助于防止杂散开关在噪声环境。将外部1kΩ至5kΩ电阻器与输入串联,以进一步增强DRV777的噪声容限。
高阻抗输入驱动器
DRV777具有300kΩ输入下拉电阻器。这个电阻的存在允许输入驱动器三态化。当高阻抗驱动器连接到通道输入时,DRV777检测到通道输入为低电平输入,并保持在关闭位置。当输入驱动器处于高阻抗状态时,输入RC缓冲器有助于提高噪声容限。
片上功耗
使用下式计算DRV777片上功耗PD:

其中:
N是一起活动的通道数。
VOLi是负载电流ILi的OUTi引脚电压。
热可靠性
建议将DRV777 IC的芯片结温度限制在125°C以下。IC结温度与片上功耗成正比。使用以下公式计算目标IC结温度的最大允许片内功耗:

其中:
TJ(MAX)是目标最高结温。
TA是工作环境温度。
θJA是封装结对环境热阻的影响。
提高封装热性能
高K板标准条件下的封装θJA值列在耗散额定值中。θJA值取决于PC板布局。外部散热片和/或冷却机制,如冷风机,可以帮助减少θJA,从而提高器件的热性能。
应用实例
单安培单极直流电机驱动器
图3显示了DRV777驱动单倍直流电机的实现。当所有的通道连接在一起,输入被驱动在5V,驱动器可以吸收1A的电流。当电压为0.4V时,这将产生一个400mΩ的驱动器。输入缓冲电路是伟大的PWM应用,需要高抗扰度。这两个特点使DRV777成为功率效率高占空比电机驱动应用的理想选择。

单极步进电机驱动器
图4显示了驱动单倍步进电机的DRV777的实现。未连接的输入通道可用于其他功能。当一个输入引脚保持开路时,内部300kΩ下拉电阻器将相应的输入引脚拉至GND电位。为了提高抗扰度,在未连接的输入和GND引脚之间使用外部短路。

多功能接收器驱动器
按照图5配置时,DRV777可以用作多用途驱动程序。输出通道可以连接在一起以吸收更多的电流。DRV777可以轻松驱动电机、继电器和LED,功耗很小。COM引脚必须连接到由自由轮二极管保护的感应负载的电源上。

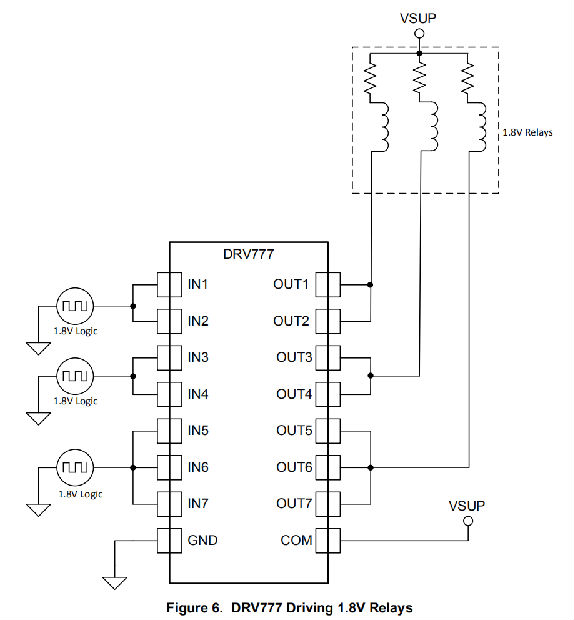
1.8V继电器驱动器
为了驱动低电压继电器,如1.8V,如图6所示,并联连接两个或多个相邻通道。并联连接多个通道可降低通道输出电阻,从而使固定电流的体积最小化。DRV777可用于驱动3V、5V和12V继电器,具有类似的实现。

典型特征
TA=+25oC。

安芯科创是一家国内芯片代理和国外品牌分销的综合服务商,公司提供芯片ic选型、蓝牙WIFI模组、进口芯片替换国产降成本等解决方案,可承接项目开发,以及元器件一站式采购服务,类型有运放芯片、电源芯片、MO芯片、蓝牙芯片、MCU芯片、二极管、三极管、电阻、电容、连接器、电感、继电器、晶振、蓝牙模组、WI模组及各类模组等电子元器件销售。(关于元器件价格请咨询在线客服黄经理:15382911663)
代理分销品牌有:ADI_亚德诺半导体/ALTBRA_阿尔特拉/BARROT_百瑞互联/BORN_伯恩半导体/BROADCHIP_广芯电子/COREBAI_芯佰微/DK_东科半导体/HDSC_华大半导体/holychip_芯圣/HUATECH_华泰/INFINEON_英飞凌/INTEL_英特尔/ISSI/LATTICE_莱迪思/maplesemi_美浦森/MICROCHIP_微芯/MS_瑞盟/NATION_国民技术/NEXPERIA_安世半导体/NXP_恩智浦/Panasonic_松下电器/RENESAS_瑞莎/SAMSUNG_三星/ST_意法半导体/TD_TECHCODE美国泰德半导体/TI_德州仪器/VISHAY_威世/XILINX_赛灵思/芯唐微电子等等
免责声明:部分图文来源网络,文章内容仅供参考,不构成投资建议,若内容有误或涉及侵权可联系删除。
Copyright © 2002-2023 深圳市安芯科创科技有限公司 版权所有 备案号:粤ICP备2023092210号-1