特征
•6-V至60-V工作电源电压范围
•1.7 A源极和2.3 A陷波栅驱动电流能力
•用于减少电磁干扰的转换速率控制
•具有100%占空比支持的引导门驱动器
•6或3个PWM输入模式
•增益和偏移可调的双集成电流分流放大器
•3.3V和5V接口支持
•SPI接口
•保护功能:
–可编程死区控制(DTC)
–可编程过电流保护(OCP)
–PVDD和GVDD欠压锁定(UVLO)
–GVDD过压锁定(OVLO)
–超温警告/停机(OTW/OTS)
–通过nFAULT、nOCTW和SPI寄存器报告
应用
•三相无刷直流电动机和永磁同步电动机
•CPAP和泵
•电动自行车
•电动工具
•机器人和钢筋混凝土玩具
•工业自动化
说明
DRV8303是一种用于三相电机驱动应用的门驱动器IC。它提供三个半桥驱动器,每一个都能驱动两个N沟道mosfet。它支持高达1.7A电源和2.3A峰值电流能力。DRV8303可以在6-V到60-V的大范围单电源供电的情况下工作。它使用带涓流充电电路的自举门驱动器架构,以支持100%的占空比。DRV8303在高侧或低侧MOSFET切换时使用自动握手来防止电流击穿。高、低压侧mosfet的集成VDS传感用于保护外部功率级免受过电流条件的影响。
DRV8303包括两个电流分流放大器,用于精确的电流测量。放大器支持双向电流感应,并提供和可调输出偏移高达3伏。
SPI接口提供了详细的故障报告和灵活的参数设置,如电流分流放大器的增益选项和门驱动器的转换速率控制。
设备信息

(1)、有关所有可用的软件包,请参阅数据表末尾的订购附录。
简化示意图

典型特征

详细说明
概述
DRV8303是一款用于三相电机驱动应用的6-V至60-V栅极驱动IC。该器件通过集成三个半桥驱动器和两个电流分流放大器来减少外部元件的数量。DRV8303提供过电流、过温和欠压保护。除SPI寄存器外,故障状态还通过nFAULT和nOCTW引脚指示。
可调死区控制和峰值栅极驱动电流允许微调外部mosfet的开关。内部握手用于防止通电。
外部mosfet的VDS传感允许DRV8303检测过电流状况并做出适当的响应。单个MOSFET过电流情况通过SPI状态寄存器报告。
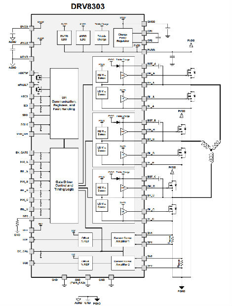
功能框图

特性描述
以下各节介绍了DRV8303的特性:
三相门驱动器
半桥驱动器使用带涓流充电泵的引导配置来支持100%的占空比操作。每个半桥被配置成驱动两个N沟道mosfet,一个用于高压侧,一个用于低压侧。半桥驱动器可组合用于驱动三相电机,也可单独用于驱动其他各种负载。
峰值栅极驱动电流和内部死区时间可调,以适应各种外部mosfet和应用。峰值栅极驱动电流通过寄存器设置进行设置,死区时间通过DTC引脚上的外部电阻器进行调整。将故障诊断码针脚短路至接地将提供最短的死区时间(50 ns)。在开关转换过程中,高压侧和低压侧mosfet之间有一个内部的握手,以防止电流击穿。
三相栅极驱动器可提供高达30毫安的平均栅极驱动电流。当MOSFET Qg=25nc时,这将支持高达200khz的开关频率。
每个MOSFET栅极驱动器都有一个VDS感测电路,用于过电流保护。当MOSFET启动时,检测电路测量从漏极到外部MOSFET源的电压。将该电压与编程的触发点进行比较,以确定是否发生过电流事件。高侧感位于PVDD1和SH U X引脚之间。低端感测器位于SH_X和SL_X引脚之间。确保这些线路与外部mosfet的差分低阻抗连接将有助于提供精确的VDS传感。
DRV8303允许通过寄存器设置进行6-PWM和3-PWM控制。

电流分流放大器
DRV8303包括两个高性能电流分流放大器,以精确的低侧,在线电流测量。
电流分流放大器通过SPI寄存器有4个可编程增益设置。它们是10、20、40和80 V/V。
它们提供高达3V的输出偏移,以支持双向电流感应。偏移设置为参考引脚(REF)上电压的一半。
为了最小化直流偏移和温度漂移,可通过直流校准引脚或SPI寄存器提供校准方法。当启用直流校准时,装置将使电流分流放大器的输入短路并断开负载。直流校准可以在任何时候进行,甚至在MOSFET开关期间,因为负载是断开的。为了获得最佳结果,在无负载的情况下,在关闭期间执行直流校准,以减少对放大器的潜在噪声影响。
电流分流放大器的输出可计算为:

其中:
•VREF是参考电压(参考引脚)
•G是放大器的增益(10、20、40或80 V/V)
•SNX和SPx是通道x的输入。SPx应连接到感应电阻器的接地侧,以实现嵌套共模抑制。
图6显示了电流放大器的简化框图。

保护特性
DRV8303提供了广泛的保护功能和故障状态报告。DRV8303具有IC的欠压和过热保护。它也有过流和欠压保护MOSFET功率级。在故障关闭条件下,所有的门驱动器输出将保持低,以确保外部mosfet处于高阻抗状态。
功率级保护
DRV8303为MOSFET功率级提供过流和欠压保护。在故障关闭条件下,所有门驱动器输出将保持低,以确保外部FET处于高阻抗状态。
过电流保护(OCP)和报告
为了保护功率级不受过大电流的损坏,在DRV8303中实现了VDS传感电路。基于外部mosfet的RDS(on)和最大允许id,可以确定一个电压阈值,以便在超过时触发过流保护功能。电压阈值通过SPI寄存器编程。过电流保护应仅作为保护方案使用;不应作为精确的电流调节方案。对于VDS跳闸点,各通道之间的公差可高达20%。

当MOSFET启动时,VDS检测电路测量从漏极到外部MOSFET源的电压。高侧感位于PVDD和SH U X引脚之间。低端感测器位于SH_X和SL_X引脚之间。确保这些线路与外部mosfet的差分低阻抗连接将有助于提供精确的VDS传感。
有四种不同的过电流模式(OC峎u模式),可通过SPI寄存器进行设置。OC状态位在锁存模式下工作。当出现过电流情况时,相应的OC状态位将锁存在DRV8303寄存器中,直到故障复位。
1.限流模式:在电流限制模式下,设备在过电流事件期间使用电流限制而不是设备关闭。在此模式下,设备通过nOCTW引脚报告过电流事件。nOCTW引脚将在最长64μs时间段(内部定时器)或直到下一个PWM周期保持低电平。如果另一个MOSFET触发了另一个过电流事件,在之前的过电流事件中,报告将继续进行64μs的另一个周期(内部计时器将重新启动),或直到两个PWM信号循环。对于检测到过电流的MOSFET,将断言相关的状态位。限流模式下有两个电流控制设置。它们在SPI寄存器中按一位设置。默认模式为循环循环(CBC)。
–循环模式(CBC):在CBC模式下,检测到过电流的MOSFET将关闭,直到下一个PWM周期。
–关闭时间控制模式:在关闭时间模式下,检测到过电流的MOSFET在64μs时间段内被禁用(由内部计时器设置)。如果在另一个MOSFET中检测到过电流,定时器将在另一个64μs的时间段内复位,并且两个MOSFET将在这段时间内被禁用。在此期间,特定MOSFET的正常工作可以通过相应的PWM周期恢复。
2.OC闩锁关闭模式:当发生过电流事件时,相应半桥中的高压侧和低压侧MOSFET都将被禁用。检测到过电流的MOSFET的nFAULT引脚、nFAULT status位和OC status位将锁定,直到通过栅极复位位或快速EN_栅极复位脉冲将故障复位。
3.仅报告模式:当发生过电流事件时,在此模式下不会采取任何保护措施。过电流事件将通过nOCTW引脚(64μs脉冲)和SPI状态寄存器报告。外部MCU应根据其自身的控制算法采取行动。
4.OC禁用模式:设备将忽略并不报告所有过电流检测。
欠压保护(UVLO)
为了在启动、关闭和其他可能的欠压条件下保护功率输出级,DRV8303通过在PVDD或GVDD低于其欠压阈值(PVDD_-UV/gVD_-UV)时驱动栅极驱动输出(GH_X、GL_X)来提供欠压保护。这将使外部mosfet处于高阻抗状态。当设备处于PVDD_-UV中时,它不会响应SPI命令,SPI寄存器将恢复为其默认设置。
从13到15μs的特定PVDD欠压瞬态断电可能会导致DRV8303对外部输入无响应,直到整个电源循环。瞬态条件包括PVDD大于PVDD_UV电平,然后PVDD下降到PVDD_UV电平以下,持续特定时间13到15μs。
小于或大于13至15μs的瞬态不会影响欠压保护的正常工作。额外的体积电容可以添加到PVDD中,以减少欠压瞬态。
过电压保护(GVDD_-OV)
如果GVDD电压超过GVDD_OV阈值,设备将关闭栅极驱动器和电荷泵,以防止与GVDD引脚或电荷泵相关的潜在问题(例如,外部GVDD盖或电荷泵短路)。该故障为闭锁故障,只能通过EN_门引脚上的复位转换来复位。
超温保护
实现了两级超温检测电路:
•1级:超温警告(OTW)
OTW通过nOCTW引脚(过流温度警告)报告,用于默认设置。OCTW引脚只能通过SPI命令设置为报告OTW或OCW。参见SPI寄存器部分。
•2级:门驱动器和电荷泵(OTSD_gate)的超温(OT)锁定关闭
故障将报告给nFAULT引脚。这是一个闭锁关闭,因此即使OT状态不再存在,门驱动器也不会自动恢复。在温度低于预设值tOTSD\U CLR后,需要通过引脚或SPI(复位门)复位门驱动器,使其恢复正常运行。
SPI操作仍然可用,只要PVDD仍在定义的操作范围内,OTSD操作期间寄存器设置将保留在设备中。
故障及保护处理
nFAULT引脚表示发生了关机时的错误事件,例如过电流、过温、过压或欠压。注意nFAULT是一个漏极开路信号。当门驱动器在启动过程中准备好接收PWM信号时,nFAULT将变高(内部EN_gate变高)。
nOCTW引脚表示与停机无关的过电流事件和过热事件。
以下是所有保护功能及其报告结构的摘要:


启停顺序控制
在通电期间,所有门驱动输出保持在低水平。门驱动器和电流分流放大器的正常工作可以通过将EN_门从低状态切换到高状态来启动。如果不存在错误,DRV8303准备好接受PWM输入。只要PVDD在功能范围内,即使在门禁用模式下,栅极驱动器也可以控制功率场效应晶体管。
从SDO到VDD_SPI之间有一个内部二极管,因此VDD_SPI需要始终以与其他SPI设备相同的功率电平供电(如果有来自其他设备的SDO信号)。在SDO引脚上出现任何信号之前,VDD U SPI电源应首先通电,在SDO引脚完成所有通信后关闭电源。
设备功能模式
EN_GATE
EN_GATE low用于将栅极驱动器、电荷泵、电流分流放大器和内部调节块置于低功耗模式以节省能源。在此状态期间不支持SPI通信。只要PVDD仍然存在,器件将把MOSFET输出级置于高阻抗模式。
当EN_GATE pin到high时,它将经历一个加电序列,并启用栅极驱动器、电流放大器、电荷泵、内部调节器等,并重置与栅极驱动器块相关的所有锁定故障。它还将重置SPI表中的状态寄存器。除非故障仍然存在,否则当在错误事件后切换EN_GATE时,所有锁定的故障都可以复位。
当EN_门从高到低时,它会立即关闭栅极驱动块,因此栅极输出可以使外部fet处于高阻抗模式。然后它将等待10秒,然后完全关闭其余的街区。快速故障复位模式可以通过短时间(小于10μS)切换EN_GATE引脚来实现。这将防止设备关闭其他功能块,如电荷泵和内部调节器,并带来更快和简单的故障恢复。SPI仍然可以在这种快速的门重设模式下工作。
重置所有故障的另一种方法是使用SPI命令(reset_GATE),它将只重置门驱动器块和所有SPI状态寄存器,而不关闭其他功能块。
一个例外是重置GVDD_-OV故障。快速门快速故障复位或SPI命令复位在GVDD\U OV故障下不起作用。复位GVDD_OV故障需要一个低电平保持时间超过10μS的完整EN_GATE。TI强烈建议在发生GVDD_OV时检查系统和板。
故障诊断码
死区时间可通过DTC引脚编程。在故障诊断码(DTC)与接地之间应连接一个电阻,以控制死区时间。死区时间控制范围从50纳秒到500纳秒。DTC针脚对地短路将提供最短的死区时间(50 ns)。电阻范围为0 kΩ至150 kΩ。死区时间在这个电阻范围内线性设定。
电流直通保护将始终在装置中启用,与死区时间设置和输入模式设置无关。
卖方尽职调查
VDD_SPI是SDO引脚的电源。它必须连接到MCU用于SPI操作的同一电源(3.3V或5V)。
在通电或断电瞬态过程中,VDD_SPI引脚可能很快为零电压。在此期间,系统中任何其他设备的SDO引脚不应出现任何SDO信号,因为这会导致DRV8303中的寄生二极管从SDO导至VDD U SPI引脚短路。在系统电源顺序设计中应考虑和防止这一点。
直流电
当直流校准被启用时,装置将短路并联放大器的输入并断开与负载的连接,因此外部微控制器可以进行直流偏移校准。直流偏移校准也可以用SPI命令完成。如果只使用SPI进行直流校准,则直流电插头可以连接到GND。
编程
SPI通信
SPI
DRV8303SPI作为从机运行。SPI输入(SDI)数据格式由一个16位字和1个读/写位、4个地址位和11个数据位组成。SPI输出(SDO)数据格式由一个16位字和1个帧故障位、4个地址位和11个数据位组成。当一个帧无效时,帧故障位将设置为1,其余的位将移出为0。
有效帧必须满足以下条件:
•当NSC变低时,时钟必须较低。
•应有16个完整的时钟周期。
•当NSC变高时,时钟必须较低。
当nSCS被断言为高电平时,SCLK和SDI引脚上的任何信号都被忽略,SDO被强制进入高阻抗状态。当nSCS从高变低时,SDO被启用,SDO响应字基于先前的SPI输入字加载到移位寄存器中。
当nSCS转换为低电平时,SCLK引脚必须为低电平。当nSCS较低时,在时钟的每个上升沿,响应字在SDO管脚上串行移出,MSB首先移出。
当SCS较低时,在时钟的每个下降沿处,在SDI引脚上对新输入字进行采样。SPI输入字被解码以确定寄存器地址和访问类型(读或写)。MSB将首先在中移位。只要nsc保持低活动状态,任何时间段都可以在位之间传递。这允许使用两个8位字。如果发送到SDI的输入字小于16位或大于16位,则视为帧错误。如果是写命令,数据将被忽略。下一个SDO响应字中的故障位将报告1。在第16个时钟周期之后或当nsc从低到高转换时,SDI移位寄存器数据被传输到锁存器中,在该锁存器中对输入字进行解码。
对于发送到SDI的读取命令(第n个周期),SDO将在下一个周期中用指定地址的数据进行响应。(N+1)
对于发送到SDI的写入命令(第N个周期),SDO将在下一个周期(N+1)中用状态寄存器1(0x00)中的数据进行响应。此功能旨在在有多个写命令时最大限度地提高SPI通信效率。
应用与实施
注释
以下应用章节中的信息不是TI组件规范的一部分,TI不保证其准确性或完整性。TI的客户负责确定组件的适用性。客户应验证和测试其设计实现,以确认系统功能。
申请信息
DRV8303是一种栅极驱动器,用于驱动三相无刷直流电机和外部功率MOSFET。该器件提供了三个半桥门驱动器、两个电流分流放大器和过流保护的高集成度。
门驱动器加电顺序勘误表
在门极电压大于1的情况下(如果PVDU的电压大于1,则PVDEN驱动可能不正确)。当DRV8301通过EN_GATE启用时,应确保SH_X引脚上的电压水平低于8.5 V,从而避免这种顺序。
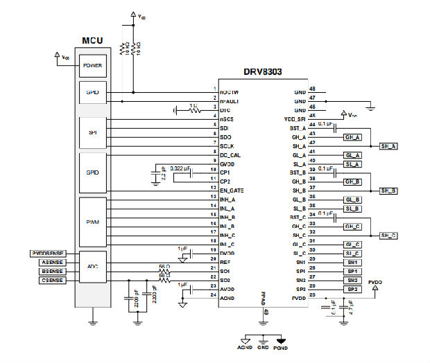
典型应用


设计要求
表13显示了该示例的设计参数。

详细设计程序
门驱动器平均电流负载
DRV8303的栅极驱动电源(GVDD)可向外部功率MOSFET提供高达30毫安(RMS)的电流。使用方程式3确定闸门驱动电源上的近似均方根负载:栅极驱动均方根电流=MOSFET Qg×开关MOSFET个数×开关频率
例子:7.83 mA = 29 nC × 6 × 45 kHz
这只是一个粗略的近似值。
过流保护设置
V830侧的高电流保护通过两个VDFET3侧的MOSFET3提供。它们是为了在过电流条件下保护MOSFET,而不是用于精确的电流调节。
过流保护通过监测外部MOSFET的VDS电压并将其与OC_ADJ_SET寄存器值进行比较来工作。如果VDS超过OC_ADJ_设置值,DRV8303根据OC_MODE寄存器采取行动。
过电流跳闸=OC_ADJ_SET/MOSFET RDS(on)
例子:26.17 A = 0.123 V/ 4.7 mΩ
MOSFET RDS(on)随温度变化,这将影响过电流跳闸水平。
感测放大器设置
DRV8303提供两个双向低侧电流分流放大器。这些可用于感测三个半桥的和,两个半桥分别,或与一个附加的分路放大器一起单独感测所有三个半桥。
1. 确定电机需要的峰值电流(IMAX)。这将取决于电机参数和您的具体应用。本例中的I(MAX)为14A。
2. 确定电流分流放大器的可用电压范围。这将是放大器参考电压(VREF)的±一半。在这种情况下,可用范围为±1.65 V。
3. 确定感测电阻值和放大器增益设置。对于感测电阻值和放大器增益有共同的权衡。感测电阻值越大,半桥电流的分辨率越好。这是以传感电阻消耗的额外功率为代价的。一个更大的增益值将允许你减少感应电阻,但代价是增加输出信号中的噪声。本例使用0.01-Ω感测电阻器和DRV8303的最小增益设置(10 V/V)。这些值允许电流分流放大器测量±16.5 A(14A要求的一些额外裕度)。
应用曲线

电源建议
本体电容
具有合适的局部体积电容是电机驱动系统设计的一个重要因素。一般来说,有更多的体积电容是有益的,但缺点是成本和物理尺寸增加。
所需的本地电容量取决于多种因素,包括:
•电机系统所需的最高电流
•电源的电容及其产生或吸收电流的能力
•电源和电机系统之间的寄生电感量
•可接受的电压纹波
•使用的电机类型(有刷直流、无刷直流、步进电机)
•电机制动方法
电源和电机驱动系统之间的电感会限制电源电流的变化率。如果局部大容量电容太小,系统将对过大的电流需求作出响应,或者随着电压的变化而从电机中卸载。当使用足够的大容量电容时,电机电压保持稳定,并能快速提供大电流。
数据表通常提供建议值,但需要进行系统级测试以确定适当尺寸的大容量电容器。

大容量电容器的额定电压应高于工作电压,以便在电机向电源传输能量时提供裕度。
布局
布局指南
在为DRV8303设计PCB时使用这些布局建议。
•DRV8303通过电源板与GND进行电气连接。始终检查以确保PowerPAD已正确焊接(参见PowerPAD™ 《热增强包装应用报告》(SLMA002)。
•PVDD旁路电容器应放置在靠近其相应引脚的位置,并通过低阻抗路径连接至设备GND(PowerPAD)。
•GVDD旁路电容器应放置在靠近其相应引脚的位置,其低阻抗路径连接至设备GND(电源板)。
•AVDD和DVDD旁路电容器应放置在靠近其相应引脚的位置,并通过低阻抗路径连接至AGND引脚。最好在同一层进行这种连接。
•AGND应通过低阻抗跟踪/铜填充连接到设备GND(PowerPAD)。
•添加缝合过孔,以降低从上到下的GND路径的阻抗。
•尽量清理DRV8303周围和下方的空间,以便更好地从电源板散发热量。
布局示例

安芯科创是一家国内芯片代理和国外品牌分销的综合服务商,公司提供芯片ic选型、蓝牙WIFI模组、进口芯片替换国产降成本等解决方案,可承接项目开发,以及元器件一站式采购服务,类型有运放芯片、电源芯片、MO芯片、蓝牙芯片、MCU芯片、二极管、三极管、电阻、电容、连接器、电感、继电器、晶振、蓝牙模组、WI模组及各类模组等电子元器件销售。(关于元器件价格请咨询在线客服黄经理:15382911663)
代理分销品牌有:ADI_亚德诺半导体/ALTBRA_阿尔特拉/BARROT_百瑞互联/BORN_伯恩半导体/BROADCHIP_广芯电子/COREBAI_芯佰微/DK_东科半导体/HDSC_华大半导体/holychip_芯圣/HUATECH_华泰/INFINEON_英飞凌/INTEL_英特尔/ISSI/LATTICE_莱迪思/maplesemi_美浦森/MICROCHIP_微芯/MS_瑞盟/NATION_国民技术/NEXPERIA_安世半导体/NXP_恩智浦/Panasonic_松下电器/RENESAS_瑞莎/SAMSUNG_三星/ST_意法半导体/TD_TECHCODE美国泰德半导体/TI_德州仪器/VISHAY_威世/XILINX_赛灵思/芯唐微电子等等
免责声明:部分图文来源网络,文章内容仅供参考,不构成投资建议,若内容有误或涉及侵权可联系删除。
Copyright © 2002-2023 深圳市安芯科创科技有限公司 版权所有 备案号:粤ICP备2023092210号-1