特征
•高效率功率级(高达97%),低RDS(on)MOSFET(TJ=25°C时为80 mΩ)
•工作电源电压高达50 V(最大绝对值70 A)
•DRV8312(功率衰减):高达3.5-A连续相电流(峰值6.5-A)
•DRV8332(功率垫高):高达8-A连续相电流(峰值13-A)
•三相独立控制
•PWM工作频率高达500 kHz
•集成自我保护电路,包括欠压、过热、过载和短路
•可编程循环限流保护
•每个半桥的独立电源和接地引脚
•智能门驱动和防交叉传导
•不需要外部缓冲器或肖特基二极管
应用
•无刷直流电机
•三相永磁同步电动机
•逆变器
•半桥驱动器
•机器人控制系统
3说明
DRV83x2是高性能集成三相电机驱动器,具有先进的保护系统。
由于功率mosfet的低RDS(on)和智能门驱动设计,这些电机驱动器的效率可以达到97%。这种高效率使用更小的电源和散热片,而这些设备是节能应用的良好候选。
DRV83x2需要两个电源,一个用于GVDD和VDD,另一个高达50V用于PVDD。DRV83x2可以在高达500千赫的开关频率下工作,同时仍然保持精确的控制和高效率。这些设备还具有创新的保护系统,保护设备免受可能损坏系统的各种故障条件的影响。这些保护措施包括短路保护、过电流保护、欠压保护和两级热保护。DRV83x2有一个限流电路,可防止设备在负载瞬变(如电机启动)期间停机。可编程过电流检测器允许可调的电流限制和保护水平,以满足不同的电机要求。
DRV83x2每个半桥都有独特的独立电源和接地引脚。这些引脚使得通过外部并联电阻器提供电流测量成为可能,并支持具有不同电源电压要求的半桥驱动器。
设备信息

(1)、有关所有可用的软件包,请参阅数据表末尾的订购附录。
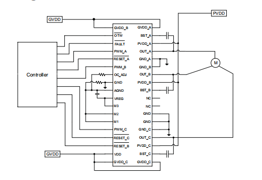
简化应用程序图

典型特征



详细说明
概述
当三个高阻抗二极管被复位时,高阻抗的电流通过三个高阻二极管被复位。当RESET AU A为高且PWM U A为低时,OUT U A被驱动为低,其低侧FET启用。当RESET AU A高且PWM U A高时,OUT U A驱动高,其高侧FET启用。B和C也是如此。
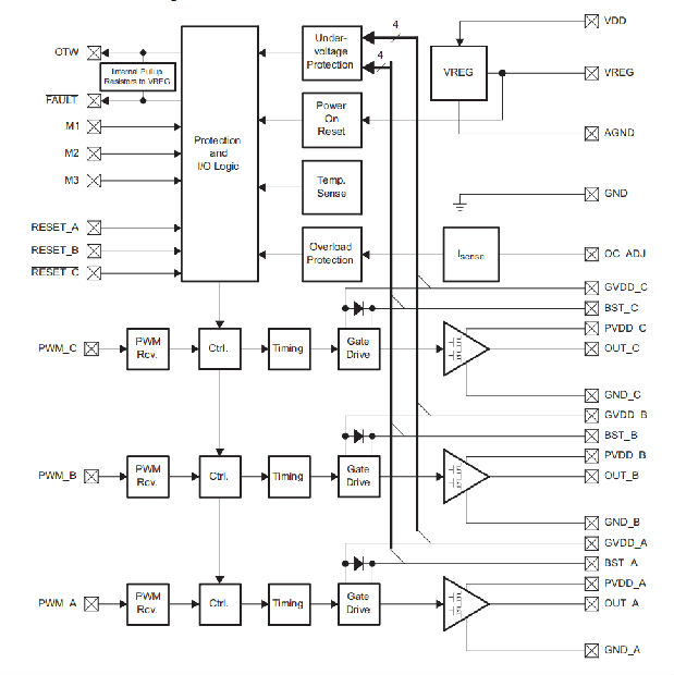
功能框图

特性描述
错误报告
故障和OTW引脚均为低电平开路漏极输出。它们的功能是向PWM控制器或其他系统控制设备发送保护模式信号。
任何导致设备关闭的故障,如过热关机、过电流关机或欠压保护,都会由故障引脚变低发出信号。同样,当器件结温超过125°C时,OTW变低(见表1)。

TI建议使用系统微控制器监控OTW信号,并通过降低负载电流来响应OTW信号,以防止设备进一步加热导致设备过热停机(OTSD)。
变为红色uce外部元件计数,在故障和OTW输出端提供一个连接到内部VREG(3.3V)的内部上拉电阻器。5V逻辑的电平合规性可通过将外部上拉电阻器添加到5V来获得(有关更多规范,请参阅本数据表的电气特性部分)。
装置保护系统
DRV83x2包含先进的保护电路,经过精心设计,有助于系统集成和易用性,以及保护设备不因短路、过电流、过热和欠压等多种故障条件而发生永久性故障。DRV83x2通过立即将半桥输出设置为高阻抗(Hi-Z)状态并断言故障引脚低,从而对故障做出响应。在过流或过热以外的情况下,当故障条件消除或栅极电源电压升高时,装置自动恢复。为了获得尽可能高的可靠性,当从过电流关机(OCSD)或OTSD故障恢复时,在关机后1秒内从外部复位设备。
自举电容器欠压保护
当器件以较低的开关频率运行(例如,使用100 nF的自举电容器小于10 kHz)时,自举电容器电压可能无法为高压侧栅极驱动器保持适当的电压电平。自举电容器欠压保护电路(BST_vp)可以防止高压MOSFET的潜在故障。当自举电容器上的电压低于安全运行所需的值时,DRV83x2将启动自举电容器充电顺序(短时间关闭高压侧场效应晶体管),直到自举电容器为安全运行而正确充电。当PWM占空比过高时(例如,10 kHz时,关闭时间小于20 ns),也可激活此功能。请注意,如果在BST_UVP操作期间输出端出现空载或极轻负载,则可能无法对自举电容器充电,因此建议在每个PWM周期中打开低压侧FET至少50ns,以避免BST_vp操作。
对于开关频率低于10 kHz且不触发BST_-UVP保护的应用,可使用更大的自举电容器(例如,用于800 Hz操作的1-uF电容器)。当使用大于220 nF的自举电容器时,建议在12V GVDD电源和GVDD U X引脚之间增加5欧姆电阻,以限制内部引导二极管上的涌入电流。
过电流(OC)保护
DRV83x2具有独立的快速反应电流检测器,在所有高侧和低侧功率级FET上具有可编程跳闸阈值(OC阈值)。通过模式选择引脚有两种OC保护设置:循环循环(CBC)限流模式和OC闭锁(OCL)关闭模式。
在CBC限流模式下,探测器输出由两个保护系统监控。第一保护系统控制功率级以防止输出电流进一步增大,即,它执行CBC限流功能,而不是过早地关闭设备。该特性可以有效地限制电机启动或瞬态过程中的涌流,而不会损坏设备。在对电源短路和对地短路的情况下,由于限流电路可能无法将电流控制到适当的水平,第二个保护系统触发闭锁关闭,导致相关半桥被设置为高阻抗(Hi-Z)状态。限流和过流保护分别独立于半桥A、B和C。
图6说明了高侧OC事件下的循环运行,图7显示了低侧OC的循环运行。虚线为未触发CBC事件时的操作波形,实线为触发CBC事件时的波形。在CBC限流模式下,当检测到低侧FET OC时,设备将关闭受影响的低侧FET,并将高侧FET保持在同一半桥上,直到下一个PWM周期;当检测到高侧FET OC时,设备将关闭受影响的高侧FET,并在半桥上打开低侧FET,直到下一个PWM周期。
值得注意的是,如果在CBC中发生过电流事件时,半桥的输入保持为恒定值,则在过流事件结束时,相关半桥将处于HI-Z状态。循环输入将允许输出继续正常运行。
在OC闭锁关闭模式下,CBC电流限制和错误恢复电路被禁用,过电流情况将导致设备关闭。关机后,必须断言RESET_A、RESET_B和RESET_C,以便在消除过电流条件后恢复正常运行。
为了增加灵活性,OC阈值可通过在OC_ADJ引脚和AGND引脚之间连接的单个外部电阻器进行编程。有关编程电阻值和OC阈值之间的相关性的信息,请参阅表2。
表2中的值显示了给定电阻器的典型OC阈值。假设多个器件的OC_ADJ引脚上的电阻是固定的,则OC阈值测量中的器件间变化可能为20%。因此,此功能设计用于系统保护,而不是用于精确电流控制。

应该注意的是,一个正常工作的过电流检测器假设在功率级输出端存在一个合适的电感器或功率铁氧体磁珠。短路保护不能通过功率级输出引脚的直接短路来保证。
超温保护
DRV83x2有一个两级温度保护系统,当装置结温超过125℃(标称值)时,该装置会发出一个激活的低报警信号(OTW);如果装置结温超过150℃(标称值),则装置将进入热停堆状态,导致所有半桥输出设置为高阻抗(Hi-Z)状态,故障被断言为低。在这种情况下,OTSD被锁定,RESET_A、RESET_B和RESET_C必须被断言为低以清除闩锁。
欠压保护(UVP)和上电复位(POR)
DRV83x2的UVP和POR电路在任何通电/断电和断电情况下完全保护设备。通电时,POR电路复位过电流电路,并确保当GVDD U X和VDD电源电压达到9.8 V(典型值)时,所有电路都能完全工作。尽管GVDD U X和VDD是独立监测的,但任何VDD或GVDD_X引脚上的低于UVP阈值的电源电压降会导致所有半桥输出立即设置为高阻抗(Hi-Z)状态,故障被断言为低。当自举电容器上的所有电源电压都高于UVP阈值时,设备自动恢复运行。
装置复位
提供三个复位引脚用于半桥A、B和C的独立控制。当reset Ux被断言为低时,半桥X中的两个功率级FET被强制进入高阻抗(Hi-Z)状态。
复位输入上的上升沿过渡允许设备在停机故障后恢复运行。也就是说,当半桥X在CBC模式下OC关闭时,RESET UX引脚的低到高转换将清除故障和故障引脚。当OTSD或OC在闭锁模式下关闭时,所有三个复位“A”、“B”和“C”都需要有一个从低到高的转换,以清除故障并重置故障信号。
设备功能模式
不同的运行模式
DRV83x2支持两种不同的操作模式:
•三相(3PH)或三个半桥(HB),带CBC电流限制
•三相或三个半桥,OC闭锁关闭(无CBC电流限制)
因为每个半桥都有独立的电源和接地引脚,所以可以在PVDD到PVDD_X或GND_X到GND(接地层)之间插入一个并联感应电阻器。建议在PVDD和PVDD_X之间安装一个高侧并联电阻用于差分电流传感,因为低侧传感上的高偏压会影响器件的运行。如果必须使用低压侧感应,建议并联电阻值为10 mΩ或更小,或感应电压为100 mV或更低。
图8和图11显示了三相应用示例,图12显示了如何使用一些简单的逻辑连接到DRV83x2,以适应传统的6 PWM输入控制。
我们建议使用互补控制方案切换相位,以防止循环能量在相位内流动,并使限流功能始终有效。互补控制方案还要求电流始终流过感测电阻,从而使系统具有更好的电流感测和控制能力。
图13显示了带霍尔传感器控制的六步梯形方案,图14显示了无传感器控制的六步梯形方案。根据所用电机的不同,实际应用中的霍尔传感器序列可能与图13中显示的不同。请查阅电机制造数据表,了解应用程序的正确顺序。在六步梯形互补控制方案中,占空比大于50%的半桥为正电流,小于50%占空比的半桥为负电流。对于正常工作,将PWM占空比从50%更改为100%,将通过六步控制将电流从0调整到最大值。建议在较低侧的每个开关周期施加至少50 ns到100 ns的PWM脉冲,以正确地对自举阀盖进行充电。最小脉冲对低边场效应晶体管的影响很小,例如,在低边有100ns的最小脉冲时,最大占空比为99.9%。RESET UX引脚可用于使通道X进入高阻抗模式。如果您喜欢PWM切换一个通道,但保持另一个通道的低压侧FET处于打开状态(第三个通道处于Hi-Z),则建议使用OT闭锁关闭模式,以防止在CBC模式的OC事件期间,低侧FET打开的通道卡在Hi-Z中。
DRV83x2还可用于正弦波形控制和磁场定向控制。请查阅TI网站MCU电机控制库,了解控制算法。


应用与实施
注意
以下应用章节中的信息不是TI组件规范的一部分,TI不保证其准确性或完整性。TI的客户负责确定组件的适用性。客户应验证和测试其设计实现,以确认系统功能。
申请信息
DRV83x2设备通常用于驱动三相无刷直流电机。
典型应用
三相运行

设计要求
本节介绍设计注意事项。

详细设计程序
电机电压
无刷直流电动机通常额定电压一定。较高的电压通常具有使电流通过感应绕组变化更快的优点,这使得转速更高。较低的电压允许更精确地控制相电流。
12V电源电流要求
DRV83x2需要为GVDD和VDD引脚提供12伏电源。在室温下,总电源电流相当低(小于50毫安),但当器件温度过高(例如高于125°C)时,电流可能显著增加,特别是在重载条件下,这是由于12V保护环收集了衬底电流。因此,建议设计电流容量至少为负载电流5-10%且不低于100毫安的12V电源,以确保设备在所有温度范围内的性能。
去耦电容器电压
去耦电容器的电压应根据良好的设计实践进行选择。必须考虑温度、纹波电流和电压过冲。高频去耦电容器应采用X5R或更高额定值的陶瓷电容器。对于50 V应用,建议最小额定电压为63 V。
过电流阈值
在为OC_ADJ选择电阻值时,应考虑正常系统行为下允许的峰值电流、电阻器公差以及表2电流具有±10%公差的事实。例如,如果6A是所有正常行为中允许的最高系统电流,则具有10%公差的27kΩOC_ADJ电阻器是一个合理的选择,因为它会将OCTH设置为大约8A–12A。
感测电阻器
为了获得最佳性能,感测电阻器必须:
•表面安装
•低电感
•额定功率足够高
•靠近电机驱动器
感测电阻器消耗的功率等于IRMS2 x R。例如,如果峰值电机电流为3A,均方根电机电流为2A,并且使用0.05Ω感应电阻器,则电阻器将消耗2A2 x 0.05Ω=0.2W。随着电流水平的升高,功率迅速增加。
电阻器通常在某些环境温度范围内有一个额定功率,以及在高环境温度下的降额功率曲线。当一个PCB与其他发热元件共用时,应增加余量。最好是测量最终系统中的实际感测电阻温度,以及功率mosfet,因为它们通常是最热的元件。
由于功率电阻器比标准电阻器更大、更昂贵,因此通常在感测节点和接地之间并联使用多个标准电阻器。这样可以分配电流和散热。
输出电感选择
对于正常运行,电机中的电感(假设大于10μH)足以提供低di/dt输出(例如,EMI)和过载条件下的适当保护(CBC限流特性)。所以在正常工作时不需要额外的输出电感器。
然而,在短时间内,电机(或其他负载)可能短路,因此负载电感可能不再存在于系统中;短路状态下的电流可以达到如此高的水平,可能超过abs最大电流额定值,因为短路路径中的阻抗极低,在oc检测电路启动之前,di/dt很高。因此,建议使用DRV83x2中的短路保护功能的铁氧体磁珠或电感器。使用外部电感器或铁氧体磁珠,电流将以非常慢的速度上升,并在oc保护启动前达到较低的电流水平。然后,设备将运行CBC电流限制或OC自动关闭(当电流远高于电流限制阈值时),以保护系统。
对于空间有限的系统,可以用铁氧体磁珠代替电感器。铁氧体磁珠的额定电流必须高于系统正常运行时的均方根电流。不建议使用频率极高的铁氧体磁珠。建议在10 MHz或更低频率下,最小阻抗为10Ω或更高,以有效限制短路条件下的电流上升率。
TDK MPZ2012S300A和MPZ2012S101A(尺寸为0805英寸型号)已在我们的系统中进行测试,以满足DRV8312中的短路条件。但也可以使用其他具有类似频率特性的铁氧体磁珠。
对于更高功率的应用,例如在DRV8332中,选择具有高电流额定值的合适铁氧体磁珠的选项可能有限。如果找不到足够的铁素体磁珠,可以使用电感器。
电感可计算为:

其中:
•Toc_延迟=250 ns
•Ipeak=15 A(低于abs最大额定值)。
由于电感器在达到额定电流后通常很快饱和,因此建议使用双倍值的电感器或电流额定值远高于工作条件的电感器。
应用曲线

DRV8312三相运行应用图

采用常规6 PWM输入方案的控制信号逻辑

采用6步梯形方案的霍尔传感器控制

采用6步梯形方案的无传感器控制

电源建议
本体电容
具有合适的局部体积电容是电机驱动系统设计的一个重要因素。一般来说,有更多的体积电容是有益的,但缺点是成本和物理尺寸增加。
所需的本地电容量取决于多种因素,包括:
•电机系统所需的最高电流。
•电源的电容和提供电流的能力。
•电源和电机系统之间的寄生电感量。
•可接受的电压纹波。
•使用的电机类型(有刷直流、无刷直流、步进电机)。
•电机制动方法。
电源和电机驱动系统之间的电感会限制电源电流的变化率。如果局部大容量电容太小,系统将对过大的电流需求作出响应,或者随着电压的变化而从电机中卸载。当使用足够的大容量电容时,电机电压保持稳定,并能快速提供大电流。
数据表通常提供建议值,但需要进行系统级测试以确定适当尺寸的大容量电容器。

大容量电容器的额定电压应高于工作电压,以便在电机向电源传输能量时提供裕度。
系统上电和断电顺序
通电
DRV83x2不需要通电顺序。H桥的输出保持高阻抗状态,直到栅极驱动电源电压GVDD_X和VDD电压高于欠压保护(UVP)电压阈值(见本数据表的电气特性部分)。虽然不是特别需要,但建议在给设备通电时将RESET_A、RESET_B和RESET_C保持在低状态。这使得内部电路可以通过使半桥输出的微弱下拉而给外部自举电容器充电。
断电
DRV83x2不需要断电顺序。只要网关驱动电源(GVDD U X)电压和VDD电压高于UVP电压阈值(请参阅本数据表的电气特性部分),该设备仍将完全运行。虽然不是特别要求,但在断电期间保持RESET_a、RESET_B和RESET_C低是一个好的做法,以防止在此转换过程中出现任何未知状态。
系统设计建议
VREG引脚
VREG引脚用于内部逻辑,不应用作外部电路的电压源。VREG引脚上的电容器应连接到AGND。
VDD引脚
VDD管脚的瞬态电流明显高于通过VDD管脚的平均电流。应使用低电阻路径至GVDD。22-μF至47-μF电容器应放置在100 nF至1-μF去耦电容器旁边的VDD引脚上,以在瞬态期间提供恒定电压。
OTW销
OTW报告表明器件接近高结温。该信号可与单片机配合使用,在OTW较低时降低系统功率,防止OT在较高温度下停机。
3.3V逻辑不需要外部上拉电阻或3.3V电源。OTW引脚有一个连接到内部3.3V的内部上拉电阻器,以减少外部组件的数量。对于5V逻辑,需要一个5V的外部上拉电阻器。
故障引脚
故障引脚报告导致设备关闭的任何故障情况。3.3V逻辑不需要外部上拉电阻或3.3V电源。故障引脚有一个连接到内部3.3V的内部上拉电阻器,以减少外部元件的数量。对于5V逻辑,需要一个5V的外部上拉电阻器。
OC_ADJ引脚
为了精确控制过流保护,OC_ADJ引脚必须通过OC调节电阻器连接到AGND。
PWM引脚和复位引脚
建议在不使用时将这些引脚连接到AGND或GND,这些引脚只支持3.3V逻辑。
模式选择引脚
模式选择引脚(M1、M2和M3)应连接到VREG(逻辑高)或AGND(逻辑低)。如果AGND和GND之间使用1Ω电阻,则不建议将模式引脚连接到板接地。
布局
布局指南
PCB材料建议
•建议使用FR-4玻璃环氧材料,顶层和底层均含2盎司铜,以提高热性能(更好的散热性)和更低的噪声敏感性(较低的PCB迹线电感)。
接地层
•由于这些设备的功率水平,建议对整个系统/板使用一个不间断的大接地层。
•可在PCB底层轻松制作接地板。
•为了尽量减少接地痕迹的阻抗和电感,接地引脚的迹线在通过通孔连接到底部接地层之前应尽可能短和宽。
•建议使用多个过孔,以降低过孔的阻抗。尽量清理设备周围的空间,尤其是底部PCB侧,以改善热扩散。
去耦电容器
•高频去耦电容器(100 nF)应放置在靠近PVDD U X管脚的位置,并具有短接地回路,以将PCB线路上的电感降至最低。
AGND
•AGND是逻辑信号的局部内部接地。建议在GND和AGND之间连接一个1Ω的电阻,以隔离从板接地到AGND的噪声。
•还有另外两个组件连接到本地接地:VREG到AGND之间的0.1-μF电容器,OC_adj和AGND之间的Roc_adj电阻器。
•VREG的电容器应放置在靠近VREG和AGND引脚的位置,并且无需通孔连接。
布局示例
电流分流电阻器
•如果电流并联电阻器连接在GND U X到GND或PVDD_X到PVDD之间,确保每个GND_X或PVDD_X引脚只有一条单独的路径连接到并联电阻器,并且每个感测路径上的路径短且对称,以将因轨迹上附加电阻而产生的测量误差降至最低。
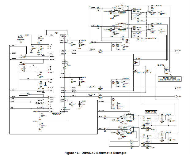
图16、图17和图18显示了DRV8312的原理图和PCB布局示例。


T1:PVDD去耦电容器C37、C43和C46应放置在非常靠近PVDD_X引脚和接地回路的地方。
T2:VREG去耦电容器C33应放置在非常靠近VREG abd AGND引脚的位置。
T3:尽量清理设备上下空间,以提高热扩散。
T4:增加多个通孔,以降低通过顶部到底部的接地路径的阻抗。尽可能宽地跟踪地面路径,如GND_X路径。
图17:印刷电路板——顶层

B1:不要堵塞底部的传热通道。尽可能多的清理空间,以便更好地散热。
图18:印刷电路板-底层
热注意事项
DRV8332附带的热增强封装设计为使用中间的热界面化合物(即北极银陶瓷、TIMTronics 413等)直接与散热器连接。然后,散热器从集成电路中吸收热量并将其耦合到局部空气中。将散热器连接到PCB板上的系统接地也是一个很好的做法,以减少接地噪声。
RθJA是从接头到环境空气的系统热阻。因此,它是一个包含以下组件的系统参数:
•RθJA(从接头到外壳的热阻,或在本例中为功率垫或热段塞)
•热油耐热性
•散热器热电阻
润滑脂热阻可根据暴露的功率垫或热段塞面积和导热脂制造商的面积热阻(以°C-in2/W或°C-mm2/W表示)。外露热段塞的近似尺寸如下:

热垫的热阻被认为高于薄的热润滑脂层,因此不建议使用。热胶带的热阻甚至更高,根本不应使用。散热片热阻由散热器供应商预测,使用连续流动动力学(CFD)模型建模或测量。
因此,系统RθJA=RθJA+导热脂阻力+散热片阻力。
热通孔设计建议
DRV8312的热垫安装在器件的底部,以提高器件的热性能。为了提供数据表中规定的功率,热焊盘必须焊接在PCB上,覆盖范围非常好。下图显示了DRV8312建议的热通孔和焊环图案设计。有关更多信息,请参阅TI应用报告、PowerPad Make Easy(SLMA004)和PowerPad布局指南(SLOA120)。

安芯科创是一家国内芯片代理和国外品牌分销的综合服务商,公司提供芯片ic选型、蓝牙WIFI模组、进口芯片替换国产降成本等解决方案,可承接项目开发,以及元器件一站式采购服务,类型有运放芯片、电源芯片、MO芯片、蓝牙芯片、MCU芯片、二极管、三极管、电阻、电容、连接器、电感、继电器、晶振、蓝牙模组、WI模组及各类模组等电子元器件销售。(关于元器件价格请咨询在线客服黄经理:15382911663)
代理分销品牌有:ADI_亚德诺半导体/ALTBRA_阿尔特拉/BARROT_百瑞互联/BORN_伯恩半导体/BROADCHIP_广芯电子/COREBAI_芯佰微/DK_东科半导体/HDSC_华大半导体/holychip_芯圣/HUATECH_华泰/INFINEON_英飞凌/INTEL_英特尔/ISSI/LATTICE_莱迪思/maplesemi_美浦森/MICROCHIP_微芯/MS_瑞盟/NATION_国民技术/NEXPERIA_安世半导体/NXP_恩智浦/Panasonic_松下电器/RENESAS_瑞莎/SAMSUNG_三星/ST_意法半导体/TD_TECHCODE美国泰德半导体/TI_德州仪器/VISHAY_威世/XILINX_赛灵思/芯唐微电子等等
免责声明:部分图文来源网络,文章内容仅供参考,不构成投资建议,若内容有误或涉及侵权可联系删除。
Copyright © 2002-2023 深圳市安芯科创科技有限公司 版权所有 备案号:粤ICP备2023092210号-1