特征
•双极输出:高达±16V
•单极输出:0V至+20V
•16位单调
•相对精度:最大1 LSB
•低零点和增益误差
–用户校准前:4 LSB
–用户Ca之后振动:0.125 LSB零误差,1 LSB增益误差
•低噪声:60nV/√Hz
•沉降时间:6μs
•可配置增益:x2/x4
•模拟输出监视器
•断电模式
•SPI™:高达50MHz,1.8V/3V/5V逻辑
•菊花链模式
•工作温度:-40°C至+105°C
•包装:QFN-40(6x6mm)、TQFP-48(7x7mm)
应用
•自动测试设备
•仪表
•工业过程控制
•通信
说明
DAC8734是一种高精度、四通道、16位数模转换器(DAC),在双极输出模式下,可在±5V至±18V的电源电压范围内工作,在单极模式下可从±5V至+24V/-12V工作模式。与作为一个5V基准,DAC8734可配置为输出±10V、±5V、0V至20V或0V至10V。DAC8734提供16位单调性,在-40°C到+105°C的工作温度范围内,优良的积分非线性(INL)误差为±1 LSB、低故障和低噪声。该设备在生产中进行了微调,以获得非常低的零点和增益误差。此外,DAC8734实现用户可编程系统级校准功能,以实现±0.125 LSB零误差和±1 LSB增益误差。
DAC8734具有集成的参考缓冲器和输出缓冲器。它具有一个标准的高速1.8V、3V或5V串行外围接口(SPI),其工作时钟频率高达50MHz,可与DSP或微处理器进行通信。四个DAC通道和辅助寄存器用四个地址位寻址。该设备具有双缓冲接口逻辑,可同时更新所有DAC。异步负载输入(LDAC)将数据从输入数据寄存器传输到DAC锁存器,DAC锁存器的内容设置输出电压。异步RST输入将所有四个DAC的输出设置为0V。VMON引脚是一个模拟监视器输出,多路复用单个DAC输出或AIN引脚。
DAC8734与DAC8234(14位)和DAC7716(12位)引脚兼容。

功能框图

典型特征













操作理论
DAC体系结构
DAC8734是一个高度集成的四通道16位电压输出DAC,具有内部参考缓冲器和输出缓冲器。每个通道由一个R-2R梯形结构组成,其中三个MSB分段,然后是一个运算放大器,如图41所示。DAC8734具有高阻抗、缓冲参考输入;参考缓冲器的输出驱动R-2R梯形图。输出缓冲器的设计允许用户进行可配置的调整,为DAC8734提供四种不同的输出电压范围设置。经过生产调试,该装置具有优良的直流精度和交流性能。

频道组
四个DAC信道被分成两组(A和B),每组有两个信道。A组由DAC-0和DAC-1组成,B组由DAC-2和DAC-3组成。A组的两个DAC通道从REF-A获得参考电压,B组的DAC通道从REF-B获得参考电压。
零误差和增益误差的用户校准
DAC8734实现用户校准功能,允许微调系统增益和零误差。每个DAC通道都有一个增益寄存器和零寄存器,并且根据相应寄存器的值校准DAC输出。增益调整范围通常为满标度的±0.195%,每级1 LSB。零代码调整通常为满量程的±0.0488%,每级0.125 LSB。增益寄存器和零寄存器的输入数据格式是两个补码。详见表9和表10。
如果不需要系统级校准,则这些寄存器应在通电时保持各自的默认值(0000h)。
模拟输出的传输函数(VOUT-0到VOUT-3)
对于双极输出:

其中:
增益为DAC增益,可设置为x2或x4,由引脚RFB1-x和RFB2-x到VOUT-x,以及命令寄存器中的增益位。
INPUT U CODE是写入DAC输入寄存器的代码的十进制等效值。
ZERO_CODE是写入零寄存器的代码的十进制等效值。
GAIN_CODE是写入增益寄存器的代码的十进制等效值。
注意输出电压不得大于(AVDD–1.0V)或小于(AVSS+1.0V);否则,输出可能饱和。
输入数据格式
对于双极输出操作,输入_代码总是两个补码,可以接受-32768到32767之间的值。
对于单极输出操作,输入代码始终是直接二进制的,可以接受0到65535之间的值。
GAIN_代码始终采用twos补码格式,可以接受-128到+127之间的值。
ZERO_代码始终是two-s补码格式,可以接受-256到+255之间的值。
写入命令寄存器和监视器寄存器的数据按照定义中的规定写入。对于读取操作,回读数据格式与用于写入设备的格式相同。有关详细信息,请参阅内部寄存器部分。
输出范围
DAC8734的每个通道实现一个输出放大器,该输出放大器提供增益为2或4的单极输出或双极输出。输出量程等于增益乘以参考电压。对于5V参考,输出范围可配置为±10V、±5V、0V至20V或0V至10V。UNI/BIP引脚的状态决定了每组的输出模式(单极或双极)。当UNI/BIP-A引脚高时,A组(DAC-0和DAC-1)的输出为单极;当引脚较低时,A组的输出为双极性。同样,UNI/BIP-B引脚定义B组(DAC-2和DAC-3)的输出模式。
每个单独的DAC可以配置为增益4或增益2。要设置增益=4,请在RFB2-x保持打开的情况下将RFB1-x连接到VOUT-x,并在命令寄存器中将该通道的增益位设置为“1”。要设置增益=2,请将RFB1-x和RFB2-x连接到VOUT-x,并将该通道的增益位设置为“0”。在通电或复位时,命令寄存器中的增益位默认设置为“1”,如果增益=2,则必须清除为“0”。
请注意,电源必须满足以下要求:
•AVDD不得大于24V或小于4.75V,且AVSS不得大于–4.75V或小于–18V。在任何情况下,(AVDD–AVSS)≤36V。
•对于双极模式:AVDD≥2×VREF+1V,且AVSS≤–2×VREF–1V。
对于极性模式,≤1Vref–1Vref,≤1Vref。
例如,对于双极性操作中的5V参考电压,无论输出范围是±5V还是±10V,最小电源必须至少为±11V。对于具有相同基准的单极操作,电源必须至少为±11V(对于0V至10V操作),以及+21V/–11V(对于0V至+20V操作)。
更新DAC输出
DAC8734有一个双缓冲接口,每个通道由两个寄存器组组成:输入寄存器和DAC锁存器。数字代码在有效写入序列完成后从SPI移位寄存器传输到寻址信道输入寄存器。DAC闩锁包含电阻器R-2R梯形图使用的数字代码。DAC锁存器的内容定义了DAC的输出。可以单独或同时更新DAC输出。DAC8734仅在自上次LDAC引脚降低或命令寄存器中的LD位设置为“1”后被访问的情况下才更新DAC闩锁,从而消除任何不必要的故障。未被访问的DAC信道不会被重新加载,并且输出值保持不变。
单个DAC通道更新
在这种模式下,LDAC引脚保持在低位,而CS引脚处于低位,数据被时钟送入SPI移位寄存器。在数据传输到移位寄存器的最后,CS引脚被调高。此操作同时更新寻址输入数据寄存器和相应的DAC锁存寄存器。DAC锁存寄存器控制R-2R开关;因此,DAC锁存寄存器的更新更新相应的DAC信道模拟输出。
同时更新多个DAC通道
在这种模式下,LDAC引脚保持高电平,而CS引脚处于低电平,数据被时钟送入SPI移位寄存器。在数据传输到移位寄存器的最后,CS引脚被调高。此操作仅更新寻址输入数据寄存器;它不更新DAC锁存寄存器或更改输出。当模拟数据在寄存器中被写入寄存器时,LDC的数据在寄存器中被写入“低”的时候。
硬件复位
当RST引脚低时,设备处于硬件复位状态。所有模拟输出(VOUT-0至VOUT-3)、输入寄存器和DAC锁存器均设置为表1所示的重置值。所有寄存器都加载默认值。通信被禁用,SDI、CS和SCLK引脚上的信号被忽略。在RST引脚的上升沿,模拟输出(VOUT-0至VOUT-3)保持重置值(0V),直到编程新值。在RST引脚变高后,设备恢复正常运行。注意,复位后,命令寄存器中增益位的默认值为“1”。对于增益=2,增益位必须清除为“0”。

将命令寄存器中的第一位设置为“1”将执行软件重置,这在功能上与硬件重置相同。重置完成后,第一位自动返回“0”。
上电复位
通电时,输入数据寄存器和DAC锁存器加载UNI/BIP引脚定义的值(见表1)。所有其他寄存器都加载默认值。通电后,VOUT引脚的输出设置为0V。
模拟输出监视器引脚(VMON)
VMON引脚是模拟输出监视器。模拟输出监视器功能包括一个通过串行接口寻址的模拟多路复用器,允许四个信道输出中的一个或AIN输入路由到此管脚进行监控。监视器功能由监视器寄存器控制,允许启用或禁用监视输出。当所有多路复用器通道被禁用时,监视器输出是高阻抗的;因此,几个监视器输出可以并行连接,一次只能连接一个。表5显示了与监视器功能相关的设置。
注意,多路复用器被实现为一系列模拟开关。应注意确保来自VMON引脚的最大电流不得大于给定规格,因为这种情况可能会导致大量电流从多路复用器的输入(即,从VOUT-x或AIN)流向多路复用器(VMON)的输出。此外,VMON引脚输出阻抗约为2.2kΩ;因此,应使用高阻抗输入测量VMON。
断电模式
DAC8734实现了组断电功能,以在某些通道空闲时降低功耗。当命令寄存器中的断电位(PD-A和/或PD-B)设置为“1”时,相应的组进入断电状态。在断电期间,该组的参考缓冲器和输出缓冲器断电,相应的模拟输出通过一个内部10kΩ电阻器设置为0V至AGND。内部寄存器的内容不变,总线接口保持活动状态,以便继续通信并从主机控制器接收命令。任何内部寄存器都可以读写。主机控制器可以通过清除命令寄存器中的断电位(PD-A和/或PD-B),将设备从断电模式唤醒并返回到正常工作模式。恢复大约在50微秒内完成。
电源排序
为了确保DAC8734的正确初始化,必须在AVSS和AVDD之前应用数字电源(DVDD和IOVDD)和逻辑输入(UNI/BIP-x)。此外,AVSS必须在AVDD之前应用,除非两者可以同时提升。REF-x应在AVDD出现后应用,以确保ESD保护电路不会打开。
通用输入/输出引脚(GPIO-0,-1)
GPIO-0和GPIO-1引脚是通用的、双向的、数字输入/输出(I/O)信号,如图42所示。这些引脚可以接收输入或产生输出。当GPIO-n引脚作为输出时,它有一个开路漏极,状态由命令寄存器的相应GPIO-n位决定。当GPIO-n位设置为“1”时,输出状态为高阻抗;当GPIO-n位被清除(“0”)时,输出状态为逻辑低。注意,当使用GPIO-n引脚作为输出时,需要一个10kΩ的上拉电阻器。
要使用GPIO-n引脚作为输入,命令寄存器中的GPIO-n位必须设置为“1”。当GPIO-n管脚作为输入时,通过读取GPIO-n位来获取管脚上的数字值。
上电复位或任何强制硬件或软件复位后,所有GPIO-n位都设置为“1”,GPIO-n引脚进入高阻抗状态。

串行接口
DAC8734通过一个通用的三线串行接口控制,该接口以高达50MHz的时钟频率工作,并与SPI、QSPI兼容™,微丝™,和DSP™ 标准。
SPI移位寄存器
SPI移位寄存器的宽度为24位。在串行时钟输入SCLK的控制下,数据首先作为24位字加载到设备MSB中。CS的下降沿开始通信循环。当CS较低时,数据被锁存到SCLK下降沿的SPI移位寄存器中。当CS高时,SCLK被阻塞,SDI被忽略,SDO线路处于高阻抗状态。SPI移位寄存器的内容被加载到CS上升沿的寻址内部寄存器中。SPI移位寄存器由一个读/写位、四个寄存器地址位、16个数据位和三个保留位组成,如表2所示。此操作的时间安排在“时序图”部分中显示。当设备被加载时,命令被解码,新的数据被传输到适当的数据寄存器中。
串行接口可用于连续和非连续串行时钟。连续SCLK源只能在CS保持在低时钟周期数的情况下使用。在门控时钟模式下,必须使用一个包含精确时钟周期数的突发时钟,并且必须在最后一个时钟之后取较高的CS以锁存数据。
单机操作
CS的第一个下降沿开始运行循环。在CS再次回到高位之前,必须应用24个时钟下降沿。如果CS在第24个SCLK下降边缘之前升高,则忽略数据。如果在CS变高之前应用了超过24个SCLK下降边,则考虑最后24位。寻址内部寄存器从CS上升沿的移位寄存器更新。为了进行另一次串行传输,必须再次将CS调低。
当数据被传输到寻址的DAC的所选寄存器时,所有的DAC锁存器和模拟输出都可以通过LDAC引脚低或在命令寄存器中设置LD位来更新。
菊花链操作
对于包含多个设备的系统,SDO引脚可用于菊花链多个设备在一起。菊花链操作可用于系统诊断和减少串行接口线的数量。注意,在菊花链操作开始之前,必须通过清除命令寄存器(DSDO='0')中的SDO disable位来启用SDO引脚。默认情况下,该位在上电或复位后被清除。CS的第一个下降沿开始运行循环。当CS较低时,SCLK连续应用于输入移位寄存器。如果施加的时钟脉冲超过24个,则数据会从移位寄存器中波动出来,并出现在SDO线路上。这些上升沿和下降沿上的数据都是有效的。通过将第一个设备的SDO输出连接到链中下一个设备的SDI输入,构造了一个多设备接口。系统中的每个设备需要24个时钟脉冲。因此,时钟周期的总数必须等于24×N,其中N是链中dac8734的总数。当所有设备的串行传输完成时,CS取高值。此操作将数据从SPI移位寄存器锁存到菊花链中每个设备的设备输入寄存器中,并防止任何进一步的数据被时钟输入。
回读操作
READ命令用于启动回读操作。但是,在开始回读操作之前,必须通过清除命令寄存器中的DSDO位(DSDO='0')启用SDO pin;默认情况下清除该位。然后通过执行一个Read命令(R/W bit='1';见表2)来启动回读操作。读取命令中的位A3到A0选择要读取的寄存器。命令中剩余的数据是无所谓位。在下一个SPI操作期间,出现在SDO输出上的数据来自先前寻址的寄存器。对于单个寄存器的读取,可以使用NOP命令从SDO上的所选寄存器中时钟输出数据。如果发出多个读取命令,则可以读取多个寄存器。图43中的readback图显示了读回序列。回读数据格式与用于写入设备的格式相同。

申请信息
基本操作
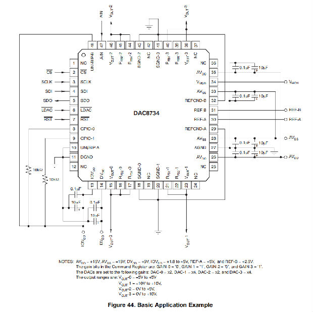
DAC8734是一种高度集成的器件,具有高性能的参考缓冲器和输出缓冲器,大大减少了印刷电路板(PCB)的面积和成本。片上参考缓冲器消除了对负外部基准的需要。可配置的片上输出缓冲器支持四种不同的输出模式。图44显示了DAC8734的基本应用程序。

用户零点和增益校准
在生产过程中,DAC8734在标称工作条件下进行了微调,使其具有非常低的增益误差和偏移误差。然而,为了修剪在其他操作条件下或由信号链中的其他组件引入的偏移和增益误差,DAC8734具有针对每个DAC信道的用户零点和增益数字校准特性。图45和图46分别说明了在单极输出和双极输出配置中DAC8734的零点和增益校准关系。

系统调零示例
在20V输出范围内,DAC8734零点校准功能可将系统偏移误差降至0.00019%FSR或38μV。总调节范围约为FSR的±0.0488%,或20V输出量程的±9.7mV。
假设DAC的满标度范围为20V,从信号链中消除的偏移误差为–1mV,则步长=0.0000019×20V=38μV。

其中Offset_Error是要更正的偏移误差值。
在本例中,调零步骤数=1mV/38μV≈26。因此,零寄存器应使用26=0 0001 1010的两个补码进行编码。
假设要消除的偏移误差为+1mV,则零点校准的步数为-26的两个补码等价物,即111010110。
系统增益调整示例
在20V输出范围内,DAC8734增益校准功能可将系统增益误差降至0.001525%FSR或305μV。总调节范围约为±0.195%FSR,或在20V输出量程上为-39mV至+38.7mV。
假设DAC的满标度范围为20V,从信号链中消除的增益误差为–10mV,则步长=0.00001525×20V=305μV。

其中Gain_Error是要校正的增益误差值。
在本例中,增益校准的步骤数=10mV/305μV≈33。因此,增益寄存器应使用33=0010 0001的两个补码进行编码。
假设要消除的增益误差为+10mV,则增益校准的步数是–33的两个补位当量,即1101111。
布置及接地
精确的模拟电路需要仔细的布局,足够的旁路电容器,以及干净、调节良好的电源,以获得最佳的直流和交流性能。仔细考虑电源和接地回路布局有助于确保额定性能。
PCB的设计必须使模拟和数字部分分开,并限制在电路板的某些区域内。快速开关信号,如时钟,必须用数字接地屏蔽,以避免辐射噪声到电路板的其他部分,并且决不能在参考输入附近运行。重要的是尽量减少参考输入的噪声,因为它耦合到DAC输出。避免数字和模拟信号交叉。电路板两侧的迹线必须彼此成直角。这种配置减少了线路板上的馈通效应。可以考虑微带技术,但在双面板上并不总是可行的。在这种技术中,电路板的元件侧专用于接地平面,信号迹线被放置在焊料侧。
DGND是数字电流的返回路径,AGND是DAC的模拟电源地。为了获得最佳的交流性能,应注意将电阻极低的DGND和AGND连接回电源接地。如果多个设备需要AGND到DGND连接,则只能在一个点进行连接。星形接地点必须尽可能靠近设备。每个DAC都有一个接地引脚(SGND-x),必须在低阻抗路径中直接连接到相应的参考接地,以获得最佳性能。SGND-0和SGND-1必须连接到REFGND-A,SGND-2和SGND-3必须连接到REFGND-B。为了防止路径上的电压降影响器件的线性度和增益性能,该跟踪电阻必须非常小。参考接地引脚REFGND-A和REFGND-B必须连接到模拟接地AGND。
电源噪声
DAC8734应具有1μF至10μF的充足电源旁路,每个电源上的0.1μF并联,位置应尽可能靠近封装;理想情况下,应放置在设备旁边。1μF至10μF电容器必须为钽珠型。0.1μF电容器必须具有低有效串联电阻(ESR)和低有效串联电感(ESI),如普通陶瓷类型,它们在高频下提供低阻抗接地路径,以处理由于内部逻辑开关而产生的瞬态电流。电源线必须使用尽可能宽的迹线,以提供低阻抗路径,并减少故障对电源线的影响。除此之外,AVDD、AVSS、DVD和IOVDD电源上的宽带噪声应在输入DAC之前进行过滤,以获得最佳的噪声性能。
精密电压基准选择
为了使DAC8734在其整个工作温度范围内达到最佳性能,必须使用精密基准电压。应考虑选择精密基准电压。DAC8734有两个参考输入,REF-A和REF-B。应用于参考输入的电压用于为DAC核心提供缓冲的正参考和负参考。因此,电压基准中的任何误差都会反映在设备的输出中。在为高精度应用选择电压基准时,有四个可能的误差源要考虑:初始精度、输出电压的温度系数、长期漂移和输出电压噪声。外部基准输出电压的初始精度误差会导致DAC中的满标度误差。因此,为了最小化这些误差,首选具有低初始精度误差规范的基准。长期漂移是测量参考输出电压随时间漂移的程度。具有严格的长期漂移规范的引用可确保整个解决方案在其整个生命周期内保持相对稳定。参考输出电压的温度系数影响INL、DNL、增益误差和零误差。选择一个具有严格温度系数规格的基准,以减少DAC输出电压对环境条件的依赖性。在噪声预算相对较低的高精度应用中,必须考虑参考输出电压噪声。选择一个输出噪声电压尽可能低的基准,以满足所需的系统分辨率是很重要的。精密电压基准,如TI REF50xx(2V至5V)和REF32xx(1.25V至4V),提供低漂移和高精度参考电压。
安芯科创是一家国内芯片代理和国外品牌分销的综合服务商,公司提供芯片ic选型、蓝牙WIFI模组、进口芯片替换国产降成本等解决方案,可承接项目开发,以及元器件一站式采购服务,类型有运放芯片、电源芯片、MO芯片、蓝牙芯片、MCU芯片、二极管、三极管、电阻、电容、连接器、电感、继电器、晶振、蓝牙模组、WI模组及各类模组等电子元器件销售。(关于元器件价格请咨询在线客服黄经理:15382911663)
代理分销品牌有:ADI_亚德诺半导体/ALTBRA_阿尔特拉/BARROT_百瑞互联/BORN_伯恩半导体/BROADCHIP_广芯电子/COREBAI_芯佰微/DK_东科半导体/HDSC_华大半导体/holychip_芯圣/HUATECH_华泰/INFINEON_英飞凌/INTEL_英特尔/ISSI/LATTICE_莱迪思/maplesemi_美浦森/MICROCHIP_微芯/MS_瑞盟/NATION_国民技术/NEXPERIA_安世半导体/NXP_恩智浦/Panasonic_松下电器/RENESAS_瑞莎/SAMSUNG_三星/ST_意法半导体/TD_TECHCODE美国泰德半导体/TI_德州仪器/VISHAY_威世/XILINX_赛灵思/芯唐微电子等等
免责声明:部分图文来源网络,文章内容仅供参考,不构成投资建议,若内容有误或涉及侵权可联系删除。
Copyright © 2002-2023 深圳市安芯科创科技有限公司 版权所有 备案号:粤ICP备2023092210号-1