特征
•适合汽车应用
•是高效充电器设计的理想选择单电池、双电池或三电池锂离子和锂-聚合物电池组
•也适用于LiFePO4电池(参见使用bq24105为LiFePO4电池充电)
•集成同步固定频率脉宽调制控制器工作在1.1兆赫占空比为0%至100%
•充电率高达2安培的集成功率场效应晶体管
•高精度电压电流调节
•独立(内置充电管理和控制)版本
•LED或主机处理器的状态输出接口指示正在充电,充电完成、故障和交流适配器存在条件
•20-V最大额定电压输入和输出别针
•高压侧蓄电池电流感应
•电池温度监测
•低功耗的自动休眠模式
•反向漏电保护防止电池放电
•热关机和保护
•内置电池检测
•提供20针,3.5 mm×4.5 mm,QFN封装
说明
BQ切换器™ 该系列是高度集成的锂离子和锂聚合物开关模式电荷管理设备,针对广泛的便携式应用。BQ切换器™ 该系列提供集成的同步PWM控制器和功率场效应晶体管,高精度电流和电压调节,充电预处理,充电状态,和充电终端,在一个小,热增强QFN封装。
BQ开关分三个阶段给电池充电:调节、恒流和恒压。根据用户可选择的最小电流水平终止充电。可编程充电定时器为充电终止提供安全备份。如果电池电压低于内部阈值,BQ切换器会自动重新启动充电循环。当VCC电源断开时,BQ切换器自动进入休眠模式。

典型应用电路

典型运行性能


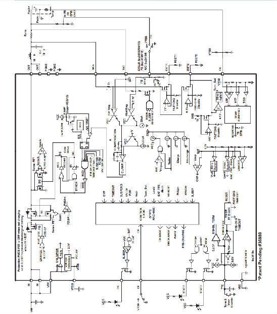
功能框图

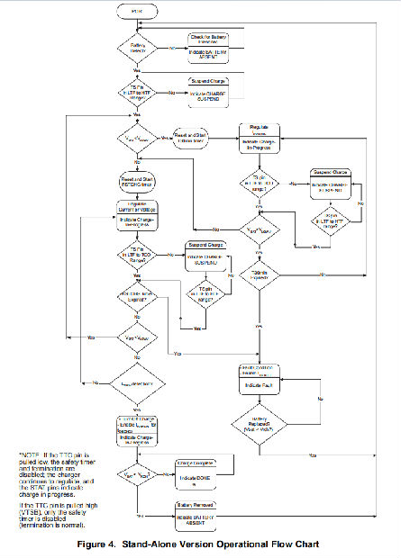
操作流程图

详细说明
BQ切换器™ 支持用于单电池、双电池或三电池应用的精密锂离子或锂聚合物充电系统。典型的电荷分布见图4。

PWM控制器
提供241MHz集成充电电压调节功能。这种类型的控制器用于帮助改善线路瞬态响应,从而简化用于连续和不连续电流传导操作的补偿网络。电压和电流回路采用III型补偿方案进行内部补偿,该方案为稳定运行提供足够的相位升压,允许使用ESR非常低的小型陶瓷电容器。PWM斜坡底部有一个0.5伏的偏移量,允许设备在0%到100%的占空比之间工作。
内部PWM门驱动器可以直接控制PMOS和NMOS功率mosfet。高压侧栅极电压从VCC(关断时)到VCC–6(当接通且VCC大于6 V时),通过将栅极电压提高到标准5V以上,有助于降低转换器的传导损耗。低侧栅极电压从6 V波动到打开NMOS,再到PGND关闭NMO。bq24105在高压侧有两个背靠背公共漏极P-MOSFET。输入P-MOSFET防止电池放电时,IN低于BAT。第二个P-MOSFET表现为开关控制FET,不需要自举电容器。
通过内部高侧感测场效应晶体管(FET)感测循环电流限制。阈值设置为标称3.6A峰值电流。同步侧或同步侧的FET是否也有低电流限制。此阈值设置为100mA,在电流反向之前关闭低侧NMOS,防止电池放电。当低边场效应晶体管的电流大于100毫安时,采用同步操作,以尽量减少功率损耗。
温度鉴定
BQ切换器通过测量TS引脚和VSS引脚之间的电压来持续监控电池温度。负温度系数热敏电阻(NTC)和外部分压器通常产生这种电压。BQ切换器将此电压与内部阈值进行比较,以确定是否允许充电。要启动充电循环,电池温度必须在V(LTF)-V(HTF)阈值范围内。如果电池温度超出此范围,BQ切换器将暂停充电并等待,直到电池温度在V(LTF)-V(HTF)范围内。在充电周期(预充电和快速充电)期间,电池温度必须在V(LTF)-V(TCO)阈值范围内。如果电池温度超出此范围,BQ切换器将暂停充电并等待,直到电池温度在V(LTF)-V(HTF)范围内。BQ切换器通过关闭PWM并保持定时器值(即,在暂停状态下计时器不复位)来暂停充电。注意,外部电阻分压器的偏置来自VTSB输出。在TS引脚上施加V(LTF)-V(HTF)阈值之间的恒定电压将禁用温度感应功能。


蓄电池预处理(预充电)
通电时,如果电池电压低于VLOWV阈值,BQ切换器向电池施加预充电电流IPRECHG。这一特性使深放电的细胞复活。在调节阶段,BQ切换器启动安全定时器tPRECHG。如果在定时器时间内未达到VLOWV阈值,BQ切换器将关闭充电器并在STATx引脚上显示故障。在故障情况下,BQ切换器将电流减小至IDETECT。IDETECT用于检测电池更换情况。通过POR或更换电池清除故障。
预充电电流IO(PRECHG)的大小由连接到ISET2引脚的编程电阻器R(ISET2)的值决定。

其中:
RSNS是外部电流检测电阻器
V(ISET2)是ISET2引脚的输出电压
K(ISET2)是V/A增益因子
V(ISET2)和K(ISET2)在电气特性表中规定。
电池充电电流
通过设置连接到ISET1引脚的外部检测电阻器R(SNS)和电阻器R(ISET1),确定蓄电池充电电流IO(充电)。
为了设置电流,首先选择R(SNS)基于该电阻的调节阈值VIREG。当VIREG在100 mV和200 mV之间时,达到最佳精度。

如果结果不是标准的感应电阻值,请选择下一个较大的值。使用选定的标准值,求解VIREG。一旦选择了感测电阻,可使用以下方程式计算ISET1电阻器:

电池电压调节
电压调节反馈通过BAT引脚产生。该输入直接连接到电池组的正极。BQ切换器监控BAT和VSS引脚之间的电池组电压。
输出调节电压规定为:

其中R1和R2分别是从BAT到FB和FB到VSS的电阻分压器。
充电阈值电压规定为:

充电终止和充电
在充电阶段,BQ对充电电压进行监控。一旦检测到终止阈值ITERM,bqSWITCHER将终止充电。终端电流电平由连接到ISET2引脚的编程电阻器R(ISET2)的值来选择。

其中:
R(SNS)是外部电流检测电阻器
VTERM是ISET2引脚的输出
K(ISET2)是A/V增益系数
VTERM和K(ISET2)在电气特性表中指定
作为安全备份,BQ切换器还提供了一个可编程的充电计时器。充电时间由连接在TTC引脚和GND之间的电容器值按以下公式编程:

其中:
C(TTC)是连接到TTC引脚的电容器
K(TTC)是乘数
当检测到以下情况之一时,将启动新的充电循环:
•电池电压低于VRCH阈值。
•上电复位(POR),如果电池电压低于VRCH阈值
•CE开关
•TTC引脚,如下所述。
为了禁用充电终止和安全定时器,用户可以将TTC输入拉到VTTC_EN阈值以下。超过此阈值将启用终止和安全计时器功能,并重置计时器。捆绑TTC高仅禁用安全计时器。
睡眠模式
如果从电路中移除VCC引脚,BQ切换器进入低功耗休眠模式。此功能可防止在没有VCC的情况下耗尽电池电量。
充电状态输出
开路漏极STAT1和STAT2输出指示各种充电器操作,如表1所示。这些状态引脚可用于驱动LED或与主机处理器通信。注意,关表示开漏晶体管关闭。

PG输出
漏极开路PG(电源良好)指示何时存在AC-to-DC适配器(即VCC)。当检测到休眠模式退出阈值VSLP-exit时,输出打开。此输出在睡眠模式下关闭。PG引脚可用于驱动LED或与主机处理器通信。
CE输入(充电启用)
CE数字输入用于禁用或启用充电过程。A-C引脚充电电平高,并禁用此信号。此引脚上的高到低转换也会重置所有计时器和故障条件。注意,CE引脚不能拉高到VTSB电压。这可能会导致通电问题。
定时器故障恢复
如图6所示,bqSWITCHER提供了一种恢复方法来处理计时器故障情况。下面对这种方法进行了总结。
条件1:VI(BAT)高于充电阈值(VOREG-VRCH)并且发生超时故障。
恢复方法:bqSWITCHER等待电池电压低于充电阈值。这可能是由于蓄电池负载、自放电或蓄电池拆卸造成的。一旦电池低于充电阈值,BQ切换器将清除故障并进入电池缺失检测程序。POR或CE开关也可清除故障。
条件2:充电电压低于充电阈值(VOREG–VRCH),发生超时故障
恢复方法:在这种情况下,bqSWITCHER应用IDETECT电流。此小电流用于检测蓄电池拆卸情况,只要蓄电池电压保持在充电阈值以下,该电流就会保持接通。如果电池电压高于充电阈值,则BQ切换器将禁用IDETECT电流,并执行条件1中所述的恢复方法。一旦电池低于充电阈值,BQ切换器将清除故障并进入电池缺失检测程序。POR或CE开关也可清除故障。
输出过压保护
bq开关提供了一个内置的过电压保护,以保护设备和其他组件免受损坏,如果电池电压过高,如当电池突然卸下。当检测到过压情况时,此功能将关闭PWM和STATx引脚。一旦VIBAT降至充电阈值(VOREG–VRCH),故障即被清除。
电感器、电容器和感测电阻器选择指南
BQ切换器提供内部回路补偿。在这种方案下,当LC谐振频率fo约为16khz(8khz~32khz)时,稳定性最好。公式9可用于计算输出电感和电容的值。表3总结了各种收费率的典型组成值。


电池检测
对于使用可拆卸电池组的应用,bqSWITCHER提供了电池缺失检测方案,以可靠地检测电池组的插入和/或移除。

快速充电后,电池充电后,电池针脚处的电压保持在电池充电阈值(VOREG–VRCH)以上。当BAT引脚上的电压下降到充电阈值时,无论是由于电池负载还是由于电池移除,BQ切换器开始电池缺失检测测试。该测试包括启用检测电流IDISCHARGE1一段时间,并检查蓄电池电压是否低于短路阈值VSHORT。在此之后,尾流IWAKE将持续一段时间,并再次检查蓄电池电压,以确保其高于充电阈值。此电流的作用是试图关闭开路的电池组保护器(如果其中一个连接到BQ切换器)。
通过放电和充电测试表明STAT引脚处存在电池缺失故障。任何一个测试失败都会启动新的充电循环。在没有电池的情况下,电池引脚上的电压通常会在0V和VOVP阈值之间无限地上升和下降。

电池检测示例
在以下放电条件下,电池的放电量不应超过最大值:
a、 放电(IDISCHRG1=400μa,tDISCHRG1=1s,VSHORT=2V):

b、 尾流(IWAKE=2mA,tWAKE=0.5s,VOREG-VRCH=4.1V):

根据这些计算,为确保电池检测方案的正常运行,建议的最大输出电容为100μF,这将允许工艺和温度变化。
图9显示了插入电池时的电池检测方案。通道3是输出信号,通道4是输出电流。输出信号在VOREG和GND之间切换,直到插入电池。一旦检测到蓄电池,输出电流将从0A增加到1.3A,这是此应用程序的编程充电电流。

图10显示了移除电池时的电池检测方案。通道3是输出信号,通道4是输出电流。当电池被取下时,由于电感器中储存的能量,输出信号会上升,并且会超过VOREG–VRCH阈值。此时输出电流为0A,IC终止充电过程,并为tDISCHG2打开IDISCHG2。这会导致输出电压降至VOREG–VRCHG阈值以下,从而触发电池缺电情况并启动电池检测方案。

电流检测放大器
提供了一种电流检测放大器功能,将充电电流转换为直流电压。图11是这个特性的框图。

ISET2引脚上的电压可用于计算充电电流。式12显示了ISET2电压和充电电流之间的关系:

此功能可用于在电流调节阶段(仅限快速充电)和电压调节阶段监测充电电流(图12)。该波形的应用电路示意图如图14所示。

BQ交换机系统设计实例
以下部分提供了bq24100的详细系统设计示例。
系统设计规范:
•VIN=16V
•VBAT=4.2V(1芯)
•ICHARGE=1.33安培
•IPRECHARGE=ITERM=133毫安
•安全计时器=5小时
•电感器纹波电流=快速充电电流的30%
•初始装料温度=0°C至45°C
1、确定指定充电电流纹波的电感器值(LOUT):

将输出电感器设置为标准10μH。使用10μH电感器计算总纹波电流:

计算最大输出电流(峰值电流):

使用饱和电流大于1.471A的标准10μH电感器(即Sumida CDRH74-100)。
2、使用16 kHz作为谐振频率确定输出电容值(OUT):

使用标准值10μF,25V,X5R,±20%陶瓷电容器(即松下1206 ECJ-3YB1E106M
3、 使用以下公式确定感测电阻:

为了获得更好的电流调节精度(±10%),将VRSN设置在100 mV到200 mV之间。使用VRSNS=100 mV并计算感测电阻器的值。

这个值不是电阻的标准值。如果发生这种情况,则选择下一个较大的值,在本例中为0.1Ω。使用相同的方程式(15),实际VRSN为133mV。计算上的功耗感测电阻器:

选择标准值100 mΩ、0.25W 0805、1206或2010尺寸、高精度感应电阻器。(即Vishay CRCW1210-0R10F)
4、 使用以下公式确定ISET 1电阻器:

选择标准值7.5 kΩ,1/16W±1%电阻器(即Vishay CRCWD0603-7501-F)。
5、 使用以下公式确定ISET 2电阻器:

选择标准值7.5 kΩ,1/16W±1%电阻器(即Vishay CRCWD0603-7501-F)。
6、 使用以下公式确定5.0小时安全计时器的TTC电容器(TTC):

选择标准值100nF,16V,X7R,±10%陶瓷电容器(即松下ECJ-1VB1C104K)。使用该电容器,实际安全计时器为4.3小时。
7、 确定工作温度范围为0°C至45°C的TS电阻网络。

假设电池组上有一个103AT NTC热敏电阻,使用以下方程式确定RT1和RT2的值:

申请信息
在不影响蓄电池充电和端接的情况下对蓄电池和供电系统进行充电。

BQ切换器被设计成一个独立的电池充电器,但是可以很容易地适应为系统负载供电,同时考虑一些小问题。
优势:
1.充电器控制器仅基于通过电流感应电阻器的电流(因此预充电、恒流和终端都能正常工作),不受系统负载的影响。
2.输入电压已从输入端转换成有效的系统电压。
3.不需要额外的外部fet来将电源切换到电池。
4.TTC引脚可以接地,以禁用终端并保持转换器运行和电池充满电,或者让切换器在电池充满时终止,然后通过感应电阻器耗尽电池。
其他问题:
1.如果系统负载电流较大(≥1A),电池阻抗上的IR下降会导致电池电压降至刷新阈值以下并开始新的充电。充电器会因充电电流过低而终止。因此,充电器将在充电和终止之间循环。如果负载较小,电池将不得不放电到刷新阈值,从而导致更慢的循环。注意,接地的TTC引脚保持转换器持续运行。
2.如果TTC接地,则蓄电池电压保持在4.2 V(与使充满电的蓄电池处于空载状态没有太大区别)。
3.当通过感测电阻向系统放电时,效率下降2-3%。
用bq24105对LiFePO4电池充电
LiFePO4电池具有许多独特的特性,如高的热失控温度、放电电流能力和充电电流。这些特殊的特性使得它在许多应用中都很有吸引力,比如电动工具。建议充电电压为3.6v,终止电流为50ma。图15显示了使用bq24105为单电池LiFePO4充电的应用电路。充电电压为3.6v,充电电压为3.516v。快速充电电流设置为1.33a,终止电流为50ma。这种电路可以很容易地改变,以支持两个或三个单元的应用。然而,调节设定值和可充电阈值之间只有84 mV的差异,使得它在小负载电流下频繁进入充电模式。这可以通过降低充电电压阈值到200毫伏来解决,以便在电池再次进入充电模式之前释放出更多的能量。更多详情请参阅应用报告,使用bq24105/25为LiFePO4电池(SLUA443)充电。充电阈值应根据实际应用情况选择。

切换器封装在热增强型MLP封装中。该封装包括一个热垫,用于在IC和印刷电路板(PCB)之间提供有效的热接触。本包装的完整PCB设计指南在题为:QFN/SON PCB附件(SLUA271)的应用报告中提供。
封装热性能最常见的测量方法是从芯片结到封装表面(环境)周围空气的热阻抗(θJA)。θJA的数学表达式为:

其中:
TJ=芯片结温度
TA=环境温度
P=设备功耗
影响θJA测量和计算的因素有:
•设备是否安装在板上
•迹线尺寸、成分、厚度和几何形状
•设备方向(水平或垂直)
•被测设备周围的环境空气体积和气流
•其他表面是否靠近被测设备
器件的功耗P是内部功率场效应晶体管的电荷率和电压降的函数。可根据以下公式计算:
P=[Vin×lin-Vbat×Ibat]
由于锂xx电池的充电模式,最大功耗通常出现在充电周期开始时,当电池电压处于最低时。(见图5。)
PCB布局考虑
要特别注意PCB布局。以下提供了一些指导原则:
•为了获得最佳性能,从输入端连接到PGND的电源输入电容器应尽可能靠近BQ切换器。输出电感器应直接放置在集成电路的正上方,输出电容器连接在电感器和集成电路的PGND之间。其目的是最小化从OUT引脚到LC滤波器再回到GND引脚的电流路径回路面积。感测电阻应靠近电感和输出电容的交界处。将连接在R(SNS)上的检测引线布线回IC,彼此靠近(最小化回路面积)或在相邻层上彼此重叠(不要通过高电流路径布线检测引线)。如果使用长(感应)蓄电池引线,则在感应电阻器下游使用可选电容器。
•将所有小信号组件(CTTC、RSET1/2和TS)放在其各自的IC引脚附近(不要放置组件,以免布线中断功率级电流)。所有小的控制信号应远离大电流路径。
•PCB应具有一个接地平面(回路),通过通孔直接连接到所有元件的回路(功率级电容器每个电容器三个通孔,IC PGND的三个通孔,小信号元件的每个电容器一个通孔)。星-地设计方法通常用于保持电路块电流隔离(大功率/低功率小信号),从而减少噪声耦合和接地反弹问题。一个单一的地面设计结果很好。由于这种小的布局和单一的接地平面,不存在地面反弹问题,并且将组件分离,使信号之间的耦合最小化。
•输入和输出引脚的高电流充电路径的尺寸必须适合最大充电电流,以避免这些线路中的电压降。PGND引脚应连接到接地平面,以通过内部低侧FET返回电流。集成电路电源板中的热通孔™ 提供返回路径连接。
•BQ切换器封装在热增强型MLP封装中。该封装包括一个热垫,用于在IC和PCB之间提供有效的热接触。本包装的完整PCB设计指南在题为:QFN/SON PCB附件(SLUA271)的应用报告中提供。6个10-13密耳通孔是建议的最小数量的过孔,放置在IC的电源板上,将其连接到PWB另一侧的接地热平面。该平面的电位必须与该IC的VSS和PGND相同。
•有关良好布局的示例,请参阅用户指南SLU200。
波形:所有波形均在Lout(IC Out引脚)处采集。VIN=7.6 V,电池设置为2.6 V、3.5 V和4.2 V三种波形。当转换器的顶部开关打开时,波形为~7.5 V,关闭时,波形接近地面。请注意,开关边上的振铃很小。这是由于紧凑的布局(最小化回路面积)、屏蔽电感器(闭合铁芯)和使用低感应范围接地线(即,与最小回路短路)。

预充电:预充电时电流很低;因此,底部同步FET在其最短接通时间后关闭,这解释了≉0V和-0.5V之间的阶跃。当底部FET和顶部FET关闭时,电流通过底部FET的体二极管,导致二极管降到地电位以下。最初的负尖峰是底部场效应晶体管开启的延迟,这是为了防止顶部场效应晶体管关闭时的击穿电流。

快速充电:这是在恒流阶段捕获的。这两个负尖峰是在顶部和底部fet之间切换时短暂延迟的结果。先断后合动作可防止电流击穿,并在断开时间内导致体二极管降至地电位以下。

电压调节和接近终止时的充电:注意,此波形与预充电波形相似。不同的是,蓄电池电压较高,因此占空比略高。底部场效应晶体管保持更长的时间,因为有更多的电流负载比预充电期间;它需要更长的时间,使电感电流缓降到电流阈值,同步场效应管被禁用。
安芯科创是一家国内芯片代理和国外品牌分销的综合服务商,公司提供芯片ic选型、蓝牙WIFI模组、进口芯片替换国产降成本等解决方案,可承接项目开发,以及元器件一站式采购服务,类型有运放芯片、电源芯片、MO芯片、蓝牙芯片、MCU芯片、二极管、三极管、电阻、电容、连接器、电感、继电器、晶振、蓝牙模组、WI模组及各类模组等电子元器件销售。(关于元器件价格请咨询在线客服黄经理:15382911663)
代理分销品牌有:ADI_亚德诺半导体/ALTBRA_阿尔特拉/BARROT_百瑞互联/BORN_伯恩半导体/BROADCHIP_广芯电子/COREBAI_芯佰微/DK_东科半导体/HDSC_华大半导体/holychip_芯圣/HUATECH_华泰/INFINEON_英飞凌/INTEL_英特尔/ISSI/LATTICE_莱迪思/maplesemi_美浦森/MICROCHIP_微芯/MS_瑞盟/NATION_国民技术/NEXPERIA_安世半导体/NXP_恩智浦/Panasonic_松下电器/RENESAS_瑞莎/SAMSUNG_三星/ST_意法半导体/TD_TECHCODE美国泰德半导体/TI_德州仪器/VISHAY_威世/XILINX_赛灵思/芯唐微电子等等
免责声明:部分图文来源网络,文章内容仅供参考,不构成投资建议,若内容有误或涉及侵权可联系删除。
Copyright © 2002-2023 深圳市安芯科创科技有限公司 版权所有 备案号:粤ICP备2023092210号-1