特征
●电源:+2.7V至+5.5V
●微功率运行:5伏时为950微安
●16位单调超温
●沉降时间:10μs至±0.003%FSR
●超低交流串扰:–100dB典型值
●上电复位至零刻度
●具有轨对轨操作的片上输出缓冲放大器
●双缓冲输入架构
●同步或顺序输出更新和断电
●16频道广播能力
●施密特触发输入
●TSSOP-16包
应用
●便携式仪表
●闭环伺服控制
●过程控制
●数据采集系统
●可编程衰减
●PC外围设备
说明
DAC8534是一个四通道,16位数模转换器(DAC),提供低功耗操作和灵活的串行主机接口。每个片上精密输出放大器允许在2.7V至5.5V的供电范围内实现轨对轨输出摆动。该设备支持标准的3线串行接口,能够在IOVDD=5V时输入数据时钟频率高达30MHz。
DAC8534需要外部参考电压来设置每个DAC通道的输出范围。该装置还包括一个通电复位电路,该电路可确保DAC在零刻度下输出加电,并保持在那里直到发生有效的写入。DAC8534提供每通道断电功能,通过串行接口访问,将5V时每个通道的电流消耗降低到200nA。
该设备在正常运行时的低功耗使其非常适合便携式电池供电设备和其他低功耗应用。5V时功耗为5mW,在断电模式下,功耗降至4μW。
DAC8534采用TSSOP-16封装,其规定工作温度范围为-40°C至+105°C。

串行写入操作

典型特征
TA=+25°C时,除非另有说明。












操作理论
DAC部分
DAC8534的每个通道的结构由一个电阻串DAC和一个输出缓冲放大器组成。图1显示了DAC架构的简化框图。

每个设备的输入编码为单极性直二进制,因此理想输出电压由以下公式给出:

其中D=加载到DAC寄存器的二进制代码的十进制等效值;它的范围从0到65535。
VOUTX指信道A或通过D。
电阻串
电阻串部分如图2所示。它只是一个除以2的电阻器后面跟着一串电阻器。加载到DAC寄存器中的代码确定在串上的哪个节点上电压被分接。然后,通过关闭将串连接到放大器的开关之一,将该电压施加到输出放大器上。
输出放大器
每个输出缓冲放大器能够在其输出上产生轨道环行电压,其输出范围接近0V至AVDD(必须考虑增益和偏移误差)。每个缓冲器能够驱动2kΩ的负载,并将1000pF的负载传输至GND。输出放大器的源极和陷波能力可以从典型特性中看出。
串行接口
DAC8534使用与SPI兼容的3线串行接口(同步、SCLK和DIN)™,QSPI™,和微丝™ 接口标准,以及大多数DSP。有关典型写入顺序的示例,请参阅串行写入操作时序图。

写入顺序从同步线的低电平开始。来自DIN线的数据被时钟送入SCLK每个下降沿的24位移位寄存器。串行时钟频率可高达30MHz,使DAC8534与高速DSP兼容。在串行时钟的第24下降沿上,最后一个数据位被记录到移位寄存器中,移位寄存器被锁定。进一步的时钟不会改变移位寄存器数据。一旦24位被锁定到移位寄存器中,8MSB用作控制位,16LSB用作数据。在接收到第24个时钟下降沿后,DAC8534对8个控制位和16个数据位进行解码以执行所需的功能,而无需等待同步上升沿。一个新的SPI序列从SYNC的下一个下降沿开始。在24位序列完成之前,同步上升沿会重置SPI接口;不会发生数据传输。
在这一点上,同步线可以保持在较低的水平,也可以保持在较高的水平。在任何一种情况下,从24号坠落的最短延迟时间必须满足SCLK边缘到下一个下降同步边缘,才能正确开始下一个循环。为确保设备的最低功耗,应注意数字输入电平尽可能接近每根导轨。(有关“电源电流与逻辑输入电压”传输特性曲线,请参阅“典型特性”部分。)
IOVDD和电压转换器
IOVDD引脚为DAC8534的数字输入结构供电。对于单电源操作,可与AVDD连接。对于双电源操作,IOVDD引脚为各种CMOS逻辑系列提供了接口灵活性,并应连接到系统的逻辑电源。DAC8534的模拟电路和内部逻辑使用AVDD作为电源电压。外部逻辑高输入通过电平移位器转换成AVDD。这些电平移位器使用IOVDD电压作为参考,将输入逻辑高电平转换为AVDD。无论AVDD电压如何,IOVDD都能在2.7V到5.5V的电压范围内工作,这确保了与各种逻辑系列的兼容性。虽然规定为2.7V,但IOVDD将在低至1.8V的电压下工作,时间和温度性能下降。为了降低功耗,逻辑VIH电平应尽可能接近IOVDD,逻辑VIL电平应尽可能接近GND电压。
输入移位寄存器
DAC8534的输入移位寄存器(SR)为24位宽,如图3所示,由8个控制位(DB16-DB23)和16个数据位(DB0-DB15)组成。前两个控制位(DB22和DB23)是地址匹配位。DAC8534提供了额外的硬件支持寻址能力,允许单个主机通过一个SPI总线与最多四个DAC8534通信,而无需任何粘合逻辑,从而实现多达16个通道的操作。DB23的状态应该与pina1的状态相匹配;同样,DB22的状态应该与pina0的状态匹配。如果不匹配,DAC8534将忽略控制命令和数据(DB21…DB0)。也就是说,如果没有匹配项,则不寻址DAC8534。地址匹配可以被广播更新覆盖,如下所述。
ld1(DB20)和ld0(DB21)用指定的16位数据值或断电命令控制每个模拟输出的更新。位DB19是一个“不关心”位,它不影响DAC8534的操作,可以是1或0。DAC通道选择位(DB17、DB18)控制从DAC A到DAC D的数据(或断电命令)的目的地。最终控制位PD0(DB16)选择DAC8534通道的断电模式。
DAC8534还支持许多不同的加载命令。加载命令包括广播命令,以寻址SPI总线上的所有dac8534。加载命令可以总结如下:
DB21=0和DB20=0:单通道存储。与DB18和DB17选择的DAC相对应的临时寄存器(数据缓冲区)用SR数据(或断电)的内容进行更新。
DB21=0和DB20=1:单通道更新。与DB18和DB17选择的DAC相对应的临时寄存器和DAC寄存器用SR数据(或断电)的内容进行更新。
DB21=1和DB20=0:同步更新。DB18和DB17选择的一个通道用SR数据更新,同时,所有其他通道都用先前存储的数据更新(或断电)。
DB21=1和DB20=1:广播更新。不管地址匹配与否,SPI总线上的所有dac8534都会响应。如果DB18=0,则SR数据将被忽略,来自所有DAC8534的所有通道都将使用先前存储的数据进行更新(或断电)。如果DB18=1,则SR data(或断电)更新系统中所有DAC8534的所有通道。此广播更新功能允许同时更新多达16个频道。
断电/数据选择如下:
DB16是一个断电标志。如果设置了此标志,则DB15和DB14选择表I中所述的设备的四种断电模式之一。如果DB16=1,则DB15和DB14不再代表数据的两个MSB,它们代表表I中描述的断电条件。与数据类似,断电条件可以存储在每个DAC的临时寄存器中。可以使用数据、断电或两者的组合来同时更新dac。
更多信息请参考表二。

同步中断
在正常写入序列中,同步线在SCLK的至少24个下降沿保持低电平,并且在第24个下降沿更新寻址的DAC寄存器。但是,如果同步在第24个下降沿之前升高,它充当写入序列的中断;移位寄存器复位,写入序列被丢弃。数据缓冲区内容、DAC寄存器内容的更新和操作模式的更改都不会发生(参见图4)。
上电复位
DAC8534包含上电复位电路,在通电期间控制输出电压。通电时,DAC寄存器充满零,输出电压设置为零刻度;它们保持在那里,直到对相应的DAC通道发出有效的写入序列和加载命令。这在设备通电过程中了解每个DAC输出的输出状态很重要的应用程序中非常有用。在设备通电之前,不应将设备引脚调高。
断电模式
使用DAC8534的四种操作模式。通过在移位寄存器中设置三位(PD2、PD1和PD0)并对dac执行“加载”操作,可以访问这些模式。DAC8534提供了一个基于通道寄存器操作的非常灵活的断电接口。通道由带断电电路的单16位DAC、临时存储寄存器(TR)和DAC寄存器(DR)。TR和DR都是18位宽的。16位和16位TR和DR一样,可以临时存储16位和16位的数据。内部电路确保当DB16=1时,DB15和DB14被传输到TR17和TR16(DR17和DR16)。



DAC8534将断电条件视为数据,所有操作模式对断电仍然有效。可以向系统中的所有dac8534广播掉电条件,或者可以在更新其他信道上的数据的同时同时关闭信道。
DB16、DB15和DB14=100表示所选信道的Hi-Z输出阻抗的断电条件。111也是如此。101表示输出阻抗为1k的断电条件,110表示输出阻抗为100k的断电条件。
当两个位都设置为0或1时,设备进入高阻抗状态,5V时的典型功耗为3pA。然而,对于两种低阻抗输出模式,电源电流在5V时降至100nA(3V时为50nA)。不仅电源电流下降,而且输出级也在内部从放大器的输出切换到已知值的电阻网络。这有一个优点,即在断电模式下,设备的输出阻抗是已知的。断电有三种不同的选择:输出通过1kΩ电阻、100kΩ电阻内部连接到GND,或者保持开路(高阻抗)。输出阶段如图5所示。
当电源关闭模式激活时,所有模拟电路都会关闭。当PD0设置为0时,每个DAC将退出掉电,新数据被写入数据缓冲区,并且DAC信道接收到“加载”命令。对于AVDD=5V,退出断电的时间通常为2.5μs;对于AVDD=3V,退出断电的时间通常为5μs(请参见典型特性)。

LDAC功能
DAC8534提供软件和硬件同时更新功能。DAC8534双缓冲结构的设计使得每个DAC都可以输入新的数据,而不会干扰模拟输出。软件同步更新能力由Load 1(LD1)和Load 0(LD0)控制位控制。通过将Load 1设置为“1”,所有DAC寄存器将在第24时钟信号。当新的数据被输入到设备中时,所有的DAC输出都可以与时钟同步更新。
内部DAC寄存器是边缘触发的,而不是电平触发的,因此,当LDAC引脚信号从低到高转换时,当前在DAC输入寄存器中的数字字被锁存。此外,它允许在任何时候写入DAC输入寄存器;然后,可以通过LDAC引脚异步改变DAC输出电压。LDAC触发器只能在缓冲器通过软件正确更新后使用。如果只希望通过软件更新DAC输出,则必须将LDAC引脚永久性地系在低位。
微处理器接口
DAC8534至8051接口
DAC8534和典型的8051型微控制器之间的串行接口见图6。接口设置如下:8051的TXD驱动DAC8534的SCLK,RXD驱动设备的串行数据线。
同步信号来自8051端口上的位可编程引脚。在这种情况下,使用端口线P3.3。当数据要传输到DAC8534时,P3.3取低。8051以8位字节传输数据;因此在传输周期中只有8个时钟下降沿出现。为了将数据加载到DAC,在发送前8位之后,P3.3保持低位,然后启动第二个和第三个写入周期来传输剩余的数据。P3.3在第三个写入周期完成后取高。8051以首先显示LSB的格式输出串行数据,而DAC8534则要求其数据以MSB作为接收的第一位。因此,8051传输程序必须考虑到这一点,并根据需要“镜像”数据。

DAC8534到微线接口
图7显示了DAC8534和任何Microwire兼容设备之间的接口。串行数据在串行时钟的下降沿向外移位,并在CK信号的上升沿被时钟送入DAC8534。

DAC8534至68HC11接口
图8显示了DAC8534和68HC11微控制器之间的串行接口。68HC11的SCK驱动DAC8534的SCK,而MOSI输出驱动DAC的串行数据线。同步信号来自端口线(PC7),类似于8051图。

应配置68HC11,使其CPOL位为0,CPHA位为1。此配置使MOSI输出上显示的数据在SCLK下降沿上有效。当数据被传输到DAC时,同步线保持在低位(PC7)。来自68HC11的串行数据以8位字节传输,传输周期中只有8个时钟下降沿。(数据首先被发送到MSB。)为了将数据加载到DAC8534,在前8位被传输之后PC7保持低位,然后对DAC执行第二和第三串行写入操作。PC7在本程序结束时取高值。
DAC8534到TMS320 DSP接口
图9显示了DAC8534和TMS320数字信号处理器(DSP)之间的连接。一个DSP可以控制多达四个DAC8534,而无需任何接口逻辑。

应用
电流消耗
DAC8534通常在AVDD=5V时消耗250μA,在AVDD=3V时消耗225μA,包括参考电流消耗。如果VIH<<IOVDD,数字输入端可能会出现额外的电流消耗。对于最有效的电源操作,建议在DAC的数字输入端使用CMOS逻辑电平。
在断电模式下,每个通道的典型电流消耗为200nA。在向DAC发出断电命令后10 ms到20 ms的延迟时间通常足以使断电电流降至10μA以下。
驱动电阻和电容负载
DAC8534输出级能够驱动高达1000pF的负载,同时保持稳定。在偏移和增益误差范围内,当驱动电容性负载时,DAC8534可以操作轨对轨。2kΩ的电阻负载可由DAC8534驱动,同时实现1%的典型负载调节。当负载电阻降至2kΩ以下时,负载调节误差增大。当DAC的输出在电阻负载下被驱动到正轨时,每个AB类输出级的PMOS晶体管都可以进入线性区。当这种情况发生时,增加的红外电压降会恶化DAC的线性性能。这只发生在大约最高20毫伏的DAC的输出电压特性。如果在满量程(在电阻负载条件下)要求良好的线性,则施加到DAC8534的参考电压可以降低到施加到AVDD的电源电压以下,以消除这种情况。
串扰和交流性能
DAC8534体系结构为每个DAC通道使用单独的电阻串,以实现超低串扰性能。在相邻信道的满标度变化期间,在一个信道上看到的直流串扰通常小于0.5LSBs。测量到的交流串扰(对于在一个信道上产生的满标度1kHz正弦波输出,在另一个输出信道上测量)通常低于-100dB。此外,DAC8534可实现96dB SNR(信噪比)和65dB THD(总谐波失真)的典型交流性能,使DAC8534成为在4kHz或以下输出频率下要求高信噪比的应用的可靠选择。
输出电压稳定性
DAC8534具有良好的温度稳定性,在器件的指定温度范围内,典型的输出电压漂移为5ppm/°C。这使得每个通道的输出电压在±1°C的环境温度变化范围内保持在±25μV的范围内。
良好的电源抑制比(PSRR)性能将AVDD上出现的电源噪声从输出端降低到远低于10μV-s。结合良好的直流噪声性能和真正的16位差分线性度,DAC8534成为闭环控制应用的理想选择。
稳定时间和输出故障性能
对于输入处的全刻度代码更改,可在10μs内实现在DAC8534的16位精确范围内的稳定时间。最坏情况下,连续代码更改之间的设置时间通常小于2μs,使数字输入信号的更新率高达500ksps(将代码转换为代码)。DAC8534的高速串行接口是为了支持这些高更新率而设计的。
对于满标度输出振荡,当驱动200pF电容性负载时,每个DAC8534通道的输出级通常表现出小于100mV的过冲和下冲。由于代码到代码的转换没有跨越Nx4096代码边界,代码到代码的更改问题非常低。由于DAC8534的内部分段,在Nx4096代码边界的每个交叉处都会发生代码到代码的小故障。当N=15时,这些故障可能接近100nVs,但在~2μs内解决。
使用REF02作为DAC8534的电源
由于DAC8534需要极低的电源电流,一种可能的配置是使用REF02+5V精密参考电压,为DAC8534的电源输入和参考输入提供所需的电压,如图10所示。如果电源噪声很大或系统电源电压不是5V,这一点尤其有用。REF02将为DAC8534输出稳定的电源电压。当电流为855毫安时,也需要将电流输入到电流为855毫安的情况下,才需要将电流输入到电流为0.855毫安的情况下。所需的总典型电流(给定DAC输出上有5kΩ负载)为:

使用DAC8534的双极操作
DAC8534设计用于单电源操作,但使用图11中的电路也可以实现双极输出范围。所示电路的输出电压范围为±VREF。使用放大器(如OPA703)可以实现放大器输出端的轨对轨操作,如图11所示。

任何输入代码的输出电压计算如下:

其中D表示十进制输入代码(0–65535)。
VREF=5V,R1=R2=10kΩ:

输出电压范围为±5V,0000H对应于-5V输出,FFFFH对应于+5V输出。同样,使用VREF=2.5V,可以实现±2.5V的输出电压范围。
布局
一个精密的模拟元件需要仔细的布局,足够的旁路,以及干净、调节良好的电源。
DAC8534提供单电源操作,通常与数字逻辑、微控制器和,微处理器和数字信号处理器。设计中的数字逻辑越多,开关速度越高,就越难防止输出端出现数字噪声。
由于DAC8534的单接地引脚,所有回流(包括DAC的数字和模拟回路电流)必须流经一个单点。理想情况下,GND将直接连接到模拟接地层。该平面将与数字元件的接地连接分开,直到它们连接到系统的电源入口。
应用于AVDD的电源应调节良好,噪音低。开关电源和DC/DC变换器通常会在输出电压上产生高频故障或尖峰。此外,数字元件可以在其内部逻辑开关状态下产生类似的高频尖峰。这种噪声可以很容易地通过电源连接和模拟输出之间的各种路径耦合到DAC输出电压中。
与GND连接一样,AVDD应连接到与数字逻辑连接分离的正电源平面或迹线,直到它们在电源接入点连接。此外,强烈建议将1μF至10μF电容器与0.1μF旁路电容器并联。在某些情况下,可能需要额外的旁路,例如100μF的电解电容器,甚至是由电感器和电容器组成的“Pi”滤波器,它们的设计基本上都是低通滤波电源,消除高频噪声。
一条SPI总线上最多可以使用四个DAC8534设备,而无需任何粘合逻辑来创建高通道计数解决方案。在上使用多个DAC8534时,需要特别注意避免数字信号完整性问题同样的SPI总线。只要这些数字信号的上升时间大于任何两个DAC8534设备之间传播延迟的6倍,SYNC、SCLK和DIN线路的信号完整性就不会成为问题。标准印刷电路板的传播速度约为6英寸/纳秒。因此,如果数字信号上升时间为1ns,建议任何两个DAC8534设备之间的距离不超过1英寸。如果DAC8534s必须在PCB上离得更远,则应通过放置系列RESI来缩短信号上升时间-同步、SCLK和DIN线路驱动程序的TOR。如果任何两个DAC8534之间的最大距离必须是6英寸,则上升时间应减少到6纳秒,由数字驱动器上的串联电阻器和PCB上的总跟踪和输入电容组成的RC网络。
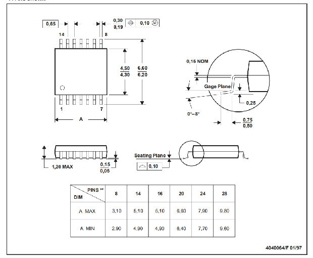
机械数据

注:A、所有线性尺寸单位均为毫米。
B、 本图纸如有更改,恕不另行通知。
C、 主体尺寸不包括不超过0.15的模具飞边或突出物。
D、 属于JEDEC MO-153。
安芯科创是一家国内芯片代理和国外品牌分销的综合服务商,公司提供芯片ic选型、蓝牙WIFI模组、进口芯片替换国产降成本等解决方案,可承接项目开发,以及元器件一站式采购服务,类型有运放芯片、电源芯片、MO芯片、蓝牙芯片、MCU芯片、二极管、三极管、电阻、电容、连接器、电感、继电器、晶振、蓝牙模组、WI模组及各类模组等电子元器件销售。(关于元器件价格请咨询在线客服黄经理:15382911663)
代理分销品牌有:ADI_亚德诺半导体/ALTBRA_阿尔特拉/BARROT_百瑞互联/BORN_伯恩半导体/BROADCHIP_广芯电子/COREBAI_芯佰微/DK_东科半导体/HDSC_华大半导体/holychip_芯圣/HUATECH_华泰/INFINEON_英飞凌/INTEL_英特尔/ISSI/LATTICE_莱迪思/maplesemi_美浦森/MICROCHIP_微芯/MS_瑞盟/NATION_国民技术/NEXPERIA_安世半导体/NXP_恩智浦/Panasonic_松下电器/RENESAS_瑞莎/SAMSUNG_三星/ST_意法半导体/TD_TECHCODE美国泰德半导体/TI_德州仪器/VISHAY_威世/XILINX_赛灵思/芯唐微电子等等
免责声明:部分图文来源网络,文章内容仅供参考,不构成投资建议,若内容有误或涉及侵权可联系删除。
Copyright © 2002-2023 深圳市安芯科创科技有限公司 版权所有 备案号:粤ICP备2023092210号-1