350MHz-8P●高输出电流:70mA●转换速率:2100V/μs,5Vp-p●差" />
特征
●带宽:350MHz-8p-ic/" title="350MHz-8P">350MHz-8P
●高输出电流:±70mA
●转换速率:2100V/μs,5Vp-p
●差分增益/相位:0.12%/0.05°
●低静态电流:±4mA
●低输入偏置电流:1.2μA
●上升时间:1.9ns,5Vp-p
●沉降时间:9ns,0.1%
应用
●广播/高清电视设备
●高速数字通信
●脉冲/射频放大器
●高速模拟信号处理
●线路驱动(50Ω,75Ω)
●配电放大器
●CRT输出级驱动器
●有源滤波器
说明
OPA623是一款电流反馈运算放大器,专为高分辨率视频、射频和中频电路以及通信设备等精密宽带系统而设计。
新的电路设计,加上复杂的双极工艺,在单片集成电路技术中实现了明显无法达到的性能。
电流反馈运放经过优化,具有宽频带、良好的脉冲响应、增益平坦度、低失真以及在±4mA的低静态电流下工作。
它在2.8Vp-p输出电压下提供350MHz的大信号带宽,以及2100V/μs的转换速率。在30MHz带宽上0.05dB的增益平坦度使其适合于HDTV设计。运算放大器的另一个特点是其高输出电流±70mA,使其能够在视频路由器、分配放大器、模拟和数字通信设备中将放大器用作线路驱动器时驱动两条后端接75Ω电缆。
OPA623的供电电压为±5V,专为扩展的工业温度范围(–40°C至+85°C)而设计,并提供塑料SO-8和8针塑料浸渍包。

引脚配置

输入保护
对于MOSFET器件来说,防止静电损伤的必要性早已被人们所认识,但是所有的半导体器件都应该受到这种潜在的破坏源的保护。OPA623集成了片内ESD保护二极管,如图1所示。这些二极管不需要外部保护二极管,这会增加电容并降低交流性能。
如图所示,OPA623的所有输入引脚都通过一对背靠背的反向偏置二极管对任一电源进行内部保护,以防静电放电。当输入电压超过任一电源约0.7V时,这些二极管开始导通。当信号源仍然存在时,放大器失去电源时,就会发生这种情况。二极管通常可以承受30mA的连续电流而不会损坏。然而,为了确保长期可靠性,二极管电流应尽可能从外部限制在10mA左右。
内部保护二极管的设计可承受2.5kV(使用人体模型),并将为大多数正常操作程序提供足够的ESD保护。然而,静态损坏可能会导致放大器输入特性的细微变化,而不一定会损坏设备。在精密放大器中,这种变化会显著降低偏移和漂移。因此,在处理OPA623时,强烈建议采取防静电措施。

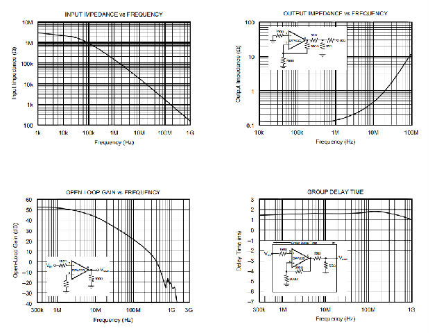
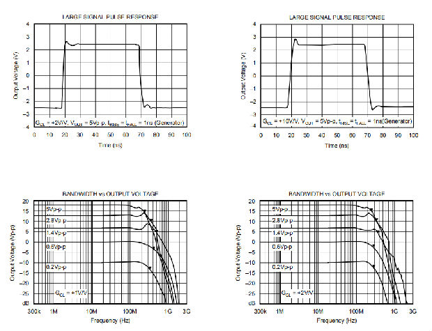
典型性能曲线
VCC=±5VDC,RL=100Ω,IQ=±4mA,RIN=150Ω,TAMB=+25°C,除非另有说明。








性能讨论
OPA623需要非常低的静态功率,通过使用电流反馈拓扑实现了其卓越的交流性能。这种宽带单片运算放大器是为高达20V/V的增益应用而设计的,在这里功率和成本是首要考虑的问题。
在±5V电源下工作,OPA623仅消耗40mW,但在VOUT=2.8Vp-p和2100V/μs转换率下保持350MHz的大信号带宽。得益于电流反馈结构,OPA623提供了稳定的运行,无需补偿电容,即使在单位增益。
OPA623在4.43MHz下具有0.12%和0.05°的低差分增益和相位误差,满足大容量广播和HDTV应用的性能和成本要求。
OPA623的大信号带宽、高转换率、出色的脉冲响应和高驱动能力非常适合于宽带RGB视频应用、RF仪器,甚至高速数字通信系统。
对于大多数电路配置,OPA623电流反馈运算放大器可以像传统运算放大器一样对待。与电压反馈运算放大器一样,与逆变输入相连的反馈网络控制闭环增益。但是对于电流反馈运算放大器,反馈网络的阻抗也控制开环增益和频率响应。可选择反馈电阻值,以在较宽的增益范围内提供几乎恒定的闭环带宽,并随频率进行平坦增益调整。
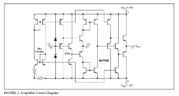
说明
宽带运算跨导放大器(OTA)和输出缓冲器是电流反馈运算放大器的主要模块。简化电路图如图2所示。OTA由一个互补的单位增益放大器和一个后续的电流镜组成。输入缓冲器连接在运算放大器的输入端。高阻抗+In端子上的电压以低阻抗传输到–In端子。电流镜将流入或流出+In端子的任何电流以固定比率反射到直接连接到互补输出缓冲器的高阻抗OTA输出。它被设计用来驱动低阻抗传输线或负载。缓冲器输出不受电流限制或保护。


如图3所示,电流形式的反馈通过R2施加到低阻抗逆变输入端,R2 | R1的大小决定了运算放大器的开环增益。
图4所示的混合模型描述了一个没有内部补偿的宽带电流反馈运算放大器的交流行为。图5所示的各种R2值的开环频率响应由两个时间常数确定。电流源输出和输出缓冲器之间的元件R和C构成了占主导地位的开环极点TC。在输出缓冲器中建模的信号延迟时间TD结合了几个小的相移时间常数和延迟时间。它们分布在放大器中,也存在于反馈回路中。如图5所示,增加R2 | | R1会导致开环增益降低。两个时间常数TC和TD的比值也决定了最佳闭环频率响应的乘积GOL•GCL:


然而,两个时间常数TC和TD是由运算放大器设计固定的。但是在反馈回路外部改变R2 | | R1允许开环增益GOL与闭环增益GCL的变化。这使乘积GOL*GCL保持恒定,这是最佳平坦频率响应的理论条件。
当驱动高容性负载时,这种变化可能是有益的。通过外部设置开环增益,还可以将电路优化到大范围的电容性负载,如图7所示,闭环增益为+2V/V,电容性负载高达47pF。
这里需要注意的是,较高的开环增益(由较低的反馈电阻产生)也会产生较低的失真。
通过对运算放大器开环特性的外部控制,动态行为可以根据具体应用需求进行调整,并且开环增益选择提供了几乎恒定的闭环带宽,如图6所示,各种增益具有最佳平坦频率响应。这种行为与内部补偿稳定单位增益操作的运算放大器相反,后者的带宽与闭环增益成反比,在高输出电平和高增益下,会大幅限制带宽和转换速率。
一般来说,较低的反馈电阻会产生更宽的带宽、更多的频率响应峰值和更多的脉冲响应超调。较高的反馈电阻会导致过阻尼响应,几乎或没有峰值和过冲。
元件管脚和布局电容以及来自谐振IC电路的迹线和线板电感会导致几百兆赫的振荡。这种非常高的频率振荡会导致电源电流的过度增加,从而破坏设备。
电阻(100Ω到250Ω)串联,接近高阻抗,非反相输入阻尼LC电路,产生安全运行。
热因素
OPA623在大多数环境下不需要散热器。不过,使用散热片会降低内部热升,从而使其更冷,运行更可靠。在极端温度和满载条件下,需要散热器。PDL中的功耗由PDL给出,功耗由PDL表示(PDL为静态功耗)。虽然PDQ非常低(在VCC=±5V时为40mW),但在应用信号时应小心。对于高速运算放大器,确定功耗的更精确方法是测量几种典型负载条件下的平均总静态电流。OPA623的功耗受信号类型、外加信号频率、输出电压、负载电阻和信号转换重复率的影响。图8显示了不同输出电压下平均电源电流与施加正弦波频率的关系。图9显示了平均电源电流与应用方波信号重复频率的关系。





电路布局
印刷电路板的物理布局对运算放大器OPA623的高频性能有很大的影响。以下是一些建议。振荡、振铃、低带宽、低带宽和峰值都是困扰高速组件使用不当的典型问题。
在高阻输入端增加一个100Ω的电阻,以防止过多的输入端振荡。
•旁路电源非常靠近设备引脚。将钽片式电容器(约2.2μF)与470pF陶瓷片式电容器并联使用。建议使用表面贴装式,因为它们的引线电感较低。虽然OPA623在低静态电流下工作,但在陡峭的过渡过程中,高充放电电流会流动。
•电源线的PC板迹线应宽,以减少阻抗和电感。
•制作短的低电感轨迹。整个物理电路应尽可能小。
•在组件侧使用低阻抗接地平面,以确保整个布局中都有低阻抗接地,但是,不要在高阻抗节点下延伸接地层,例如放大器的输入端子,这些节点对杂散电容敏感。
•不建议使用插座,因为它们会增加显著的电感和寄生电容。
•使用低电感、表面安装组件。使用OPA623AU表面安装元件的电路将提供最佳的交流性能。
•插入式原型板和绕线板无法正常工作。一个干净的布局使用射频技术是必要的没有捷径。
•使反馈轨迹尽可能短。逆变输入对导致频率响应峰值的杂散电容敏感。逆变输入端的杂散电容增加了高频下的增益。


应用程序信息
精确的脉冲响应和高转换率使OPA623能够用于数字通信系统。图12所示为增益为+2V/V的输出放大器的电路原理图,该放大器可驱动75Ω同轴电缆,高速数据流为140Mbit/s。图13为二进制0,图14为二进制1,显示了CCITT建议G.703的脉冲屏蔽和OPA623的相应脉冲响应。文件速率为139.264Mbit/s的信号编码为CMI,信号幅度为1Vp-p,振幅限值为±11dB。当然,OPA623也可以用于HDB3编码的34Mbit/s、155Mbit/s、STM-1和155Mbit/sbb-ISDN传输系统。


图13:根据CCITT建议G.703,对应于二进制0的脉冲屏蔽。
注:(1)、最大“稳态”振幅不应超过0.55V限值。如果超调和其他瞬态不超过0.05V,则允许超调和其他瞬态落入虚线区域,范围为振幅等级0.55V和0.6V。正在研究是否有可能放松超调量可能超过稳态水平。
(2)、 对于使用这些掩模进行的所有测量,应使用不小于0.01μF的电容器将信号交流耦合到用于测量的示波器输入端。两个掩模的标称零电平应与没有输入信号的示波器轨迹对齐。然后应用信号,可以调整迹线的垂直位置,以满足遮罩的限制。对于两个掩模,任何此类调整应相同,且不应超过±0.05V。可通过再次移除输入信号并验证迹线位于掩模标称零电平的±0.05V范围内进行检查。
(3)、 编码脉冲序列中的每个脉冲都应满足相关掩模的限制,而与前一脉冲和后一脉冲的状态无关。对于实际验证,如果与接口信号源相关联的139264kHz定时信号可用,则首选将其用作示波器的定时基准。否则,可分别通过all-0s和all-1s信号来测试是否符合相关掩码。(在实践中,信号可包含每个Rec.G.751的帧对齐位。)
(4)、 对于这些掩模,上升时间和衰减时间应在-0.4V和0.4V之间测量,且不应超过2ns。

图14:根据CCITT建议G.703,对应于二进制1的脉冲屏蔽。
注:(1)、“稳态”最大振幅不应超过0.55V限值。允许过冲和其他瞬态落入以0.55V和0.6V振幅水平为界的虚线区域,前提是它们不超过稳态水平0.05V。放松超调量超过稳态水平的可能性正在研究中。
(2) 、对于使用这些掩模进行的所有测量,应使用不小于0.01μF的电容器将信号交流耦合到用于测量的示波器输入端。两个掩模的标称零电平应与没有输入信号的示波器轨迹对齐。然后应用信号,可以调整迹线的垂直位置,以满足遮罩的限制。对于两个掩模,任何此类调整应相同,且不应超过±0.05V。可通过再次移除输入信号并验证迹线位于掩模标称零电平的±0.05V范围内进行检查。
(3)、 编码脉冲序列中的每个脉冲都应满足相关掩模的限制,而与前一脉冲和后一脉冲的状态无关。对于实际验证,如果与接口信号源相关联的139264kHz定时信号可用,则首选将其用作示波器的定时基准。否则,可分别通过all-0s和all-1s信号来测试是否符合相关掩码。(在实践中,信号可包含每个Rec.G.751的帧对齐位。)
(4)、 对于这些掩模,上升时间和衰减时间应在-0.4V和0.4V之间测量,且不应超过2ns。
(5)、 反向脉冲将具有相同的特性。注意,在负跃迁和正跃迁的零级定时公差分别为±0.1ns和±0.5n。


安芯科创是一家国内芯片代理和国外品牌分销的综合服务商,公司提供芯片ic选型、蓝牙WIFI模组、进口芯片替换国产降成本等解决方案,可承接项目开发,以及元器件一站式采购服务,类型有运放芯片、电源芯片、MO芯片、蓝牙芯片、MCU芯片、二极管、三极管、电阻、电容、连接器、电感、继电器、晶振、蓝牙模组、WI模组及各类模组等电子元器件销售。(关于元器件价格请咨询在线客服黄经理:15382911663)
代理分销品牌有:ADI_亚德诺半导体/ALTBRA_阿尔特拉/BARROT_百瑞互联/BORN_伯恩半导体/BROADCHIP_广芯电子/COREBAI_芯佰微/DK_东科半导体/HDSC_华大半导体/holychip_芯圣/HUATECH_华泰/INFINEON_英飞凌/INTEL_英特尔/ISSI/LATTICE_莱迪思/maplesemi_美浦森/MICROCHIP_微芯/MS_瑞盟/NATION_国民技术/NEXPERIA_安世半导体/NXP_恩智浦/Panasonic_松下电器/RENESAS_瑞莎/SAMSUNG_三星/ST_意法半导体/TD_TECHCODE美国泰德半导体/TI_德州仪器/VISHAY_威世/XILINX_赛灵思/芯唐微电子等等
免责声明:部分图文来源网络,文章内容仅供参考,不构成投资建议,若内容有误或涉及侵权可联系删除。
Copyright © 2002-2023 深圳市安芯科创科技有限公司 版权所有 备案号:粤ICP备2023092210号-1