功能描述
LP2957是一个5V微功率电压调节器2•5V输出,温度超过1.4%(a等级)带电子关机,错误标志,非常低
静态电流(1 mA负载下典型的150μA),以及易于编程,以实现快速启动/快速断开非常低的压降(250毫安时为470毫伏输出负载电流)。
确保250毫安的输出电流输出可以连接到快速启动/关闭操作
极低的静态电流消除了μP工作时的过渡电压状态
低可能是不可预测的。所需的输入输出电压
调节输出撬杆(50毫安典型下拉电流)将当调节器
关闭或当关闭功能启动时。
极为严格的线路和负荷调节
温度系数非常低,零件具有紧密的线和负载调节(0.04%典型值)和低输出温度系数(20•电流和热限制ppm/°C典型值)。
输出超出时的错误标志信号
调节5V输出的精度在室内得到保证温度超过全工作温度范围。
LP2957可用于五引线TO-220和DDPAK/TO-263包装。
应用
高效线性调节器
电池供电调节器

(1) 绝对最大额定值表示部件可能发生损坏的极限值。电气规格不适用在额定工作条件外操作设备时。
(2) 如果需要军用/航空航天专用设备,请联系德克萨斯仪器销售办事处/经销商,以获得规范。
(3) 最大允许功耗是最大结温T J的函数(MAX),与环境温度的交界处电阻θJA和环境温度TA。计算任何环境温度下的最大允许功耗使用:
超过最大允许功耗将导致模具温度过高,调节器将进入热关机状态。to-220(不带散热器)的结对环境的热阻为60°C/W和73°C/WDDPAK/TO-263。如果使用DDPAK/TO-263封装,可通过增加P.C.板铜来降低热阻与包装热连接的面积:使用0.5平方英寸的铜面积,θJA为50°C/W,1平方英寸的铜面积,θJA为37°C/W;对于1.6或更多平方英寸的铜面积,θJA为32°C/W。结对外壳的热阻为3°C/W。如果使用外部散热片,有效结对环境的热阻是结对壳电阻的总和(3°C/W),所选散热器的指定热阻,以及散热器与LP2957(请参阅应用程序提示)。
电气特性
标准字体的限值适用于TJ=25°C,黑体字的限值适用于整个工作温度范围。除非另有规定:VIN=6V,IL=1mA,CL=2.2μF,VSD=3V。

(1) 当在双电源系统中使用时,调节器负载返回负电源,输出电压必须为二极管箝位接地。
(2) 输出电压温度系数定义为最坏情况下的电压变化除以总温度范围。
(3) 通过低占空比脉冲测试在恒定结温下测量调节。零件单独进行负荷试验负载范围0.1 mA–1 mA和1 mA–250 mA的调节。由加热效应引起的输出电压变化包含在热调节规范。
(4) 跌落电压定义为输入输出电压差,输出电压低于该值100毫伏用1V输入输出差分测量。
电气特性(续)
标准字体的限值适用于TJ=25°C,黑体字的限值适用于整个工作温度范围。除非另有规定:VIN=6V,IL=1mA,CL=2.2μF,VSD=3V。

(5) 接地引脚电流是调节器静态电流。来自电源的总电流是负载电流加上接地引脚电流。
(6) 热调节被定义为在功率消耗发生变化后的T时刻输出电压的变化,不包括负载或线路调节效应。技术规格适用于VIN=20V(3W脉冲)下200 mA负载脉冲,T=10ms。
(7) 电压参考标称调节输出电压。
典型性能特征(续)
除非另有规定:VIN=6V,IL=1mA,CL=2.2μF,V SD=3V,TA=25°C



(1) 最大允许功耗是最大结温T J的函数(MAX),与环境温度的交界处电阻θJA和环境温度TA。计算任何环境温度下的最大允许功耗使用:
超过最大允许功耗将导致模具温度过高,并且调节器将进入热关机状态。to-220(不带散热器)的结对环境的热阻为60°C/W和73°C/WDDPAK/TO-263。如果使用DDPAK/TO-263封装,可通过增加P.C.板铜来降低热阻与包装热连接的面积:使用0.5平方英寸的铜面积,θJA为50°C/W,1平方英寸的铜面积,θJA为37°C/W;对于1.6或更多平方英寸的铜面积,θJA为32°C/W。结对外壳的热阻为3°C/W。如果使用外部散热片,有效结对环境的热阻是结对壳电阻的总和(3°C/W),所选散热器的指定热阻,以及散热器与LP2957(请参阅应用程序提示)。

外部电容器
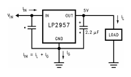
输出引脚和接地之间需要2.2μF(或更大)电容器,以确保稳定性(请参阅图30)。没有这个电容器,零件可能会振荡。大多数类型的钽或铝电解质在这里工作。胶卷可以用,但要贵一些。许多铝电解槽含有在−30°C下冻结,这需要使用低于−25°C的固体钽电容器的ESR约为5Ω或更小,谐振频率高于500 kHz(ESR可增加a当温度从25°C降至−30°C时,系数为20或30)。这个电容器的值可能是无限增加。在较低的输出电流值下,需要较少的输出电容以保证稳定性。这个电流低于10毫安时,电容器可降至0.68微伏;电流低于1毫安时,电容器可降至0.22微伏。如果输入引脚之间的导线超过10英寸,则应将1μF电容器放置在接地端输入和交流滤波器电容器,或者如果使用电池输入。如果调节器接线用于快速启动/断开输出,并且电源阻抗很高(参见卡入/断开操作部分)。
停机输入
当“低”(<1.2V)应用于停机输入时,逻辑电平信号将关闭调节器输出。为防止可能的误操作,必须主动终止停机输入。如果输入来自开路集电极逻辑,必须从关机处连接上拉电阻器(建议20 kΩ至100 kΩ)输入到调节器输入。如果关机输入是由一个高电平和低电平(如运算放大器)驱动的,则上拉电阻不是必需的,但可以使用。如果不使用关机功能,可以通过捆绑关机节省上拉电阻的成本直接输入调节器输入。重要提示:由于绝对最大额定值状态下,停机输入不能超过0.3V在地面以下,如果停机输入直接与调节器输入相连。如果需要在蓄电池和输入之间加上一个保护电阻,则需要一个保护必须使用调节器输入。
最小负荷
应注意的是,在一些电气特性试验中规定了最小负载电流因此,必须使用列出的值来获得这些测试限值的相关性。零件是参数化的测试结果为100μA,但在空载情况下仍能正常工作。
跌落电压
调节器的压降定义为输出电压保持在输出电压的100毫伏以内,用1V差分测量。跌落电压对于不同的负载电流值,在电气特性下列出。如果调节器由连接到交流线路的变压器供电,则最小交流线路电压和必须使用最大负载电流来测量调节器输入端的最小电压。这个最小输入电压是包括滤波电容器上纹波的最低电压电平。也建议验证在最低工作环境温度下的操作,因为滤波电容器的ESR增加由于纹波振幅增加,这是一个最坏的测试。
散热片要求
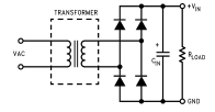
LP2957可能需要散热片,具体取决于最大功耗和最大功耗应用的环境温度。在所有可能的操作条件下,结温必须在绝对最大额定值下规定的范围内。要确定是否需要散热器,调节器消耗的最大功率P(max)必须为计算。重要的是要记住,如果调节器是由连接到交流电源的变压器供电线路,必须使用规定的最大交流输入电压(因为这会产生最大的直流输入调节器的电压)和最大负载电流也必须使用。图30显示了电压和电路中存在电流。文中还给出了调节器的功耗计算公式如图30所示

PTOTAL=(VIN−5)I L+(VIN)IG
*见外部电容器
下一个必须计算的参数是最大允许温升TR(Max)。这是使用以下公式计算:TR(最大值)=TJ(最大值)−T A(最大值)
(Max)是最大允许结温
TA(Max)是最高环境温度(1)使用TR(Max)和P(Max)的计算值,即连接到环境热的所需值阻力θ(JA)现在可以得到:θ(JA)=TR(最大)/P(最大)(2)
如果计算值为60°C/W或更高,调节器可在没有外部散热器的情况下运行。如果计算值低于60°C/W,需要外部散热器。所需的热阻散热片θ(HA)可使用以下公式计算:θ(HA)=θ(JA)−θ(JC)−θ(CH)
θ(JC)是结-壳热阻,LP2957的规定值为3°C/W
θ(CH)是散热器热阻的情况,它取决于接口材料(见表1和表2)


θ(HA)是散热片对环境的热阻。这是本规范(列在散热器制造商上数据表)定义散热器的有效性。选定的散热器必须具有
等于或小于根据上述公式计算的θ(HA)值的电阻。
误差比较器
当输出超出调节范围超过5%时,比较器就会产生逻辑“低”。这个图为比较器的内置偏移量60 mV除以1.23V参考电压得出的结果。违反规定限流、限流、限流条件可能导致输入电压过低。图31给出了一个时序图,显示了输出电压、误差输出和输入电压随着输入电压的上升和下降而上升和下降到调节器,而无卡入/快速关闭输出。错误信号在大约1.3V输入时变低。它在大约5V输入时变高,输出等于4.75V。由于压降与负载有关,输入电压跳闸点将随负载电流而变化。这个输出电压触发点不变化。比较器具有集电极开路输出,需要外部上拉电阻器。这个电阻器可能是连接到调节器输出或其他电源电压。使用调节器输出可防止无效当调节器输入时,比较器输出上拉到外部电压时,会出现“高”电压降低到1.3V以下。在为上拉电阻器选择一个值时,请注意,虽然输出可以下降400μA,此电流会增加电池的耗电量。建议值范围为100k至1MΩ。电阻不是如果输出未使用,则为必需。

1.在关机模式下,如果错误被拉到外部电源,错误将变高。为了避免无效响应,向上拉至调节器输出。
2.准确值取决于电压跌落,它随负载电流的变化而变化
如果将一个上拉电阻器连接到调节器输出端,则错误标志可能会短暂上升至约1.3V输入电压在0V到1.3V区域上下倾斜。在某些情况下,1.3V信号可能会被1.3V仍然“活动”的μP错误地解释为假高适用于它。为了防止这种情况,用户可以选择使用两个电阻值相等的错误输出(一个接地,另一个接调节器输出)。如果使用这两个电阻分压器,则在通电期间错误输出只会被拉高到约0.6V(不是1.3V)或者断电,所以不能解释为高信号。当调节器输出处于调节状态时(4.8V至5V),误差输出电压将为2.4V至2.5V,这显然是一个高信号。
输出隔离
调节器输出可通过调节器输入连接到有源电压源(如蓄电池)关闭,只要调节器接地针脚接地。如果接地引脚保持浮动状态,如果输出被外部电压源拉高,可能会损坏调节器
卡入/卡扣操作
LP2957输出可通过三个外部电阻器进行卡入/断开操作:

*最小值(根据平滑开启特性的要求增加)。
如图所示连接时,关闭输入保持调节器关闭,直到输入电压上升到开启阈值(V on),此时输出“快速开启”。当输入电源关闭时(输入电压开始衰减),当输入电压达到关断阈值,VOFF。

需要注意的是,电压VOFF必须始终低于VON(这些电压电平之间的差异称为磁滞)。使用快开/快关输出时需要滞后,且所需的滞后量最小一个特定的应用取决于任何提供VIN的源阻抗。
注意:如果VON和voffar靠得太近(不够滞后)。当输出突然接通时,调节器必须吸出足够的电流为负载供电给输出电容器充电(在大多数情况下,调节器会短暂地消耗允许的最大电流通过内部限制器)。
因此,最好假设LP2957可能会从电源中拉动约600毫安的峰值电流(即所列最大短路负载电流530毫安加上接地引脚电流70毫安)。这个高峰值电流导致VIN下降的量等于源阻抗乘以电流。如果V IN降至VOFF以下,调节器将关闭并停止从电源中吸取电流。这将允许VIN回到冯的上方,循环就会重新开始。调节器永远不会处于振荡模式纳入监管范围。
变压器供电的磁滞
应用:如果调节器的未调节直流输入电压来自变压器,则很容易产生所需的迟滞用电阻负载加载电源来测量。

如果调节器由电池供电,电源阻抗可能会比另一个低考虑因素将确定磁滞的最佳值(见设计示例#2)。为获得最佳结果,用于测试变压器的负载电阻应选择为600毫安最大负载电流测试,因为这是LP2957可以预期的最大峰值电流从源头上说。空载和满载时测得的输入电压差定义了磁滞量正确卡入/快速关闭操作所需(编程滞后必须大于电压差)。
计算电阻值:
R1,R2和R3的值可以计算出来,假设设计者知道磁滞。在大多数变压器供电的应用中,可以假设VOFF(关断时的输入电压)应为设置为大约5.5V,因为这允许大约500毫伏通过LP2957,以保持输出在调节,直到它啪的一声关上了。VON(开启时的输入电压)是通过将滞后电压加到VOFF上得到的。R1、R2和R3是通过求解进入最接近停堆节点的电流节点方程得到的引脚(写入开启和关闭阈值)。停机引脚偏置电流(10毫安典型值)不包括在计算中:


由于这两个方程包含三个未知数(R1、R2和R3),因此必须假设一个电阻值,并且剩下的两个值可以通过求解方程得到。节点方程将通过求解R2的两个方程来简化,然后将两者相等以生成用R1和R3表示。

如果设计者假定R1或R3的值是其中一个电阻器。
最简单的方法是假设R3的值。最好的结果通常是使用大约20kΩ和100kΩ(这样可以保持低电流消耗,但也可以为另一个产生实际值电阻器)。R3的最小值没有限制,但是电流应该最小化,因为它产生的能量会耗尽电源不加载。
小结:求解R1、R2和R3:
1.假设值为R1或R3。
2.用R1或R3的方程求解另一个变量。
3.取R1和R3的值,然后将它们插回到R2的方程中,然后求解这个值。设计实例#1:5V调节输出由整流和滤波的二次变压器供电。电压在零电流和最大电流(600毫安)下测量VIN,以确定最小允许磁滞。使用示波器测量车辆识别号(为了清晰起见,两条记录都显示在同一个网格上):

变压器供电的满载电压波形将具有如图所示的纹波电压。纠正测量点是波形的最低值。空载和满载条件之间的1.2V差意味着至少需要1.2V的滞后对于正确的快速启动/关闭操作(在本例中,我们将使用1.5V)。作为起点,我们假设:VOFF=5.5V VON=V关+HYST=5.5+1.5=7V R3=49.9k
设计实例#2:
一个5V可调输出将由一个由六个镍镉电池组成的电池供电。单元格数据为:
电池电压(充满电):1.4V
电池电压(90%放电):1.0V
典型电池的内阻足够低,在调节器开启时源负载不会降低通常是个问题。在电池供电的应用中,应选择关闭电压VOFF,以便关闭调节器当电池电量达到90%时(过度放电会损坏可充电电池)。在这种情况下,90%放电点的电池电压为6.0V(因为有6个电池,每个电池的电压为1.0V)。这意味着对于这个应用,VOFF将被设置为6.0V。为了了解最佳电压的选择,需要了解电池的最佳性能。如果镍镉电池放电(电池电压1.0V)和负载移除后,电池电压将回升。电压调节器开启必须设置得足够高,以防止调节器在这段时间内重新启动,或开关可能出现脉冲模式。如果调节器在放电电池电压上升时重新启动,电池上的负载将导致电池电压降到关断电平以下,导致调节器关闭。电池电压将再次浮动上升和开关循环将继续。对于镍镉电池,计算VON的良好电池电压约为每个电池1.2V。在这个应用程序中,这将产生的VON值为7.2V。我们现在可以找到R1、R2和R3,假设:电压=6.0V开=7.2V R3=49.9k
安芯科创是一家国内芯片代理和国外品牌分销的综合服务商,公司提供芯片ic选型、蓝牙WIFI模组、进口芯片替换国产降成本等解决方案,可承接项目开发,以及元器件一站式采购服务,类型有运放芯片、电源芯片、MO芯片、蓝牙芯片、MCU芯片、二极管、三极管、电阻、电容、连接器、电感、继电器、晶振、蓝牙模组、WI模组及各类模组等电子元器件销售。(关于元器件价格请咨询在线客服黄经理:15382911663)
代理分销品牌有:ADI_亚德诺半导体/ALTBRA_阿尔特拉/BARROT_百瑞互联/BORN_伯恩半导体/BROADCHIP_广芯电子/COREBAI_芯佰微/DK_东科半导体/HDSC_华大半导体/holychip_芯圣/HUATECH_华泰/INFINEON_英飞凌/INTEL_英特尔/ISSI/LATTICE_莱迪思/maplesemi_美浦森/MICROCHIP_微芯/MS_瑞盟/NATION_国民技术/NEXPERIA_安世半导体/NXP_恩智浦/Panasonic_松下电器/RENESAS_瑞莎/SAMSUNG_三星/ST_意法半导体/TD_TECHCODE美国泰德半导体/TI_德州仪器/VISHAY_威世/XILINX_赛灵思/芯唐微电子等等
免责声明:部分图文来源网络,文章内容仅供参考,不构成投资建议,若内容有误或涉及侵权可联系删除。
Copyright © 2002-2023 深圳市安芯科创科技有限公司 版权所有 备案号:粤ICP备2023092210号-1