特点
电源电流0.5 mA(典型值)23
传感器路径总线
转换时间14至1456毫秒
温度范围−20至+125°C
电源电压+3.0至+3.6 V
–4个硬件可编程地址说明
温度传感LM95010是一种数字输出温度传感器
–0.25°C分辨率,单线接口兼容
–127.75°C最高温度读数传感器路径接口。它使用ΔVbe模拟
产生8引线VSSOP封装的温度传感技术
与温度成比例的差分电压。
这个电压是数字化使用一个西格玛-德尔塔模拟-数字转换器。LM95010是基于微处理器的设备硬件监控系统的一部分,由两部分组成:
PC系统健康控制器(主控),如–(主板、基站、路由器,超级I/O,)是LM95010s。使用传感器路径,LM95010将电源由船长控制并向船长报告它自己的模具温度。传感器路径数据为脉冲密钥规格宽度编码,从而允许LM95010可轻松连接到多个通用微型-温度传感器精度±2°C(最大)控制器。

(1) 除非另有说明,否则所有电压均相对于GND进行测量。
(2) 绝对最大额定值表示设备可能发生损坏的极限值。工作额定值表示设备功能正常,但不保证性能极限。有关确保的规格和测试条件,请参阅电气特点。确保的规范仅适用于列出的试验条件。某些性能特性可能会降低当装置未在所列试验条件下运行时。
(3) 当任何引脚的输入电压(VIN)超过电源(VIN<GND或VIN>V+)时,该引脚的电流应限制在5毫安。LM95010引脚的寄生元件和/或ESD保护电路如下所示。标称击穿电压D3为6.5V。SNP代表回拨装置。连接到特定管脚的设备在表1中用“✓”标记。
(4) 当用2盎司的箔连接到印刷电路板上时,与环境的热电阻连接为210°C/W。
(5) 人体模型,100 pF通过1.5 kΩ电阻放电。机器型号,200 pF直接放电到每个引脚。看到了吗图3为ESD保护输入结构。
直流电特性
以下技术规格适用于V+=3.0 VDC至3.6 VDC,除非条件中另有规定。粗体限制适用于TA=TJ=TMIN至TMAX;所有其他限值TA=+25°C。

(1) “典型值”在TA=25°C时,代表最有可能的参数规范。它们将用作一般参考值,而非关键参考值设计计算。
(2) 对TI的AOQL(平均出货质量水平)规定了限制。
(3) 电源电流不会随着传感器路径事务而大幅增加。
(4) 温度精度不包括自加热的影响。自加热引起的温度升高是LM95010的内部功耗和热电阻。参见绝对最大额定值表中的注释4用于自热计算的电阻。
交流电气特性
以下规格适用于V+=+3.0VDC至+3.6VDC,除非另有规定。粗体限制适用于TA=TJ=TMIN到TMAX;所有其他限制TA=TJ=25°C。传感器路径特性符合传感器路径规范。有关详细信息,请参阅该规范。

(1) “典型值”在TA=25°C时,代表最有可能的参数规范。它们将用作一般参考值,而非关键参考值设计计算。
(2) 对TI的AOQL(平均出货质量水平)规定了限制。
(3) 本规范仅用于指示启用后温度数据的更新频率。
(4) 输出下降时间从VIH min测量到VIL max,输出下降时间由设计保证。
(5) 输出上升时间从VIL max测量到VIH min,输出上升时间由设计保证。
LM95010基于ΔVbe温度传感方法。差分电压,代表温度,使用∑-Δ模数转换器进行数字化。数字温度数据可以通过简单的单线接口称为传感器路径。传感器路径针对硬件监控进行了优化。TI提供与传感器路径总线的知识产权相关的免版税许可。LM95010有2个地址引脚,允许最多4个LM95010连接到一个传感器路径总线。这个传感器路径的SWD信号的物理接口与熟悉的行业标准SMBus SMBDAT相同信号。数字信息被编码在所传输信号的脉冲宽度中。每一点都可以当使用微控制器。对于具有更大功能的微控制器,异步注意信号可以是由LM95010传输,中断微控制器并通知其温度数据已更新在读出寄存器中。为了使LM95010的功耗达到系统要求,LM95010具有关机模式以及它支持多种转换率。
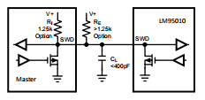
传感器路径总线SWD
SWD是用于通信的单线数据线。SensorPath使用3.3V单端信令上拉电阻器和开漏低压侧驱动(见图7)。出于计时目的,传感器路径设计用于容性负载(CL)高达400pF。请注意,在许多情况下,PC的3.3V备用导轨将用作传感器和主机的电源。SWD和低电压逻辑兼容。主机可提供一个内部上拉电阻器。在这种情况下,不需要外部电阻器。这个上拉电阻器的最小值必须考虑最大允许输出负载电流4mA。

数据位0 数据位1 起始位
注意请求
复位
所有的“位信号”都涉及到将总线驱动到低电平。低水平的持续时间不同于不同的“位信号”。每个“位信号”都有一个固定的脉冲宽度。传感器路径支持总线复位操作和时钟训练序列,允许从设备将其内部时钟速率与主设备同步。因为LM95010满足传感器路径的±15%定时要求,LM95010不需要时钟训练序列,并支持此功能。本节定义了所有模式下的“位信号”行为。进行此操作时,请参考电气特性(图4和图5)中的时序图第节。请注意,不同类型的“位信号”的时序图一起显示以更好地突出显示它们之间的时间关系。然而,不同类型的“位信号”出现在不同的SWD上时间点。这些时序图显示了主控和LM95010从机驱动的信号就像探测SWD时看到的信号一样。以标签Mout_u开头的信号标签描述了。以标签Slv_u开头的信号标签描述了LM95010的驱动器。所有其他的信号显示什么当探测特定功能的SWD时会看到(例如,“主Wr 0”是传输数据的主设备位的值为0)。总线未激活当SWD信号高达至少一段时间时,总线处于非活动状态。总线在每个节点之间处于非活动状态“位信号”。
数据位0和1
所有数据位信号传输都由主机启动。数据位0由“短”脉冲表示;数据位1表示以较长的脉搏表示。位的方向与主机相对,如下所示:
数据写入-从主机传输到LM95010的数据位。
数据读取-从LM95010传输到主机的数据位。
在开始一个数据位(读或写)之前,主机必须监视总线是否处于非活动状态。主机通过在与数据值(tMtr0)相匹配的时间段内驱动总线激活(低电平)来启动数据写入或tMtr1,分别表示写入“0”或“1”)。LM95010将检测到SWD在tSFEdet的周期,并将开始测量SWD激活的持续时间,以便检测数据值。主机通过驱动总线一段时间tMtr0来启动数据读取。LM95010将检测到SWD在一段时间内变得活跃起来。对于读取“0”的数据,LM95010不会驱动SWD。对于一个数据读取“1”,LM95010将在tSFEdet内启动,以在tSLout1期间内驱动SWD低。主人和LM95010必须监控总线变为非活动状态的时间,以识别“0”或“1”的数据读取。在每个数据位期间,主机和所有LM95010s都必须监视总线(请注意主机请求和复位;在LM95010s开始位,注意请求和复位)通过测量时间SWD为激活(低)。如果检测到起始位、注意请求或复位“位信号”,则当前“位信号”没有作为数据位处理。注意,协议的比特率取决于传输的数据。因此,LM95010的值为“0”为总线带宽效率保留或未使用的寄存器位。起始位在开始一个起始位之前,主机必须监视总线是否处于非活动状态。主机使用起始位来指示传输的开始。LM95010s将监控所有时间,以允许事务与主服务器同步。如果开始位出现在事务处理的中间,正在寻址的LM95010将中止当前事务。在这种情况下,交易不是由LM95010(见传感器路径总线事务)。在每个启动位期间,主机和所有LM95010s都必须监视总线以获得注意请求和通过测量SWD激活(低)的时间进行重置。如果检测到请求,或重置当前“位信号”不被视为起始位。主机可能会在以后尝试发送起始位。
注意事项
当传感器路径总线未激活时,LM95010可启动注意请求。请注意,来自主机的数据位或起始位可能与来自LM95010。另外,两个LM95010可以同时启动注意请求。由于它的长度除“优先于任何其他信号”的“重置”位。与数据位和起始位冲突由所有设备检测到,允许位被忽略并由其原始设备重新发出。LM95010将在启动注意请求之前检查总线是否处于非活动状态,或者启动SWD激活后,注意请求的时间间隔为tSFEdet。LM95010将驱动信号低劳茨塔。在此之后,主机和LM95010都必须监控总线是否处于复位状态。如果检测到复位条件,当前“位信号”不作为注意请求处理。复位后,在主机在总线上发送了14个数据位之前,不能发送注意请求。看到了吗注意请求事务以获取有关注意力请求生成的更多详细信息。
总线复位
LM95010在通电时发出重置。主设备还必须在通电时生成总线重置,至少最小复位时间,它不能依赖于LM95010。传感器路径对最大复位没有限制主人的时间。在总线复位之后,LM95010可能只在主机在总线上发送了14个数据位。有关注意的更多详细信息,请参见注意请求事务请求生成。
传感器路径总线事务
SensorPath设计用于一个主设备和最多七个从设备。每个奴隶都有一个独特的地址。LM95010最多支持4个由地址引脚状态选择的设备地址添加0和ADD1。LM95010的寄存器集在寄存器集中定义。
总线复位操作
总线复位操作在总线上是全局的,只影响所有设备的通信接口与之相连。总线复位操作不影响设备寄存器或设备的内容操作,在LM95010寄存器集中定义的范围内,参见寄存器集。总线复位操作通过在总线上产生复位信号来执行。主机必须应用重置通电后,开始运行前。重置信号端将由公共汽车。重置信号后,传感器路径位信令要求主机发送一个8位数据位序列一个值“0”,没有前面的起始位。这是使从设备“训练”时钟到位所必需的时机。LM95010不需要也不支持时钟训练。

读取事务
在读事务期间,主机从从从机中指定地址的寄存器中读取数据。阅读事务以起始位开始,以ACK位结束,如图9所示。•设备编号这是访问的LM95010设备的地址。地址“000”是广播地址所有从设备都能响应。LM95010在读取期间忽略广播地址交易。
内部地址LM95010中读取的寄存器地址。
读/写(R/W)“1”表示读事务。
数据位在读取事务期间,数据位由LM95010驱动。数据以串行方式传输
首先是最重要的位。这允许基于需要的信息进行吞吐量优化阅读。
–LM95010支持8位或16位数据字段,如寄存器集中所述。
偶校验(EP)此位基于所有前面的位(设备号、内部地址、读/写和数据位)和奇偶校验位本身。所有前面的位和奇偶校验位必须偶数-即,结果必须为0。在读取事务期间,EP位由LM95010发送到master允许master在使用之前检查接收到的数据。
确认(ACK)在读取事务期间,主机发送ACK位,指示EP位接收到,并且与之前的数据进行比较后发现是正确的,并且没有冲突在总线上检测到(不包括注意请求-注意请求事务)。读取传输是只有在接收到ACK位时才被视为“完成”。未得到肯定承认的交易未被LM95010视为“完整”,并执行以下操作:
–设置LM95010设备状态寄存器中的BER位
–LM95010在下一个事务的开始位之前或一起生成一个注意请求未得到肯定确认的交易也不被主控方视为“完成”(即。不执行与事务相关的内部操作)。交易可以由主机,在检测到注意请求的来源(在设备中有一个设置的误码位的LM95010)之后状态寄存器)。注意,传感器路径协议既不强制执行,也不自动执行交易。那个ACK位的值为:
–1:数据接收正确
–0:检测到错误(无应答)
写入事务
在写事务中,主机将数据写入LM95010中指定地址的寄存器。一篇文章事务以起始位开始,以ACK数据位结束,如图10所示。设备编号这是访问的从设备的地址。地址“000”是广播地址由所有从设备响应。该设备响应lm010来广播消息控制寄存器。
内部地址这是LM95010中要写入的寄存器地址。
读/写(R/W)“0”数据位指示写入事务。
数据位这是写入LM95010寄存器的数据,由主机驱动。数据已传输以最高有效位为先。数据位的数量可能因地址而异,基于LM95010中寄存器的大小。这允许基于需要书写的信息。
–LM95010支持8位或16位数据字段,如寄存器集中所述。偶校验(EP)此数据位基于所有前面的位(设备号、内部地址、读/写以及偶校验位本身。所有前位的奇偶校验(1的个数)和奇偶校验结果必须是偶数。在写入事务期间,主机将EP位发送到LM95010允许LM95010在使用之前检查接收到的数据。
确认(ACK)在写入事务期间,由LM95010发送ACK位,指示主控已收到EP并发现其正确,并且总线上未检测到冲突(不包括注意请求-请参阅注意请求事务)。写入传输被视为“已完成”仅当ACK位产生时。未经确认的交易不予考虑由LM95010完成(即不执行与交易相关的内部操作),并且执行以下操作:
–设置LM95010设备状态寄存器中的BER位;
–LM95010在下一个事务的开始位之前或一起生成一个注意请求未得到肯定确认的交易也不被主控方视为“完成”(即。不执行与事务相关的内部操作)。交易可以由主机,在检测到注意请求的来源(在设备中有一个设置的误码位的LM95010)之后状态寄存器)。注意,传感器路径协议既不强制执行,也不自动执行交易。那个ACK位的值为:
–1:数据接收正确;
–0:检测到错误(无应答)。

读写事务异常
本节描述在读取过程中遇到的特殊总线条件的主和LM95010处理或者写交易。如果LM95010在事务处理过程中接收到起始位,它将中止当前事务(LM95010不“完成”当前事务)并开始新事务。虽然不推荐传感器路径正常工作,这种情况是合法的,因此它不会被LM95010标记为错误注意请求并不是响应于它而产生的。生成起始位的主机负责在“更高层次”处理未“完成”的交易。如果LM95010接收到的数据位多于预期数量(由访问寄存器的大小定义),则忽略不必要的部分。在这种情况下,如果主机和LM95010都识别出正确的EP和ACK位,则“完成”交易。然而,在大多数情况下,附加数据位与正确的EP和ACK不同位。在这种情况下,主机和LM95010都不会“完成”事务。此外,LM95010执行以下操作:
设置LM95010设备状态寄存器中的BER位LM95010生成注意请求
如果LM95010接收到的数据位少于预期数量(由访问的大小定义寄存器),它无限期地等待主机发送丢失的位。如果是的话,主人会把失踪的位,加上正确的EP/ACK位,master和LM95010“完成”事务。但是,如果主机启动一个新的事务生成一个起始位,LM95010中止当前事务(LM95010不“完成”当前事务)并开始新事务。不通知船长LM95010的未完成交易。
注意请求事务
当LM95010需要主机注意时,由LM95010生成注意请求。主人和所有人LM95010s必须监控注意请求,以便在数据同时启动时允许位重新发送位或起始位传输。请参阅数据表的注意事项。
操作
LM95010中实现的温度测量功能支持一个温度区,即LM95010的内部温度(LM95010的结温)。因为LM95010只支持一个温度测量传感器路径位信号中定义的传感器扫描功能仅适用于一个温度传感器。温度扫描由传感器启用位(EN0)启用。最小扫描速率建议为4Hz(即测量数据至少每250 ms更新一次),见转换价格(地址:40o)了解更多详情。在低功耗模式下,扫描速率比中的扫描速率低四倍激活模式。扫描速率影响读取结果所需的总线带宽。的采样率温度测量也可以通过转换率寄存器进行控制,参见转换率(地址:40o)了解更多详情。数据读出当一个新的结果被存储在读出寄存器中时,产生一个功能事件。阅读读出寄存器清除状态功能1标志(SF1)。结果在读出寄存器等待中可用以便主机在主传感器读取序列期间读取它。如果在前一个结果之前就准备好了结果已被读取,新结果将覆盖先前的结果,并设置错误函数1标志(ERF1)(表示超限事件)。读取读出寄存器也会清除错误功能1标志(ERF1)。这个读出寄存器包含温度数据和传感器编号。因为LM95010只支持一个温度区传感器编号字段将始终报告零。读出寄存器中定义的其他字段传感器路径不支持位信令。读出分辨率读出的分辨率在温度能力寄存器中定义。这个LM95010的分辨率是固定的,不能用软件修改。功能事件温度测量功能在温度出现时生成功能事件转换周期完成,新数据存储在读出寄存器中。当新数据存储到读出寄存器设备状态寄存器中的SF1位被设置为“1”,并保持设置,直到被清除读取读出寄存器。只有当注意力启用时,才会在总线上生成注意请求在温度控制寄存器中启用位(ATE)。启用前设置温度测量功能前无需设置启用。

安芯科创是一家国内芯片代理和国外品牌分销的综合服务商,公司提供芯片ic选型、蓝牙WIFI模组、进口芯片替换国产降成本等解决方案,可承接项目开发,以及元器件一站式采购服务,类型有运放芯片、电源芯片、MO芯片、蓝牙芯片、MCU芯片、二极管、三极管、电阻、电容、连接器、电感、继电器、晶振、蓝牙模组、WI模组及各类模组等电子元器件销售。(关于元器件价格请咨询在线客服黄经理:15382911663)
代理分销品牌有:ADI_亚德诺半导体/ALTBRA_阿尔特拉/BARROT_百瑞互联/BORN_伯恩半导体/BROADCHIP_广芯电子/COREBAI_芯佰微/DK_东科半导体/HDSC_华大半导体/holychip_芯圣/HUATECH_华泰/INFINEON_英飞凌/INTEL_英特尔/ISSI/LATTICE_莱迪思/maplesemi_美浦森/MICROCHIP_微芯/MS_瑞盟/NATION_国民技术/NEXPERIA_安世半导体/NXP_恩智浦/Panasonic_松下电器/RENESAS_瑞莎/SAMSUNG_三星/ST_意法半导体/TD_TECHCODE美国泰德半导体/TI_德州仪器/VISHAY_威世/XILINX_赛灵思/芯唐微电子等等
免责声明:部分图文来源网络,文章内容仅供参考,不构成投资建议,若内容有误或涉及侵权可联系删除。
Copyright © 2002-2023 深圳市安芯科创科技有限公司 版权所有 备案号:粤ICP备2023092210号-1