特征
SO-8包(LTC1595)
DNL和INL:1LSB最大值
低故障脉冲:1nV-s型
快速沉降至1LSB:2μs(使用LT1468)
符合行业标准的引脚
12位DAC:DAC8043和DAC8143/AD7543
四象限乘法
低电源电流:最大10μA
上电复位
LTC1595/LTC1596:重置为零刻度
LTC1596-1:重置为中刻度
3线SPI和MICROWIRETM兼容
串行接口
菊花链串行输出(LTC1596)
清除异步输入
LTC1596:清除为零刻度
LTC1596-1:清除到中刻度
应用程序
过程控制和工业自动化
软件控制增益调整
数字控制滤波器和电源
自动测试设备
说明
LTC®1595/LTC1596/LTC1596-1为串行输入,16位数模转换器输出电流。LTC1595是与12位DAC8043和提供8针PDIP等软件包。LTC1596是引脚以及与12位DAC8143/AD7543兼容的硬件提供16针PDIP和如此广泛的封装。两者都是在工业温度范围内指定的。INL对运算放大器VOS的灵敏度降低了5倍与业界标准的12位DAC相比系统可以轻松升级到真正的16位分辨率线性度不需要更精确的运算放大器。这些DAC包括一个内部除气电路将故障脉冲降低10倍以上大于1nV-s典型值。DAC具有清晰的输入和上电复位。这个LTC1595和LTC1596重置为零刻度。LTC1596-1是LTC1596的一个版本,可重设为中型。
绝对最大额定值
VDD到AGND 0.5伏至7伏
VDD是DGND 0.5伏至7伏
AGND到DGND VDD+0.5伏
DGND到AGND VDD+0.5伏
-25伏
RFB到AGND,DGND -25伏
数字输入到DGND -0.5V至(VDD+0.5V)
VOUT1,VOUT2到AGND –0.5V至(VDD+0.5V)
最高结温 150摄氏度
工作温度范围
LTC1595C/LTC1596C/LTC1596-1C 0°C至70°C
LTC1595I/LTC1596I/LTC1596-1I –40°C至85°C
储存温度范围 –65°C至150°C
铅温度(焊接,10秒)300摄氏度
电气特性 VDD=5V*10%,VREF=10V,VOUT1=VOUT2=AGND=0V,TA=TMIN至TMAX,除非另有说明。


表示适用于整个操作的规范
温度范围。
注1:绝对最大额定值是指超过寿命的值设备可能损坏。
注2:±1LSB=±0.0015%满量程=±15.3ppm满量程。
注3:使用内部反馈电阻器。
注4:设计保证,不经试验。
注5:IOUT1,DAC寄存器加载所有0。
注6:典型温度系数为100ppm/C。
注7: 100Ω与13pF并联。
注8:满量程变化为0.0015%,从下降开始测量LD1、LD2或LD的边缘。
注9:1kHz时VREF=6VRMS。加载所有1的DAC寄存器;1007升=工作电流。
注10:根据en=√4kTRB计算,其中:k=玻尔兹曼常数(J/°K);R=电阻(Ω);T=温度(°K);B=带宽(Hz)。
注11:STB1、STB2、STB4的最短高峰值时间。最低低潮时间对于STB3。
注12:STB1、STB2、STB4的最短低时间。最短高潮时间对于STB3。
典型性能特征


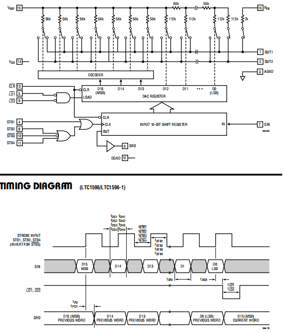
引脚功能
LTC1595
VREF(引脚1):参考输入。
RFB(引脚2):反馈电阻器。通常与输出有关电流电压转换器运算放大器。
输出1(引脚3):电流输出引脚。连接到反向输入电流电压转换器运算放大器。
GND(引脚4):接地引脚。
LD(引脚5):串行接口负载控制输入。LD被拉低,数据从移位寄存器加载到DAC寄存器,更新DAC输出。
SRI(引脚6):串行数据输入。SRI引脚上的数据是锁存到序列上升沿的移位寄存器中时钟。数据首先加载MSB。
CLK(引脚7):串行接口时钟输入。
VDD(引脚8):正电源输入。4.5V≤VDD≤5.5V。需要旁路电容器接地。
LTC1596/LTC1596-1
输出1(引脚1):真电流输出引脚。连接到仰拱电流电压转换器运算放大器的输入。
输出2(引脚2):补充电流输出引脚。联系模拟接地。
AGND(引脚3):模拟接地引脚。
STB1、STB2、STB3、STB4(引脚4、8、10、11):串行接口时钟输入。STB1,STB2和STB4正在上升边缘触发输入。STB3是一个下降沿触发输入(见真值表)。
串行输入(LD5,LD9):控制引脚。当LD1和LD2拉低时,数据从将寄存器移位到DAC寄存器,更新DAC输出(见真值表)。SRO(引脚6):移位寄存器的输出。变成在串行时钟的活动边缘有效。
SRI(引脚7):串行数据输入。SRI引脚上的数据是锁存到串行时钟。数据首先加载MSB。
DGND(引脚12):数字接地引脚。清除引脚13:清除DAC引脚。将DAC清除为零在LTC1596上拉低时的刻度。清除DAC到中刻度在LTC1596-1上拉低时。这个别针应该系在正常运行的VDD。
VDD(引脚14):正电源输入。4.5V≤VDD≤5.5V。需要旁路电容器接地。
VREF(引脚15):参考输入。
RFB(引脚16):反馈电阻器。通常与电流电压转换器运算放大器的输出。
真值表
表1。LTC1596/LTC1596-1输入寄存器 表2。LTC1596/LTC1596-1 DAC寄存器



应用程序信息
说明
LTC1595/LTC1596是16位乘法DAC有串行输入和电流输出。他们使用精确R/2R技术提供卓越的线性度和稳定性。这些设备通过一个5V电源工作提供±10V参考输入和电压输出范围与外部运算放大器一起使用时。这些设备有一种专利的去纤器,可以减少故障脉冲1nV-s,输出范围为0V至10V。
串行I/O
LTC1595/LTC1596具有可接受16位串行字的SPI/MICROWIRE兼容串行端口。数据是先接受MSB并用加载销加载。8针LTC1595有一个3线接口。数据被转移输入CLK引脚上升沿上的SRI数据。在数据传输结束时,数据被加载到DAC中通过将LD引脚拉低(参见LTC1595定时图表)。
应用程序信息
16针LTC1596可以与LTC1595提供了额外的引脚,以提高灵活性。四时钟引脚有STB1、STB2、STB3和STB4。STB1、STB2和STB4的工作方式与LTC1595,在其上升边缘捕获数据。STB3捕捉其下降沿的数据(见真值表1)。LTC1596有两个负载引脚,LD1和LD2。装载数据,两个引脚都必须取低。如果其中一个针脚接地时,另一个引脚的工作方式与LTC1595相同LD引脚。异步清除输入(CLR)重置LTC1596至零刻度(LTC1596-1至中刻度)当拉低(见真相表2)。LTC1596还有一个数据输出引脚SRO,可以连接到另一个DAC到菊花链的SRI输入一个3线接口上的多个DAC(见LTC1596时序图)。
单极(2象限倍增)模式
(电压=0V至-VREF)LTC1595/LTC1596可与单个运算放大器一起使用提供2象限乘法运算,如所示图1。当参考电压为10伏时,电路如图所示提供精确的单极性0V至10V输出摆幅。

应用程序信息
双极(4象限倍增)模式
(VOUT=–VREF到VREF)LTC1595/LTC1596可与双运算放大器一起使用以及三个外部电阻器,以提供4象限多功能操作,如图2(最后一页)所示。用一个固定的10V参考电压,显示的电路提供了一个精度双极性–10V至10V输出摆动。使用LTC1596-1将导致上电复位和清除引脚复位DAC至中间刻度(双极零点)。运算放大器选择因为16位的极高精度LTC1595/LTC1596,应考虑运算放大器为达到卓越性能而进行的选择这部分是有能力的。幸运的是INL和DNL到运算放大器的偏移量已经大大降低与前几代的倍增DAC相比。运算放大器偏移量将主要影响输出偏移量和对INL和DNL的影响最小。为例如,500μV运算放大器偏移将导致约0.55LSB
应用程序信息
INL降解和0.15LSB DNL降解,10V满标度范围。运算放大器偏移的主要影响是与运算放大器相等的零刻度误差退化偏移量和满标度误差的两倍运算放大器偏移量。例如,同样的500μV运算放大器偏移将导致3.3LSB零刻度误差和6.5LSB满标度误差,满标度范围为10V。运算放大器输入偏置电流(IBIAS)只产生一个零刻度误差,等于IBIAS(RFB)=IBIAS(RREF)=IBIAS(7k)。表2显示了LTC运算放大器的选择适用于LTC1595/LTC1596。对16位数模转换器的稳定时间和运算放大器进行了深入的讨论选择,参考应用注释74,“部件和测量的进步确保了16位DAC的稳定时间。”
接地
与任何高分辨率转换器一样,干净的接地很重要。低阻抗模拟地平面与星型应使用接地。IOUT2(LTC1596)和GND(LTC1595)必须以低a连接到星形接地尽可能的抵抗。
表2。LT1595 DAC驱动的各种放大器的16位稳定时间。LT1468(阴影)提供最快的沉降时间保持超温精度

安芯科创是一家国内芯片代理和国外品牌分销的综合服务商,公司提供芯片ic选型、蓝牙WIFI模组、进口芯片替换国产降成本等解决方案,可承接项目开发,以及元器件一站式采购服务,类型有运放芯片、电源芯片、MO芯片、蓝牙芯片、MCU芯片、二极管、三极管、电阻、电容、连接器、电感、继电器、晶振、蓝牙模组、WI模组及各类模组等电子元器件销售。(关于元器件价格请咨询在线客服黄经理:15382911663)
代理分销品牌有:ADI_亚德诺半导体/ALTBRA_阿尔特拉/BARROT_百瑞互联/BORN_伯恩半导体/BROADCHIP_广芯电子/COREBAI_芯佰微/DK_东科半导体/HDSC_华大半导体/holychip_芯圣/HUATECH_华泰/INFINEON_英飞凌/INTEL_英特尔/ISSI/LATTICE_莱迪思/maplesemi_美浦森/MICROCHIP_微芯/MS_瑞盟/NATION_国民技术/NEXPERIA_安世半导体/NXP_恩智浦/Panasonic_松下电器/RENESAS_瑞莎/SAMSUNG_三星/ST_意法半导体/TD_TECHCODE美国泰德半导体/TI_德州仪器/VISHAY_威世/XILINX_赛灵思/芯唐微电子等等
免责声明:部分图文来源网络,文章内容仅供参考,不构成投资建议,若内容有误或涉及侵权可联系删除。
Copyright © 2002-2023 深圳市安芯科创科技有限公司 版权所有 备案号:粤ICP备2023092210号-1