产品亮点
为最低系统成本而优化的功能
完全集成的短路和断路自动重启
回路保护
自偏压供电-节省变压器辅助绕组
以及相关的偏压电源组件
精密公差和可忽略的温度变化
关键参数简化了设计并降低了成本
高最大开关频率允许非常低
磁通密度变压器设计,实际上消除了
可听噪声
频率抖动大大降低了EMI
具有大爬电到高压引脚的封装
组件数量最少的交换机解决方案
比线性/RCC性能好得多
系统成本低于RCC、离散PWM和其他
集成解决方案
通用输入范围可在全球范围内运行
简单的开/关控制-无需回路补偿
无偏压绕组-更简单、成本更低的变压器
高频开关–更小、成本更低
变压器
非常低的组件数量-更高的可靠性和单一侧印制电路板
高带宽提供快速开启,无超调以及良好的瞬态负载响应
限流操作可抑制线路频率纹波
内置电流限制和滞后热关机
保护
生态智能®–非常节能
空载消耗<300 mW,无偏压绕组
265 VAC输入
满足加州能源委员会(CEC)能源部的要求
Star和欧盟要求
应用
手机/无绳电话、PDA、数码相机的充电器,MP3/便携式音频设备、剃须刀等。
备用和辅助电源
说明
LinkSwitch HF集成了700 V功率MOSFET、振荡器,简单的开关控制方案,高压开关电流®表1。注:1。非通风条件下的典型连续电源在50°C环境温度下测量的封闭适配器。2最大实用性具有足够热量的开放式框架设计中的连续功率下沉,在50°C环境下测量。三。包装:P:DIP-8B,G: SMD-8B。有关无铅封装选项,4对于没有Y电容器的设计,可用功率可能更低(请参阅关键应用程序注意事项)。电源、频率抖动、逐周期电流限制,以及单片集成电路上的热关机电路。创业工作功率直接来自于排液管脚,消除了对偏压绕组和相关电路的需要。200 kHz的最大开关频率允许低通量变压器设计,几乎消除了可听简单的噪声控制方案涂漆变压器结构。高效运作高开关频率是由于优化集成电路的开关特性和小电容功率MOSFET。全集成安全自动重启电路输出功率限制期间的故障电路或开环,减少元件数量和次级反馈电路成本。内部振荡器频率为抖动以显著降低准峰值和平均值电磁干扰,最小化滤波成本。

引脚功能描述
排水(D)销:功率MOSFET漏极连接。提供内部操作启动和稳态运行电流。
旁路(BP)引脚:0.1μF外部旁路电容器的连接点内部产生5.8 V电源。
反馈(FB)引脚:在正常工作期间,功率MOSFET的开关是由这个引脚控制。当大于49μa的电流被传输到该引脚。
源引脚:该引脚是功率MOSFET电源连接。它也是旁路和反馈引脚的接地参考
链路开关HF功能
说明
LinkSwitch HF组合了一个高压功率MOSFET在一个设备中带有电源控制器的开关。不像传统的PWM(脉冲宽度调制器)控制器,LinkSwitch HF使用简单的开/关控制来调节输出电压。LinkSwitch高频控制器包括振荡器,反馈(检测和逻辑)电路,5.8 V调节器,旁路引脚欠压电路,过温保护,频率抖动、限流电路、前沿消隐以及一个700伏功率MOSFET。链路开关HF包括附加自动重启电路。
振荡器
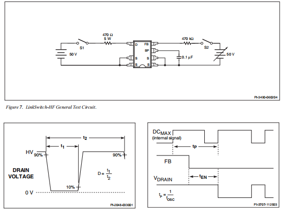
典型的振荡器频率在内部设置为平均值200千赫。振荡器产生两个信号:最大占空比信号(DCMAX)和时钟信号指示每个周期的开始。LinkSwitch高频振荡器包含以下电路引入少量的频率抖动,通常为16 kHz峰对峰,以最小化EMI发射。调制速率频率抖动设置为1.5 kHz以优化EMI降低无论是平均排放量还是准峰值排放量。频率应使用触发的示波器测量抖动漏极波形的下降沿。波形图4显示了链路开关HF的频率抖动。
反馈输入电路
FB引脚处的反馈输入电路由低阻抗源极跟随器输出设置为1.65 V。当电流输入该引脚的电流超过49μA,逻辑电平低(禁用)在反馈电路的输出端产生。这个输出在每个循环开始时在时钟信号。如果MOSFET的功率很高的话该循环(启用),否则功率MOSFET保持关闭(禁用)。因为采样只是在每个周期,FB引脚电压或电流的后续变化在循环的其余部分被忽略。
5.8V调节器和6.3V并联电压钳
5.8 V调节器为连接的旁路电容器充电通过从漏极电压,只要MOSFET关闭。这个旁路引脚是的内部电源电压节点高频连接开关。当MOSFET接通时,链路开关HF耗尽旁路电容器中储存的能量。非常内部电路的低功耗允许连接开关HF从电流消耗持续运行从放油销上。0.1μF的旁路电容值就足够了用于高频去耦和储能。此外,还有一个6.3 V并联调节器夹紧当向旁路提供电流时,旁路引脚为6.3V引脚穿过外部电阻器。这有助于链路开关高频通过外部偏置绕组来降低空载功耗小于50mw。
旁路引脚欠压
旁路引脚欠压电路使电源失效当旁路引脚电压下降到4.85v以下时,MOSFET。一旦旁路引脚电压下降到4.85伏以下,它必须上升回到5.8伏以启用(打开)功率MOSFET。
过热保护
热关机电路感测模具温度。阈值设置为142°C,典型值为75°C滞后。当模具温度上升到该阈值(142°C)以上时功率MOSFET被禁用并保持禁用直到模具温度下降75°C,此时重新启用。
电流限制
限流电路检测功率MOSFET中的电流。当电流超过内部阈值(ILIMIT)时功率MOSFET在这个循环的剩余时间被关闭。前沿消隐电路抑制电流限制功率MOSFET后短时比较器已打开。前缘冲裁时间的设定即电流尖峰由电容和整流器反向引起恢复时间不会导致提前终止开关脉冲。
自动重新启动
如果出现输出过载等故障情况,输出高频开关或短路自动重启操作。由每次FB引脚被拉高时,振荡器复位。如果FB引脚没有拉高30毫秒,功率MOSFET开关关闭650毫秒。自动重启交替进行启用和禁用功率MOSFET的开关,直到故障状态已排除。


应用程序示例
2.4 W CC/CV充电器适配器图5所示的电路是a 5.7 V,400 mA,恒压,恒流(CV/CC)电池充电器。由二极管D1-D4形成的输入电桥用于整流交流电输入电压。然后,整流后的交流电被过滤掉储存电容器C1和C2。电阻器RF1是防火的,易熔线绕式,起熔丝、浪涌电流的作用限幅器和由C1、C2和L1组成的π滤波器,差模噪声衰减器。这种简单的EMI滤波,加上频率抖动连接开关HF(U1),小值Y1电容器(CY1),以及T1内的屏蔽绕组,以及二次侧RC缓冲器(R5,C5),允许设计满足两个传导以及辐射EMI限值。CY1的低值很重要满足线路低频泄漏要求,在这种情况下<10μA。整流和滤波的输入电压被施加到一次侧T1绕组。变压器一次侧的另一侧是由U1集成MOSFET驱动。二极管D5、C3、R1R3形成初级钳位网络。这限制了峰值漏感引起的漏极电压。R3允许电阻器使用慢,低成本整流二极管限制反向当U1接通时,电流通过D5。慢节奏的选择二极管提高了效率和传导电磁干扰。输出整流由肖特基二极管D6提供。低地正向电压在整个操作过程中提供了高效率量程和低ESR电容C6使输出电压最小化涟漪。在恒压(CV)模式下,输出电压由齐纳二极管VR1与PNP晶体管发射基极电压问题1。Q1的VBE除以R7的值设置偏差通过VR1的电流(~2.7 mA)。当输出电压超过由Q1和VR1确定的阈值电压,Q1接通,电流流过U2的LED。作为LED电流增大,电流馈入反馈引脚增加,禁用U1的进一步开关周期。在非常轻的负载,几乎所有的开关周期都将被禁用,提供较低的有效开关频率和空载消耗。在负载瞬态期间,R6和R8确保Q1的额定值为当R4阻止C4排放时,不超过。电阻R9和R10形成恒流(CC)感测电路。在大约400毫安以上,电压通过感测电阻超过光耦二极管正向导通电压约为1 V。通过LED的电流因此由输出电流和CC控制决定控制CV反馈回路。CC保持控制即使在输出短路情况下。
关键应用注意事项
链路交换机HF设计注意事项
输出功率表
数据表最大输出功率表(表1)表示最大实际连续输出功率电平在以下假设条件下获得:
1.对于85伏交流电压,最小直流输入电压为90伏或更高输入,或240 V或更高,用于230 VAC输入或115 VAC带电压倍增器。输入电容值应足够大,以满足这些交流输入标准设计。
2.带肖特基整流二极管的5.5V二次输出。
3.假设效率为70%。
4.fOSC(min)和ILIMIT(min)的工作频率。
5.仅电压输出(无二次侧恒流电路)。
6.连续模式运行(0.6≤KP≤1)。
7.该部分是板安装与源引脚焊接足够的铜面积来保持源引脚温度等于或低于100°C。
8.开放式框架设计的环境温度为50°C适配器的内部外壳温度为60°C设计。低于1,KP是波纹与一次峰值的比率电流。高于1,KP是初级MOSFET的比率关断时间到二次二极管导通时间。在较低的有效开关频率下工作可以简化符合传导和辐射电磁干扰限值,尤其是必须消除安全Y电容器的设计。通过使用较低的有效满载频率,计算初级电感值高于电力输送。但是,在这个较低的工作频率将低于这些值如表1所示。
可听噪声
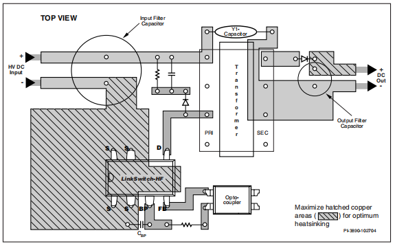
跳频工作方式在短波链路交换机中的应用可以在变压器中产生音频分量。为了限制这种可听噪声的产生,变压器应其设计应使磁芯磁通密度峰值低于1250高斯(125公吨)。遵循本指南并使用标准变压器浸漆生产技术几乎消除了可听噪音。更高的通量密度但是,仔细评估可听见的噪音是可能的性能应使用生产变压器批准设计前的样品。使用Z5U等介质的陶瓷电容器在钳位电路中,也可能产生音频噪声。如果这是在这种情况下,试着用一个不同的电容器替换它们电介质,例如聚酯薄膜型。LinkSwitch HF布局注意事项参见图6,以获取高频连接开关。
单点接地
使用输入滤波器的单点接地连接电容器连接到铜源的面积别针。
旁路电容器(CBP)
旁路管脚电容器应尽可能靠近到旁路和源引脚。一回路面积连接输入滤波器的主回路区域电容器、变压器一次侧和联络开关HF在一起应该尽量小一些。初级箝位电路一个钳位是用来限制峰值电压在漏引脚在转弯关了。这可以通过使用RCD卡箍(如图所示)来实现在图5)或齐纳(~200V)和二极管钳一次绕组。在所有情况下,为尽量减少电磁干扰,应注意用于最小化来自箝位元件的电路路径至变压器和连接开关HF。
热因素
链路开关HF下方的铜区不仅起作用作为单点接地,也可以作为散热片。因为这个地区连接到安静的源节点,这个区域应该被最大化用于连接开关HF的良好散热。同样适用于输出二极管的阴极。
Y型电容器
Y型电容器的放置应直接从初级输入滤波器电容器正极端子变压器二次侧的公共/回流端子。这样的一个放置将路由高强度共模浪涌远离链路开关高频设备的电流。注意,如果输入π(C,L,C)EMI滤波器,然后在过滤器应放置在输入滤波电容器。
光耦
将光耦物理地靠近链接开关HF to最小化主边跟踪长度。保持大电流,远离光耦的高压漏极和钳位轨迹以防止噪音增加。输出二极管为了获得最佳性能,连接二次绕组、输出二极管和输出滤波器电容器应尽量减少。另外,足够的铜应在阳极和阴极端子处提供区域用于散热的二极管。最好在安静的阴极终端。一个大的阳极面积可以增加高频率辐射EMI。
快速设计检查表
与任何电源设计一样,所有连接开关HF设计应在试验台上进行验证,以确保在最坏情况下不会超过规格。这个强烈建议至少进行以下试验:
1.最大漏极电压–验证VDS不超过最高输入电压和峰值(过载)输出时为675 V权力。
2.最大漏电流-在最高环境温度下,最大输入电压和峰值输出(过载)功率,检查漏极电流波形是否有变压器迹象饱和和过大的前沿电流尖峰启动。在稳定状态下重复上述步骤,并验证图6。高频反激式开关的推荐布局。前沿电流尖峰事件低于tLEB结束(分钟)。在任何情况下,最大排水量电流应低于规定的绝对最大值评级。
3.热检查-在规定的最大输出功率下,最小输入电压和最高环境温度,确认没有超过温度规格用于连接开关HF、变压器、输出二极管和输出电容器。应留出足够的热裕度链路开关HF as的RDS(ON)的部分到部分变化在数据表中指定。在低线,最大功率下,最大链路开关高频源引脚温度为建议100°C,以考虑这些变化。

绝对最大额定值(1,5)
漏极电压 -0.3伏至700伏
峰值漏极电流 400毫安(750毫安)(2)
反馈电压 -0至9伏
反馈电流 100毫安
旁路电压 -0.3伏至9伏
储存温度 -65°C至150°C
工作结温度(3)-40°C至150°C
铅温度(4)260摄氏度
笔记:
1.参考电源的所有电压,TA=25°C。
2.当漏极电压小于400V。
3.通常受内部电路限制。
4.1/16英寸。从箱子里出来5秒钟。
5.可采用规定的最大额定值,一次一个,不会对产品造成永久性损坏。暴露于绝对最大额定值条件下延长时间可能会影响产品可靠性
热阻抗
热阻抗:P或G包装:
(θJA)70°C/W(2);60°C/W(3)
(θJC)(1)11°C/W
笔记:
1.在靠近塑料接口的针脚2(源)上测量。
2.焊接至0.36平方英寸。(232平方毫米)2盎司(610克/平方米)包铜。
3.焊接至1平方英寸。(645平方毫米)2盎司(610克/平方米)包铜。



笔记:
A、 当反馈管脚电压≥2V(MOSFET不等于)时,总电流消耗为IS1和IDSS之和当反馈管脚对电源短路(MOSFET开关)时,IS2和IDSS之和。
B、由于输出MOSFET是开关的,很难将开关电流与电源电流隔离排水。另一种方法是测量6V时的旁路引脚电流。
C、 旁路引脚启动充电波形见典型性能特性章节图14。
D、 此电流仅用于提供连接在旁路和反馈之间的可选光耦引脚而不是任何其他外部电路。
E、 有关其他di/dt值的电流限制,请参考图13。
F、 此参数由设计保证。
G、 此参数由特征化派生。
H、 自动重启时间与振荡器具有相同的温度特性(与频率)


安芯科创是一家国内芯片代理和国外品牌分销的综合服务商,公司提供芯片ic选型、蓝牙WIFI模组、进口芯片替换国产降成本等解决方案,可承接项目开发,以及元器件一站式采购服务,类型有运放芯片、电源芯片、MO芯片、蓝牙芯片、MCU芯片、二极管、三极管、电阻、电容、连接器、电感、继电器、晶振、蓝牙模组、WI模组及各类模组等电子元器件销售。(关于元器件价格请咨询在线客服黄经理:15382911663)
代理分销品牌有:ADI_亚德诺半导体/ALTBRA_阿尔特拉/BARROT_百瑞互联/BORN_伯恩半导体/BROADCHIP_广芯电子/COREBAI_芯佰微/DK_东科半导体/HDSC_华大半导体/holychip_芯圣/HUATECH_华泰/INFINEON_英飞凌/INTEL_英特尔/ISSI/LATTICE_莱迪思/maplesemi_美浦森/MICROCHIP_微芯/MS_瑞盟/NATION_国民技术/NEXPERIA_安世半导体/NXP_恩智浦/Panasonic_松下电器/RENESAS_瑞莎/SAMSUNG_三星/ST_意法半导体/TD_TECHCODE美国泰德半导体/TI_德州仪器/VISHAY_威世/XILINX_赛灵思/芯唐微电子等等
免责声明:部分图文来源网络,文章内容仅供参考,不构成投资建议,若内容有误或涉及侵权可联系删除。
Copyright © 2002-2023 深圳市安芯科创科技有限公司 版权所有 备案号:粤ICP备2023092210号-1