2独立控制
H桥
RDS,ON<0.9Ω@环境温度=25°C,VS=14 V
0.8A直流无散热片
低静态模式Iq<200μA
热防护
交叉传导保护
电源电压高达40V
CMOS兼容输入
输出短路保护
说明
L9925是步进电机的双全桥驱动器电机应用。在BCD(双极性,CMOS&DOS)技术,逻辑电路,精密线性块和功率晶体管组合在一起优化电路性能和最小化关断芯片组件。施密特触发器用于所有输入级和完全兼容5VCMOS逻辑电平。当两个启用信号都低,则IC被命令进入低静态电流状态,从电池。电荷泵集成在芯片上;不需要外部组件。充分发挥维护9V<VS<16V。扩展范围6V<VS<9V和16V<VS<40V,功能齐全,但性能轻松。所有引脚的超温保护和ESD保护确保可靠性并降低系统集成度失败。

绝对最大额定值
绝对最大额定值是指超过该值可能对设备造成损坏的数值。功能性这种情况下的操作是不隐含的。对于设备外部施加的电压和电流:

(1) 如果在一个或多个输出端同时出现脉冲和短路,则装置可能会过度应力。
电气特性(VS=9至16V;Tj=-40至150°C(3),除非另有规定。)

当电流流入引脚时,参考GND的电压和电流被假定为正。
(3) 在125°C的温度下进行测试,通过150°C的相关系数保证参数

一般操作
启用网桥后,每个输入INx直接映射到相应的输出OUTx。输出电压将等于差值在供应链和产品之间负载电流和输出的导通电阻开关。Vout=V电源-(RDS,在⋅ILOAD上)。源负载电流为正。


图4显示了直流电机驱动。为确保电路在蓄电池反向工作时的安全,需要使用反向保护二极管D1。瞬态保护二极管D2必须确保瞬态期间的电源电压VSVBAT行将被限制为小于VVSP的绝对最大额定值。容量CB用于降低VS-EMR,其值取决于驱动负载。电阻反馈回路通过二极管Do连接到μP电源线上允许打开负载检测。保护设备输出端抗EMI或ESD>2KV外部可使用电容器Cex。
电路描述
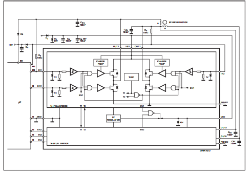
L9925是一款双全桥集成电路,用于驱动直流电动机、步进电动机和其他感应电动机荷载。Eah电桥有4个功率DMOS晶体管RDSon=0.75Ω和相对保护和控制电路(见图5)。t四分之一桥梁可通过以下方式独立控制IN1、IN3、IN4和2的4个输入的方式使能输入ENABLE1和ENABLE2。

交叉传导
该器件通过观察内部栅极源电压来保证没有交叉导电动力汽车制造商。晶体管操作开启状态当一个功率DMOS晶体管在上面时可视为电阻器RDS(ON)=0.75Ω连接温度为25°C在这种情况下,通过以下方式产生耗散功率:PON=RDS(开)⋅IDS2多电源BCD过程的低RDS(ON)可提供低功耗的高电流。
关闭状态
当其中一个功率DMOS晶体管关闭VDS电压等于电源电压,只有泄漏电流IDSS流动。给出了这段时间内的功耗:POFF=VS⋅IDSS
过渡
就像所有的MOS功率晶体管一样功率晶体管在源极和漏极之间有一个内部二极管,它可以作为开关模式应用中的快速续流二极管。在再循环过程中,使能输入较低,功率MOS关闭,二极管电压固定在其特性上。当启用输入低时,功率MOS关闭,二极管携带所有的接收电流。循环中转换时间内消耗的功率取决于应用中的电压和电流波形。Ptrans=IDS(t)⋅VDS(t)

热防护
包括一个热保护电路如果结温低于温度下降时达到150°C在输入和启用信号的控制下,设备重新启动至安全水平。
申请信息
再循环
在ENALBE输入高的再循环过程中,晶体管上的电压降为RDS(开)。对于小于0.6V的电压,且夹持在电压取决于源漏二极管更高的电压。尽管该装置有防止交叉传导的保护措施。各桥功耗为了达到所提供的高性能到了L9925,必须注意确保它有足够的PCB面积来散热。任何热设计的第一阶段是计算应用,在本例中,考虑图6所示的半步操作。上升时间TR当半桥臂打开时,电流开始在感应负载中流动,直到最大电流IL在时间TR后达到,即耗散能量EOFF/ON。

准时到吨
在此期间,能量耗散是由于晶体管EON和减刑经济。作为两个电力DMO晶体管接通EON由以下公式给出:EON=IL2⋅RDS(开)⋅2⋅吨
在换向过程中,消耗的能量为:经济=VS⋅IL⋅TCOM⋅F开关⋅吨
TCOM=通信时间,假设:TCOM=trise=tfall≤20μs t开关=斩波频率下降时间TF在这个例子中,假设能量消散在这一部分的周期采取相同的上升时间的形式如下:

静止能量
能量耗散的最后贡献是由于静止供电电流和:等分=IQUIESCENT⋅VS⋅T
每循环总能量
ETOT=(2⋅EOFF/ON+EON+ECOM)桥接1+
+(2⋅EOFF/ON+EON+ECOM)bridg2+等分
总功耗PDI简单地说:
TR=上升时间
TON=准时
TF=下降时间
TOFF=关闭时间
T=周期
T=TR+TON+TF+TOFF
安芯科创是一家国内芯片代理和国外品牌分销的综合服务商,公司提供芯片ic选型、蓝牙WIFI模组、进口芯片替换国产降成本等解决方案,可承接项目开发,以及元器件一站式采购服务,类型有运放芯片、电源芯片、MO芯片、蓝牙芯片、MCU芯片、二极管、三极管、电阻、电容、连接器、电感、继电器、晶振、蓝牙模组、WI模组及各类模组等电子元器件销售。(关于元器件价格请咨询在线客服黄经理:15382911663)
代理分销品牌有:ADI_亚德诺半导体/ALTBRA_阿尔特拉/BARROT_百瑞互联/BORN_伯恩半导体/BROADCHIP_广芯电子/COREBAI_芯佰微/DK_东科半导体/HDSC_华大半导体/holychip_芯圣/HUATECH_华泰/INFINEON_英飞凌/INTEL_英特尔/ISSI/LATTICE_莱迪思/maplesemi_美浦森/MICROCHIP_微芯/MS_瑞盟/NATION_国民技术/NEXPERIA_安世半导体/NXP_恩智浦/Panasonic_松下电器/RENESAS_瑞莎/SAMSUNG_三星/ST_意法半导体/TD_TECHCODE美国泰德半导体/TI_德州仪器/VISHAY_威世/XILINX_赛灵思/芯唐微电子等等
免责声明:部分图文来源网络,文章内容仅供参考,不构成投资建议,若内容有误或涉及侵权可联系删除。
Copyright © 2002-2023 深圳市安芯科创科技有限公司 版权所有 备案号:粤ICP备2023092210号-1