特征
●供货范围广
—单电源:+8V至+60V
—双电源:±4V至±30V
●高输出电流:
—3A连续
—5A峰值
●输出电压摆幅大
●完全保护:
—热关机
—可调限流
●输出禁用控制
●热关机指示灯
●高转换率:10V/μs
●低静态电流
●包装:
—7线到220,拉链和直引线
—7-引线DDPAK表面安装
应用
●阀门、致动器驱动器
●同步、伺服驱动器
●电源
●试验设备
●传感器励磁
●音频放大器
说明
OPA548是一种低成本、高电压/大电流运算放大器,是驱动各种负载的理想选择。激光微调单片集成电路提供了优良的低电平信号精度和高输出电压和电流。
OPA548采用单电源或双电源供电,以提高设计灵活性。在单电源操作中,输入共模范围延伸至地面以下。
OPA548具有内部保护,可防止过热和电流过载。此外,OPA548的设计提供了一个准确的,用户选择的电流限制。与其他设计不同的是,在输出电流路径中串联使用“功率”电阻器,OPA548间接感应负载。电流可通过a/a电位器从a/a调节到输出限值。
启用/状态(E/S)引脚提供两种功能。引脚上的输入不仅使输出级不能有效地断开负载,而且还可以减少静态电流以节省功率。可监控E/S引脚输出,以确定OPA548是否处于热关机状态。
OPA548有一个工业标准的7-引线交错和直引线TO-220封装,以及一个7-引线DDPAK表面安装塑料电源封装。铜片或散热片电路板易于安装。它被指定在扩展的工业温度范围(-40°C至+85°C)下运行。SPICE宏模型可用于设计分析。

典型特征
TCASE=+25°C,VS=±30V,E/S引脚开路,除非另有说明。











应用程序信息
图1显示了OPA548作为基本的非转换放大器连接。OPA548几乎可以用于任何运算放大器配置。
电源端子应使用低串联阻抗电容器旁路。建议采用图7所示的技术,同时使用陶瓷和钽类型。此外,我们建议在V+和V-之间使用0.01μF电容器,尽可能接近OPA548。电源接线应具有低串联阻抗。

电源
OPA548在单电源(+8V至+60V)或双电源(±4V至±30V)下工作,性能优异。在整个工作电压范围内,大多数特性保持不变。典型特性曲线显示了随工作电压变化显著的参数。
有些应用不需要相等的正、负输出电压摆幅。电源电压不需要相等。OPA548可以在电源之间的最小电压为8V,电源之间的最高电压为60V。例如,正极电源可以设置为55V,负极电源设置为–5V,反之亦然。
可调限流
OPA548具有用户选择的精确电流限制。通过控制ILIM引脚的输入,将电流限制从0A设置为5A。与其他设计不同的是,OPA548与输出电流通路串联使用功率电阻器,它间接地感知负载。这允许使用0μa到330μa的控制信号来设置电流限制。相反,其他设计需要一个限制电阻来处理全部输出电流(在这种情况下是5A)。
对于OPA548,调整电流限制的最简单方法是使用连接在ILIM引脚和V之间的电阻器或电位计-根据方程式1:

低电平控制信号(0μA至330μA)也允许对电流限制进行数字控制。
有关用于设置电流限制的内部电路的简化示意图,请参见图3。保持ILIM引脚打开,将输出电流编程为零,同时将ILIM直接连接至V–编程最大输出电流限制,通常为5A。
安全操作区
输出晶体管上的应力由输出电流和导电输出晶体管的输出电压VS–VO决定。输出晶体管消耗的功率等于输出电流和穿过导电晶体管的电压的乘积,VS–VO。安全工作区(SOA曲线,图2)显示了电压和电流的允许范围。

随着VS–VO的增加,安全输出电流减小。输出短路对SOA来说是一个非常苛刻的情况。对地短路迫使整个电源电压(V+或V-)穿过导电晶体管。提高外壳温度会降低可容忍的安全输出电流,而无需激活OPA548的热关机电路。要进一步了解SOA,请参阅应用程序公告SBOA022。
放大器安装
图4提供了TO-220和DDPAK电源包的推荐焊料足迹。两个电池组的接线片都与负极电源V-电连接。最好用云母(或其他薄膜)绝缘体将to-220封装的凸耳与其安装面隔离(见图5)。为了降低整体热阻,最好将整个散热器/OPA548结构与安装表面隔离,而不是在半导体和散热器之间使用绝缘体。


为了获得最佳的热性能,DDPAK表面贴装版的标签应该直接焊接到电路板的铜区域。增加铜面积可以改善散热。从结到周围的典型热阻(作为铜面积的函数)见图6。
功率损耗
功耗取决于电源、信号和负载条件。对于直流信号,功耗等于输出电流乘以通过导电输出晶体管的电压的乘积。通过使用所需的尽可能低的电源电压以确保所需的输出电压摆幅,可以将功耗降至最低。


对于电阻负载,最大功耗发生在电源电压一半的直流输出电压。交流信号的损耗更低。应用公告SBOA022解释了如何计算或测量异常信号和负载的功耗。
热防护
OPA548中消耗的功率会导致结温升高。OPA548有热关机电路,保护放大器不受损坏。当结温达到约160°C时,热保护电路将禁用输出,使设备冷却。当结温冷却到大约140°C时,输出电路再次启用。根据负载和信号条件,热保护电路可以循环打开和关闭。这限制了放大器的损耗,但可能对负载产生不良影响。
任何启动热保护电路的趋势都表明功耗过大或散热不足。为了可靠运行,结温最高应限制在125°C。为了估计完整设计(包括散热器)的安全裕度,请提高环境温度,直到触发热保护。使用最坏情况下的负载和信号条件。为了获得良好的可靠性,热保护应触发高于应用的最大预期环境条件35°C以上的温度。这将在最大预期环境条件下产生125°C的结温。
OPA548的内部保护电路设计用于防止过载。下沉是不合适的。持续运行OPA548进入热停堆将降低可靠性。
散热
大多数应用需要一个散热器,以确保不会超过最高工作结温度(125°C)。此外,为了提高可靠性,结温应尽可能低。结温可根据以下公式确定:

TJ=结温(°C)
TA=环境温度(°C)
PD=消耗功率(W)
θJC=接头与外壳之间的热阻(°C/W)
θCH=外壳到散热器的热阻(°C/W)
θHA=热沉对环境热阻(°C/W)
θJA=接头对空气的热阻(°C/W)
图7显示了使用和不使用散热器时的最大功耗与环境温度的关系。如图所示,在给定的环境温度下,使用散热器可以显著提高最大功耗。
选择所需散热片的困难在于确定OPA548所消耗的功率。对于纯电阻负载的直流输出,功率损耗就是负载电流乘以传导输出晶体管产生的电压,PD=IL(VS–VO)。其他的负荷就不那么简单了。请参阅应用公告SBOA022,了解有关计算功耗的更多信息。一旦知道应用的功耗,就可以选择合适的散热器。

散热器选择示例
TO-220封装的功耗为5W。预期的最高环境温度为40°C。找到合适的散热片,使结温保持在125°C(150°C减去25°C安全裕度)以下。
结合方程式(1)和(2)得出:

给出了TJ、TA和PD。θJC在规格表中提供,2.5°C/W(dc)。θCH可从散热器制造商处获得。它的值取决于散热器的大小、面积和所用的材料。半导体封装类型、安装螺钉扭矩、使用的绝缘材料(如果有)和使用的热连接化合物(如果有)也会影响θCH。TO-220安装封装的典型θCH为1°C/W。现在我们可以求解θHA:

为使结温保持在125°C以下,所选散热器的θHA必须小于14°C/W。换言之,高于环境温度的散热器温升必须小于67.5°C(13.5°C/W•5W)。例如,型号为6030B的5W热合金的散热器温升比环境温度高66℃(θHA=66℃/5W=13.2℃/W),低于本例要求的67.5℃。图7显示了带有6030B散热片的TO-220封装的功耗与环境温度的关系。
另一个要考虑的变量是自然对流和强迫对流气流。小风扇强制风冷可以显著降低θCA(θCH+θHA)。散热器制造商为这两种情况提供了热数据。有关确定散热器要求的更多信息,请参阅应用公告SBOA021。
如前所述,一旦选择了散热片,应在最坏的负载和信号条件下测试完整的设计,以确保适当的热保护。
启用/状态(E/S)引脚
Enable/Status引脚提供两个功能:强制该引脚低,禁用输出级,或者可以监控E/S,以确定OPA548是否处于热关机状态。这些功能中的一个或两个可以在同一个设备上使用单电源或双电源。对于正常操作(输出开启),E/S引脚可以保持打开或拉高(至少在负轨上方2.4V)。噪声应用可能需要连接在E/S引脚和V-之间的小值电容器。
输出禁用
OPA548的一个独特特性是其输出禁用能力。此功能不仅在闲置期间(静态电流降至约6mA)节省功率,而且允许在低频(f<20kHz)、多信道应用中进行多路复用。大于20kHz的信号可能会导致以下设备的泄漏电流增大关机。图18所示为开关放大器配置中的两个OPA548。两个放大器的开/关状态由E/S引脚上的电压控制。
为了禁用输出,将E/S引脚拉低,在负极导轨上方不超过0.8V。通常,输出在1μs内关闭。图8提供了如何使用单个电源实现此功能的示例。图9给出了双电源应用电路。要将输出恢复到启用状态,应断开(打开)E/S引脚或将其拉至至少(V-)+2.4V。应注意,将E/S引脚拉高(输出启用)不会禁用内部热关机。


热关机状态
当模具温度达到约160°C时,内部热关机电路关闭输出,当模具冷却到140°C时复位。可以监控E/S引脚,以确定是否发生关机。在正常运行期间,E/S引脚上的电压通常高于负极导轨3.5V。一旦发生停机,该电压降至负轨上方约350mV。
图10给出了一个在单个电源应用程序中监视关机的示例。图11提供了一个双电源电路。外部逻辑电路或LED可用于指示输出是否已热关机,见图16。


输出禁用和热关机状态
如前所述,OPA548的输出可以被禁用,禁用状态可以同时被监视。图12和图13分别提供了在使用单电源和双电源时连接E/S引脚的示例。
输出级补偿
功率运算放大器应用中常见的复杂负载阻抗会导致输出级不稳定。对于正常操作,通常不需要输出补偿电路。但是,如果需要将电流驱动到网络548,则可能需要将电流引入网络548。图14显示输出串联R/C补偿(缓冲)网络,它通常提供极好的稳定性。
当驱动大的电容性负载(>1000pF)或感性负载(电机、通过长电缆与放大器分离的负载)时,缓冲电路也可以提高稳定性。通常,3Ω至10Ω与0.01μF至0.1μF串联即可。某些负载可能需要电路值的某些变化。
输出保护
产生无功和电动势的负载会将负载电流返回到放大器,导致输出电压超过电源电压。从输出端到电源的钳位二极管可以避免这种损坏情况,如图14所示。建议使用连续额定值为5A或更大的肖特基整流二极管。


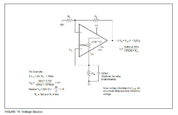
电压源应用
图15说明了如何使用OPA548提供一个只有三个外部电阻的精确电压源。首先,根据期望的输出电流选择限流电阻RCL。在ILIM引脚上产生的电压在超温下是恒定和稳定的。这个电压,VCL,被连接到运算放大器的不可逆输入端,用作电压基准,因此不需要外部基准。选择反馈电阻以将VCL增益到所需的输出电压电平。
可编程电源
使用OPA548可以很容易地构建可编程源/接收器电源。输出电压和输出电流均由用户控制。如图16所示,使用电位计调节输出电压和电流,而图17使用DAC。通过逻辑门与E/S引脚相连的LED指示OPA548是否处于热关机状态。





安芯科创是一家国内芯片代理和国外品牌分销的综合服务商,公司提供芯片ic选型、蓝牙WIFI模组、进口芯片替换国产降成本等解决方案,可承接项目开发,以及元器件一站式采购服务,类型有运放芯片、电源芯片、MO芯片、蓝牙芯片、MCU芯片、二极管、三极管、电阻、电容、连接器、电感、继电器、晶振、蓝牙模组、WI模组及各类模组等电子元器件销售。(关于元器件价格请咨询在线客服黄经理:15382911663)
代理分销品牌有:ADI_亚德诺半导体/ALTBRA_阿尔特拉/BARROT_百瑞互联/BORN_伯恩半导体/BROADCHIP_广芯电子/COREBAI_芯佰微/DK_东科半导体/HDSC_华大半导体/holychip_芯圣/HUATECH_华泰/INFINEON_英飞凌/INTEL_英特尔/ISSI/LATTICE_莱迪思/maplesemi_美浦森/MICROCHIP_微芯/MS_瑞盟/NATION_国民技术/NEXPERIA_安世半导体/NXP_恩智浦/Panasonic_松下电器/RENESAS_瑞莎/SAMSUNG_三星/ST_意法半导体/TD_TECHCODE美国泰德半导体/TI_德州仪器/VISHAY_威世/XILINX_赛灵思/芯唐微电子等等
免责声明:部分图文来源网络,文章内容仅供参考,不构成投资建议,若内容有误或涉及侵权可联系删除。
Copyright © 2002-2023 深圳市安芯科创科技有限公司 版权所有 备案号:粤ICP备2023092210号-1