大范围电源操作
“片上”700V V(BR)DSS功率MOS
65 kHz内部振荡器
2.5V±2%内部基准
待机模式,在轻载
过电流和闭锁
过电压保护
非耗散内置启动电路
滞后热关机
断电保护(SMD封装仅限)
主要应用
壁挂式电源高达15 W
AC-DC适配器
辅助电源:
-CRT和LCD显示器(蓝色天使)
-台式PC/服务器
-传真、电视、激光打印机
-家用电器/照明
线路卡,DC-DC转换器
说明
L6590是采用BCD离线技术设计的单片开关稳压器,能够工作输入电压范围广15W输出功率。内部电源开关是一个横向功率MOSFET,典型的RDS(on)为13Ω最小电压为700V的V(BR)DSS。


电气特性(Tj=-25至125°C,Vcc=10V;除非另有规定)

电气特性(续)

(1)相互跟踪的参数
(2)参数由设计保证,未在生产中测试
(3)设计保证的参数,生产中测试的功能





申请信息
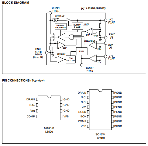
在以下章节中,功能块以及设备最重要的内部功能将被描述。
启动电路
当电路首次通电,且大容量电容器上的电压足够高时,内部高压电流发生器具有足够的偏压,可以开始运行,并通过变压器的一次绕组和漏极引脚。大部分电流给连接在引脚Vcc(3)和地之间的旁路电容器充电,使其电压线性上升。当Vcc电压达到启动阈值(14.5V典型值)时,复位所有内部逻辑后,芯片启动运行时,内部功率MOSFET可切换,内部高压发生器断开连接。IC由储存在Vcc电容器中的能量供电,直到自供电路(通常是变压器的辅助绕组)产生足够高的电压来维持运行。当集成电路运行时,通常由自供电绕组产生的电源电压可以在16伏之间(过压保护限值,见相关章节)和7 V,欠压锁定阈值。下面该值装置关闭(内部启动发电机激活)。这两个门槛跟踪。Vcc引脚上的电压被钳位电路限制在安全值。它的17V阈值跟踪过电压保护阈值。

功率MOSFET与栅极驱动器
功率开关采用横向N沟道MOSFET实现,其V(BR)DSS最小为700V,典型RDS(on)为13Ω。它有一个SenseFET结构,允许几乎无损的电流感应(仅用于保护)。在低电源的不连续导电模式下运行时,漏极电压很可能低于地面。开关周围的内部结构可防止注入IC基板的任何风险。功率MOSFET的栅极驱动器设计用于在导通和关闭以最小化共模EMI。在UVLO条件下,内部下拉电路将栅极保持在较低水平,以确保功率MOS FET不会意外打开。

振荡器和PWM控制
PWM调节是通过实现电压模式控制来实现的。如图33所示,该块包括振荡器、PWM比较器、PWM锁存器和误差放大器。振荡器以内部固定在65 kHz的频率工作,精度为±10%。最大负荷循环限制在70%典型值。PWM锁存器(复位为主)由振荡器的时钟脉冲设置,并由PWM通信分配器或过流比较器复位。误差放大器(E/A)是一种具有MOS输入级和AB类输出级的运算放大器。放大器是补偿了单位增益下的闭环稳定性,具有70 dB(典型)的小信号直流增益和1 MHz以上的增益带宽积。在过电流的情况下,误差放大器输出饱和高,功率MOSFET的导通由OCP比较器而不是PWM比较器停止。在零负载条件下,误差放大器接近其低饱和,而栅极驱动器的输出也很短尽可能的脉冲,受到内部延迟的限制。但是它们太长,无法维持长期的能量平衡,因此,有时需要跳过一些周期,从而使操作变得异步。这是由控制回路自动完成的。
备用功能
备用功能针对反激拓扑进行了优化,可自动检测转换器的轻负载情况并降低振荡器频率。当输出负载累积并超过定义的阈值。此功能允许最小化与开关频率相关的功率损耗,开关频率是损耗的主要部分在轻负载的反激中,不放弃在重负载下较高开关频率的优点。备用功能通过监测电源开关中的峰值电流来实现。如果负荷很低的话未达到阈值(80 mA典型值),振荡器频率将设置为22 kHz(典型值)。当负载需要更大的功率,并且一次电流峰值超过第二个阈值(190毫安典型值)时振荡器频率重置为65 kHz。这种110毫安的迟滞可以防止意外的频率变化功率使峰值电流接近任一阈值。来自检测电路的信号经过数字滤波,以避免由于负载变化大或噪音大。

断电保护(仅限L6590D)
断电保护基本上是一种非锁定设备关闭功能。它通常用于检测电源欠压(断电)。这种情况可能导致主电源部分过热,原因是超过均方根电流。

另一个问题是在变频器断电期间,如果输入电压缓慢衰减(例如,使用大容量输入电容器),这会导致输出电压不会衰减到零单声道的。变频器的关闭可以用L6590D通过一个内部比较器来完成用于感应输入电容器上的电压。该比较器内部参考2.5V和如果在其外部可用的非逆变输入端施加的电压低于参考值,则禁用PWM。当针脚处的电压高于2.5伏时,PWM操作重新启用。brownout比较器配备有电流滞环,而不是更常见的电压滞后:只要施加在非反相输入端的电压超过2.5V,内部50μa电流发生器就会开启如果电压低于2.5V,则关闭。此方法提供了额外的自由度:可以设置通过适当选择外部分压器的电阻,分别设置开阈值和关阈值,这是不可能的电压滞后。
过电压保护
集成电路集成了一个过电压保护(OVP),它对保护转换器和针对电压反馈回路故障的负载。这种故障会导致输出电压在没有如果处理不当,很容易导致负载和转换器本身的损坏。如果发生这样的事件,由为集成电路供电的辅助绕组产生的电压将向上飞去输出电压。内部比较器持续监控Vcc电压并停止IC,如果电压超过16.5 V,则该状态被锁定并保持,直到Vcc电压降至UVLO阈值。然后转换器将间歇性工作。

过电流保护
该装置采用逐脉冲限流进行过流保护(OCP),以防止过应力内部MOSFET的:它的电流在导通时间被监测,如果它超过了一个确定的值,则传导立即终止。MOSFET将在随后的开关周期中再次打开。如前所述,内部功率mosfet有一个SenseFET结构:一些单元的源是连接在一起并与其他电源连接分开,以实现1:100分流器。所述“感测”部分连接到具有低热系数的地基准感测电阻器。这个OCP比较器感测通过感测电阻的电压降,如果电压降超过阈值,则重置PWM锁存器,从而关闭MOSFET。这样,过电流阈值被设置为约0.65 A
(典型值)。
在开启时,由于寄生电容的放电,以及在持续导通模式运行的情况下,次级二极管反向恢复会产生较大的电流尖峰,这可能会错误地触发OCP比较器。为了提高抗扰度,OCP比较器的输出被短时间屏蔽(约120纳秒)在MOSFET接通后,此时隙内的任何干扰都会被抑制(导边消隐)。

热关机
可避免因功率过大或散热不足而导致的设备过热热关机功能。热传感器监测功率MOSFET附近的结温并且,当温度超过150°C(最小值)时,设置一个警报信号,停止设备的运行。这是一个非锁存功能,当温度下降约40°C时,功率MOSFET重新启用。
安芯科创是一家国内芯片代理和国外品牌分销的综合服务商,公司提供芯片ic选型、蓝牙WIFI模组、进口芯片替换国产降成本等解决方案,可承接项目开发,以及元器件一站式采购服务,类型有运放芯片、电源芯片、MO芯片、蓝牙芯片、MCU芯片、二极管、三极管、电阻、电容、连接器、电感、继电器、晶振、蓝牙模组、WI模组及各类模组等电子元器件销售。(关于元器件价格请咨询在线客服黄经理:15382911663)
代理分销品牌有:ADI_亚德诺半导体/ALTBRA_阿尔特拉/BARROT_百瑞互联/BORN_伯恩半导体/BROADCHIP_广芯电子/COREBAI_芯佰微/DK_东科半导体/HDSC_华大半导体/holychip_芯圣/HUATECH_华泰/INFINEON_英飞凌/INTEL_英特尔/ISSI/LATTICE_莱迪思/maplesemi_美浦森/MICROCHIP_微芯/MS_瑞盟/NATION_国民技术/NEXPERIA_安世半导体/NXP_恩智浦/Panasonic_松下电器/RENESAS_瑞莎/SAMSUNG_三星/ST_意法半导体/TD_TECHCODE美国泰德半导体/TI_德州仪器/VISHAY_威世/XILINX_赛灵思/芯唐微电子等等
免责声明:部分图文来源网络,文章内容仅供参考,不构成投资建议,若内容有误或涉及侵权可联系删除。
Copyright © 2002-2023 深圳市安芯科创科技有限公司 版权所有 备案号:粤ICP备2023092210号-1