特征
●低电源电流:1μA
●增益带宽:70kHz
●统一增益稳定
●低输入偏置电流:10pA(最大)
●宽电源范围:1.8V至5.5V
●输入范围:200mV超出轨道
●输出摆动至350mV钢轨
●输出驱动电流:8mA
●开环增益:90dB
●微包装:SC70、SOT33-5、SOT33-8
应用
●电池组和电源
●便携式电话、寻呼机和摄像头
●太阳能系统
●烟雾、气体和火灾探测系统
●远程传感器
●PCMCIA卡
●驱动模数转换器
●微功率过滤器
说明
OPA349和OPA2349是超低功耗运算放大器,提供70kHz带宽,静态电流仅为1μA。这些轨对轨输入和输出放大器是专为电池供电的应用而设计的。输入共模电压范围在电源轨外延伸200mV,输出电压在轨道350mV范围内摆动,动态范围宽。与一些微功率运算放大器不同,这些部分是单位增益稳定的,不需要外部补偿,以实现宽带宽。OPA349的特点是低输入偏置电流,允许使用大的源电阻和反馈电阻。
OPA349可以在1.8V到5.5V的电源下工作,性能几乎没有变化,即使在低电池的情况下也能确保持续的优异性能。
OPA349有微型SOT23-5、SC70和SO-8表面安装封装。OPA2349 dual有SOT23-8和SO-8表面安装封装。这些小包装非常适合用于高密度应用,如PCMCIA卡、电池组和便携式仪器。
OPA349的规定温度为0°C至+70°C。OPA2349的规定温度为-40°C至+70°C。
OPAx349相关产品


引脚配置

典型特征
TA=+25°C,VS=+5V,RL=1MΩ时,连接至VS/2,除非另有说明。







应用程序信息
OPA349系列运算放大器是单位增益稳定,可以在单一电源上工作,使其高度通用和易于使用。应使用0.01μF陶瓷电容器绕过电源引脚。
OPA349系列运算放大器在+1.8V至+5.5V范围内进行了全面测试。典型特性曲线中显示了随工作电压或温度而显著变化的参数。
OPA349的超低静态电流需要谨慎的应用电路技术来实现低整体电流消耗。图1显示了交流耦合放大器用分压器偏置。电阻值必须很大才能使电流最小化。大的反馈电阻值与输入电容和杂散电容反应,在反馈网络中产生极点。可能需要一个反馈电容器来保证稳定性和限制过冲或增益峰值。仔细检查电路性能,确保偏压和反馈技术满足信号和静态电流要求。

轨对轨输入
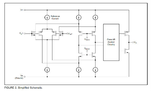
OPA349系列的输入共模电压范围超出电源轨200mV。这是通过一个互补输入级实现的,一个N信道输入差分对与一个P信道差分对并行(如图2所示)。N通道对对于接近正轨的输入电压是有效的,通常在正极电源上方(V+)-1.3V到200mV,而P通道对对于从负极电源下方200mV到大约(V+)-1.3V的输入是开启的。有一个小的过渡区,通常是(V+)-1.5V到(V+)-1.1V,其中两对都是打开。这个400毫伏的过渡区可随工艺变化而变化300毫伏。因此,在低端,过渡区(两个阶段都开启)的范围为(V+)-1.8V至(V+)-1.4V,高端可达(V+)-1.2V至(V+)-0.8V。在400mV过渡区内,与在该区外运行相比,PSRR、CMRR、偏移电压、偏移漂移和THD可能降低。有关使用轨对轨输入运算放大器进行设计的更多信息,请参见图3,使用轨对轨输入运算放大器的设计优化。

轨对轨输入运算放大器的优化设计
在大多数应用中,操作仅在一个差分对的范围内。然而,有些应用可以使放大器在转换过程中受到共模信号的影响区域。低于在这种情况下,两个差分对之间的固有失配可能导致共模抑制比和THD的退化。单位增益缓冲器配置是最大的问题,如果需要足够宽的输入摆幅,它将穿过过渡区。一种设计方案是将运算放大器配置为如下所示的单位增益反相器,并在过渡区外的设定共模电压下保持非互变输入。这可以通过电源上的分压器来实现。分压器的设计应使非换向输入的偏置点在过渡区之外。

共模抑制
OPA349的CMRR以两种方式指定,因此可以使用给定应用程序的最佳匹配。首先,给出了在过渡区(VCM<(V+)-1.5V)以下共模范围内器件的共模抑制比。当应用需要使用一个差分输入对时,本规范是设备性能的最佳指示器。其次,规定了整个共模范围内VS=5V时的CMRR。
输出驱动至V形轨
如果输出电压被驱动到负轨(如图4a所示),连接到单个电源接地(或V-电源引脚)的负载可能会导致OPA349或OPA2349振荡。同样,当输出电压接近V时,可能导致电流从输出引脚流出的负载也会引起振荡。输出被正驱动出导轨后,运算放大器将在几微秒后恢复正常工作。
有些运算放大器应用程序即使没有连接到V-的负载也会产生这种情况。图4b中的积分器显示了这种效果的一个例子。假设输出为负斜坡,并在0V附近饱和。在VIN处的任何负阶跃都将通过R1和C1产生一个正的输出电流脉冲。这可能会激发振荡。二极管D1防止输入阶跃在输出在轨道处饱和时拉动输出电流,从而防止振荡。

安芯科创是一家国内芯片代理和国外品牌分销的综合服务商,公司提供芯片ic选型、蓝牙WIFI模组、进口芯片替换国产降成本等解决方案,可承接项目开发,以及元器件一站式采购服务,类型有运放芯片、电源芯片、MO芯片、蓝牙芯片、MCU芯片、二极管、三极管、电阻、电容、连接器、电感、继电器、晶振、蓝牙模组、WI模组及各类模组等电子元器件销售。(关于元器件价格请咨询在线客服黄经理:15382911663)
代理分销品牌有:ADI_亚德诺半导体/ALTBRA_阿尔特拉/BARROT_百瑞互联/BORN_伯恩半导体/BROADCHIP_广芯电子/COREBAI_芯佰微/DK_东科半导体/HDSC_华大半导体/holychip_芯圣/HUATECH_华泰/INFINEON_英飞凌/INTEL_英特尔/ISSI/LATTICE_莱迪思/maplesemi_美浦森/MICROCHIP_微芯/MS_瑞盟/NATION_国民技术/NEXPERIA_安世半导体/NXP_恩智浦/Panasonic_松下电器/RENESAS_瑞莎/SAMSUNG_三星/ST_意法半导体/TD_TECHCODE美国泰德半导体/TI_德州仪器/VISHAY_威世/XILINX_赛灵思/芯唐微电子等等
免责声明:部分图文来源网络,文章内容仅供参考,不构成投资建议,若内容有误或涉及侵权可联系删除。
Copyright © 2002-2023 深圳市安芯科创科技有限公司 版权所有 备案号:粤ICP备2023092210号-1