预充电电压
如果VPRE引脚是浮动的,则设置VPRETH的默认值,等于2.8V(VPRETHDefault)。否则,该设备可以通过连接电阻器对该值进行编程在VPRE引脚和GND之间,图12。在这种情况下,RVPRE由方程式给出:

其中RVPRE是VPRE和GND之间的电阻,RPRG是用来设置充电电流(见第7.4节:快速充电电流),VPRETH为所选阈值。安全计时器也存在。如果电池电压没有超过VPRETH,在这个时间之前过期,则给出故障(见第7.8节:最长充电时间)。如果在充电过程中,电池电压高于VPRETH,预充电阶段为跳过。
快速充电电流
当电池电压达到预充电电压阈值(VPRETH)时,L6924D开始快速充电阶段。在这个阶段,设备用恒定的电流,ICHG,可由外部电阻器编程,该电阻器用准确度为13%。用于选择RPRG的公式如下:

其中KPRG为常数,等于9500。在此阶段,蓄电池电压升高,直到达到编程输出电压。安全计时器也存在。如果此时间到期,则给出故障(第7.8节:最大充电时间)
充电结束电流
当充电电压接近选定值(4.1V或4.2V)时,电压调节阶段发生了。充电电流开始下降,直到低于a可编程端值,IENDTH,取决于连接在IEND引脚和GND图14。描述这种关系的公式如下:

其中KEND为1050;VMIN为50mV。
通常,此电流水平用于终止充电过程。然而,这也是可能的根据当前水平禁用充电终止过程(第23页第7.9章)。此引脚还可用于监控充电电流,因为在REND中注入的电流是与ICHG成比例。微控制器可以使用横跨REND的电压来检查充电状态就像煤气表。

充电阈值
当充电结束时,蓄电池电压低于充电电压阈值(VRCH),设备返回充电状态。充电阈值的值电压为150毫伏。
最大充电时间
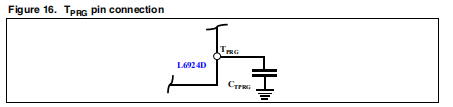
为了避免长时间对一个没电的电池充电,L6924D有可能从快速充电阶段开始设置最长充电时间。这个计时器可设置电容器,连接在TPRG引脚和GND之间。CTPRG是外部电容器(单位:nF),由以下公式得出:

注:建议的最大CTPRG值必须小于50 nF

VREF=1.8伏,
KT=279 x 105,VBG=1.23V,以及
tmaxh是以秒为单位的充电时间。
如果蓄电池在时间到期前未达到充电结束状态,则故障为发布。此外,在预充电阶段,还有一个安全计时器,由以下公式给出:

如果此计时器过期且蓄电池电压仍低于VPRETH,则会产生故障信号,充电过程终止。

如图17所示,可以设置连接a的充电结束电流IENDTHIEND引脚和GND之间的电阻。当充电电流下降到这个值,之后去故障时间,状态引脚通知充电过程完成。这次去故障时间表示为:

但是,充电器过程的终止取决于VPRE引脚的状态:如果VPRE引脚处的电压高于0.8V,则充电过程实际上是充电电流达到IENDTH时终止。如果VPRE引脚的电压低于0.8V,充电过程不会终止,充电电流可以低于IENDTH。状态引脚通知充电结束作为故障状态,但设备继续充电。当tmaxh结束时充电过程结束,并发出故障条件。在预充电阶段,如果VPRE引脚上的电压低于0.8V,装置将VPRETHDefault自动设置。如果VPRE引脚上的电压低于0.5V(边缘敏感),定时器将重置,两者都在预充电和快速充电阶段。
应用信息:监控和保护L6924D使用VFQFPN 3毫米x 3毫米16针封装,带一个暴露的衬垫,允许用户有一个紧凑的应用和良好的热性能同时。L6924D由于暴露的焊盘(大约75°C/W,取决于板上特性)。此外,内置热保护功能可防止L6924D,因为线性充电器通常存在热问题。热控制是通过一个热回路来实现的,它可以减少充电电流当结温达到约120°C时自动进行。这可避免进一步温升并保持结温恒定。这简化了热应用程序的设计以及保护设备免受超温损坏。上图显示了热回路是如何作用的(用虚线),当温度达到120°C。
图18。带热回路的线性和准脉冲模式功耗

负温度系数热敏电阻
该装置允许设计者通过测量电压来监控电池温度通过NTC或PTC电阻器。锂离子电池的工作温度范围很窄,通常在0°C到50°C之间。此窗口可通过外部分频器进行编程由一个连接到GND的NTC热敏电阻和一个连接到VREF的电阻器组成。TH引脚上的电压超过最小或最大电压阈值(内部窗口比较器),设备停止充电过程,并指示故障状态通过状态引脚。当电压(和温度)回到窗口范围时,设备重新启动充电过程。此外,上下阈值都存在滞后现象,如图20所示

注:当电池温度介于0°C和50°C之间时,TBAT=正常

当TH引脚电压上升并超过VMINTH=VREF(900mV典型值)的50%时L6924D停止充电,并通过状态引脚指示故障。设备重新启动只有当第TH针的电压低于VMINTH_HYS=780mV(典型值)时,才对蓄电池充电。当TH引脚电压低于VMAXTH时,与高温极限有关的是什么=12.5%的VREF(225mV典型值),L6924D停止充电,直到在Vmax_HYS=248mV(典型值)。当蓄电池处于低温极限时,第四针脚电压为900毫伏。正确的将低温限制设置为0°C的电阻比可通过以下公式得出:

其中RUP是上拉电阻,VREF等于1.8V,RNTC0°C是NTC的值在0°C时。由于在低温极限VMINTH=900mV时:

电池缺电检测
此功能提供电池缺失检测方案来检测移除或插入电池的。如果拆下电池,充电电流将低于IENDTH。在结束时去故障时间,检测电流IDETECT,等于1mA,从输出处下沉一段时间t检测。该装置检查输出端的电压。如果低于VPRETH,则电流等于将toidetect注入输出电容器进行t检测,并检查输出电压高于VABS(值为VOPRGTH-50mV)。如果电池在检测时间内,电压从VPRETH变为VABS,反之亦然,这意味着电池与充电器连接。t检测值表示为:

状态引脚
为了指示各种充电器状态,有两个集电极开路输出引脚,ST1和第二章。这些状态引脚可用于驱动与外部连接的状态指示灯电源,通过电阻,或与主机处理器通信。这些针决不能当它克服绝对值(6V)时连接到VIN。

关闭
L6924D有一个关机引脚;当该引脚连接到GND时,设备正在运行。当引脚保持浮动时,设备进入关机模式,从输入显著降低至60μA(典型值)。在这种情况下,VREF关闭。
其他应用程序信息
选择输入电容器
在大多数应用中,放置在VIN和VINSN引脚附近的1μF陶瓷电容器可以用于滤除高频噪声。
选择输出电容器
通常,放置在VOUT和VOUTSN引脚附近的1μF陶瓷电容器足以保持电压控制回路稳定。这可确保电池缺失检测在可拆卸电池组应用。
布局指南和演示板说明
热回路将装置保持在大约120°C的恒定温度,这转弯,减少ICHG。但是,为了最大限度地提高当前的能力,重要的是确保良好的热路径。因此,暴露的焊盘必须正确焊接到通过热通孔与另一层连接。推荐的铜层的厚度为70μm或更高。裸露的焊盘必须与GND进行电气连接。图24显示了功耗为1W的电路板。在这种情况下,外壳的温度为89°C,但器件的结温由下式给出:当安装在船上的装置的RTH J-A为75°C/W时,消耗的功率为1W,并且环境温度为25°C。在这种情况下,结温为:TJ=RTHJ−A×PDISS+TAMB公式TJ Co=75×1+25=100当量

安芯科创是一家国内芯片代理和国外品牌分销的综合服务商,公司提供芯片ic选型、蓝牙WIFI模组、进口芯片替换国产降成本等解决方案,可承接项目开发,以及元器件一站式采购服务,类型有运放芯片、电源芯片、MO芯片、蓝牙芯片、MCU芯片、二极管、三极管、电阻、电容、连接器、电感、继电器、晶振、蓝牙模组、WI模组及各类模组等电子元器件销售。(关于元器件价格请咨询在线客服黄经理:15382911663)
代理分销品牌有:ADI_亚德诺半导体/ALTBRA_阿尔特拉/BARROT_百瑞互联/BORN_伯恩半导体/BROADCHIP_广芯电子/COREBAI_芯佰微/DK_东科半导体/HDSC_华大半导体/holychip_芯圣/HUATECH_华泰/INFINEON_英飞凌/INTEL_英特尔/ISSI/LATTICE_莱迪思/maplesemi_美浦森/MICROCHIP_微芯/MS_瑞盟/NATION_国民技术/NEXPERIA_安世半导体/NXP_恩智浦/Panasonic_松下电器/RENESAS_瑞莎/SAMSUNG_三星/ST_意法半导体/TD_TECHCODE美国泰德半导体/TI_德州仪器/VISHAY_威世/XILINX_赛灵思/芯唐微电子等等
免责声明:部分图文来源网络,文章内容仅供参考,不构成投资建议,若内容有误或涉及侵权可联系删除。
Copyright © 2002-2023 深圳市安芯科创科技有限公司 版权所有 备案号:粤ICP备2023092210号-1