特征
单电源3.3V操作
内置采样和保持
大多数MPU串行端口的直接3线接口
所有MPU并行端口
30kHz最大吞吐量
主要规格
最低保证供电电压:2.7V
分辨率:12位
快速转换时间:最高24μs超温。
低供电电流:1.0mA
应用程序
电池供电仪器
数据记录器
数据采集模块
说明
LTC®1287是一个3V数据采集组件包含一个串行I/O逐次逼近a/D转换器。设备规格保证在电源电压为2.7V,采用LTCMOSTM开关电容器技术,实现12位单极a/D转换。差分输入具有片上采样,并保持(+)输入。串行I/O设计为无需外部设备进行通信硬件到大多数MPU串行端口和所有MPU并行I/O端口允许通过三根电线。低压运行能力和这种设备的低功耗使它成为理想的选择适用于电池应用。考虑到易用性,小巧封装尺寸和最小互连数量对于I/O,LTC1287可用于遥感应用。

对于过压保护,将输入电流限制在15mA通过1N4148二极管将输入端固定到VCC和GND。当选定的通道或其他通道过压(VIN<GND或VIN>VCC)。见第节过电压保护在应用信息中的应用。
绝大对值(注1和2)
电源电压 12伏
电压
模拟和参考输入–0.3V至VCC+0.3V
数字输入–0.3伏至12伏
数字输出–0.3V至VCC+0.3V
功耗 500兆瓦
工作温度范围 0°C至70°C
储存温度范围–65°C至150°C
铅温度(焊接,10秒)300摄氏度
共转换器和多路复用器特性
表示规格
适用于整个工作温度范围,否则规格为TA=25°C。(注3)

数字直流电气断路器
表示规范
适用于整个工作温度范围,否则规格为TA=25°C。(注3)

注1:绝对最大额定值是指超过寿命的值设备可能受损。
注2:所有电压值均与接地有关(除非另有规定注)。
注3:VCC=3V,VREF=2.5V,CLK=500kHz,除非另有规定。
注4:一个LSB等于VREF除以4096。例如,当VREF=2.5V,1LSB=2.5V/4096=0.61mV。
注5:积分非线性误差定义为代码偏差从一条穿过传输实际端点的直线开始曲线。从量化带的中心测量偏差。
注6:推荐操作条件。LTC1287B/LTC1287C
注7:两个片上二极管连接到每个模拟输入模拟电压传导一个二极管低于GND或一个二极管下降高于VCC。在低VCC电平(如高电平模拟电平)下进行测试时要小心输入可以使这个输入二极管导通,特别是在电压升高时温度,并导致接近满标度的输入错误。本规范允许任一二极管的正向偏压为50mV。这意味着只要模拟输入电压不超过电源电压50mV以上,输出代码将是正确的。
注8:通道泄漏电流在通道选择后测量。
注9:高温下泄漏电流的增加导致S/H降速,因此建议在85°C时fCLK≥30kHzfCLK≥3kHz,25°C。
典型性能特征


1.最大CLK频率表示0.1LSB时的CLK频率首先检测到任何代码从500kHz转换时的误差偏移。
2.当CLK频率从1MHz降低时,最小CLK频率(∆误差≤0.1LSB)表示任何首先检测到其500kHz值的代码转换。
3.最大RFILTER代表0.1LSB时的滤波电阻值首先检测到满标度误差在RFILTER=0Ω时的变化。
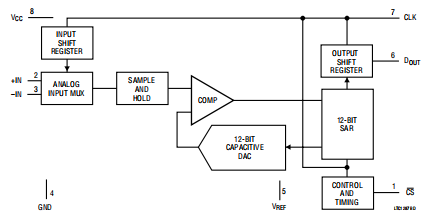
引脚功能
CS(引脚1):芯片选择输入。这个输入的逻辑低启用LTC1287。
+IN,–IN(引脚2、3):模拟输入。这些输入必须是相对于GND没有噪音。
GND(引脚4):模拟接地GND应直接连接模拟地平面。
VREF(引脚5):参考输入。参考输入定义A/D转换器的量程,必须保持相对于GND的噪声。
DOUT(引脚6):数字数据输出。A/D转换结果将移出此输出。
CLK(引脚7):换档时钟。这个时钟同步串行数据传输。
VCC(引脚8):正极电源。这批货必须免费供应通过直接旁路到模拟电路来消除噪声和纹波地平面。


LTC1287是一个数据采集组件包含以下功能块:
1.12位逐次逼近电容式A/D转换器
2.模拟多路复用器
3.采样和保持(S/H)
4.同步、半双工串行接口
5.控制和定时逻辑
数字化考虑
串行接口
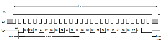
LTC1287与微处理器和通过同步、半双工的其他外部电路,三线串行接口(见操作顺序)。这个时钟(CLK)使数据传输与每个位同步在下降的时钟边缘传输。LTC1287不需要配置输入字,并且没有DIN别针。它被永久性地配置为具有单个差分输入并在单极模式下运行。一个坠落的CS启动数据传输。第一个CLK脉冲启用DOUT。在一个空位之后,A/D转换结果输出到一个MSB第一个序列后跟LSB 第一个序列的DOUT行。使用半双工串行接口DOUT数据来自当前转换。这提供了简单的接口到MSB或LSB第一个串行端口。带来CS high重置LTC1287,以便进行下一次数据交换。
逻辑电平
此供应范围的逻辑电平标准没有定义明确。现有的标准不是普遍接受。逻辑输入上的触发点LTC1287为0.28×VCC。这使得逻辑输入兼容HC类型级别和处理器

规定为3.3V。输出DOUT也与以上标准。以下总结如下水平。
VOH(空载)VCC–0.1V
体积(空载)0.1V
VOH 0.9×VCC
体积0.1×VCC
VIH 0.7×VCC
VIL 0.2×VCC
LTC1287可以用5V逻辑驱动,即使VCC电压为3.3V。这是由于一个独特的输入保护装置可以在LTC1287上找到。
微处理器接口
LTC1287可以直接(无需外部硬件)连接到最流行的微处理器(MPU)同步串行格式。如果没有串行接口的微处理器使用,则MPU的三条并行端口线可以编程以形成LTC1287的串行链路。很多流行的MPU可以用3V供电。为示例MC68HC11是一个串行格式的MPU
(SPI)。同样的,具有8051类型的并行微处理器架构也能在这个电压下工作范围。这些处理器的代码保持不变可在LTC1292数据表中找到。
共享串行接口
LTC1287可以共享同一个双线串行接口其他外围组件或其他LTC1287(图2)。在这种情况下,CS信号决定LTC1287正在由微处理器处理

模拟考虑因素
接地
LTC1287应与模拟接地层一起使用以及单点接地技术。不要使用电线包装技术来测试和评估设备。要获得最佳性能,请使用PC板。这个接地针脚(针脚4)应直接连接到地面具有最小引线长度的平面(低剖面插座很好)。插脚7(VCC)应绕过接地层22μF(最小值)钽,引线短尽可能靠近销。0.1μF陶瓷盘也应与22μF,并再次使用尽可能短和近的导线尽可能的交给VCC。图3显示了一个理想的例子LTC1287双面板的接地平面设计。的当然,这么多的地面飞机并不总是可能的,但是用户应该努力接近这个理想可能。
旁路
为了获得良好的性能,VCC必须没有噪音和涟漪。有关VCC电压的任何变化在转换周期内接地可能会导致错误或输出代码中有噪音。VCC噪声和纹波可以保持通过将VCC引脚直接旁路至具有至少22μF钽电容器的模拟平面尽可能短的引线。来自VCC电源的设备也应保持在最低限度VCC电源的输出阻抗应该很低

例如从电压调节器(如LT1117)获得。对于高频旁路,放置0.1μF陶瓷盘建议与22μF同时使用。又是线索应该保持在最低限度。使用电池为LTC1287将有助于减少旁路电容量VCC引脚上需要。电池放在靠近设备只需10μF即可充分绕过电源引脚。图4显示了不良VCC旁路的影响。图5显示了LT1117低压差的沉降带有22μF旁路电容器的调节器。噪音和纹波保持在0.5mV左右。图6显示了响应带有10μF旁路电容器的锂电池。这个噪声和纹波控制在0.5mV以下。
模拟输入
因为电容再分配A/D转换所使用的技术,LTC1287的模拟输入


电容开关输入电流峰值。这些电流尖峰会很快解决,不会造成问题。如果大使用源电阻,或者如果运算放大器缓慢稳定驱动输入,注意确保引起的瞬态在电流峰值完全稳定之前转换开始。
源电阻
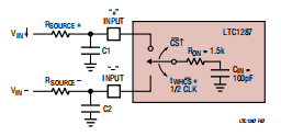
LTC1287的模拟输入看起来像100pF电容器(CIN)与1.5k电阻器(RON)串联。这个RON值适用于VCC=2.7V,电源电压更大罗恩会被削弱。例如,在VCC=2.7V和V-=-2.7V,RON变为500Ω。CIN在(+)和(–)在每个转换周期中输入一次。大的外部源电阻和电容会减慢速度输入的设置。重要的是整个RC时间常数足够短以允许模拟输入在允许的时间内完全安定下来。

“+”输入设置输入电容器在取样阶段(tSMPL,见图8a、8b和8c)。这个采样周期可短至tWHCS+0.5 CLK周期或只要tWHCS+1.5 CLK循环后再转换开始。这种变化取决于CS的相对位置给CLK。“+”输入上的电压必须完全稳定在样本期内。最小化RSOURCE+和C1会缩短沉降时间。如果输入源大“+”ATIO应用程序必须使用电阻,可以增加采样时间使用较慢的CLK频率。用最小值可能的采样时间为6.0μs,RSOURCE+<4.0k和C1<20pF将提供足够的沉降时间。“–”输入设置在采样阶段结束时,输入电容器切换输入“–”并开始转换(参见图8a,8b和8c)。在转换过程中,“+”输入电压为

有效地“持有”了样品,并不会影响转换结果。关键是“–”输入电压在第一次CLK期间,没有噪音并完全稳定下来转换周期。最小化资源-指挥与控制将缩短沉降时间。如果输入源电阻过大必须使用的时间可以通过使用较慢的CLK频率。在最大时钟频率500kHz时,RSOURCE–<200Ω和C2<20pF将提供足够的解决。
输入运算放大器
当用运算放大器驱动模拟输入时重要的是运算放大器在允许的时间内稳定下来(见图8a、8b和8c)。再次输入“+”和“–”采样时间可如上所述延长至适应较慢的运算放大器。单电源低电压应用可进行LT1797和LT1677即使在最小沉降窗口6μs(“+”输入)和2μs(“–”输入)发生在最大时钟频率(CLK=500kHz)。图9和图10显示适当和较差的运算放大器设置的例子。这个LT1077、LT1078或LT1079可用于减少功耗。在输出端放置RC网络的运算放大器将改善沉降响应,并且降低宽带噪声。

RC输入滤波
可以用RC网络过滤输入如图11所示。对于较大的CF值(例如1μF),则电容输入开关电流被平均到一个网络中直流电流。滤波器应选用小电阻和大电容器,以防止直流电压降过电阻器。直流电流的大小约为IDC=100pF×VIN/tCYC,与VIN大致成比例。以33μs的最小周期时间运行,输入在VIN=2.5V时,电流等于7.6μA8Ω将导致0.1LSB满标度误差。如果一个大过滤器必须使用电阻,可以通过增加电阻来减少误差典型性能所示的循环时间最大滤波电阻与周期的特性曲线时间。

输入漏电流
输入漏电流也会在源阻力太大了。例如,最大输入流经A的1μA(85°C时)的泄漏规格源电阻1k会导致1mV的电压降或1.6LSB,VREF=2.5V。这个误差会很大在较低温度下减少,因为泄漏减少快速(见典型性能特性曲线输入通道泄漏电流与温度)。
抽样保留
单端输入
LTC1287提供了一个内置的采样和保持(S&H)单通道中采集信号的+IN输入功能结束模式(引脚接地)。取样和保存允许LTC1287转换快速变化的信号(请参阅S&H典型性能特性曲线采集时间与源电阻)。输入电压在tSMPL时间内采样,如图8所示。这个采样间隔从CS上升沿开始并持续直到CLK的下降沿才转换开始。在这个下降沿,S&H进入货舱模式,转换开始。
差分输入
有了差分输入,a/D不再转换单个但是转换两个电压之间的差。对+IN引脚上的电压进行采样并保持快速时变。输入引脚上的电压必须保持恒定,始终没有噪音和波纹转换时间。否则就是差分运算不会准确地完成。转换时间为12clk周期。因此,在此间隔可能会导致转换错误。对于正弦曲线输入端的电压此错误为:

其中f(–IN)是–IN输入电压的频率,VPEAK是其峰值振幅,fCLK是克莱克。通常情况下,错误并不重要。对于60Hz输入端的信号产生0.25LSB的误差(150μV)当转换器以CLK=500kHz运行时,其峰值必须是16mV。重新安排上述内容方程,最大正弦信号数字化到给定精度的公式如下:
对于0.25LSB误差(150μV),最大输入正弦曲线2.5V峰值振幅可数字化为0.4Hz。
参考输入
LTC1287参考输入端的电压确定A/D转换器的电压范围。这个由于开关电容转换技术,参考输入具有瞬态电容开关电流(见图12)。在转换(每个CLK周期)电容电流尖峰将由A/D在参考引脚上生成电流尖峰很快稳定,不会引起问题。如果慢沉降电路用于驱动参考输入,注意确保瞬态由于这些电流尖峰在转换的每一位测试。

图13和14显示了适当和沉降差。使用较慢的CLK将允许更多的时间以供参考结算。即使在最高时钟500kHz的速率大多数参考和运算放大器可以使其在2μs位时间内沉降。例如带有4.7μF旁路电容器的LT1790将沉降充分。
简化参考操作
通过减小转换器的输入量程,可以提高LTC1287的有效分辨率。LTC1287在以下范围内表现出良好的线性参考电压(见线性与基准变化的典型性能特性曲线电压)。在低速运行时必须小心由于减小的LSB步长和由此产生的更高精度要求转换器。偏移和噪声是必须考虑的因素在低VREF值下运行时考虑。减小VREF的偏移量LTC1287的偏移对当A/D操作时的输出代码参考电压。偏移量(通常是固定的电压)成为LSB的较大部分降低了最低有效位。未调整偏移误差与参考值的典型性能特性曲线电压显示LSB中的偏移量与参考值的关系VOS典型值的电压。例如0.1mV,即0.2LSB,参考电压为2.5V0.4LSB,参考值为1.25。如果此偏移量不可接受,可由接收系统进行数字校正或者偏移LTC1287的输入。
降低VREF的噪声
LTC1287的总输入参考噪声可以是使用地平面,良好的旁路,良好的布局技术以及最小化参考输入的噪声。这个噪声在2.5V参考输入下是微不足道的,但是成为LSB的一个更大的部分作为LSB的大小减少了。典型的性能特征噪声误差与参考电压的关系曲线显示200μV噪声的LSB贡献。在2.5V参考电压下运行时,200μV噪声为峰间只有0.32LSB。这里是LTC1287噪音几乎不会对产出造成不确定性代码。对于减少的参考,噪声可能变成LSB的重要部分,并导致不良反应输出代码抖动。例如,1.25伏参考,该200μV噪声峰间为0.64LSB。这将减小输入电压的范围用0.64LSB可获得稳定的输出码。现在可能需要平均读数。这些噪音数据是在一个非常干净的测试夹具中采集的。任何设置引起的噪声(VCC、VREF上的噪声或波纹或VIN)会增加内部噪音。越低的参考电压越高有一个无噪音的设置。
过电压保护
向LTC1287的模拟输入信号超过正电源或低于地面将降低A/D的精度并可能造成损坏设备。例如,如果在通电之前,信号被应用于模拟输入适用于LTC1287。另一个例子是输入从价值更大的不同供应源操作而不是LTC1287。这些情况应通过适当的供应顺序或使用进行预防限制输入的外部电路来源。有两种保护输入的方法。在图15从VCC和GND输入端的二极管夹被使用。第二种方法是在串联模拟输入电流限制。限制每个通道的电流为15mA。输入can的+接受1k的电阻值,但是–IN输入不能当时钟处于最大值时,接受超过200Ω时钟频率为500kHz。如果LTC1287的时钟在最大时钟频率和200Ω是不够的电流限制输入源然后是钳位二极管建议使用(图16和17)。原因电阻值的限制是MSB位测试受放置在–IN处的电阻值的影响输入(参见关于模拟输入和典型最大CLK性能特性曲线频率与源电阻)。如果VCC和VREF没有连接在一起,那么VCC应该先打开,再打开VREF。如果这个序列不能met,建议将二极管从VREF连接到VCC(见图18)。因为独特的输入保护结构用于数字输入引脚,这些引脚上的信号电平可以在不损坏设备的情况下超过设备VCC。


安芯科创是一家国内芯片代理和国外品牌分销的综合服务商,公司提供芯片ic选型、蓝牙WIFI模组、进口芯片替换国产降成本等解决方案,可承接项目开发,以及元器件一站式采购服务,类型有运放芯片、电源芯片、MO芯片、蓝牙芯片、MCU芯片、二极管、三极管、电阻、电容、连接器、电感、继电器、晶振、蓝牙模组、WI模组及各类模组等电子元器件销售。(关于元器件价格请咨询在线客服黄经理:15382911663)
代理分销品牌有:ADI_亚德诺半导体/ALTBRA_阿尔特拉/BARROT_百瑞互联/BORN_伯恩半导体/BROADCHIP_广芯电子/COREBAI_芯佰微/DK_东科半导体/HDSC_华大半导体/holychip_芯圣/HUATECH_华泰/INFINEON_英飞凌/INTEL_英特尔/ISSI/LATTICE_莱迪思/maplesemi_美浦森/MICROCHIP_微芯/MS_瑞盟/NATION_国民技术/NEXPERIA_安世半导体/NXP_恩智浦/Panasonic_松下电器/RENESAS_瑞莎/SAMSUNG_三星/ST_意法半导体/TD_TECHCODE美国泰德半导体/TI_德州仪器/VISHAY_威世/XILINX_赛灵思/芯唐微电子等等
免责声明:部分图文来源网络,文章内容仅供参考,不构成投资建议,若内容有误或涉及侵权可联系删除。
Copyright © 2002-2023 深圳市安芯科创科技有限公司 版权所有 备案号:粤ICP备2023092210号-1