待机状态下的低功耗(ROM温度下<100μA;130°C时<150μA)
两座3A荷载半桥(RDSON=0.25Ω型;Tj=25°C)
两个半桥用于0.5A负载(RDSON=2.5Ω型;Tj=25°C)
2.5A负载的高压侧驱动器(RDSON=0.45Ω型;Tj=25°C)
由μC直接控制(多路)系统)
输出高/低电平诊断
过电流关断及诊断
关闭前诊断温度过高
开路负载诊断
说明
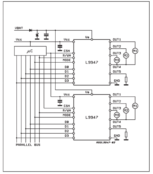
L9947是一种总线控制的电源接口,用于在多电源BCD60II技术。最多3个直流电电机和一个接地电阻负载可以四个半桥和一个高边驱动功率输出微机兼容的双向并行总线允许多个接口连接在同一总线上(多路复用系统)。完整的诊断信息可在公共汽车。

电气特性(VS=8~16V;VCC=4.5~5.5V;Tj=-40~150°C;除非另有规定;当电流为流入管脚。)


降级电路应用
表1:推荐应用电路

功能描述
L9947是一种设计的电源接口电路对于由并行μC控制的多路复用系统公共汽车。总线由四个双向数据组成电线D0-D3和三根控制线读/写(R/WN)、模式(mode)和芯片选择(CSN)。这个装置需要两个电源电压。第一个电压供应半桥,高压侧驱动器以及它的驱动部分。第二种是5V稳定电源。设备在典型操作模式下的功能如下所述。

笔记:其中CSN=0时,设备是透明的(对于t≤100μs),在这种情况下,数据的任何变化D0,D3将导致适当的输出响应。取消选择电路(CSN)将存储最后编程状态
诊断/读取。表2:在读出模式下,端口D0,D3作为一个输出,显示之前检测到的情况。


系统启动(图2)
在VCC之前,不强制要求VS出现。有了VCC,内部逻辑将被重置,系统在输入控制。如果CSN=0超过VCC存在后100μs备用模式被激活。当CSN和VCC同样会很高时间。当CSN=0且VCC上升时,设备不受公共汽车控制。输出保持在可悲的CSN线的100μA高-低-信号必须控制输出。没有UND实施VS。应提供VCC来自与驱动器相同的电压源D0-D3笔(例如μC)。数据传输和输出激活(图3)OUT1、OUT2和OUT3的半桥可以与OUT4一起用于驱动三个双向全桥配置的电机,如中所示图1同一台发动机只能驱动一台发动机时间。μC写入相应的字在总线上的状态1到10,并用低电平锁定它在L9947上脉冲。所以马达启动了。到停止电动机插入制动装置是有用的阶段(状态9)。在那里的刹车状态下都是半桥的低端车管所在这种情况下,反激电流会流动通过低侧开关,而不是半桥的intrin sic二极管。在那之后,那一半桥可以在三态(T)下切换。高侧驱动,只有当半桥处于三态状态10。μC始终以主控模式工作,L9947则始终如此电源接口作为从机。也就是说C在低功率的情况下,它自身和交流就开始了行。CSN=0,R/WN=0 L9947读取数据在总线上运行command并执行命令,如中所示表1、3、4(写入模式)。高坡CSN存储最后一个命令并进一步执行它。如果CSN=1,则所有输入被禁用。所以总线可以用于另一个设备。与CSN=0和R/WN=1,L9947写入并行总线上的诊断状态,直到CSN变高(表2;状态μ+15)(读取模式)。功率输出保持不变和以前一样。
图3:信号顺序为数据传输至开关M1右侧,读取输出状态,制动电机启动待机模式。

总线定时(图4)总线信号必须定义为t3=1μsCSN变低。允许更改CSN=0时R/WN。其他的信号可能是改变。要存储命令,必须固定D0-D3和模式信号t9=1μs之前CSN的正边缘。OUT1-OUT5过电流:OUT1-OUT5的输出电流是内部限制的。这是通过以下方式实现的:当输出电流达到一定水平时栅源电压为夹紧到较低的水平。输出电流为现在受到限制,并遵循输出ID,UDS char acteritic for this Gate-Source voltage。当输出电压下降时,内部定时器启动(漏源)在100μs类型后增加到0.4以上。输出关闭,并且相应的过电流位(OVC1或将设置OVC2)。可以激活输出再次输入下一个数据字。

t1和t5由内部振荡器频率导出
t7随电源电压VS变化,与输出电压斜率限制有关
对于t1>100μs,由于清除(状态20),锁存数据将被重置
诊断(表2;状态11-15):诊断提供输出端输出电压状态(高或低)的信息OUT1-OUT5,过流,过压停机温度过高。输出电压检测由滞后比较器完成0.4VS和0.6 VS.过电流时的阈值(OVC)信息被锁存直到新的或重复的收到写入命令。OVC1设置为在任何半桥输出。OVC2错误位将设置为OUT5处的过电流情况。在电源电压VS超过20V类型的过电压阈值之前,过电压(OVV)很高。如果接头处温度过高温度低于典型值。30凯文以下热停堆结温(TJSD)。
负载中断检测
(表3):输出OUT1-OUT4由应用中的电机。输出输出4 can可切换为电流源或电流源。140mA电流能力(状态16+17)。这个如果输出电流小于1mA当前IOUT4=0(状态17)。诊断输出电压传递信息或者更多的半桥对VS或接地或电机连接中断。在状态18输出OUT1-OUT3切换电流汇10mA),OUt4和OUt5 as电流源(OUT4140mA,OUT5 10mA)。在这种电流下,泄漏电流的影响消除氧化接触。
备用物品!;状态2):当所有其他输入均低时,L9947被设置为备用模式,CSN的正边缘。所有锁存数据将被清除,输入和输出是悲伤的。总电流消耗小于100μA。CSN=0退出待机。所有锁存数据变明朗。
清除(表4:状态20):如果芯片选择低于TCLR=100μs,内部锁存数据将被清除,并且输出变得悲伤。重复性高-低边再次激活输入。也坏了由于CSN输入处的内部下拉电阻器。之后明白了,L9947进入待命状态醒来时看到CSN的负边缘。
热关机:当结温升高到关闭功率DMOS晶体管%1(%2)直到结温下降到值TJSD-TJHYST。
电源输出的钳位电流:对于输出电压10V及以上,钳位电流约为。50μA将流入功率输出由于内部栅源电压限制,当设备不处于待机状态时。
过电压停机:当电源电压VS超过过电压阈值VSQVT时,键入。20V,输出OUT1-带着悲伤的心情出去。如果电源电压低于过压停机电压,则状态与发生过电压情况前相同。
欠压:在电压范围2V<VCC<4V内逻辑复位,所有输出进入三态。所以VCC上的接地尖峰使逻辑复位。之后逻辑的内部复位,L9947由输入再次控制。
接地中断:L9947有防中断保护。这个输出OUt5在接地中断时关闭。输出OUT1-OUT4以全桥驱动配置如应用程序中所示。在那里是没有路径通过负载或直接到另一个接地。从而保护了设备。
VCC中断
如果存在电源电压VS,且VCC处于d;中断或未供电,则可以有两种情况区别:
1.数据引脚D0-D3不由驱动μC或它们很低。所以输出是1-OUT5和D0-D3是悲伤的。
2.一个销D0-D3被驱动到高μC.该引脚通过p沟道mos的漏极体二极管(图5)。根据CSN的不同,R/WN和MODE in puts会发生一些不可忽视的功能。

安芯科创是一家国内芯片代理和国外品牌分销的综合服务商,公司提供芯片ic选型、蓝牙WIFI模组、进口芯片替换国产降成本等解决方案,可承接项目开发,以及元器件一站式采购服务,类型有运放芯片、电源芯片、MO芯片、蓝牙芯片、MCU芯片、二极管、三极管、电阻、电容、连接器、电感、继电器、晶振、蓝牙模组、WI模组及各类模组等电子元器件销售。(关于元器件价格请咨询在线客服黄经理:15382911663)
代理分销品牌有:ADI_亚德诺半导体/ALTBRA_阿尔特拉/BARROT_百瑞互联/BORN_伯恩半导体/BROADCHIP_广芯电子/COREBAI_芯佰微/DK_东科半导体/HDSC_华大半导体/holychip_芯圣/HUATECH_华泰/INFINEON_英飞凌/INTEL_英特尔/ISSI/LATTICE_莱迪思/maplesemi_美浦森/MICROCHIP_微芯/MS_瑞盟/NATION_国民技术/NEXPERIA_安世半导体/NXP_恩智浦/Panasonic_松下电器/RENESAS_瑞莎/SAMSUNG_三星/ST_意法半导体/TD_TECHCODE美国泰德半导体/TI_德州仪器/VISHAY_威世/XILINX_赛灵思/芯唐微电子等等
免责声明:部分图文来源网络,文章内容仅供参考,不构成投资建议,若内容有误或涉及侵权可联系删除。
Copyright © 2002-2023 深圳市安芯科创科技有限公司 版权所有 备案号:粤ICP备2023092210号-1