特征
单电源5V运行
每次转换后关闭电源(LTC1297)
内置采样和保持
60kHz最大吞吐量(LTC1292)
大多数MPU串行端口的直接3线接口
所有MPU并行端口
模拟输入共模供电轨
主要规格
分辨率:12位
快速转换时间:12μs最大超温
低供电电流:6.0mA
关闭电源电流:5μA(LTC1297)
说明
LTC®1292/LTC1297是数据采集系统包含12位开关电容连续逼近a/D,差分输入,采样并保持(+)输入和串行I/O。当LTC1297空闲时它会自动关机减少通常,电源电流为5μA。LTC1292能够以60kHz的速率数字化信号优良的交流特性,可用于DSP应用。所有这些功能都封装在8针DIP中使用LTCMOSTM开关电容器技术实现。串行I/O设计为无需外部设备进行通信硬件到大多数MPU串行端口和所有MPU并行I/O端口允许数据通过三条线传输。因为他们的准确性,易用性和小包装尺寸这些设备非常适合数字化模拟远程应用中的信号互连和功耗非常重要

对于过压保护,将输入电流限制为15mA通过1N4148二极管将输入端固定到VCC和GND。当任何输入过压时,转换结果无效(VIN<GND或VIN>VCC)。参见中的过电压保护部分应用程序信息。
绝大对值
电源电压(VCC)接地 12伏
电压
模拟和参考
输入 –0.3V至VCC+0.3V
数字输入–0.3伏至12伏
数字输出–0.3V至VCC+0.3V
功耗 500兆瓦
工作温度范围
LTC1292/LTC1297BC,LTC1292/LTC1297CC,
LTC1292/LTC1297DC 0°C至70°C
LTC1292BI,LTC1292CI,
LTC1292DI –40°C至85°C
储存温度范围 –65°C至150°C
铅温度(焊接,10秒)300摄氏度
共转换器和多路复用器特性
表示规格 适用于整个工作温度范围,否则规格为TA=25°C。(注3)

交流特性
表示适用于整个工作温度范围的规范,否则规格为TA=25°C。(注3)

数字直流电特性
表示规范适用于整个工作温度范围,否则规格为TA=25°C。(注3)

注1:绝对最大额定值是指超过寿命的值设备可能受损。
注2:所有电压值均与接地有关(除非另有规定注)。
注3:VCC=5V,VREF=5V,CLK=1.0MHz,除非另有规定。
注4:一个LSB等于VREF除以4096。例如,当VREF=5V,1LSB=5V/4096=1.22mV。
注5:线性误差是指A/D转换曲线。从中心测量偏差量子化带。
注6:推荐操作条件。
注7:两个片上二极管连接到每个参考和模拟输入它将传导一个二极管作为参考或模拟输入电压低于GND或低于VCC的一个二极管压降。在低电压下测试时要小心VCC电平(4.5V),作为高电平参考或模拟输入(5V)可导致这种输入二极管的传导,特别是在高温下,并引起接近满标度的输入错误。该规范允许50mV正向偏压任一个二极管。这意味着只要参考或模拟输入不超过电源电压50mV以上,输出代码为对的。因此,要实现绝对0伏到5伏的输入电压范围要求最小供电电压超过初始公差4.950V,温度变化和荷载。
注8:通道泄漏电流在通道选择后测量。
注9:高温下泄漏电流的增加导致S/H降速,因此建议在125°C下fCLK≥125kHz,85°C时fCLK≥31kHz,25°C时fCLK≥3kHz
典型性能特征


当CLK频率从1MHz降低时,最小CLK频率(∆误差≤0.1LSB)表示第一次检测到任何代码转换从其1MHz值偏移0.1LSB的频率(注9)。

1.最大CLK频率表示0.1LSB偏移的CLK频率从首先检测到1MHz值。
2.最大过滤器代表过滤器0.1LSB变化时的电阻值满标度误差首先检测到滤波器=0Ω。
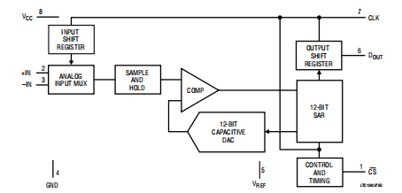
引脚功能
CS(引脚1):芯片选择输入。这个输入的逻辑低启用LTC1292/LTC1297。当CS变高时,LTC1297上的电源关闭被激活。
+IN,–IN(引脚2,3):模拟输入。这些输入必须是无噪声。
GND(引脚4):模拟接地。GND应直接系紧模拟地平面。
VREF(引脚5):参考输入。参考输入定义D/A转换器必须保持自由相对于GND的噪声。
DOUT(引脚6):数字数据输出。A/D转换结果将移出此输出。
CLK(引脚7):换档时钟。这个时钟同步串行数据传输。
VCC(引脚8):正极电源。这批货必须免费供应通过直接旁路到模拟电路来消除噪声和纹波地平面。


注1:波形1用于内部条件如下的输出除非被输出控制禁用,否则输出为高电平。
注2:波形2用于内部条件如下的输出输出低,除非被输出控制禁用。
LTC1292/LTC1297是数据采集组件包含以下功能块:
1.2位连续近似电容式A/D转换器
2.差分输入
3.采样和保持(S/H)
4.同步、半双工串行接口
5.控制和定时逻辑
数字化考虑串行接口
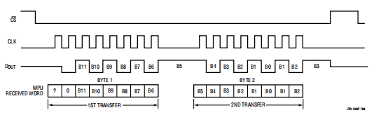
LTC1292/LTC1297通过同步半双工三线串行接口与微处理器和其他外部电路进行通信(见操作序列)。时钟(CLK)同步数据传输每一位都在下降时钟边缘传输。LTC1292/LTC1297不需要配置输入字,无DIN引脚。它们是永久的配置为具有单个差分输入,并形成单极转换。下降的CS启动数据转移。使LTC1297恢复供电关闭模式,必须满足tsuCS。然后是第一次CLK脉冲启用DOUT。一个空位后,A/D转换结果在DOUT行上以MSB第一个序列输出然后是LSB第一序列。用半双工串行接口数据来自当前的转换器。这为MSB-first或LSB-first提供了简单的接口
ATIO应用程序
串行端口。使CS高复位LTC1292/LTC1297用于下一次数据交换,并将LTC1297电源关闭模式。
表1。带硬件串行接口的微处理器兼容LTC1292/LTC1297*


微处理器接口
LTC1292/LTC1297可以直接接口(无需外部硬件)到最流行的微处理器(MPU)同步串行格式(见表1)。如果使用没有专用串行端口的微处理器,然后MPU的并行端口线可以编程为LTC1292/LTC1297的串行链路。包括在这里一个串行接口和一个示例并行端口编程形成串行接口。
摩托罗拉SPI(MC68HC11)
MC68HC11被选为微处理器的一个例子使用专用串行端口。这个微处理器传输数据MSB以8位递增。发送给数据寄存器启动SPI进程。有两个8位传输,A/D结果被读入微处理器(图1)。对于LTC1292的第一个8位传输时钟B11到B8将A/D转换结果输入处理器。第二次8位传输将剩余位B7到B0时钟输入


MPU。数据在两个内存中右对齐位置(图2)。这是通过延迟来实现的CS的下降沿一直持续到第二次CLK之后。安定带0FHEX的第一个字节清除四个最高有效位。此操作未包含在代码中。它可以插入数据收集循环中或循环外当数据被处理时对于LTC1297(图3),必须在调整假人之前的设置时间,tsuCS数据字被发送到数据寄存器。第一次8位传输A/D转换结果的时钟B11到B6处理器。第二个8位传输将保留位B5到B0放入MPU。注释B1和B2从LSB开始,第一个数据字也被记录在案


数据在两个内存位置右对齐向右旋转两次(图4)。第一个字节与0FHEX清除四个最高有效位。这次行动不包括在代码中。它可以插入数据中当数据为处理。与Intel 8051系列并行端口的接口选择了Intel 8051来显示接口在LTC1292/LTC1297和并行端口之间微处理器。产生信号CS和CLK在两个端口线路上,DOUT信号在第三个端口上读取行。在下降CLK边缘之后,每个数据位被加载到进位,然后旋转进入累加器。一旦前8个MSB被转移到累加器中加载到寄存器R2。最后四位移入以同样的方式加载到寄存器R3中。输出数据在寄存器R2和R3中左对齐(图5)。对于LTC1297,需要在8051中插入四个NOPCS后的代码变低,以允许LTC1297唤醒电源关闭(tsuCS)。

共享串行接口
LTC1292/LTC1297可以共享相同的双线与其他外围组件或其他LTC1292/LTC1297s(图6)。在这种情况下,CS发出信号确定MPU正在处理哪个LTC1292。模拟考虑因素
接地
LTC1292/LTC1297应与模拟设备一起使用接地平面和单点接地技术。做不要使用金属丝缠绕技术来做试验板和评估设备。达到最佳性能
安芯科创是一家国内芯片代理和国外品牌分销的综合服务商,公司提供芯片ic选型、蓝牙WIFI模组、进口芯片替换国产降成本等解决方案,可承接项目开发,以及元器件一站式采购服务,类型有运放芯片、电源芯片、MO芯片、蓝牙芯片、MCU芯片、二极管、三极管、电阻、电容、连接器、电感、继电器、晶振、蓝牙模组、WI模组及各类模组等电子元器件销售。(关于元器件价格请咨询在线客服黄经理:15382911663)
代理分销品牌有:ADI_亚德诺半导体/ALTBRA_阿尔特拉/BARROT_百瑞互联/BORN_伯恩半导体/BROADCHIP_广芯电子/COREBAI_芯佰微/DK_东科半导体/HDSC_华大半导体/holychip_芯圣/HUATECH_华泰/INFINEON_英飞凌/INTEL_英特尔/ISSI/LATTICE_莱迪思/maplesemi_美浦森/MICROCHIP_微芯/MS_瑞盟/NATION_国民技术/NEXPERIA_安世半导体/NXP_恩智浦/Panasonic_松下电器/RENESAS_瑞莎/SAMSUNG_三星/ST_意法半导体/TD_TECHCODE美国泰德半导体/TI_德州仪器/VISHAY_威世/XILINX_赛灵思/芯唐微电子等等
免责声明:部分图文来源网络,文章内容仅供参考,不构成投资建议,若内容有误或涉及侵权可联系删除。
Copyright © 2002-2023 深圳市安芯科创科技有限公司 版权所有 备案号:粤ICP备2023092210号-1