说明
LM2940-N/LM2940C压降通常为0.5V@IO=1A具有提供1A输出电流的能力输出电流超过1A,压降通常为0.5V,最大为在整个温度范围内,组装前调整输出电压1V。此外,还包括反向保护静态电流降低电路当镜像插入保护电压超过约3V。静态输出电流1A的P电流和输入-输出+产品增强测试因此,5V的差分只有30毫安。较高的静态电流只存在于调节器处于退出模式(VIN−VOUT≤3V)。LM2940也为车载应用而设计-N/LM2940C和所有调节电路均受保护从反向电池安装或2个电池跳跃。在线路瞬态期间,例如当输入电压可能瞬间超过规定值最大工作电压,调节器将自动关闭以保护内部电路和负载。LM2940/LM2940C不能受到临时镜像插入的伤害。熟悉的调节器特性,如短路和还提供热过载保护。
输入电压和输出之间的内部短路电流限制差
正电压调节器
蓄电池

1.如果调节器远离电源过滤器,则需要。
2.必须至少为22μF才能保持稳定性。可能会增加而不一定要在暂时的。尽可能靠近调节器。该电容器的额定值必须在相同的操作条件下进行温度范围作为调节器和ESR是关键的;见曲线。

(1) 绝对最大额定值是指设备可能发生损坏的极限值。操作条件是指设备功能正常,但规格可能无法保证。有关确保的规格和测试条件,请参阅电气特点。
(2) 如果需要军用/航空航天专用设备,请联系德克萨斯仪器销售办事处/经销商,以获得规范。
(3) 最大允许功耗是结温TJ的函数,TJ是结到环境温度的函数电阻θJA和环境温度TA。超过最大允许功耗将导致过度模具温度,调节器将进入热关机状态。对于TO-220包,DDPAK/TO-263包为80°C/W,SOT-223包为174°C/W。θJA的有效值可以是通过使用散热片(有关散热片的具体信息,请参阅应用程序提示)。WSON包的θJA值为具体取决于PCB的跟踪面积、跟踪材料、层数和热通孔。提高耐热性以及WSON封装的功耗,请参阅应用说明AN-1187(SNOA401)。建议放置6个通孔在中心垫下提高热性能。
(4) 表面贴装设备(SMD)包回流焊外形和条件见JEDEC J-STD-020C。除非另有说明,否则温度和时间仅适用于锡铅(STD)。
(5) ESD额定值基于人体模型,通过1.5 kΩ放电100 pF。
电气特性
除非另有规定,否则VIN=VO+5V,IO=1A,CO=22μF。粗体显示设备的温度范围。指示设备的温度范围。所有其他规格适用于TA=TJ=25°C。

(1) 所有限值仅在TA=TJ=25°C(标准字体)或指示装置的整个工作温度范围内规定(黑体字)。TA=TJ=25°C时的所有限值均进行100%生产测试。极端温度下的所有限值均通过相关规定使用标准的统计质量控制方法。
(2) 所有限值仅在TA=TJ=25°C(标准字体)或指示装置的整个工作温度范围内规定(黑体字)。所有限值均经过100%生产测试,并用于计算出厂质量水平。
(3) 输出电流将随温度升高而降低,但在最高规定温度下不会低于1A。




外部电容器
输出电容器对于保持调节器的稳定性至关重要,并且必须满足两者的要求条件ESR(等效串联电阻)和最小电容量。
最小容量:保持稳定所需的最小输出电容为22μF(该值可在不增加限制)。输出电容值越大,瞬态响应越好。
ESR限值:输出电容的ESR过高或过低都会导致回路不稳定。可接受范围ESR与负载电流的关系如下图所示。输出电容器必须满足这些要求或振荡都可能导致

值得注意的是,对于大多数电容器,ESR仅在室温下规定。但是,设计师必须确保ESR在整个工作温度范围内保持在设计。对于铝电解电容器,当温度从25°C降低到−40°C。这种电容器不适合低温运行。固体钽电容器在高温下具有更稳定的ESR,但比铝更昂贵电解学。有时使用的一种经济有效的方法是将铝电解与固体并联钽占总电容的75%左右。如果两个电容器并联,则有效ESR为两个单独值的并联。“更平坦”的ESR钽可以防止有效ESR在低温下迅速上升。
散热
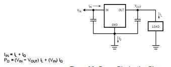
根据最大功耗和最高环境温度应用程序。在所有可能的操作条件下,结温必须在范围内在绝对最大额定值下指定。要确定是否需要散热器,必须计算调节器消耗的功率PD。下图显示了电路中存在的电压和电流,以及计算调节器中消耗的功率:

下一个必须计算的参数是最大允许温升TR(MAX)。这是使用以下公式计算:TR(最大值)=TJ(最大值)–TA(最大值)
TJ(MAX)是最大允许结温,对于商用级零件,为125°C。
TA(MAX)是应用中遇到的最高环境温度。
使用TR(MAX)和PD的计算值,连接到环境热的最大允许值阻力θ(JA)现在可以得到:TR(PD)=最大值外包装上的细节
TO-220可以连接到一个典型的散热器上,或者固定在PC板上的铜板上。如果是铜制飞机在使用时,θ(JA)的值将与DDPAK/to-263的下一节所示相同。如果要选择制造的散热片,散热片对环境热阻的值θ(H−a)必须首先计算:θ(H−A)=θ(JA)−θ(C−H)−θ(J−C)
θ(J−C)定义为从接头到外壳表面的热阻。3°C/W的值可以是假设θ(J−C)用于本计算。
θ(C−H)定义为外壳和散热器表面之间的热阻。价值观θ(C−H)的变化范围约为1.5°C/W至约2.5°C/W(取决于连接方法、绝缘体等)。如果确切值未知,应假设θ(C−H)为2°C/W。
当使用所示方程式找到θ(H−a)的值时,必须选择具有以下值的散热器:小于或等于这个数字。θ(H−A)由散热器制造商在目录中以数字形式指定,或以曲线表示散热片的温升与功耗。外包装上的细节DDPAK/TO-263(KTT)封装使用PCB上的铜平面和PCB本身作为散热片。到优化平面和PCB的散热能力,将封装的凸耳焊接到平面上。图37显示了对于DDPAK/TO-263,使用典型的镀铜和镀铜面积超过1。

如图所示,将铜面积增加到1平方英寸以上几乎没有任何改善。它还应注意,安装在PCB上的DDPAK/TO-263封装的最小θ(JA)值为32°C/W。作为设计辅助,图38显示了与环境温度相比的最大允许功耗用于DDPAK/TO-263设备。假设1平方英寸1盎司铜的θ(JA)为35°C/W,并且最高结温(TJ)为125°C。

外包装上的细节
SOT-223(DCY)封装使用PCB上的铜平面和PCB本身作为散热片。优化平面和PCB的散热能力,将封装的凸耳焊接到平面上。图39和图40显示了SOT-223包的信息。图40假设θ(JA)为74°C/W对于1平方英寸1盎司铜和51°C/W(对于1平方英寸2盎司铜),最大环境温度温度(TA)为85°C,最高结温(TJ)为125°C。关于提高SOT-223封装的热阻和功耗的技术,请参考应用说明AN-1028(SNVA036)。

安芯科创是一家国内芯片代理和国外品牌分销的综合服务商,公司提供芯片ic选型、蓝牙WIFI模组、进口芯片替换国产降成本等解决方案,可承接项目开发,以及元器件一站式采购服务,类型有运放芯片、电源芯片、MO芯片、蓝牙芯片、MCU芯片、二极管、三极管、电阻、电容、连接器、电感、继电器、晶振、蓝牙模组、WI模组及各类模组等电子元器件销售。(关于元器件价格请咨询在线客服黄经理:15382911663)
代理分销品牌有:ADI_亚德诺半导体/ALTBRA_阿尔特拉/BARROT_百瑞互联/BORN_伯恩半导体/BROADCHIP_广芯电子/COREBAI_芯佰微/DK_东科半导体/HDSC_华大半导体/holychip_芯圣/HUATECH_华泰/INFINEON_英飞凌/INTEL_英特尔/ISSI/LATTICE_莱迪思/maplesemi_美浦森/MICROCHIP_微芯/MS_瑞盟/NATION_国民技术/NEXPERIA_安世半导体/NXP_恩智浦/Panasonic_松下电器/RENESAS_瑞莎/SAMSUNG_三星/ST_意法半导体/TD_TECHCODE美国泰德半导体/TI_德州仪器/VISHAY_威世/XILINX_赛灵思/芯唐微电子等等
免责声明:部分图文来源网络,文章内容仅供参考,不构成投资建议,若内容有误或涉及侵权可联系删除。
Copyright © 2002-2023 深圳市安芯科创科技有限公司 版权所有 备案号:粤ICP备2023092210号-1