特征
单位增益带宽:5.5MHz
低压偏移:1.0 mV
转换速率:7.5V/μs
单电源操作:5 V至18 V
高输出电流:70mA
低电源电流:800μA/放大器
电容性负载大时稳定
轨对轨输入和输出
应用
LCD gamma和VCOM驱动程序
调制解调器
便携式仪器
直接接入安排
一般说明
AD8614(单声道)和AD8644(四声道)是单电源、5.5 MHz带宽的轨对轨放大器,针对LCD显示器应用进行了优化。
XFCB、XFCB是采用高电压互补工艺加工而成的。这种专利工艺包括沟隔离晶体管,它降低了内部寄生电容,从而提高了增益带宽、相位裕度和电容负载驱动。每个放大器800μA(典型值)的低电源电流对于便携式或密集封装设计至关重要。此外,铁路到铁路输出摆动提供了更大的动态范围和控制比标准视频放大器提供。
这些产品的工作电压从5伏到18伏不等。70毫安的输出驱动、高转换率和高电容驱动能力的独特组合使AD8614/AD8644成为LCD应用的理想选择。
AD8614和AD8644的温度范围为-20°C至+85°C。它们有5线SOT-23、14线TSSOP和14线SOIC表面安装封装,采用磁带和卷盘形式。
引脚配置



典型性能特征








操作理论
AD8614/AD8644采用模拟器件高压、超快速互补双极(HV XFCB)工艺进行处理。这个过程包括沟隔离晶体管,可以降低寄生电容。
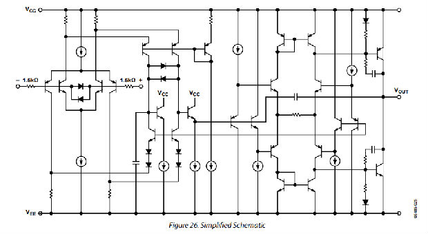
图26显示了AD8614/AD8644的简化示意图。输入级为轨对轨,由两个互补差分对、一个NPN对和一个PNP对组成。输入级由两个背越式二极管防止雪崩击穿。每个输入端都有一个1.5 kΩ的电阻器,在过电压事件期间限制输入电流,并在超过输入值时提供相反转保护。两个差分对连接到一个双折叠共源共栅。这是放大器中增益最大的阶段。双折叠式共源共栅对输出级电路进行差分馈电。两个互补的共发射极晶体管被用作输出级。这使得输出在10毫安的负载下从每根导轨摆动到125毫伏以内。输出级的增益和运算放大器的开环增益取决于负载电阻。
AD8614/AD8644没有内置短路保护。短路极限是输出级晶体管的高电流衰减和输出级示意图所示电阻器上的电压降的函数。在短路电压事件中,该电阻器上的电压被固定在一个二极管上。
输出短路保护
为了实现宽带宽和高转换率,AD8614/AD8644的输出没有短路保护。将输出直接短路到地面或供电轨可能会损坏设备。典型的最大安全输出电流为70毫安。
在需要一些输出电流保护,但不以降低输出电压净空为代价的应用中,可以使用与输出串联的低值电阻器。如图25所示。电阻器连接在放大器的反馈回路中,因此,如果VOUT对地短路,并且VIN摆动到18 V,则输出电流不超过70 mA。
对于18 V单电源应用,不建议使用小于261Ω的电阻器。


输入过压保护
与任何半导体器件一样,只要存在输入超过任一电源电压的条件,就需要注意输入过电压特性。当发生过电压时,放大器可能会损坏,这取决于电压水平和故障电流的大小。当输入电压超过任何一个电源超过0.6V时,内部引脚连接会通电,允许电流从输入流到电源。如图26所示,AD8614/AD8644在每个输入端串联了1.5 kΩ电阻器,这有助于限制电流。只要输入电流限制在5毫安或以下,该输入电流不会对设备造成固有损害。如果电压足够大,导致电流超过5毫安,则应增加一个外部串联电阻器。将最大过电压除以5 mA,再减去内部1.5 kΩ电阻器,即可计算出该电阻器的尺寸。例如,如果输入电压可以达到100 V,则外部电阻应为(100 V÷5 mA)–1.5 kΩ=18.5 kΩ。如果这两个输入端都受到过电压的影响,或者两个输入端都受到过电压的影响。
输出相位反转
只要输入电压限制在电源轨内,AD8614/AD8644就不会发生相位反转。虽然装置的输出不改变相位,但由于输入过电压而产生的大电流会导致装置损坏。在输入电压可能超过电源电压的应用中,应使用上一节所述的过电压保护。
功率损耗
AD8614/AD8644可安全耗散的最大功率受到相关结温升高的限制。最高安全结温为150℃,不得超过该温度,否则会影响器件性能。如果暂时超过此最大值,一旦模具温度降低,电路将恢复正常工作。使设备长时间处于过热状态会导致设备永久损坏。
要计算AD8614/AD8644的内结温度,可使用以下公式:

式中:
TJ为AD8614/AD8644结温。
PDISS是AD8614/AD8644的功耗。
θJA是AD8614/AD8644结到环境封装的热阻。
TA是电路的环境温度。
装置消耗的功率可计算为:

式中:
ILOAD为AD8614/AD8644输出负载电流。
VS是AD8614/AD8644电源电压。
VOUT是AD8614/AD8644的输出电压。
图27提供了一种确定设备是否过热的简便方法。根据封装类型和封装周围的环境温度,可以图形化地找到最大的安全功耗。通过使用前面的方程式,很容易看出PDISS是否超过了器件的功率降额曲线。为确保正确操作,必须遵守图27所示的推荐降额曲线。
未使用的放大器
建议将四元封装中任何未使用的放大器配置为单位增益跟随器,其1 kΩ反馈电阻从逆变输入连接到输出,非反转输入连接到接地层。
电容负载驱动
AD8614/AD8644具有优良的电容负载驱动能力。虽然器件在大的电容负载下是稳定的,但是随着电容负载的增加,放大器的带宽会减少。
当直接从AD8614/AD8644输出驱动大容量负载时,可以使用缓冲网络来提高瞬态响应。该网络由一个串联的R-C组成,从放大器的输出端连接到地,使其与电容性负载并联。配置如图28所示。虽然这种网络没有增加放大器的带宽,但它确实显著地减少了过冲量。

缓冲网络的最佳值应根据电容性负载的大小根据经验确定。表4显示了给定负载电容的几个缓冲网络值。

直达安排
图29所示为600Ω传输系统的5V单电源传输/接收电话线接口示意图。它允许在变压器耦合的600Ω线路上进行信号的全双工传输。放大器A1提供可调节的增益,以满足调制解调器的输出驱动要求。A1和A2均配置为向变压器施加最大可能的差分信号。单个5V电源的最大可用信号约为4.0V p-p,接入600Ω传输系统。放大器A3被配置为差分放大器,用于从传输线提取接收信息以通过A4放大。A3还防止发射信号干扰接收信号。A4的增益可以按照与A1相同的方式进行调整,以满足调制解调器输入信号的要求。标准电阻值允许使用单串联封装(SIP)格式的电阻阵列。将其与AD8644 14线SOIC或TSSOP封装相结合,该电路可提供紧凑的解决方案。

单芯片耳机/麦克风前置放大器解决方案
由于其高输出电流性能,AD8644是一个优秀的放大器,用于驱动计算机应用中的音频输出插孔。图30显示了如何将AD8644与ac编解码器连接以驱动耳机或扬声器。

如果需要从输出放大器获得增益,则应添加四个附加电阻器,如图31所示。

AD8644的增益可以设置为:

两个电路都不需要输入耦合电容器,因为参考电压由AD1881A提供。
电阻R4和R5有助于保护AD8644输出,以防输出插孔或耳机线意外地对地短路。输出耦合电容器C1和C2阻断来自耳机的直流电流,并产生一个拐角频率为的高通滤波器

式中,RL是耳机的电阻。
其余两个放大器可用作低压麦克风前置放大器。单个AD8614可以用作独立的麦克风前置放大器。图32显示了这个实现。

外形尺寸




安芯科创是一家国内芯片代理和国外品牌分销的综合服务商,公司提供芯片ic选型、蓝牙WIFI模组、进口芯片替换国产降成本等解决方案,可承接项目开发,以及元器件一站式采购服务,类型有运放芯片、电源芯片、MO芯片、蓝牙芯片、MCU芯片、二极管、三极管、电阻、电容、连接器、电感、继电器、晶振、蓝牙模组、WI模组及各类模组等电子元器件销售。(关于元器件价格请咨询在线客服黄经理:15382911663)
代理分销品牌有:ADI_亚德诺半导体/ALTBRA_阿尔特拉/BARROT_百瑞互联/BORN_伯恩半导体/BROADCHIP_广芯电子/COREBAI_芯佰微/DK_东科半导体/HDSC_华大半导体/holychip_芯圣/HUATECH_华泰/INFINEON_英飞凌/INTEL_英特尔/ISSI/LATTICE_莱迪思/maplesemi_美浦森/MICROCHIP_微芯/MS_瑞盟/NATION_国民技术/NEXPERIA_安世半导体/NXP_恩智浦/Panasonic_松下电器/RENESAS_瑞莎/SAMSUNG_三星/ST_意法半导体/TD_TECHCODE美国泰德半导体/TI_德州仪器/VISHAY_威世/XILINX_赛灵思/芯唐微电子等等
免责声明:部分图文来源网络,文章内容仅供参考,不构成投资建议,若内容有误或涉及侵权可联系删除。
Copyright © 2002-2023 深圳市安芯科创科技有限公司 版权所有 备案号:粤ICP备2023092210号-1