电流模式控制PWM
开关频率高达1MHz
启动电流低(<120μA)
恒定输出功率与开关频率
适合大电流输出驱动
功率MOSFET(1A)
带双脉冲抑制的全锁存PWM逻辑
可编程占空比
100%和50%最大占空比限制
可编程软启动
一次过电流故障检测及重新启动延时
带迟滞的PWM UVLO
输入/输出同步
锁定禁用
电流感应内部100ns前沿空白
包装:DIP16和SO16N
说明
这个主控制器是在BCD60II中开发的技术,已经被设计成使用固定频率电流模式控制。基于标准电流模式PWM控制装置,该装置具有如下特点可编程软启动,输入/输出同步,禁用(用于过压保护和用于电源管理),精确最大负载循环控制,100ns前沿消隐开启电流检测、逐脉冲电流限制、过电流保护、软启动干预和控制产量的“恒功率”函数多同步监视器开关电源。
电气特性(VCC=15V;Tj=0至105°C;RT=13.3kΩ;CT=1nF除非另有规定。)

电气特性(续)




恒功率函数
逐脉冲电流限制防止峰值
一次电流超过给定水平。这反过来又限制了输出的最大功率,换句话说,就是功率转换器的性能。但是能力,取决于开关频率:例如一个不连续的电流模式反激它们只是比例。在光栅扫描CRT的SMPS中显示开关频率通常与显示器的光栅线扫描信号,以提高抗扰度。越来越多的时候,CRT显示器需要在不同视频频率的范围(例如从31kHz至64 kHz),因此开关频率也是如此SMP的数量将在该范围内变化。在某些故障的情况下,功率吞吐量可能过度而不必绊倒脉冲电流限制电路高工作频率。为了安全起见,这样做是可取的设计转换器的功率级(功率MOSFET、变压器、捕捉二极管),以便能够承受最大功率吞吐量在故障条件下。然而,这是一个规模和成本的不可忽视的增长。克服这个“恒定”的功能。设备通过脉冲电流限制电路改变其脉冲阈值,以保持反激变换器的功率容量尽管开关频率发生了变化。这是通过钳制误差放大器(VCOMP)的值,该值随输入引脚的信号频率而减小1(同步)建立。所需的频率电压转换通过用峰值保持电路检测(同步)振荡器的峰值电压来实现此功能。只需要一个外部电容器。重要的是要指出形状,振幅同步脉冲的持续时间为与此技巧无关。
申请信息
详细引脚功能说明
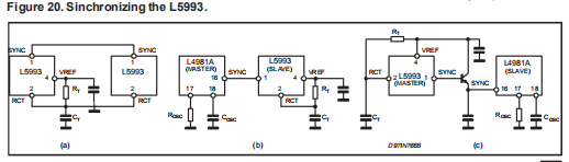
针脚1。同步(输入/输出同步)。此功能允许IC振荡器同步同步(或其他控制器)外部频率(从)。作为主脉冲,引脚在振荡器的下降沿传递正脉冲(见引脚2)。在从属操作电路边缘触发。参考如图21所示。当几个IC并行工作没有主从指定需要,因为最快的一个自动成为主控。在振荡器的斜坡上升过程中,引脚由600μa内部漏电流发生器拉低。在下降边缘,当脉冲释放,600μA下拉开关断开。针变成了一个发电机电源容量通常为7毫安(带电压仍然高于3.5V)。在图20中,给出了同步L5993的一些实际示例。针脚2。RCT(振荡器)。电阻(RT)和电容器(CT),如图21所示连接,设置振荡器的工作频率fosc。CT通过RT充电,直到其电压达到3V,然后迅速内部放电。作为电压降到1V开始充电再一次。频率可借助于图13图表或考虑近似值关系:

它与:Td≅30⋅10-9+KT⋅CT(3)Td也是同步脉冲的持续时间


在针脚1处,并定义占空比范围Dx(Dx定义见针脚15和计算)。但是,如果V15连接到VREF,则系统的开关频率为一半fosc公司。如果IC要与外部振荡器同步,则应为fosc选择RT和CT在任何情况下都低于主频(通常为10-20%),取决于公差RT和CT。
针脚3。DC(占空比控制)。偏袒这个针脚电压在1到3 V之间是可能的将最大占空比设置在0和上限Dx(见针脚15)。如果Dmax是所需的最大占空比,则施加在针脚3上的电压V3为:V3=5-2(2-Dmax)(4)Dmax通过V3和振荡器斜坡之间的内部比较确定(见图22),因此,如果设备与外部频率fext同步(因此振荡器振幅减小),(4)变为:

低于1V的电压将抑制驱动器输出舞台。这可用于非锁定设备禁用,例如在过电压保护的情况下(见应用理念)。如果不需要限制最大占空比(即DMAX=DX),则销必须保持浮动。内部上拉(见图22)可使电压保持在3V以上。如果插脚拾取噪声(例如。在ESD测试期间),它可以连接到VREF通过4.7kΩ电阻器。针脚4。VREF(参考电压)。设备是提供精确的电压基准(5V±1.5%)能够向外部传输一些毫安电路。小型薄膜电容器(0.1μF典型值),连接在该引脚和SGND之间,建议确保发电机的稳定性并防止影响参考的噪声。在设备开启之前,这个引脚有一个漏电流容量为0.5mA。

针脚5。VFB(误差放大器反向输入)。这个反馈信号应用于该引脚,并与E/A内部参考(2.5V)比较。这个E/A输出产生控制电压
修正占空比。E/A采用高增益带宽产品,这样可以拓宽整体控制回路,高转换率和电流可容性,改善其大信号特性。通常,稳定整个控制回路的补偿网络连接在该引脚和COMP(引脚6)之间。
针脚6。COMP(误差放大器输出)。通常,此引脚用于频率补偿和相关网络连接在这两者之间
引脚和VFB(引脚5)。自L5993以来,补偿网络不可能接地E/A是电压模式放大器(低输出阻抗)。关于补偿技术的一些测试,请参见应用思路。
针脚7。SS(软启动)。在设备启动时,连接在该引脚和SGND(引脚12)由内部电流充电发电机在这期间,大约7伏斜坡,E/A输出被电压钳制通过Css本身,允许线性上升,从零开始,直到控制回路给出的稳态值。E/A夹紧期间的最长间隔时间,参考软启动时间约为:
式中,Rsense是电流感应电阻器(参见针脚13) IQpk是开关峰值电流(流动通过Rsense),这取决于输出装载。通常,对于TSS,CSS的选择通常是毫秒级。

如前所述,软启动介入也可用于严重过载或短路接通输出。参照图23,逐个脉冲电流限制在某种程度上是有效的只要可以减少电源开关的接通时间(从A到B)。最短接通时间后达到(从B开始)电流用完控制。为了防止这种风险,比较器触发过电流处理程序,称为“hiccup”模式当电压高于1.2V(C点)时检测到电流检测输入(ISEN,针脚13)。基本上,IC关闭,然后软启动只要检测到故障状态。结果,操作点突然移到D,创建折叠效果。图24示出了操作。出现在软件上的振荡频率

永久性故障时启动电容器,参考至为“打嗝”期,近似由以下公式得出:
由于系统会尝试重新启动每个故障周期,因此不存在任何闩锁风险。“打嗝”使系统处于控制状态,以防短路,但不能消除脉冲限制(从A到C)期间功率元件的应力过大。如果能更好地控制过载,则需要其他外部保护电路必修的。
针脚8。VCC(控制器电源)。这个针提供集成电路的信号部分。设备启用为VCC电压超过启动阈值和只要电压高于UVLO就可以工作门槛。否则,设备将关闭并电流消耗极低(<150μA)。这对于减少启动电路的消耗(在模拟情况下,只有一个电阻器),它是对功率损耗最重要的贡献当转换器轻载时。内部齐纳器将VCC上的电压限制为25V。如果超过此限值,IC电流消耗将显著增加。这个引脚和SGND之间的一个小的薄膜电容器(针脚12)尽可能靠近IC建议过滤高频噪声。
针脚9。VC(功率级供电)。It供应外部开关的驱动器,因此ab吸收脉冲电流。因此,建议放置一个缓冲电容器(朝向PGND,针脚11,尽可能靠近IC)能够维持为了避免这些电流脉冲引起骚动。这个引脚可以连接到缓冲电容器直接或通过电阻器,如图25所示,分别控制开关MOS开关的外部速度。导通时,栅极电阻为Rg+Rg’,At关闭仅限于Rg。
针脚10。输出(驱动器输出)。该引脚是外部电源驱动级的输出开关。通常,这将是一个功率mos,al ,尽管驱动器的功率足够驱动BJT(1.6A源,2A汇,峰值)。驱动器由图腾杆和高侧NPN达林顿和低侧VDMOS组成,因此不需要外部二极管钳位防止电压低于地面。内部钳位限制了传输到栅极电压为13V。因此可以提供具有更高电压的驱动器(引脚9),无任何风险外部MOS栅氧化层的损伤。钳位不会导致芯片内部的功耗增加,因为门电荷的电流峰值出现在栅极电压是几伏,而钳位不是积极的。而且,当闸极电压为13V,稳态。

在图26)中,为了确保外部MOS不能打开acciden tally。这种电路的特点是能够保持相同的接收器容量(通常为20mA@1V)从VCC=0V到启动阈值。当超过阈值时,L5993开始工作,VREFOK被拉高(参考图。26)电路失效。然后可以省略“放气”电阻器(连接在门和源之间(MOS)通常用来防止不受欢迎的外部MOS的接通是因为一些泄漏电流。
针脚11。PGND(电源接地)。电流回路在排出外部闸门的过程中MOS通过这个引脚闭合。这个循环应该尽可能短,以减少电磁干扰和运行与信号电流回路分开。

针脚12。SGND(信号接地)。这个接地是指集成电路的控制电路,因此所有相关外部部件的接地连接要控制功能,必须引出这个引脚。铺设中在PCB外,必须注意防止从流经SGND路径。
针脚13。ISEN(当前感觉)。这个别针连接到电流感应的“热”引线上电阻Rsense(另一个接地),至得到一个电压斜坡,它是开关电流(IQ)的图像。当电压相等时:
开关的导电终止。

为了提高抗扰度,一个“领先优势大约100ns的“消隐”在内部实现为如图27所示。因此,平滑这个引脚和Rsense之间的RC滤波器可以重新移动,或者至少可以大大减少。针脚14。DIS(设备禁用)。当电压当针脚14上升到2.5V以上时,IC关闭需要拉VCC(IC电源电压,引脚8)低于UVLO阈值,以允许设备重新启动。引脚可由外部逻辑信号驱动在电源管理的情况下,如图。28也可以实现过电压保护,如“应用”一节所示如果使用的话,用一个滤波器电容器将这个引脚接地,以避免由于噪音尖峰。如果没有,则必须连接到中士。针脚15。DC-LIM(最大占空比限制)。这个占空比范围的上限Dx取决于施加在该引脚上的电压。差不多,

如果DC-LIM接地或保持浮动。相反,将DC-LIM连接至VREF(半占空比操作),Dx将设置为:

开关频率将减半
对于振荡器,因为内部T触发器(参见方框图,图1)被激活。图29示出了操作。半占空比选项加速定时电容器CT的放电(为了占空比尽可能接近50%),因此振荡器频率-相同的RT和CT-将略高。频率减半可以用来减少在所有那些必须符合有关能源消耗的要求(如显示器,见“应用想法”)。

针脚16。C-功率(恒功率函数)。连接在这个引脚之间的外部电容器SGND完成峰值保持电路检测同步os cillator的峰值电压。电路得到一个直流电压(随着同步频率的增加引脚1(同步)上升)用于钳制误差放大器输出(VCOMP),如图30的详细内部示意图所示。这样,逐脉冲设定点被移动频率上升时向下(反之亦然)由于47kΩ的放电电阻,频率降低,因此,负载的最大功率保持不变。外部电容器必须足够大在引脚上得到一个真正的直流电压。考虑到内部47kΩ电阻器的最小扩展电容值(CCP)需要小于叠加在直流电压上的1%纹波为:
式中,ƒmin(Hz)是最小同步频率。
不使用此功能时,针脚16必须直接连接到针脚4。考虑到变压器,电路通常在没有任何调整。不管怎样改变开关频率和/或电源电压的最大功率限制可以通过修改以下一项或多项来最小化
参数:
-初级电感;
-变压器匝数比;
-振荡器自由运行频率;
-感应电阻器。
需要一个试验过程,包括更容易修改的参数。事实上,对于特定的上述参数与de的组合取决于电源电压范围和同步频率范围。
可通过以下方式实现额外的“微调”在电流感应引脚(13,ISEN)。对于广泛的电源应用来说,这是无论如何建议补偿电流检测路径的传播路径(PWM比较器+闩锁+驱动器),电路如图41“应用理念”部分所示。
布局提示
一般来说,正确的电路板布局是对正确操作至关重要,但并非易事。小心放置组件,正确布线,适当的迹线宽度,如果高电压,符合隔离距离主要问题。L5993通过将两个引脚用于单独的电流偏压(SGND)和开关驱动电流的返回(PGND)这件事很复杂,这里只会提醒几个重要的问题。
(1) 返回所有电源信号
(接地、屏蔽等)应单独布线,且应仅在单个接地点。
(2) 噪声耦合可以通过最小化电流环所限定的区域。这个特别适用于高脉冲回路水流。
(3) 对于高电流路径,应在PCB的另一侧可能:这将降低两个阻力以及线路的感应。
(4) 磁场辐射(和杂散电感)可以通过保留所有痕迹来减少开关电流尽可能短。
(5) 一般来说,携带信号电流的轨迹应远离携带脉冲电流或电压快速摆动的痕迹。从这种观点,应该特别小心高阻抗点(电流感应输入、反馈输入等)。可能是个好主意在PCB一侧和另一边有电源痕迹。
(6) 对一些重要的电路的点,例如参考电压,IC的电源引脚等。
安芯科创是一家国内芯片代理和国外品牌分销的综合服务商,公司提供芯片ic选型、蓝牙WIFI模组、进口芯片替换国产降成本等解决方案,可承接项目开发,以及元器件一站式采购服务,类型有运放芯片、电源芯片、MO芯片、蓝牙芯片、MCU芯片、二极管、三极管、电阻、电容、连接器、电感、继电器、晶振、蓝牙模组、WI模组及各类模组等电子元器件销售。(关于元器件价格请咨询在线客服黄经理:15382911663)
代理分销品牌有:ADI_亚德诺半导体/ALTBRA_阿尔特拉/BARROT_百瑞互联/BORN_伯恩半导体/BROADCHIP_广芯电子/COREBAI_芯佰微/DK_东科半导体/HDSC_华大半导体/holychip_芯圣/HUATECH_华泰/INFINEON_英飞凌/INTEL_英特尔/ISSI/LATTICE_莱迪思/maplesemi_美浦森/MICROCHIP_微芯/MS_瑞盟/NATION_国民技术/NEXPERIA_安世半导体/NXP_恩智浦/Panasonic_松下电器/RENESAS_瑞莎/SAMSUNG_三星/ST_意法半导体/TD_TECHCODE美国泰德半导体/TI_德州仪器/VISHAY_威世/XILINX_赛灵思/芯唐微电子等等
免责声明:部分图文来源网络,文章内容仅供参考,不构成投资建议,若内容有误或涉及侵权可联系删除。
Copyright © 2002-2023 深圳市安芯科创科技有限公司 版权所有 备案号:粤ICP备2023092210号-1