一般说明
LM1279A是一款功能齐全、成本低廉的视频放大器带OSD(屏幕显示)。8V低功率运行提高了可靠性。采用20针DIP封装,可容纳非常紧凑的视频频道设计需要OSD。所有视频功能由0V到4V控制高阻抗直流输入。这样可以方便地连接到5V数模转换器在计算机控制系统中的应用校准系统。独特的OSD开关,无需OSD开关信号。任何OSD输入端的OSD信号在5纳秒内将LM1279A切换到OSD模式。理想的低成本OSD显示器用视频放大器最大1024 x 768。LM1279A提供了卓越的保护防静电。在新的MC13282的替代品设计。
特征
三个110 MHz@−3dB的宽带视频放大器(4VPP输出)
OSD信号到任何OSD输入引脚自动切换
所有3个输出到OSD模式
快速OSD切换时间,通常为5纳秒
3.5 kV ESD保护
固定截止电平通常设置为1.2V
0V至4V,高阻抗直流对比度控制
40分贝范围
0V至4V,高阻抗直流驱动控制(0 dB至−12 dB范围)
用于对比度的n匹配(±0.1 dB或1.2%)衰减器
控制
输出级直接驱动大多数混合型或离散型CRT
应用
高分辨率RGB CRT显示器
视频AGC放大器
个具有对比度和驱动控制的宽带放大器
用于LCD或CCD系统的n接口放大器

绝对最大额定值(注1)
电源电压
针脚2和16(注3)10V
峰值视频输出源电流
(任意一个安培)针脚13、15或18 28 mA
任何输入引脚电压(VIN)VCC≥VIN≥GND
功耗(PD)
(基于θJA的25℃以上减额和TJ)2.1W
环境热阻(θJA)60˚C/W
外壳热阻(θJA)37˚C/W
结温(TJ)150˚C
ESD敏感度(注4)3.5 kV
ESD机器型号(注16)300V
储存温度−65˚C至150˚C
引线温度(焊接,10秒)265˚C
工作额定值(注2)
温度范围0˚C至70˚C
电源电压(VCC)7.5V≤VCC≤8.5V
直流电特性
TA=25˚C;VCC1=VCC2=8V;V10=4V;V驱动=4V;V11=7V;VOSD=0V,除非另有说明

交流电气特性
TA=25˚C;VCC1=VCC2=8V。除非另有规定,否则手动调节视频输出引脚13、15和18至4V DC,以进行交流测试规定的。(注15)

交流电气特性(续)
TA=25˚C;VCC1=VCC2=8V。除非另有规定,否则手动调节视频输出引脚13、15和18至4V DC,以进行交流测试规定的。(注15)

注1:绝对最大额定值表示设备可能发生损坏的极限值。
注2:工作额定值表示设备工作的条件,但不保证具体的性能限制。对于保证的规格和试验条件,见电气特性。保证规格仅适用于列出的试验条件。当装置未在所列试验条件下运行时,某些性能特性可能降级。
注3:VCC电源插脚2和16必须外部连接在一起,以防止VCC通电/断电循环期间发生内部损坏。
注4:人体模型,100 pF通过1.5 kΩ电阻器放电。
注5:典型规范在+25˚C下规定,代表最有可能的参数规范。
注6:检测限值保证为国家AOQL(平均出厂质量水平)。
注7:规定的电源电流为VCC1和VCC2的电流减去通过RL的电流(Isupply=ICC1+ICC2−IL)。VC16引脚电源取决于输出负载。视频输出为1V DC时,通过VCC2的附加电流为7.7 mA,RL=390Ω。
注8:输出电压取决于负载电阻。测试电路使用RL=390Ω。
注9:测量任意两个放大器之间的增益差。车辆识别号=635 mVPP。
注10:∆AV track是对任何两个放大器相互跟踪的能力的测量,并量化了三个衰减器的匹配。区别在于在对比电压(V10)为4V或2V时,相对于AV最大条件,V10=4V测量的任何两个放大器之间的增益变化。例如,在AV当V10=2V时,三个放大器的最大增益分别为17.1db、16.9db和16.8db,并分别变为11.2db、10.9db和10.7db,从而得到测量的典型±0.1db信道跟踪。
注11:测量视频放大器带宽或脉冲上升和下降时间时,建议使用无插座的双面全接地平面印刷电路板。视频放大器10兆赫的隔离测试也需要这种印刷电路板。双面全接地平面PCB的原因是测量值太大单面多氯联苯会发生变化。
注12:将输入频率从10 MHz(AV最大参考电平)调整为−3 dB转角频率(f−3 dB)。
注13:测量其他两个未驱动放大器相对于驱动放大器的输出电平,以确定信道间隔。终止未驱动放大器模拟发电机负载的输入。对于Vsep 10 MHz,在fIN=10 MHz下重复试验。
注14:对于15kHz的水平线,保证最小脉冲宽度为200ns。这一限制是由设计保证的。如果使用较低的线路速率,则较长的可能需要钳位脉冲。
注15:交流试验期间,4V直流电平为交流输出信号的中心电压。例如,如果输出为4 VPP,信号将在2V DC之间摆动和6V直流电。
注16:机器模型ESD试验包含在规范EIAJ IC-121-1981中。一个200 pF的电容充电到指定的电压,然后直接放电到无外部串联电阻的集成电路(放电通路的电阻必须小于50Ω)。


注:所有视频输入必须有一个30Ω系列电阻器,用于防止EOS(电过应力)。如果OSD信号在监视器外部,或当+8V未完全通电时,任何时候都会出现这些信号,那么OSD输入也需要一个30Ω系列电阻器。
ESD和电弧过保护
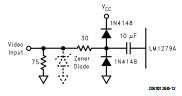
LM1279A的ESD电池比ESD电池有所改进典型视频前置放大器中使用的电池。监视器设计器在设计LM1279A时,必须使用良好的PC板布局技术。人体模型ESD这些部件的敏感度额定为3 kV(注4)。然而,许多显示器制造商现在正在测试符合IEC 801-2规范第4级的监视器。这就要求监视器的输入能够经受8 kV放电。如果显示器设计者希望在这样的水平下生存必须为视频前置放大器提供外部ESD保护输入!在LM1279A as中,PC板布局非常重要与其他视频前置放大器。LM1279A提供了出色的防止静电放电和电弧放电,但LM1279A不是好的PCB布局的替代品。图5显示了一个视频前置放大器。视频前置放大器输入端的两个二极管在30Ω系列电阻器之后提供了最好的保护防静电。当这种保护与良好的PCB布局,视频前置放大器将很容易通过IEC801-2 4级(8 kV ESD)测试通常由监视器完成制造商。如果保护二极管移到视频输入端有30Ω电阻,然后进行ESD保护会降低效率。还有可能损坏二极管,因为没有电阻限制电流。在这样的更重负荷二极管的设计,如FDH400,应被利用。强烈建议添加保护代码,如图5所示。1N4148二极管具有最大电容为4 pF。这不会有什么影响由于输入视频的低阻抗,视频系统的响应。
而不是推荐的视频前置放大器输入端的两个二极管。显示齐纳二极管所需的位置在图5中。它显示为虚线,表示双二极管解决方案的固有变化。齐纳二极管确实节省了一个组件,但现在保护更少了有效的。为了最小化电容,齐纳二极管需要齐纳电压为24V或更高。这远远超过了LM1279A的VCC电压。齐纳二极管必须位于视频输入端,以防低电压激增。需要30Ω电阻器来限制这种电流电压浪涌,保护视频前置放大器。保护使用齐纳二极管来防止静电放电的效果与在视频输入端有两个二极管(与齐纳二极管)。可能需要更高的串联电阻对于齐纳电压的保护,但是更高的电阻值会损害LM1279A的性能;结果是带宽较低,黑电平不稳定。为监视器设计者不应考虑的最大可靠性齐纳二极管解决方案的ESD保护的LM1279A。LM1279A的ESD电池也具有良好的耐受性反弧。再一次,监视器设计者必须在他的印刷电路板布局小心,以良好的电弧过保护。在视频链只有CRT驱动程序的输出才是直接的暴露在电弧过电压下。A良好的PCB布局是视频前置放大器的最佳保护反弧。前置放大器的漏洞主要是通过PCB上的接地痕迹。为了正确操作与视频前置放大器相关的接地连接,包括旁路电容器的接地,必须具有接地短路。重要的地平面用于连接所有前置放大器接地。图16,演示板布局,是一个很好的例子,在一个有效的接地平面上,但只使用单面PCB布局。这是一个检查表,以确保PC板布局良好的接地:
所有与视频前置放大器相关的接地通过一个大型接地平面连接在一起。
CRT驱动器接地连接至视频前置放大器在一点上接地。
CRT和电弧保护接地直接连接至底盘或主接地。没有电弧过电流从这些接地流过前置放大器或阴极射线管驾驶员接地。如果没有遵循上述任何一条建议,则LM1279A可能会变得易受电弧影响。不合适的到目前为止,接地是导致过弧期间视频前置放大器故障的最常见原因。

功能描述
首页的图1显示了LM1279A以及IC的引脚。每个通道在其输入放大器(-A1)处接收视频输入信号。这个输入放大器的输出到对比度衰减器舞台。为了方便连接到5V DAC所有控制输入,包括对比度控制,使用0V至4V范围。传输控制在4V输入下没有衰减,并且全衰减(超过−40 dB),输入电压为0V。所有三个通道都将精确跟踪引脚处的对比度控制设置10每个通道的衰减量相同对于给定的输入电压,通常在±0.3 dB范围内。因为对比度控制是第一步,所以所有的通道都会被跟踪衰减和内部控制电压的产生输入电压对所有三个通道都是公共的。对比度衰减器的输出到驱动器at tenuator。这个阶段有12分贝的控制范围。这个阶段是用于色彩平衡,所以调整范围限制为12分贝,以获得更精确的色彩平衡。
功能描述(续)
通道有自己独立的控制管脚,0V至4V控制范围。一个4V的输入没有衰减输入0V时,衰减12分贝。驱动衰减器级的输出进入逆变输入A2。由于这是第二个反转阶段,A2的输出将是非反转视频信号。注意gm1的输出到A2的非逆变输入。另请注意A2的输出到gm1的逆变输入。这个是钳位电路的反馈。A2的输出级是通过A3输出的视频的精确复制。如果390Ω负载阻抗用于视频输出,然后输出级的黑电平将精确跟踪输出A2的。gm1的另一个输入是期望的黑电平输出因为LM1279A有固定的黑电平输出,所有三个通道中gm1的非反转输入转到固定的1.35V内部参考。这是黑色的电平输出至标称1.35V。gm1的作用类似于样品和保持放大器。一旦钳位脉冲超过3.6V gm1激活,驱动A2的输入到视频输出电压为1.35V。为了正确恢复直流电,这一点很重要gm1只在水平回扫时间被激活当视频处于黑色级别时。gm1还向将灯盖夹紧到正确的电压,以保持1.35V的黑色视频输出电平。当gm1关闭时,电压存放在夹帽上可保持正确的黑色水平在活动视频期间,从而恢复1.35V黑色电平。A3的输入接收来自A2的输出。A3的视频通道是输出级到A2的复制。如前一段所述,这样做是为了修复可以在A2阶段完成。A3也接收OSD输入用于在没有OSD输入的情况下清空通道。通过在A2阶段进行直流恢复,OSD可以被激活在直流恢复期间的输出阶段在A2完成。
OSD信号进入一个特殊的接口电路。这个电路的输出将驱动A3输出到OSD黑电平或比视频黑电平高2.4V左右(OSD白电平)。OSD的黑电平约为300毫伏,低于视频的黑电平。这保证了如果OSD信号不是针对特定通道激活的,而是其输出将略低于临界水平。如果一个OSD输入被接收到一个特定的频道,那么视频输出将在OSD白电平。如果任何视频只有一个OSD信号,OSD模式将自动激活频道。OSD控制电路将允许在OSD模式下使用除黑色以外的任何颜色。这也节省了需求一个特殊的信号切换到OSD模式。记得至少有一个OSD输入必须是高的才能启用OSD模式,因此在OSD窗口中不能使用黑色。
LM1279A的应用
两个演示板可用于评估LM1279A。一块板是前置放大器演示板。该板用于测试和表征LM1279A。此板的示意图如图4所示该电路板的印刷电路布局如图所示6另一块板是一块完整的视频通道颈板可以直接插入CRT插座。该电路板的电路图如图9所示,印刷电路板的布局如图10所示。CRT驱动程序用于这个板是LM2407。任何国家的单片阴极射线管驱动程序可用于此板,但基于成本和性能,LM2407被认为是LM1279A的最佳匹配。图4中的一些重要注释。所有三个视频输入为75Ω视频系统配备75Ω端接电阻器。这个是计算机视频的正常视频阻抗系统。也可能有50Ω系统,然后是R1,R3和R5将更改为50Ω。R2、R4和R6在与LM1279A的视频输入串联。这三个需要30Ω电阻器来保护IC不受任何突发事件的影响在通电和电源关闭模式,或将显示器连接到其他模式时设备。显示器设计者必须在其设计中包括这些电阻器,以获得良好的监视器可靠性。如果需要在视频输入端进行额外的防静电保护,则在30Ω电阻器的IC侧添加钳位二极管是建议,一个接VCC1,一个接地(见图5) 一。有时设计师可能想增加视频输入端的30Ω电阻,用于额外的ESD保护。不建议使用LM1279A。C5、C7,和C9是直流恢复电路的一部分。这个电路是取决于总最大电路电阻约110Ω;30Ω输入串联电阻器加上视频终端国家电阻器的75Ω。增加30Ω电阻器的值将超过110Ω限制。出色的内部ESD保护外部钳位二极管(如果需要)将提供卓越的ESD保护。与OSD输入串联的30Ω电阻器也如果OSD信号在监视器外部,则需要,或如果这些信号在+8V不存在时出现完全启动。接口到OSD输入相当容易由于将OSD信号与视频电平匹配所需的信号处理由LM1279A在内部完成。也不需要OSD窗口信号。任何时候三个OSD输入中的任何一个都有高TTL信号LM1279A将自动切换到OSD模式。高潮TTL OSD信号将为该颜色提供高视频输出。OSD电平是固定的,通常比视频黑色高2.3V水平。这将为OSD窗口提供固定的亮度,但不是在最大的视频亮度,这可能是不愉快的用户。图2和图3显示了时间安排LM1279A的OSD信号图。LM1279A的建议负载阻抗为390Ω。但是,负载阻抗的一些变化制造。如果负载阻抗降低,监控器设计人员必须确认部件仍在正常工作模具温度范围,不得超过模具温度当改变负载阻抗时,黑色水平位移如下图所示。测得的VP-P还列出了失真小于1%的输出。
加载VP-P Blk。水平位移
430Ω3.62V+15毫伏
390Ω3.62V 0毫伏
330Ω3.58V−25毫伏
270Ω3.51V−45毫伏
当使用较低的负载阻抗时,LM1279A确实可以更快速地进行硬剪裁。这确实减少了视频输出的空间。在高频应用中,电路板布局总是至关重要的例如使用LM1279A。如果布局不好,可能会导致视频波形在突然转换后出现环路,或者部分可能会振荡。一个好的接地平面和合适的+8V的布线是一个好的PCB布局的重要步骤。LM1279A确实需要在VCC1和VCC2(针脚2和16)。图6和图10清楚地显示了这一点,图中有短的和大的迹线针脚2和16。两个演示板都提供监视器一个很好的例子与LM1279A一起使用。这些板是单面的允许LM1279A以其最高性能运行。这个颈板也展示了一个很好的例子CRT驱动程序和CRT。视频信号路径保持为LM1279A和CRT驱动程序之间尽可能短,以及CRT驱动程序和CRT插座之间。实际LM1279A在视频前置放大器演示板中的性能如图7和图8所示。

安芯科创是一家国内芯片代理和国外品牌分销的综合服务商,公司提供芯片ic选型、蓝牙WIFI模组、进口芯片替换国产降成本等解决方案,可承接项目开发,以及元器件一站式采购服务,类型有运放芯片、电源芯片、MO芯片、蓝牙芯片、MCU芯片、二极管、三极管、电阻、电容、连接器、电感、继电器、晶振、蓝牙模组、WI模组及各类模组等电子元器件销售。(关于元器件价格请咨询在线客服黄经理:15382911663)
代理分销品牌有:ADI_亚德诺半导体/ALTBRA_阿尔特拉/BARROT_百瑞互联/BORN_伯恩半导体/BROADCHIP_广芯电子/COREBAI_芯佰微/DK_东科半导体/HDSC_华大半导体/holychip_芯圣/HUATECH_华泰/INFINEON_英飞凌/INTEL_英特尔/ISSI/LATTICE_莱迪思/maplesemi_美浦森/MICROCHIP_微芯/MS_瑞盟/NATION_国民技术/NEXPERIA_安世半导体/NXP_恩智浦/Panasonic_松下电器/RENESAS_瑞莎/SAMSUNG_三星/ST_意法半导体/TD_TECHCODE美国泰德半导体/TI_德州仪器/VISHAY_威世/XILINX_赛灵思/芯唐微电子等等
免责声明:部分图文来源网络,文章内容仅供参考,不构成投资建议,若内容有误或涉及侵权可联系删除。
Copyright © 2002-2023 深圳市安芯科创科技有限公司 版权所有 备案号:粤ICP备2023092210号-1