特征
低功耗:ICC=300μA典型值
设计用于RS485接口应用
单5V电源
–7V至12V总线共模范围允许
总线上设备之间的接地差为±7V
热关机保护
上电/断电无故障驱动器输出
允许实时插入或移除收发器
驱动器在三种状态下保持高阻抗或者在断电的情况下
驱动器输出和
接收器允许总线上最多32个收发器
70mV典型输入滞后
30ns典型驱动器传播延迟带5ns斜交
引脚与SN75176A、DS75176A兼容和μA96176
低功耗RS485/RS422收发器
水平翻译
描述
LTC485是一种低功耗差分总线/线路收发器为多点数据传输标准RS485设计扩展共模范围(12V至–7伏)。它也符合RS422的要求。CMOS设计比其双极对应物不牺牲耐用性ESD损坏过载。驱动器和接收器具有三种状态输出驱动器输出保持高阻抗整个共模范围。过度功耗由总线争用或故障引起的强制驱动器输出的热关机电路进入高阻抗状态。接收器具有故障保护功能,确保输入保持打开时的高输出状态。LTC485在商业和扩大工业温度范围。

绝对值
(注1)
电源电压 12伏
控制输入电压 –0.5V至VCC+0.5V
驱动器输入电压 –0.5V至VCC+0.5V
驱动器输出电压 ±14伏
接收器输入电压 ±14伏
接收器输出电压 –0.5V至VCC+0.5V
工作温度范围
LTC485I –40°C≤TA≤85°C
LTC485C 0°C≤TA≤70°C
LTC485M –55°C≤TA≤125°C
焊接温度(10秒)300摄氏度
电气特性VCC=5V±5%,除非另有说明。(注2和3)

开关特性U VCC=5V±5%,除非另有说明。(注2和3)

表示适用于整个操作的规范温度范围。
注1:绝对最大额定值是指设备无法保证。
注2:所有进入器件引脚的电流都是正的;所有从器件输出的电流都是正的引脚为负。所有电压均参考设备接地,除非另有规定。
注3:所有典型值均为VCC=5V和TA=25°C。
注4:LTC485的设计保证其在电源上正常工作电压范围为5V±10%。数据表参数保证测试电源电压范围为5V±5%。


典型性能特征


应用程序
运算基础理论
以前的RS485收发器是用双极技术因为共模范围设备必须扩展到供应品和设备之外必须免疫静电损伤和闭锁。不幸的是,双极性器件需要大量的电源电流,这对于许多需要低功耗的应用是不可接受的。LTC485是第一个CMOS RS485/RS422收发器超低功耗,无需牺牲ESD和闭锁免疫。LTC485使用了一个专用的驱动程序输出级允许共模范围扩展到电源同时几乎消除了闭锁和提供出色的静电防护。图9显示了LTC485输出级,而图10所示为传统CMOS输出级。当传统的CMOS输出级如图10所示进入高阻抗状态,两个P通道(P1)N通道(N1)关闭。如果输出是在VCC上方或地下驱动的P+/N阱二极管(D1)或N+/P衬底二极管(D2)将打开电源并将输出钳制在电源上。因此输出级不再处于高阻抗状态不能满足RS485共模范围要求。此外,大量的电流流动通过任何一个二极管都会产生众所周知的CMOS闭锁状态,可能会损坏设备。图9的LTC485输出级消除了这些问题增加两个肖特基二极管的问题,SD3和SD4。肖特基二极管是通过对标准N阱CMOS工艺的专利改进制造的。当输出级工作正常,肖特基二极管是正向偏压的,有一个小的电压降通过他们。当输出处于高阻抗状态时驱动电压高于VCC或低于地面,寄生二极管D1或D2仍然打开,但SD3或SD4将反转偏移和防止电流流入N井或井下。因此,高阻抗状态保持均匀输出电压超过电源。没有少数载流子电流流入N-阱或亚战略,闭锁实际上在通电或断电条件。

应用程序
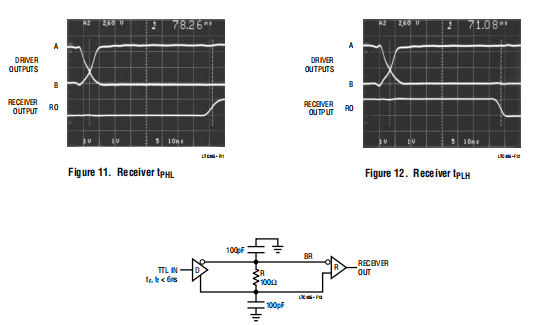
LTC485输出级将保持高阻抗直到N通道或P通道故障分别为正值或负值时达到。这个输出将被钳制到VCC或由齐纳接地电压加上肖特基二极管下降,但这个电压是超出RS485工作范围。这个夹子保护MOS栅的ESD电压远高于2000V。因为静电放电注入的电流在N阱或衬底上由大多数携带者组成,闭锁是由精心的布局技巧。传播延迟许多数字编码方案都依赖于驱动器和接受者。使用图13、图11中的测试电路12显示了典型的LTC485接收器传播延迟。接收器延迟时间为:tPLH–tPHL=9ns典型值,VCC=5V驱动偏差时间为:倾斜=5ns典型值,VCC=5V最大10ns,VCC=5V,TA=–40°C至85°C

应用程序
LTC485线路长度与数据速率RS422/RS485允许的最大线路长度标准是4000英尺。

使用图14中的测试电路,图15和16显示用~20VP-P共模噪声注入线,LTC485能够在4000英尺长的双绞线末端。

图17和18显示LTC485能够以110kHz的频率轻松驾驶4000英尺长的电线

当指定行长度与最大数据速率时应使用图19中的曲线:

安芯科创是一家国内芯片代理和国外品牌分销的综合服务商,公司提供芯片ic选型、蓝牙WIFI模组、进口芯片替换国产降成本等解决方案,可承接项目开发,以及元器件一站式采购服务,类型有运放芯片、电源芯片、MO芯片、蓝牙芯片、MCU芯片、二极管、三极管、电阻、电容、连接器、电感、继电器、晶振、蓝牙模组、WI模组及各类模组等电子元器件销售。(关于元器件价格请咨询在线客服黄经理:15382911663)
代理分销品牌有:ADI_亚德诺半导体/ALTBRA_阿尔特拉/BARROT_百瑞互联/BORN_伯恩半导体/BROADCHIP_广芯电子/COREBAI_芯佰微/DK_东科半导体/HDSC_华大半导体/holychip_芯圣/HUATECH_华泰/INFINEON_英飞凌/INTEL_英特尔/ISSI/LATTICE_莱迪思/maplesemi_美浦森/MICROCHIP_微芯/MS_瑞盟/NATION_国民技术/NEXPERIA_安世半导体/NXP_恩智浦/Panasonic_松下电器/RENESAS_瑞莎/SAMSUNG_三星/ST_意法半导体/TD_TECHCODE美国泰德半导体/TI_德州仪器/VISHAY_威世/XILINX_赛灵思/芯唐微电子等等
免责声明:部分图文来源网络,文章内容仅供参考,不构成投资建议,若内容有误或涉及侵权可联系删除。
Copyright © 2002-2023 深圳市安芯科创科技有限公司 版权所有 备案号:粤ICP备2023092210号-1