特征
LM2766型CMOS电荷泵电压转换器
输入电源电压加倍
作为输入电压的倍压器
SOT-23 6针封装,1.8 V至5.5 V,两个低成本电容器
20Ω典型输出阻抗和二极管用于提供
20毫安20毫安输出电流时,90%的典型转换效率。
0.1-μA典型关机电流LM2766在200 kHz开关下工作
降低输出电阻和电压的频率
2个应用程序涟漪。工作电流只有350μA(运行效率大于90%,大多数移动电话负载)和0.1-μA典型关机电流提供理想的LM2766电池性能-PDA供电系统。该设备是在SOT-23 6针封装。
运算放大器电源
接口电源设备信息
手持仪器
电气特性
除非另有规定,典型限值为TJ=25°C,最小和最大限值适用于整个操作温度范围:V+=5V,C1=C2=10μF.(1)

(1) 在测试电路中,电容器C1和C2为10μF,最大0.3Ω的ESR电容器。具有较高ESR的电容器可能会增加输出电阻,降低输出电压和效率。
(2) 规定的输出电阻包括内部开关电阻和电容ESR。有关详细信息,请参见应用和实现正电压倍增器。
(3) 输出开关的工作频率为振荡器频率的一半,即ƒOSC=2׃SW。
典型特征
(典型倍压器应用电路,VIN=5 V,TA=25°C,除非另有规定)


详细说明
概述
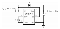
LM2766 CMOS电荷泵电压转换器用作电压范围为1.8V至5.5V。此电路使用两个低成本电容器和一个二极管(启动时需要)。

功能描述
测试电路
LM2766包含四个大的CMOS开关,这些开关按顺序切换以使输入电源加倍电压。能量传输和储存由外部电容器提供。图10显示了电压转换方案。当S2和S4闭合时,C1向电源电压V+充电。在这段时间内,开关S1和S3断开。在下一个时间间隔内,S2和S4打开;同时,S1和S3打开闭合时,输入电压V+和C1上的电压之和给出2 V+输出电压,当没有装载。添加负载时的输出电压降由MOSFET开关和电容器的ESR)以及电容器之间的电荷转移损耗。申请和实施的进一步细节。

设备功能模式
关机模式
正常情况下,可使用关机(SD)引脚禁用设备并将静态电流降低至0.1μA操作模式下,SD引脚连接至V+。通过应用,可以使设备进入关闭模式至SD引脚a电压小于V+引脚电压的20%。
申请信息
LM2766提供了一种简单而有效的方法来产生等于输入电压。在不需要电感器的情况下,应用解决方案的尺寸可以比磁性材料小DC-DC转换器解决方案。
典型应用
LM2766的主要应用是使输入电压加倍。

这种电路的输出特性可以用一个理想的电压源和一个抵抗。电压源等于2 V+。输出电阻路径是内部MOSFET开关,振荡器频率,C1和C2的电容和ESR。因为开关电流充放电C1大约是输出电流的两倍,ESR的影响抽运电容器C1在输出电阻中乘以4。输出电容器C2正在充电并且放电电流约等于输出电流,因此,其ESR只在输出电阻。ROT的一个很好的近似值是:

RSW是图12所示内部MOSFET开关的导通电阻之和。
峰值到峰值输出电压纹波由振荡器频率以及电容和输出电容器C2的ESR:

高电容、低ESR电容器可以降低输出电阻和电压纹波。
肖特基二极管D1
只需要保护设备不打开自己的寄生二极管锁定。在启动过程中,D1也会迅速地将输出电容器充电到VIN减去二极管压降减少启动时间。因此,肖特基二极管D1必须具有足够的载流能力在启动时给输出电容器充电,同时为其提供低正向电压,以防止内部寄生二极管从打开。肖特基二极管如1N5817可用于大多数应用。如果输入电压斜坡较小小于10V/ms的肖特基二极管(如MBR0520LT1)可用于减小电路尺寸。
电容器选择
正如在正电压倍增器中所讨论的,输出电阻和纹波电压取决于外部电容器的电容和ESR值。输出电压降是负载电流乘以输出电阻,功率效率为
IQ(V+)是设备的静态功率损耗;以及IL2ROUT是与接通电阻、两个外部电容器及其环境与社会科学研究院。电容器的选择是基于跌落电压(等于输出电流)的规格输出电压纹波,以及转换器效率。建议使用低ESR电容器(表2)最大限度地效率高,降低输出电压降和电压纹波。

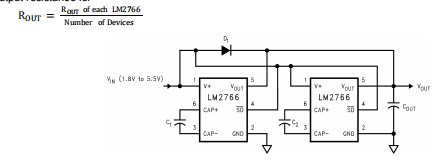
并联装置
任何数量的LM2766器件可以并联,以减少输出电阻。因为没有封闭的回路反馈,正如在调节电路中发现的那样,稳定的运行是有保证的。每个设备都必须有自己的抽运电容器C1,而只需要一个输出电容器,如图13所示。复合材料输出电阻为:

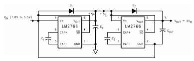
级联设备
级联几个LM2766器件是产生更高电压的简单方法(两级级联电路如图14所示)。有效输出电阻等于每个单独装置的加权和:路线=1.5路线1+路线2注意,增加级联阶段的数量实际上是有限的,因为它显著地减少了效率高,增加输出电阻和输出电压纹波。

调节阀
可以使用低压差调节器(例如LP2980-5.0)来调节LM2766的输出。这个整个转换器如图15所示。使用LP2980-3.3、LP2980-3.0或LP2980-ADJ可以获得不同的输出电压。最坏情况设计必须同时满足以下条件:
2Vin最小值>输出最小值+Vdrop最大值(LP2980)+输出最大值×路径最大值(LM2766)
2车辆识别码最大值<最大值+最小值(LP2980)+输出最小值×路径最小值(LM2766)

电源建议
LM2766被设计成在1.8 V和5.5 V的输入电压范围内作为逆变器工作。该输入电源必须调节良好,能够提供所需的输入电流。如果输入电源是位于远离设备的地方,除了陶瓷旁路外,可能还需要额外的体积电容电容器。
布局
布局指南
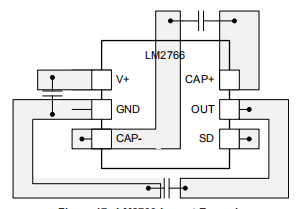
LM2766的高开关频率和大开关电流使得布局的选择非常重要。请参考以下步骤,以确保设备稳定并保持适当的LED电流在预期工作电压和电流范围内进行调节。将CIN放置在顶层(与LM2766同一层),并尽可能靠近设备。连接输入电容器通过短而宽的轨迹到达V+和GND引脚,从而降低感应电压开关过程中出现的尖峰会损坏V+线路。
将COUT放在顶层(与LM2766同一层),并尽可能靠近OUT和GND引脚。
CIN和COUT的返回值必须在一个点上集中在一起,尽可能靠近GND引脚。
连接COUT通过短,宽的痕迹减少串联电感在输出和接地引脚,可以损坏VOUT和GND线路,并在设备和周围电路中造成过大噪音。将C1放在顶层(与LM2766设备同一层),并尽可能靠近设备。通过短而宽的迹线将飞线电容器连接到帽+和帽-销上。

安芯科创是一家国内芯片代理和国外品牌分销的综合服务商,公司提供芯片ic选型、蓝牙WIFI模组、进口芯片替换国产降成本等解决方案,可承接项目开发,以及元器件一站式采购服务,类型有运放芯片、电源芯片、MO芯片、蓝牙芯片、MCU芯片、二极管、三极管、电阻、电容、连接器、电感、继电器、晶振、蓝牙模组、WI模组及各类模组等电子元器件销售。(关于元器件价格请咨询在线客服黄经理:15382911663)
代理分销品牌有:ADI_亚德诺半导体/ALTBRA_阿尔特拉/BARROT_百瑞互联/BORN_伯恩半导体/BROADCHIP_广芯电子/COREBAI_芯佰微/DK_东科半导体/HDSC_华大半导体/holychip_芯圣/HUATECH_华泰/INFINEON_英飞凌/INTEL_英特尔/ISSI/LATTICE_莱迪思/maplesemi_美浦森/MICROCHIP_微芯/MS_瑞盟/NATION_国民技术/NEXPERIA_安世半导体/NXP_恩智浦/Panasonic_松下电器/RENESAS_瑞莎/SAMSUNG_三星/ST_意法半导体/TD_TECHCODE美国泰德半导体/TI_德州仪器/VISHAY_威世/XILINX_赛灵思/芯唐微电子等等
免责声明:部分图文来源网络,文章内容仅供参考,不构成投资建议,若内容有误或涉及侵权可联系删除。
Copyright © 2002-2023 深圳市安芯科创科技有限公司 版权所有 备案号:粤ICP备2023092210号-1