功率MOSFET和肖特基二极管
由于器件的栅极驱动器由5V总线供电,逻辑电平MOSFET的使用是非常值得推荐的,特别是在大电流应用中。它们的击穿电压V(BR)DSS必须大于VINMAX有一定的裕度,因此选择将针对20V或30V设备。一旦建立了允许的功耗,就可以选择RDS(ON)。通过选择相同的功率MOSFET作为主开关和同步整流器,其消耗的总功率不依赖于占空比。因此,如果PON是这个功率损耗(额定输出功率的百分之几),则需要RDS(开)(@25°C)可从以下公式得出:

其中Iout是ITOT5或IOUT3,根据所考虑的章节,a是温度系数RDS(开)(通常,对于这些低压等级,a=5·10-3°C-1)和∆T允许温升。它是然而,值得注意的是,通常RDS(ON)越低,门电荷Qg就越高,这会导致更高的栅极驱动消耗。事实上,每个开关周期,一个电荷Qg从输入源移动到接地,产生等效驱动电流:Ig=Qg·fSW
这会影响低负载电流下的效率。此外,该电流来自于PREG5线,其来源
容量,ISRC(25mA最小值)不得超过,因此对MOSFET总栅极有进一步的限制充电(@VGS=5V):

假设四个相同的MOSFET。
与同步整流器并联的肖特基二极管的反向电压Vrm必须大于VINMAX。由于它的导通时间不到开关周期的5%,电流额定值可以低得多
而不是爱。选择标准应为:Vt(肖特基)<Vt(体二极管)@I=ILPK
感测电阻器
根据各自的最大输出电流选择各部分的感应电阻。电流感应比较器限制电感峰值电流,因此最大直流输出电流为峰值值小于峰间波纹的一半。两个部分的干预阈值都设置为50mV,因此电阻值应为:

由于触发脉冲跳过模式的比较器阈值为11mV,系统进入这种操作时的输出电流约为最大输出电流的四分之一。感测电阻数值为低毫欧姆,因此正确获取电流感应信号非常重要。确保IC电流检测引脚和感应电阻器之间的开尔文连接不传输输出电流。
输入电容器
脉冲电流(平均值为零)流过buck变换器的输入电容器。该电流的交流分量相当高,并在电容器的ESR上消耗大量的功率:

很容易发现PCIN的最大值等于IOUT/2(@VIN=2×VOUT,即50%的占空比)。这个因此,每个部分的输入电容器应选择的均方根纹波电流额定值高达一半各自的最大输出电流。电容值不是很重要,但实际上是最小值必须确保稳定。事实上,开关调节器显示负输入阻抗,在低频,即:
因此,如果电源的阻抗不远低于ZIN(DC)的绝对值,频率不超过调节器控制回路的带宽,存在振荡的可能性。为确保稳定性,必须满足以下条件:
式中,LEQ是开关调节器输入上游电路的电感,ESRIN与输入电容器本身。那个建议使用高性能电解电容器。如果更高的成本是ESR-OS电容器是一个很好的选择,因为他们没有提供一个最小的尺寸或额定电流。钽电容器不能承受脉冲电流,因此不建议使用。
输出电容器
输出电容器的选择是基于输出电压纹波的要求。这个波纹与电流纹波通过感应器和几乎完全是由于输出电容的ESR。因此目标是达到一个低于一定值的ESR,而不管实际电容值是多少。+3.3V段的最大电流纹波为:∆IL3=2·(IL3PK-IOUT3)
考虑到“+3.3V电感器”中获得的值。对于+5.1V,最大纹波为:
其中,VIN是指在“+5.1变压器”一节中选择的最小值或最大值。无论如何,最大ESR为:

其中下标x表示任一节。在脉冲跳变操作中,输出纹波的电容分量与电阻分量相当其中下标x表示任一节。在跳脉冲操作中,输出纹波的电容分量与电阻分量相当,因此,两者都应考虑:

如果对脉冲跳变条件下的输出纹波也有规定,COUTX和ESRX必须符合还有它。对最小输出电容的进一步限制可以从关于最大输出电容的规范中产生欠冲,∆V 出,或超调,∆V+由于阶跃荷载变化∆IOUT:

与最大工作循环相关的量和Dmax+3.3V或+5.1V段。应使用高性能电容器以减少所需的电容对于给定的ESR,为了避免多个部件并联而浪费大量空间。虽然有很好的电解电容器,但OS-CON或钽钽电容器可能是首选,特别是在设计非常紧凑的情况下需要,或表面安装组件。具有极低ESR的多层陶瓷电容器但它们的电容值有很大的扩展,所以它们应该与另一个并联稳定,高ESR电容器。
其他部件
反馈回路的带宽几乎是无限的,因此需要一个滤波器使系统不敏感一般来说,为了防止噪声干扰开关的正确运行误差求和比较器。总之,这个滤波器的截止频率可以很高,这样线路和负载就可以了瞬态响应非常快。这种滤波器是一种简单的R-C型,电阻和电容可以选择典型的3dB截止频率为60kHz。对于自举二极管,虽然小信号二极管可以有效地使用,但最好采用低功率肖特基整流器,因为它稍微增加栅极驱动电压,有利于效率。靴带电容器可以是100nF薄膜电容器。软启动电容器确定限流电路从零到50mV逐渐移动设定点的时间,以限制启动时的电流流入。该斜坡持续约1毫秒每nF的软启动电容(10到100 nF的典型值),但实际时间需要输出电压达到稳态值取决于负载电流和输出滤波电容。IC的一些关键点可能需要旁路电容器来防止噪声干扰电路。这些点是参考电压VREF、IC电源引脚VIN、PREG5线路和其他选择电源引脚V5SW。使用适合交流去耦的薄膜电容器。外部PNP双极晶体管考虑到辅助电压的输出端尺寸为5.13V外部PNP晶体管的功率损耗为:
Ploss=(VIN-VOUT)
集电极发射极击穿电压必须大于变压器在5.1V下的击穿电压对于集电极基极结也是如此。一个小信号晶体管就足够了应用程序。
变压器捕捉二极管(仅限L5994A)
控制+5.1V变压器二次绕组产生的电流的二极管应为快速恢复1,击穿电压大于:

有一定的安全裕度。二极管必须承受峰值约为:其均方根值由下式给出:

直流电的值显然是低12。
变压器滤波电容器
对输入滤波电容器(连接在V13IN和地面之间)的最严格要求是其有效值纹波电流额定值,至少应为:

工作电压应高于调节器轻载时产生的电压。也是为了建议使用高质量的电解电容器或OS-CON电容器。
布置及接地
电气设计只是开关变换器开发的第一步。因为电流范围从mA到A,DC和switched都在同一个电路板上,PCB布局对A来说至关重要正确操作电路,但不是一件容易的事。正确的布局流程通常包括仔细放置组件、正确接地、正确布线,以及适当的迹线宽度。幸运的是,由于这种应用涉及低电压,隔离要求不重要。参考文献对这件事进行详细的分析,这里只会提醒几个要点。
(1) 所有电流回路(信号接地、电源接地等)应相互隔离,且应仅在一个接地点连接。地平面对于正确安排两者都是非常有用的电流返回和最小化辐射(见下2点),即使它们不能解决所有问题
(2) 相邻电路之间的噪声耦合可以减少,使电流回路的面积最小化流动。这在有高脉冲电流的情况下尤其重要,即电路包括输入滤波电容器、功率开关、同步整流器和输出电容器。下一个优先考虑的是栅极驱动电路。
(3) 磁场辐射(和杂散电感)可以通过保留所有携带开关电流尽可能短。
(4) 电流感应的开尔文连接痕迹应该保持短而紧密。
(5) 对于高电流路径,只要可能,PCB另一侧的迹线可以加倍:这会降低线路的电阻和电感。
(6) 一般来说,携带信号电流的记录道应远离携带脉冲电流或快速摆动电压。从这个观点来看,应该特别注意高阻抗路径(反馈输入、电流检测跟踪…)。在一块PCB上布线信号轨迹可能是个好主意另一边是电源线。
(7) 使用重铜痕迹:这将降低其电阻,提高整体效率,并将改善它们的散热能力。
L5994评估套件
L5994评估套件是一个经过充分组装和测试的演示板,它实现了一个标准的应用电路,按照以下规格配置:
输入电压范围:5V~25V
3.3V输出:Iout3=3A
5.1V输出:Iout5=3A
12V输出:Iout12=50mA
开关频率:fSW=300kHz。

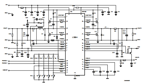
图7所示的电气原理图显示,在实际应用中严格需要的元件上添加了一些上拉/下电阻。与四位dip开关一起,它们允许手动设置控制芯片操作的逻辑信号。在本例中,这些信号是:
开关1:RUN1(0=5.1V关,1=5.1V开)
开关2:OSC(0=200kHz,1=300kHz)
开关3:NOSKIP(0=脉冲跳开,1=跳脉冲关)
开关4:RUN2(0=3.3V关,1=3.3V开)
请注意,只要每个调节器被禁用,相关的低端MOSFET就处于接通状态。因此,如果负载能够产生电流,它将通过扼流圈和低压侧对地短路莫斯。虽然默认开关频率为300kHz(开关2设置为1),无源元件选择这个频率,演示板将令人满意地工作在200kHz以及。实际上,在200kHz时调节器的效率最高,输入电压范围向下扩展最大。另一方面,输出纹波较大,动态特性稍差。实际上,演示板不提供同步接口。无论如何,有可能同步振荡器(使用适当的信号:5V振幅脉冲,间隔至少400ns)只需将信号输入分频器R8-R9的中间,即可将开关设置为1。这样,可以在高于300kHz的频率下实现同步。使振荡器同步到200kHz和300kHz,板上需要更大的干预。为了在低负载电流范围内最大限度地提高效率,在默认情况下启用了脉冲跳过操作。PWM和脉冲跳变之间的转换大约发生在1A以下,但是在两种运作模式共存而不是一个明确的界限。在示波器上可以看到波形不规则,但对输出纹波和效率影响不大。不喜欢脉冲跳过模式的异步操作的人可以通过将开关3设置为1来禁用两个调节器。它可以保持PWM运行到非常低的输出电流,但是,调节与开关频率不兼容。这意味着高边MOSFET对于工作频率下的穿透能量水平来说太长了。因此,控制系统开始跳过传导周期,以避免输出电压向上漂移。


安芯科创是一家国内芯片代理和国外品牌分销的综合服务商,公司提供芯片ic选型、蓝牙WIFI模组、进口芯片替换国产降成本等解决方案,可承接项目开发,以及元器件一站式采购服务,类型有运放芯片、电源芯片、MO芯片、蓝牙芯片、MCU芯片、二极管、三极管、电阻、电容、连接器、电感、继电器、晶振、蓝牙模组、WI模组及各类模组等电子元器件销售。(关于元器件价格请咨询在线客服黄经理:15382911663)
代理分销品牌有:ADI_亚德诺半导体/ALTBRA_阿尔特拉/BARROT_百瑞互联/BORN_伯恩半导体/BROADCHIP_广芯电子/COREBAI_芯佰微/DK_东科半导体/HDSC_华大半导体/holychip_芯圣/HUATECH_华泰/INFINEON_英飞凌/INTEL_英特尔/ISSI/LATTICE_莱迪思/maplesemi_美浦森/MICROCHIP_微芯/MS_瑞盟/NATION_国民技术/NEXPERIA_安世半导体/NXP_恩智浦/Panasonic_松下电器/RENESAS_瑞莎/SAMSUNG_三星/ST_意法半导体/TD_TECHCODE美国泰德半导体/TI_德州仪器/VISHAY_威世/XILINX_赛灵思/芯唐微电子等等
免责声明:部分图文来源网络,文章内容仅供参考,不构成投资建议,若内容有误或涉及侵权可联系删除。
Copyright © 2002-2023 深圳市安芯科创科技有限公司 版权所有 备案号:粤ICP备2023092210号-1