八个低RDSon数据输出(25°C时IO=1A时为0.5Ω,VCC=5V±5%)
8位串行输入数据(SPI)
8位串行诊断输出
过载和开路条件
输出短路保护
CHIPENABLESELECTFUNCTION(低电平有效)
每个输出的内部35V夹持
与另一个八进制级联
低静态电流(最大10mA)
组件电源SO20
说明
L9822N是一个八进制低压侧电磁阀驱动器重点研究了多功率BCD技术适用于车灯、继电器和电磁阀移动环境。DMOS的产量超过了L9822N具有非常低的功耗。数据通过串行方式传输到设备串行外围接口(SPI)协议。L9822N具有输出状态监视功能功能。

管脚说明
逻辑电源电压-标称5V
接地
设备地面。这个逻辑电路和功率输出级的接地装置。
重置
异步复位L9822NSP内部的输出级、并行锁存器和移位寄存器。此引脚处于低激活状态,不能保持浮动状态。通电清除功能可以通过一个外部电阻器将该引脚连接到VCC用外部电容器接地。总工程师芯片启用。数据从移位寄存器传输到信号上升沿的输出端。该信号的下降沿设置移位寄存器输出电压检测位来自输出级。SO引脚的输出驱动器是此引脚低时启用。所以串行输出。此引脚是移位寄存器,当CE高时,它是三态的。A此管脚上的数据位为高表示特殊输出为高。该引脚上的数据位低表示输出低。将串行输出位与前一位进行比较串行输入位外部微控制器执行L9822提供的诊断数据。
硅
串行输入。该引脚是串行数据输入。高潮在此Pin上,将编程一个ParticularRoutPuttoBeoff,低气压会打开它。
串行时钟。该引脚为移位寄存器计时。新的所以数据会出现在这个引脚的每一个上升沿上新的数据将被锁存到每一slk's fal ling edge到移位寄存器中。
输出00-07
电源输出引脚输入和输出位与07位相对应,首先通过SPI接收公共汽车和00是最后一班。输出具有电流限制和用于故障指示和保护的电压感应功能。这些输出的额定负载电流是500毫安。输出也有板上夹具设置为36V左右,用于感应负载再循环电流。
电气特性(VCC=5V±5%。Tj=–40至125°C;除非另有规定)


功能描述
L9822NDMOS输出的工作功率很低设备功能环,8个1ΩRDSON DMOS驱动程序输出级有瞬态保护电路。每个信道由输出锁存器和公共复位线独立控制所有八个输出。驱动器的饱和度低短路保护和直流电以及电磁阀、灯和继电器等电阻负载。数据通过这些串行接口(SPI)传输到设备协议。那个电路通过串行输入接收8位串行数据(SI)存储在内部寄存器中以控制输出驱动程序。串行输出(SO)提供8表示电压水平的诊断数据位在驱动器输出端。这使得微处理器诊断输出驱动器的状况。
输出饱和电压由不饱和状态的比较器能够通过断层打开特定河流线路复位。该电路还可与其他八进制驱动器级联,以阻塞8位多个数据。芯片启用(CE)时选择设备线路低。另外,(SO)被置于三态模式取消选择设备时。负边缘(CE)传输驱动器的电压电平对移动寄存器和(CE)的积极影响将来自换档寄存器的新数据锁存到两个驱动器上。当CE低时,数据位包含在移位寄存器每数据位存在于SI时的SCLK正跃迁输入被锁存到移位寄存器负迁移。
内部块说明
设备的内部架构基于三个内部主块:用于与SPI总线对话的八进制移位寄存器、写入设备的控制位的八进制锁和八进制加载驱动程序数组。
移位寄存器
移位寄存器有串行和并行输入以及串行和并行输出。串行输入ac接收来自SPIBUS的数据,串行输出同时将数据发送到SPI总线。这个并行输出在数据传输结束时锁存在L9822N的并行锁存侧。这个在数据传输周期开始时,并行输入卡阻诊断数据到换档寄存器。
平行闩锁
并行锁存器保存来自移位的输入数据注册。然后这些数据驱动输出级。锁存器中的单个寄存器可以通过以保护过载的故障条件输出阶段。整个锁闩也被清除了通过复位信号。
输出级
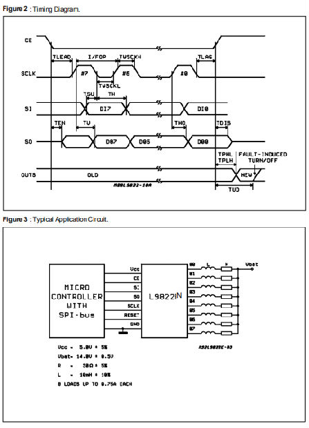
输出级提供主动低驱动信号适用于0.75A连续负载。输出将内部齐纳设置为36伏,以便在关闭时钳制感应瞬变。每个输出还具有电压比较器B服务于OutputNode。如果这个on输出引脚上的电压超过1.8V,即故障假设条件,驱动该特定级的闩锁复位,将输出关闭以保护它。此操作的时间安排如下所述。这些比较器还向移位寄存器。另外,com parators包含一个内部下拉电流将导致电池指示低输出电压,如果输出编程为关闭,输出引脚开路。定时数据传输图2显示了使用SPI总线。CE高-低过渡当芯片启用(CE)引脚为拉低。Thetri-stateSerialOutput(SO)引脚驱动程序将使CE较低的时间成为可能。在CE引脚的边缘,诊断数据来自输出级中的电压比较器将接入移位寄存器。如果特定输出是高,一个逻辑信号会被塞进移位寄存器。如果输出低,逻辑零将在这里装的最重要的位(07)应该是显示串行输入(SI)引脚。一个零引脚将编程一个输出,而一个将编程输出关闭。
SCLK跃迁
然后应拔出串行时钟(SCLK)引脚高。在这一点上,来自最重要输出(07)的诊断位将出现在最高点这里表示07针脚高于1.8V。然后将SCLK引脚调低至高。新的SO数据将出现在每个边缘之后的SCLK和新的SI数据将被锁存到下降沿上的L9822N移位寄存器。无限制的数据量可以通过e-viceshift寄存器(输入SI pin和输出该pin)进行移位,允许其他SPI设备级联到带L9822N的菊花链。
CE低到高转变
一旦将数据移到最后一位L9822NSP,CE销应拉高。在CE的上升沿,移位寄存器数据是横向的,输出级将由新数据驱动。内部160μs延迟定时器也将在该上升沿启动(参见图德)。在160μs期间,输出将为仅由模拟限流电路保护由于故障导致平行锁存复位条件它持续了一段时间。这个降低部件,以克服高涌流打开后可能立即流动。一旦延迟时间已过,输出电压为通过比较器和任何体积大于1.8的输出进行感应瓦雷拉切多夫,应该是注意,SCLK引脚在CE引脚的两个传输位置都应较低,以避免换档注册。TheSCLKinputis由行政长官接手使SCLK引脚在CE引脚高。
故障条件检查
可以用以下方法检查故障情况。输入新的控制字节。等等160微秒左右,以使输出稳定下来。在同一个控制器上计时,并观察设备输出的诊断数据。诊断位应与第一次打卡。任何不同之处都会指向错误打开输出。如果输出由计时为0,1作为输出的直径,输出pin仍然很高并且存在短路或过载情况。如果输入1时,输出被编程关闭,一个零作为诊断的依据回来了输出,没有把输出引脚拉高必须是浮动的,因此存在开路情况对于那个输出。
图1:AsynchronousReset的字节计时。


安芯科创是一家国内芯片代理和国外品牌分销的综合服务商,公司提供芯片ic选型、蓝牙WIFI模组、进口芯片替换国产降成本等解决方案,可承接项目开发,以及元器件一站式采购服务,类型有运放芯片、电源芯片、MO芯片、蓝牙芯片、MCU芯片、二极管、三极管、电阻、电容、连接器、电感、继电器、晶振、蓝牙模组、WI模组及各类模组等电子元器件销售。(关于元器件价格请咨询在线客服黄经理:15382911663)
代理分销品牌有:ADI_亚德诺半导体/ALTBRA_阿尔特拉/BARROT_百瑞互联/BORN_伯恩半导体/BROADCHIP_广芯电子/COREBAI_芯佰微/DK_东科半导体/HDSC_华大半导体/holychip_芯圣/HUATECH_华泰/INFINEON_英飞凌/INTEL_英特尔/ISSI/LATTICE_莱迪思/maplesemi_美浦森/MICROCHIP_微芯/MS_瑞盟/NATION_国民技术/NEXPERIA_安世半导体/NXP_恩智浦/Panasonic_松下电器/RENESAS_瑞莎/SAMSUNG_三星/ST_意法半导体/TD_TECHCODE美国泰德半导体/TI_德州仪器/VISHAY_威世/XILINX_赛灵思/芯唐微电子等等
免责声明:部分图文来源网络,文章内容仅供参考,不构成投资建议,若内容有误或涉及侵权可联系删除。
Copyright © 2002-2023 深圳市安芯科创科技有限公司 版权所有 备案号:粤ICP备2023092210号-1