一般说明
LMC7111是一种微功耗CMOS运算放大器提供节省空间的SOT 23-5套餐。这个使LMC7111成为空间和重量临界标志的理想选择。广泛的共模输入范围使得设计检测上述信号的电池监测电路V+电源。小包装的主要好处是最明显的是小型便携式电子设备,如移动电话、寻呼机和便携式计算机。小小的放大器可以放在需要的地方,简化电路板布局。
特征
微型5针SOT23封装节省空间
非常宽的共模输入范围
在2.7V、5V和10V下规定
5V时的典型电源电流为25μA
50 kHz 5V增益带宽
类似于流行的LMC6462
在100k负载下,输出至电源轨20 mV范围内
良好的电容负载驱动
应用
移动通信
便携式计算
电池充电器的电流传感
参考电压缓冲
传感器接口
砷化镓射频放大器的n稳定偏压
绝对最大额定值(注1)
ESD公差(注2)
SOT23组件2000V
MDIP组件1500V
差分输入电压±电源电压
输入/输出引脚处的电压(V+)+0.3伏,(伏-)−0.3伏
电源电压(V+−V−)11伏
输入引脚处的电流±5 mA
输出引脚处的电流(注3)±30 mA
电源引脚电流30毫安
引线温度。(焊接,10秒)260˚C
储存温度范围−65˚C至+150˚C
结温(注4)150˚C
工作额定值(注1)
电源电压2.5V≤V+≤11V
结温范围
LMC7111AI,LMC7111BI−40˚C≤TJ≤+85˚C
热阻(θJA)
8针MDIP 115˚C/W
5针SOT23 325˚C/W
2.7V直流电特性
除非另有规定,TJ=25˚C,V+=2.7V,V−=0V,VCM=VO=V的所有保证限值+/2和RL>1 MΩ。Bold 面部限制适用于极端温度。

2.7V交流电气特性
除非另有规定,TJ=25˚C,V+=2.7V,V−=0V,VCM=VO=V的所有保证限值+/2和RL>1 MΩ。Bold 面部限制适用于极端温度。

注1:绝对最大额定值表示设备可能发生损坏的极限值。工作额定值表示设备的工作条件旨在发挥功能,但具体性能无法保证。有关保证的规格和测试条件,请参阅电气特性。
注2:人体模型为1.5 kΩ,串联100 pF。
注3:适用于单电源和分供操作。在较高环境温度下持续短路操作可导致超过150°C时的最大允许结温。
注4:最大功耗是TJ(MAX)、θJA和TA的函数。任何环境温度下的最大允许功耗为PD=(TJ(最大)−TA)/θJA。所有数字适用于直接焊接到PC板上的封装。
注5:典型值代表最有可能的参数规范。
注6:所有限值均由试验或统计分析保证。
注7:V+=2.7V,VCM=1.35V,RL接1.35V。源极试验,1.35V≤VO≤2.7V;下沉试验,0.5V≤VO≤1.35V。
注8:作为电压跟随器连接,阶跃输入为1.0V。指定的数字是正负转换率中较慢的一个。参考输入,V+=2.7V和RL=100 kΩ,连接到1.35V安培,以1 kHz激励,产生VO=1VPP。
注9:设计和加工保证的偏置电流。
5V交流电气特性
除非另有规定,否则TJ=25˚C,V+=5V,V−=0V,VCM=VO=V的所有限值+/2和RL>1 MΩ。粗体极限适用于极端温度。

注10:绝对最大额定值表示设备可能发生损坏的极限值。工作额定值表示设备的工作条件旨在发挥功能,但具体性能无法保证。有关保证的规格和测试条件,请参阅电气特性。
注11:人体模型,1.5 kΩ串联100 pF。
注12:适用于单电源和分供操作。在较高环境温度下持续短路操作可导致超过150°C时的最大允许结温。
注13:最大功耗是TJ(max)、θJA和TA的函数。任何环境温度下的最大允许功耗为PD=(TJ(最大)−TA)/θJA。所有数字适用于直接焊接到PC板上的封装。
注14:典型值代表最有可能的参数规范。
注15:所有限值均由试验或统计分析保证。
注16:V+=5V,VCM=2.5V,RL接2.5V。源极试验,2.5V≤VO≤5.0V。下沉试验,0.5V≤VO≤2.5V。
注17:作为电压跟随器连接,阶跃输入为1.0V。指定的数字是正转换速率中较慢的一个。负转换速率更快。输入参考,V+=5V,RL=100KΩ,连接到1.5V。用1 kHz激励的安培产生VO=1VPP。
注18:设计和加工保证的偏置电流。
10V交流电气特性
除非另有规定,TJ=25˚C,V+=10V,V−=0V,VCM=VO=V的所有保证限值+/2和RL>1 MΩ。Bold 面部限制适用于极端温度。

注19:绝对最大额定值表示设备可能发生损坏的极限值。工作额定值表示设备的工作条件旨在发挥功能,但具体性能无法保证。有关保证的规格和测试条件,请参阅电气特性。
注20:人体模型,1.5 kΩ串联100 pF。
注21:适用于单电源和分供操作。在较高环境温度下持续短路操作可导致超过150°C时的最大允许结温。
注22:最大功耗是TJ(max)、θJA和TA的函数。任何环境温度下的最大允许功耗为PD=(TJ(最大)−TA)/θJA。所有数字适用于直接焊接到PC板上的封装。
注23:典型值代表最有可能的参数规范。
注24:所有限值均由试验或统计分析保证。
注25:V+=10V,VCM=5V,RL接5V。源极试验,5V≤VO≤10V;下沉试验,0.5V≤VO≤5V。
注26:作为电压跟随器连接,阶跃输入为1.0V。指定的数字是正负转换率中较慢的一个。参考输入,V+=10V和RL=100KΩ,连接到5V。安培,用1 kHz激励,产生VO=2VPP。
注27:接近绝对最大限值的操作将对可靠性产生不利影响。
典型性能特征
TA=25˚C,除非另有规定,单电源



申请信息
LMC711的好处微安大小SOT 23-5封装的微型放大器占地面积小,(0.120 x 0.118英寸,3.05 x 3.00毫米)节省空间印刷电路板,使设计更小电子产品。因为它们更容易携带,很多顾客喜欢更小更轻的产品。高度微型放大器的高度(0.056英寸,1.43毫米)使它可以用在PCMCIA III型卡中。
信号完整性
信号可以在信号源和放大器。通过使用体积更小的放大器组件,微型放大器可以放在离信号源更近的地方,减少噪声拾取,提高信号完整性。这个也可以放在目的地的旁边,例如模拟到数字的参考缓冲器转换器。
简化板布局
这种微型放大器可以在几个方面简化电路板布局。首先,在需要安培的地方放置一个放大器,而不是将信号路由到双或四路设备,长pc跟踪可能避免。通过使用多个微型安培而不是双安培或四元组,可以减少复杂的信号路由和可能的串扰。可用于原型制作的DIP
LMC7111放大器封装在传统的8引脚dip软件包可以用于原型设计和评估在项目早期阶段需要使用表面贴装。
低供电电流
LMC7111的典型25μA电源电流延伸便携式应用中的电池寿命,并且在某些应用中允许减小电池的尺寸。
宽电压范围
LMC7111的特性是2.7V、3V、3.3V、5V和10V。在这些常用电压下提供性能数据。这个宽电压范围使LMC7111成为电压在整个寿命期间可能变化的装置电池
2.0输入共模
电压范围当输入电压超过负电源电压。绝对最大输入电压超过300毫伏任何一根导轨都在室温下。电压大大超过此最大额定值会导致过多电流流入或输出引脚,严重影响可靠性。超过此额定值的应用程序必须从外部限制最大输入电流为±5 mA,输入电阻为如图1所示。

3.0容性负载公差
LMC7111通常可以直接驱动300 pF负载VS=10V,单位增益,无振荡。统一收益跟随器是最敏感的配置。直接电容负载降低了运算放大器的相位裕度。运算放大器输出阻抗与电容的组合负载导致相位滞后。这会导致欠阻尼脉冲响应或振荡。电容性负载补偿可以用电阻隔离,如图2所示。这种简单的技术对于隔离多路复用器和A/D转换器的电容输入非常有用。

4.0补偿输入电容
使用大值反馈电阻当使用非常大的反馈电阻时,(通常>500 kΩ)大反馈电阻可与由于传感器、光电二极管和电路板寄生而产生的输入电容,以减少相位裕度。输入电容的影响可以通过增加一个反馈电容器。反馈电容器(如图3),Cf首先由

这通常会造成严重的过度补偿。印刷电路板杂散电容可能较大或比试验板小,所以实际最佳CF的值可能不同。CF值应为在实际电路上检查过。(参考LMC660四线组CMOS放大器数据表,以进行更详细的讨论。)


5.0输出摆幅
LMC7111的输出将在100 mV范围内电源轨用于10 kΩ负载和20 mV的导轨100 kΩ负载。这使得LMC7111在驾驶方面非常有用与同一电源相连的晶体管。通过接近电源,LMC7111可以使晶体管一直开着还是关着。
6.0偏置砷化镓射频放大器
容量小,负载容量小SOT23-5 LMC7111的尺寸使其成为为其他集成电路提供稳定的负偏压。LMC7111和LM4040的尺寸非常小,占用的板空间非常小。
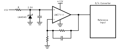
7.0 A-D转换器的参考缓冲器
LMC7111可用作电压参考缓冲器模数转换器。这最适用于参考输入为静态负载的A-to-D转换器,例如dual斜率积分A-Ds。参考输入的转换器是动态负载(参考电流随时间变化)可能需要更快的设备,如LMC7101或LMC7131。LMC7111的小尺寸使得它可以放置在参考输入。低电源电流(典型值为25μA)省电。对于要求更高精度的A-to-D参考输入以及较低的偏移电压,请参见LMC6462数据表。LMC6462的性能与LMC7111。LMC6462有两个等级减小输入电压偏移。

申请信息(续)
8.0具有类似功能的双和四路设备
性能
LMC6462和LMC6464是具有性能与LMC7111相似。它们在传统通孔和表面贴装包装。有关详细信息,请参阅LMC6462/4产品介绍。
9.0 SPICE宏模型
一个SPICE宏模型可用于LMC7111。这个模型包括以下模拟:
输入共模电压范围
频率和瞬态响应
静态和动态电源电流
输出摆动取决于负载条件和宏观模型中列出了更多的特征磁盘。
10.0附加SOT23-5微型
设备
National Semiconductor在节省空间的SOT23微型封装,包括放大器,电压基准和电压调节器。这些设备包括-LMC7101 1MHz增益带宽轨对轨输入和输出放大器-高输入阻抗和高增益,700μA典型电流2.7V、3V、5V和15V规范。LM7131微型视频放大器,增益带宽为70MHz。规定为3V、5V和±5V电源。LMC7211比较器在一个小封装中,具有轨对轨输入和推拉输出。典型供电电流7μA。典型的7μs传播延迟。具体在2.7V、5V和15V电源下。LMC7221比较器,具有开路漏极输出,用于混合电压系统。类似于LMC7211,但是输出可以和上拉一起使用不同于电源电压的电阻电压。LP2980微功率SOT 50毫安超低压差调节器。LM4040精密微功率并联电压基准。固定电压2.5000V、4.096V、5.000V,8.192V和10.000V。LM4041精密微功率并联基准电压源1.225V可调。
安芯科创是一家国内芯片代理和国外品牌分销的综合服务商,公司提供芯片ic选型、蓝牙WIFI模组、进口芯片替换国产降成本等解决方案,可承接项目开发,以及元器件一站式采购服务,类型有运放芯片、电源芯片、MO芯片、蓝牙芯片、MCU芯片、二极管、三极管、电阻、电容、连接器、电感、继电器、晶振、蓝牙模组、WI模组及各类模组等电子元器件销售。(关于元器件价格请咨询在线客服黄经理:15382911663)
代理分销品牌有:ADI_亚德诺半导体/ALTBRA_阿尔特拉/BARROT_百瑞互联/BORN_伯恩半导体/BROADCHIP_广芯电子/COREBAI_芯佰微/DK_东科半导体/HDSC_华大半导体/holychip_芯圣/HUATECH_华泰/INFINEON_英飞凌/INTEL_英特尔/ISSI/LATTICE_莱迪思/maplesemi_美浦森/MICROCHIP_微芯/MS_瑞盟/NATION_国民技术/NEXPERIA_安世半导体/NXP_恩智浦/Panasonic_松下电器/RENESAS_瑞莎/SAMSUNG_三星/ST_意法半导体/TD_TECHCODE美国泰德半导体/TI_德州仪器/VISHAY_威世/XILINX_赛灵思/芯唐微电子等等
免责声明:部分图文来源网络,文章内容仅供参考,不构成投资建议,若内容有误或涉及侵权可联系删除。
Copyright © 2002-2023 深圳市安芯科创科技有限公司 版权所有 备案号:粤ICP备2023092210号-1