特征
低噪声,80 nV p-p(0.1 Hz至10 Hz)
3 nV/√Hz@1 kHz
低漂移,0.2伏/摄氏度
高速,17伏/秒转换率63 MHz增益带宽
低输入偏移电压,10V
出色的共模抑制比,126分贝(11伏时的共同电压)
开环增益高,180万
在增益>5时取代725、OP-07、SE5534
以模具形式提供
一般说明
OP37提供了与OP27相同的高性能,但其设计针对增益大于5的电路进行了优化。这种设计变化将转换速率提高到17V/μs,增益带宽积提高到63MHz。
OP37提供OP07的低偏移和漂移,以及更高的速度和更低的噪音。偏移量降至25μV,最大漂移为0.6μV/°C,使OP37成为精密仪器应用的理想选择。极低的噪声(en=3.5nv/@10hz),2.7hz的低1/f噪声角频率,180万的高增益,允许低电平信号的高增益放大。
采用偏置电流抵消电路,实现了10na的低输入偏置电流和7na的偏置电流。在军用温度范围内,这通常将IB和IOS分别保持在20毫安和15毫安。
输出级具有良好的负载驱动能力。保证10伏到600Ω的摆幅和低输出失真使OP37成为专业音频应用的绝佳选择。
电源抑制比和共模抑制比超过120分贝。这些特性,再加上0.2μV/月的长期漂移,使电路设计者能够达到以前仅通过离散设计达到的性能水平。
采用片内齐纳-扎普微调技术实现了OP37的低成本、大批量生产。经过多年的生产实践证明,这种可靠、稳定的偏置修边方案是有效的。
OP37将低噪声仪器类型的性能应用于麦克风、带头和RIAA语音前置放大器、数据采集系统的高速信号调节和宽带仪器。
引脚连接

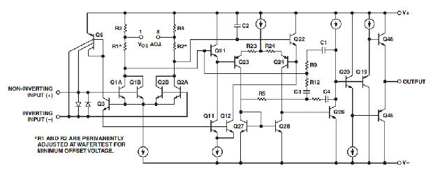
简化示意图

典型性能特征–OP37











应用程序信息
OP37系列装置可直接插入725和OP07插座,无论是否移除外部补偿或调零组件。此外,OP37可安装在无槽741型插座上;但是,如果使用传统的741调零电路,则应修改或拆除,以确保OP37正确工作。OP37偏移电压可使用电位计归零(或其他所需设置)(见偏移调零电路)。
OP37在负载电容高达1000 pF和±10 V摆动的情况下提供稳定的运行;较大的电容应与反馈回路内的50Ω电阻器解耦。闭环增益必须至少为5。对于5到10之间的闭环增益,设计者应同时考虑OP27和OP37。对于10以上的增益,OP37比unity稳定的OP27有明显的优势。
不同金属在输入端触点产生的热电电压会降低漂移性能。当两个输入触点保持在相同的温度时,将获得最佳操作。

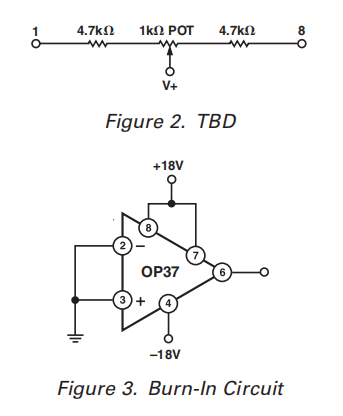
偏移电压调整
OP37的输入偏移电压在晶圆级进行微调。但是,如果需要进一步调整VOS,可使用10 kΩ微调电位计。TCVOS未降级(见偏置零位电路)。其他电位计值范围为1 kΩ至1 MΩ,TCVO略有下降(0.1μV/°C至0.2μV/°C)。微调到零以外的值会产生大约(VOS/300)μV/°C的漂移。例如,如果将VOS调整为100μV,TCVOS的变化将为0.33μV/°C。使用10 kΩ电位计的偏移电压调整范围为±4 mV。如果需要较小的调整范围,则可以通过使用较小的电位器和固定电阻器来降低调零灵敏度。例如,以下网络的调整范围为±280μV。

噪声测量
要在0.1 Hz至10 Hz范围内测量OP37的80 nV峰间噪声规格,必须遵守以下预防措施:
•设备必须至少预热5分钟。如预热漂移曲线所示,由于通电后芯片温度的升高,偏移电压通常改变4μV。在10秒的测量间隔内,这些温度感应效应可以超过几十毫伏。
•出于类似的原因,设备必须很好地屏蔽气流。屏蔽使热电偶效应最小化。
•设备附近的突然运动也可能“馈通”以增加观察到的噪声。
•测量0.1 Hz至10 Hz噪声的试验时间不应超过10秒。如噪声测试仪频率响应曲线所示,0.1 Hz转角仅由一个零定义。10秒的测试时间作为额外的零,以消除0.1赫兹以下频带的噪声贡献。
•当测量大量装置上的噪声时,建议进行噪声电压密度试验。10赫兹噪声电压密度测量值与0.1赫兹至10赫兹的峰间噪声读数有很好的相关性,因为这两个结果都是由白噪声和1/f转角频率的位置决定的。
优化线性度
通过设计应用所需的最小输出电流,可获得最佳线性度。运算放大器的峰值输出电流小于±10ma,可以获得高增益和良好的线性度。
仪表放大器
三运算放大器仪表放大器提供高增益和宽带宽。以下电路的输入噪声为4.9nV/√Hz。输入级的增益设置为25,第二级的增益为40;总增益为1000。800千赫的放大器带宽是非常好的精密仪器放大器。设置为增益1000,这将产生800 MHz的增益带宽乘积。20伏p-p输出的全功率带宽为250千赫。电位计R7提供正交微调,以优化仪表放大器的交流共模抑制。


噪声评价
OP37是一款非常低噪声的单片运算放大器。OP37突出的输入电压噪声特性主要是通过在高静态电流下操作输入级来实现的。通常会增加的输入偏置电流和偏置电流被输入偏置电流抵消电路保持在合理值。在25°C时,OP37A/E的IB和IOS分别只有±40 nA和35 nA。当输入具有高源电阻时,这一点尤为重要。此外,许多音频放大器设计师更喜欢使用直接耦合。以前设计的高IB.tcvo使得直接耦合很难使用,如果不是不可能的话。

电压噪声与偏置电流的平方根成反比,而电流噪声与偏置电流的平方根成正比。当使用高源电阻时,OP37的噪声优势消失。图5、6和7比较了OP-37观察到的总噪声与不同电路应用中其他器件的噪声性能。
总噪声=[(电压噪声)2+(电流噪声RS)2+(电阻噪声_]1/2
图5显示了1000赫兹时噪声与源电阻的关系。同样的图也适用于宽带噪声。要使用此图,只需将垂直比例乘以带宽的平方根。

当RS<1 kΩ时,OP37的低电压噪声保持不变。当RS<1kΩ时,总噪声增加,但主要由电阻噪声而不是电流或电压噪声控制。只有超过20kil的Rs时,电流噪声才开始占主导地位。可以这样说,电流噪声对于低至中等源电阻的应用并不重要。OP37和OP07以及OP08噪声之间的交叉出现在15 kΩ到40 kΩ的区域。

图6显示了0.1 Hz至10 Hz峰间噪声。在这里,电阻的平方根与噪声成反比,因为噪声的平方根可以忽略不计。与OP-07的交叉发生在3kΩ到5kΩ的范围内,这取决于使用的是平衡还是不平衡源电阻(在3kΩ时,IB.IOS误差也可能是VOS规范的三倍)。
因此,对于低频应用,当Rs>3 kΩ时,OP07优于OP27/37。唯一的例外是增益误差很重要。图3显示了10赫兹的噪声。正如预期的那样,结果介于前两个数字之间。
表一列出了一些信号源的典型源电阻,供参考。

音频应用程序
以下应用信息摘自12/20/80电子设计杂志上的一篇PMI文章,并进行了更新。

图8是使用用于A1的OP27的语音前置放大器电路的示例;R1-R2-C1-C2用标准元件值构成了一个非常精确的RIAA网络。实现RIAA语音均衡的常用方法是在高质量增益块周围使用频率相关反馈。如果选择得当,RC网络可以提供3180μs、318μs和75μs这三个必要的时间常数。
对于初始均衡精度和稳定性,推荐使用聚苯乙烯或聚丙烯的精密金属膜电阻器和薄膜电容器,因为它们具有低电压系数、低损耗因数和介电吸收。4(此处应避免使用高K陶瓷电容器,尽管低K陶瓷-如NPO型,其具有优良的损耗因子,对于较小的值或空间昂贵的情况,可以考虑使用较低的介电吸收。)
OP27给电路带来3.2 nV/√Hz电压噪声和0.45 pA/√Hz电流噪声。为了最小化来自其他源的噪声,R3被设置为100Ω的值,这将产生1.3 nV/√Hz。噪声仅使放大器的3.2nV/√Hz增加0.7dB。未加权的噪声源在1 kHz下测量的噪声电平为1 mVΩ,aΩ。
1 kHz时电路的增益(G)可通过以下表达式计算:

对于100分贝的增益,显示的是。通过增加R3可以调节较低的增益,但是由于OP27的8mhz增益带宽,高于40db的增益将显示更多的均衡误差。
该电路能够在整个范围内非常低的失真度,在高达7V rms的电平下通常低于0.01%。在3V的输出电平下,它将在高达20kHz的频率下产生小于0.03%的总谐波失真。
电容器C3和电阻r4组成一个简单的每倍频程隆隆滤波器-6db,一个角落在22hz。作为一个选择,开关选择了并联电容器C4,一种非极性电解,绕过低频衰减。将隆隆滤波器的高通作用置于前置放大器之后,可以有效地分辨出RIAA放大的低频噪声分量和拾音器产生的低频干扰。
用于NAB磁带播放的前置放大器类似于RIAA唱机前置放大器,不过通常需要更多的增益,而均衡则需要大量的低频增强。如图5所示,图4中的电路可以很容易地修改为磁带使用。

虽然磁带均衡要求具有高于3khz(t2=50μs)的平坦高频增益,但是不需要为单位增益稳定放大器。失代偿的OP37提供了更大的带宽和转换率。对于许多应用,所示的理想时间常数可能需要对RA和R2进行微调,以优化针对非理想磁头性能和其他因素的频率响应
该配置的网络值在1khz时产生50db增益,并且dc增益大于70db。因此,最坏情况下的输出偏移仅超过500毫伏。一个0.47μF的输出电容器就可以在不影响动态范围的情况下阻塞该电平。
磁带头可以直接耦合到放大器输入端,因为最坏情况下的偏置电流为85毫安,电流为400毫安时,100微安。头部(如PRB2H7K)不会很麻烦。
一个潜在的磁带头问题是由放大器的双电流瞬变引起的,它可以磁化磁头。OP27和OP37在通电或断电时无偏置电流瞬变。然而,控制电源升降的速度,消除瞬变总是有利的。
此外,应小心控制磁头的直流电阻,最好低于1KΩ。对于这种配置,如果磁头电阻没有得到充分控制,则偏置电流引起的偏置电压可以大于170pv的最大偏置。
一个简单但有效的固定增益无变压器麦克风前置放大器(图10)将来自低阻抗麦克风的差分信号放大50 dB,输入阻抗为2 kΩ。由于电路的高工作增益,OP37有助于保持110 kHz的带宽。由于OP37是一个失代偿器件(最小稳定增益为5),如果要拔出麦克风,可能需要一个假电阻RP。否则,来自开放输入的100%反馈可能会导致放大器振荡。

共模输入噪声抑制取决于桥阻比的匹配。应使用接近公差(0.1%)类型,或应修整R4以获得最佳CMRR。所有电阻器应为金属薄膜型,以获得最佳稳定性和低噪音。
该电路的噪声性能受到输入电阻R1和R2的限制,而不是运算放大器,因为R1和R2各自产生4nv√Hz噪声,而运算放大器产生3.2nv√Hz噪声。这些主要噪声源的均方根值之和约为6 nV√Hz,相当于20 kHz噪声带宽中的0.9μV,或比l mV输入信号低近61 dB。测量结果证实了这一预测性能。
对于要求相当低噪声的应用,高质量麦克风变压器耦合前置放大器(图11)包含内部补偿。T1是JE-115K-E150Ω/15 kΩ变压器,为OP27设备提供最佳源电阻。该电路的总增益为40dB,是变压器电压设置和运算放大器电压增益的乘积。
如果需要,可以通过调整R2或R1将增益调整到其他水平。由于OP27的低偏移电压,对于40 dB增益,该电路的输出偏移将非常低,1.7 mV或更小。在这种情况下,可以消除典型的输出阻塞电容器,但是需要更高的增益来消除开关瞬态。

电容器C2和电阻器R2在该电路中形成2μs的时间常数,这是变压器制造商推荐的最佳瞬态响应。使用C2时,A1必须具有单位增益稳定性。对于不需要2μs时间常数的情况,可以删除C2,从而允许采用更快的OP37。
对噪声的一些评论有助于理解该电路的性能。连接到无噪声放大器的150Ω电阻器和R1和R2增益电阻器将在20 kHz带宽内产生220 nV的噪声,或低于1 mV参考电平的73 dB。任何实用的放大器都只能接近这个噪声级,它永远不会超过它。在规定OP27和T1的情况下,附加噪声衰减将接近3.6 dB(或-69.5,参考1 mV)。
外形尺寸
尺寸单位为英寸和(mm)。



安芯科创是一家国内芯片代理和国外品牌分销的综合服务商,公司提供芯片ic选型、蓝牙WIFI模组、进口芯片替换国产降成本等解决方案,可承接项目开发,以及元器件一站式采购服务,类型有运放芯片、电源芯片、MO芯片、蓝牙芯片、MCU芯片、二极管、三极管、电阻、电容、连接器、电感、继电器、晶振、蓝牙模组、WI模组及各类模组等电子元器件销售。(关于元器件价格请咨询在线客服黄经理:15382911663)
代理分销品牌有:ADI_亚德诺半导体/ALTBRA_阿尔特拉/BARROT_百瑞互联/BORN_伯恩半导体/BROADCHIP_广芯电子/COREBAI_芯佰微/DK_东科半导体/HDSC_华大半导体/holychip_芯圣/HUATECH_华泰/INFINEON_英飞凌/INTEL_英特尔/ISSI/LATTICE_莱迪思/maplesemi_美浦森/MICROCHIP_微芯/MS_瑞盟/NATION_国民技术/NEXPERIA_安世半导体/NXP_恩智浦/Panasonic_松下电器/RENESAS_瑞莎/SAMSUNG_三星/ST_意法半导体/TD_TECHCODE美国泰德半导体/TI_德州仪器/VISHAY_威世/XILINX_赛灵思/芯唐微电子等等
免责声明:部分图文来源网络,文章内容仅供参考,不构成投资建议,若内容有误或涉及侵权可联系删除。
Copyright © 2002-2023 深圳市安芯科创科技有限公司 版权所有 备案号:粤ICP备2023092210号-1