特征
单电源操作:2.7 V至12 V
宽输入电压范围
轨间输出摆动
电流300μA/300μA
宽带:3 MHz
转换速率:0.5V/μs
低失调电压:700μV
无相位反转
应用
工业过程控制
电池供电仪表
电源控制和保护
电信
遥感器
低压应变片放大器
DAC输出放大器
一般说明
OP191、OP291和OP491是单、双和四微功率、单电源、3mhz带宽放大器,具有轨对轨输入和输出。所有电源均保证在+3 V单电源和±5 V双电源下运行。
在模拟器件CBCMOS工艺上制造的OPx91系列有一个独特的输入级,允许输入电压安全地扩展到10v以上,而无需任何相位反转或闭锁。输出电压在电源的毫伏范围内波动,并继续向电源供应电流。
这些放大器的应用包括便携式电信设备、电源控制和保护以及宽输出范围传感器的接口。需要轨对轨输入放大器的传感器包括霍尔效应、压电式和电阻式传感器。
在输入和输出端摆轨的能力使设计人员能够在单电源系统中构建多级滤波器,并保持高信噪比。
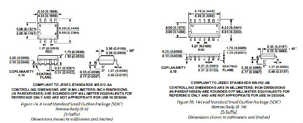
OP191/OP291/OP491在扩展的工业-40°C至+125°C温度范围内指定。OP191单放大器和OP291双放大器采用8引线塑料SOIC表面安装封装。OP491四线组有14线PDIP、14线窄SOIC封装和14线TSSOP。
引脚配置

绝对最大额定值

超过绝对最大额定值的应力可能会对设备造成永久性损坏。这只是一个应力额定值;不暗示设备在本规范操作部分所述条件或任何其他条件下的功能操作。长时间暴露在绝对最大额定值条件下可能会影响设备的可靠性。
绝对最大额定值适用于骰子和包装零件,除非另有说明。
热阻
θJA用于最坏情况;也就是说,θJA是为PDIP封装的插座中的设备指定的;θJA是为TSSOP和SOIC封装在电路板中焊接的设备而指定的。

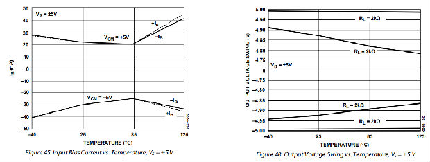
典型性能特征


















操作理论
OP191/OP291/OP491是单电源、微功率放大器,具有轨对轨输入和输出。为了实现宽的输入和输出范围,这些放大器采用独特的输入和输出级。在图61中,输入级包括两个差分对,一个PNP对和一个NPN对。这两个阶段并不并行工作。相反,对于任何给定的输入信号电平,只有一个级处于开启状态。需要PNP级(晶体管Q1和晶体管Q2)来确保当输入电压接近并到达负轨时,放大器保持在线性区域。另一方面,NPN级(晶体管Q5和晶体管Q6)需要输入电压达到或包括正轨。
对于大多数输入共模范围,PNP阶段是活动的,如图12所示。请注意,偏置电流在正轨下方约1.2 V至1.3 V处切换方向。当电压低于此值时,偏压电流从OP291流出,指示PNP输入级。然而,超过这个电压,偏压电流进入器件,显示出NPN级。放大器内用于在输入级之间切换的实际机构包括晶体管Q3、晶体管Q4和晶体管Q7。随着输入共模电压的增加,Q1和Q2的发射极跟随电压加上二极管的下降。最终,Q1和Q2的发射极足够高,可以打开Q3,从而将8μA的尾流从PNP输入级转移出去,从而将其关闭。相反,电流通过Q4和Q7镜像以激活NPN输入级。
注意,输入级包括5kΩ串联电阻和差分二极管,这是双极放大器中的一种常见做法,用于保护输入晶体管不受大的差分电压影响。当差分电压超过约0.6 V时,这些二极管就会打开。在这种情况下,电流在输入引脚之间流动,仅受两个5 kΩ电阻器的限制。这种特性在放大器可以开环工作的电路中很重要,例如比较器。仔细评估每个电路,确保电流增加不会影响性能。
与大多数输出级一样,OP191器件中的输出级使用PNP和NPN晶体管;然而,Q32和Q33这两个输出晶体管实际上与它们的集电极连接到输出引脚,以实现轨对轨输出摆动。当输出电压接近正负轨时,这些晶体管开始饱和。因此,输出电压的最终限制是这些晶体管的饱和电压,大约为50毫伏。输出级具有由集电极和任何外部负载阻抗产生的固有增益。因此,放大器的开环增益取决于负载电阻。

输入过压保护
与任何半导体器件一样,只要存在输入超过任一电源电压的条件,就要检查输入过电压特性。当发生过电压时,放大器可能会损坏,这取决于电压水平和故障电流的大小。图62显示了OP191系列的特性。该图是由地面电源和连接到输入端的曲线跟踪器生成的。当输入电压超过任何一个电源超过0.6伏时,内部PN结通电,允许电流从输入流到电源。如前所述,OP291/OP491确实有5个kΩ电阻器与每个输入串联,以帮助限制电流。通过计算图中电流与电压的斜率,可以确定5 kΩ电阻。

只要输入电流限制在5毫安或以下,该输入电流不会对设备造成固有损害。对于电源上10 V的输入,电流限制为1.8 mA。如果电压足够大,导致电流超过5毫安,则应增加一个外部串联电阻器。将最大过电压除以5 mA,再减去内部5 kΩ电阻器,即可计算出该电阻器的尺寸。例如,如果输入电压可以达到100 V,则外部电阻应为(100 V/5 mA)−5 kΩ=15 kΩ。如果输入受到过电压的影响,该电阻应与其中一个或两个输入串联。
输出电压相位反转
一些为单电源工作而设计的运算放大器,当其输入被驱动超过其有效共模范围时,会出现输出电压相位反转。通常,对于单电源双极型运算放大器,负电源决定其共模范围的下限。在这些器件中,阳极接地、阴极接输入的外部箝位二极管可防止输入信号偏移超过设备的负电源(即GND),从而防止可能导致输出电压改变相位的情况。JFET输入放大器也可以显示相位反转,如果是这样,通常需要一个串联输入电阻来防止它。
由于其新颖的输入结构,OP191没有合理的输入电压范围限制。事实上,输入信号可以超过电源电压很大一部分,而不会对设备造成损坏。如图64所示,OP191系列可以安全地处理±5 V电源上的20 V p-p输入信号,而不会显示任何输出电压相位反转或其他异常行为的迹象。因此,不需要外部箝位二极管。
超速恢复
运算放大器的过驱动恢复时间是输出电压从饱和状态恢复到其线性区域所需的时间。这种恢复时间在放大器必须在大的瞬态事件后迅速恢复的应用中很重要,例如比较器。图63所示的电路用于评估OPx91过驱动恢复时间。OPx91从正饱和恢复约8μs,从负饱和恢复约6.5μs。


应用
单3V电源,仪表放大器
OP291的低电源电流和低电压操作使其成为电池供电应用的理想选择,如图65所示的仪表放大器。电路采用经典的双运放仪表放大器拓扑结构,用四个电阻来设置增益。这个方程只是一个不可逆放大器的方程,如图65所示。标记为R1的两个电阻器彼此之间以及标记为R2的两个电阻器应紧密匹配,以确保良好的共模抑制性能。电阻网络确保最接近匹配以及匹配漂移,以获得良好的温度稳定性。包括电容器C1以限制带宽,从而限制敏感应用中的噪声。该电容器的值应根据仪表放大器所需的闭合环路带宽进行调整。RC组合在频率等于1/(2π×R1C1)处产生一个极点。如果AC-CMRR是临界值,则应在标记为R1的第二个电阻器上包括C1的匹配电容器。

由于OP291接受轨对轨输入,输入共模范围包括接地和3V的正电源。此外,轨对轨输出范围确保了尽可能宽的信号范围,并最大限度地提高了系统的动态范围。此外,由于其300μA/器件的低电源电流,该电路仅消耗600μA的静态电流,但仍具有3MHz的增益带宽。
对于单电源应用的其他仪表放大器拓扑结构,可能会出现问题。例如,这种拓扑的变化在增益设置的运算放大器的两个反向输入之间增加了第五个电阻。虽然这种拓扑结构在双电源应用中工作良好,但它本质上不适合单电源电路。对于传统的三运放仪表放大器来说也是如此。在这两种情况下,电路在单电源情况下无法工作,除非电源之间产生假接地。
单电源电阻式温度检测器放大器
图66中的电路使用OP491的三个运算放大器来开发一个RTD放大器的电桥配置,该放大器由一个5V电源供电。该电路利用OP491宽输出摆幅产生3.9 V的高电桥励磁电压。事实上,由于轨对轨输出摆幅,该电路使用低至4.0 V的电源。放大器A1伺服电桥,与AD589一起产生恒定的励磁电流,1.235V精密基准。运算放大器通过6.19 kΩ和2.55 MΩ电阻器的并联组合维持参考电压,产生200μa电流源。电流均匀地分流,流过桥的两半部分。因此,100μA流过RTD,根据电阻产生输出电压。3线电阻式温度检测器用于平衡电桥两个100Ω支柱的线路电阻,以提高精确度。

放大器A2和放大器A3配置在单3V电源仪表放大器部分中描述的双运放仪表放大器拓扑中。选择电阻器可产生274的增益,这样温度每升高1°C,输出电压就会发生10 mV的变化,以便于测量。放大器A3上的100kΩ电阻并联了一个0.01μF电容器,以滤除来自该高增益电路的任何不必要的噪声。这种特殊的RC组合产生了1.6 kHz的极。
来自3 V电源的2.5 V参考电压
在许多单电源应用中,经常需要2.5 V参考电压。许多商用单片2.5 V参考电压要求最小工作电源电压为4 V。当最小操作系统电源电压为3 V时,问题更加严重。图67中所示的电路是一个2.5 V参考电压的示例,该参考电压由单个3 V电源供电。该电路利用OP291轨对轨输入和输出电压范围,将AD589 1.235V输出放大到2.5V。1μV/°C的OP291低TCVOS有助于保持输出电压温度系数小于200ppm/°C。电路整体温度系数由R2和R3的温度系数控制。建议使用温度系数较低的电阻器。整个电路在25°C时从3V电源引出的电流小于420μA。

仅5V,12位DAC轨对轨摆动
OPx91系列非常适合与CMOS DAC一起使用,以产生具有宽输出范围的数字控制电压。图68显示了与AD589一起使用的DAC8043,以产生从0 V到1.23 V的电压输出。DAC在电压开关模式下工作,其中基准连接到电流输出IOUT,输出电压取自VREF引脚。与传统的电流输出模式相反,这种拓扑本质上是不可逆的,因此不适合单电源供电。

OP291有两个功能。首先,需要缓冲DAC VREF引脚的高输出阻抗,约为10 kΩ。运算放大器提供低阻抗输出,以驱动任何后续电路。其次,运算放大器放大输出信号,以提供轨对轨输出摆动。在这种特殊情况下,增益被设置为4.1,以在DAC处于满标度时生成5.0v输出。如果需要其他输出电压范围,如0 V至4.095 V,则可以通过改变电阻器的值来轻松调整增益。
高压侧电流监测仪
在电源控制电路的设计中,大量的设计工作集中在确保通流晶体管在广泛的负载电流条件下的长期可靠性。因此,在这些设计中,监控和限制设备功耗是最重要的。图69中所示的电路是一个5V、单电源、高压侧电流监测器的示例,可将其纳入具有折回限流功能的电压调节器或具有撬杆保护的大电流电源的设计中。该设计使用OP291轨对轨输入电压范围来检测通过0.1Ω电流分流器的电压降。电路中用作反馈元件的p沟道MOSFET将运算放大器的差分输入电压转换为电流。然后将该电流施加到R2,以产生一个电压,该电压是负载电流的线性表示。电流监视器的传输方程如下所示:

对于显示的元件值,监视器输出传输特性为2.5 V/A。

一个3V冷端补偿热电偶放大器
OP291低电源操作使其成为3V电池供电应用的理想选择,如图70所示的热电偶放大器。K型热电偶终止于一个等温块中,在该块中,使用一个简单的1N914二极管连续监测结环境温度。二极管通过向运算放大器提供一个由1.5 MΩ和475Ω电阻器标定的小电压,来校正结中产生的热电势。
为了校准该电路,将热电偶测量接头浸入0°C的冰浴中,并将500Ω电位计调整至0 V输出。接下来,将热电偶浸入250°C温度槽或烤箱中,并将刻度调整电位计调整为2.50 V的输出电压。在此温度范围内,K型热电偶精确到±3°C范围内,无需线性化。

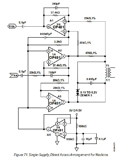
调制解调器的单电源直接接入装置
调制解调器的一个重要组成部分是电话线接口。在图71所示的电路中,直接接入装置用于从电话线发送和接收数据。放大器A1是接收放大器;放大器A2和放大器A3是发射器。第四个放大器A4在电源电压和接地之间产生一个假接地。交流耦合双极输入信号需要这种伪接地。
传输信号TXA由A2反转,然后由A3重新输入,为变压器提供差分驱动,每个放大器提供一半的驱动信号。这是需要的,因为与双电源相比,单一电源的波动较小。放大器A1为接收到的信号提供一些增益,并且它还从接收信号中除去变压器处的发射信号。为此,来自A2的驱动信号也被馈送到A1的非互易输入端,以抵消来自变压器的传输信号。

OP491的3兆赫带宽和轨对轨输出摆动确保它能够在传输频率下为变压器提供最大可能的驱动。
3 V,50 HZ/60 HZ有源陷波滤波器,带假接地
在单电源系统中处理交流信号时,最好使用假接地偏置方案。图72说明了使用这种方法的电路。在该电路中,假接地电路使有源陷波滤波器偏置,该有源陷波滤波器用于抑制便携式患者监护设备中的50赫兹/60赫兹电源线干扰。陷波滤波器非常常用于抑制电力线频率干扰,这些干扰通常会遮蔽低频生理信号,如心率、血压、脑电图和心电图。这种陷波滤波器有效地抑制了滤波器Q为0.75的60赫兹拾波。用3.16kΩ电阻代替twin-T段(R1到R5)中的2.67kΩ电阻,可以配置有源滤波器来抑制50赫兹的干扰。

放大器A3是假接地偏置电路的核心。它缓冲R9和R10产生的电压,是有源陷波器的参考。由于OP491具有轨对轨输入共模范围,因此选择R9和R10对称地分断3v电源。在OP491周围使用的环内补偿方案允许运算放大器驱动C6,一个1μF的电容,而不振荡。C6在滤波器的工作频率范围内保持低阻抗交流接地。
滤波器部分采用双T结构的一对op491,其频率选择性对双T段中电容和电阻的相对匹配非常敏感。聚脂薄膜是电容器的首选材料,电容器和电阻的相对匹配决定了滤波器的通带对称性。使用1%的电阻和5%的电容可以产生令人满意的结果。
单电源、半波和全波整流器
配置为单电源电压跟随器的OPx91器件可在低频(<2khz)应用中用作简单的半波整流器。全波整流器可以配置一对OP291,如图73所示。电路按以下方式工作。当输入信号高于0v时,放大器A1的输出跟随输入信号。由于放大器A2的非可逆输入连接到A1的输出,运算放大器环路控制迫使A2的反向输入具有相同的电位。结果是R1的两个端子都是等电位的,也就是说,没有电流流动。因为R1中没有电流,R2也存在同样的情况;因此,电路的输出跟踪输入信号。当输入信号低于0 V时,A1的输出电压强制为0 V。这种情况现在迫使A2作为反向电压跟随器工作,因为A2的非换向端子也处于0 V。VOUTA处的输出电压是输入信号的全波整流版本。如果需要的话,在VOUTB上可以得到一个缓冲的、半波整流的输入信号版本。

外形尺寸



安芯科创是一家国内芯片代理和国外品牌分销的综合服务商,公司提供芯片ic选型、蓝牙WIFI模组、进口芯片替换国产降成本等解决方案,可承接项目开发,以及元器件一站式采购服务,类型有运放芯片、电源芯片、MO芯片、蓝牙芯片、MCU芯片、二极管、三极管、电阻、电容、连接器、电感、继电器、晶振、蓝牙模组、WI模组及各类模组等电子元器件销售。(关于元器件价格请咨询在线客服黄经理:15382911663)
代理分销品牌有:ADI_亚德诺半导体/ALTBRA_阿尔特拉/BARROT_百瑞互联/BORN_伯恩半导体/BROADCHIP_广芯电子/COREBAI_芯佰微/DK_东科半导体/HDSC_华大半导体/holychip_芯圣/HUATECH_华泰/INFINEON_英飞凌/INTEL_英特尔/ISSI/LATTICE_莱迪思/maplesemi_美浦森/MICROCHIP_微芯/MS_瑞盟/NATION_国民技术/NEXPERIA_安世半导体/NXP_恩智浦/Panasonic_松下电器/RENESAS_瑞莎/SAMSUNG_三星/ST_意法半导体/TD_TECHCODE美国泰德半导体/TI_德州仪器/VISHAY_威世/XILINX_赛灵思/芯唐微电子等等
免责声明:部分图文来源网络,文章内容仅供参考,不构成投资建议,若内容有误或涉及侵权可联系删除。
Copyright © 2002-2023 深圳市安芯科创科技有限公司 版权所有 备案号:粤ICP备2023092210号-1