过电压充电泵关闭
对于VVS>25V
蓄电池反向保护(参考应用电路图)
通道1和2的可编程过载保护功能
开路接地保护功能
通道1和通道2
恒定栅极充放电
当前
说明
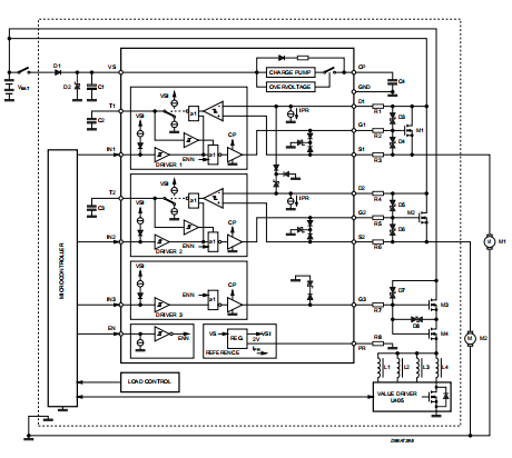
L9380设备是三个外部的控制器“高端”中的N沟道功率MOS晶体管开关“配置。它用于汽车电气控制单元中继电器的更换。

注:除定时器引脚外,所有引脚的ESD均符合MIL 883C,在2KV下测试,对应于0.2mJ的最大能量消耗。定时器引脚用800V测试
电气特性(7V≤VS≤18.5V;-40°C≤TJ≤150°C,除非另有规定。)

注:设计不保证测量功能是指电源电压降至5.5V。功能意味着:通道由输入,其他一些参数可能会超出限制。在这种情况下,编程电压和定时器门槛会更低。这会降低保护阈值和保护时间。
三重高压侧功率MOS驱动器的特点
所有必要的控制和保护功能打开三个功率MOS晶体管作为汽车电子的高压侧开关控制单元。关键应用领域是继电器在高电流负载系统中的重新安置,通常电机的额定电流约为40A接地,必须切换。EN引脚处的高信号可使这三种功能同时启用频道。在启用时,低门被钳制到接地。在这种情况下,栅极漏电流为高于规定的3mA。启用低信号也会使计时器复位。门上的输入开关处的低信号外部MOS。输入端短路导致相关的永久激活频道。在这种情况下,可以禁用设备使用启用引脚。充油泵负载为不受启用输入的影响。一种外部N沟道MOS驱动器配置需要更高的栅极驱动电压它是通过电荷产生的集成电荷转移电容泵以及一个外部电荷存储电容器CCP。电荷泵的尺寸应能加载ca

在小于20ms至8V的情况下,电容器CCP为33nF以上VS.CCP的值取决于输入外MOS的电容与衰变电荷泵电压降到那个值对申请无重大影响的发生。CCP的必要充电时间必须为按输入控制信号的顺序排列。因此,较低的门到源电压会导致启动MOS,进入过载状态。在在这种情况下,过载保护定时器将启动。保护时间过后,相关通道将被关闭。未配备通道3带过载保护。同样的情况可能是由于栅极对地短路导致存储电容器放电。这个由插脚CP提供的门驱动器是电荷泵的输出,有接收器和源电流容量3mA。对于短路加载(源到地)L9380没有门来源限制。门源保护必须对外进行。
通道1和通道2提供漏源电压可编程关闭的感应可能性超过激活阈值时的延迟。该阈值VDSmin由外部电阻器RD设定。流过的偏置电流该电阻由编程电阻RPR决定。外部电阻器RPR也定义定时器电容器CCT的充放电电流。漏源阈值VDSmin定时器关闭延迟时间Toff可计算:
在不使用过载保护的应用中,或者如果没有使用一个通道,定时器引脚必须将该通道的带电阻的漏极引脚到Vbat。定时特性说明了该功能以及VDSmin和Toff的含义(参见图4)。过载检测比较器的输入电流指定为ISmax。IPR+IDmax发电机的总和在外部电阻RD上产生压降,如果漏极引脚电压高于源引脚电压(见图5)。在开关点,比较器输入源引脚电流等于指定的电流ISmax。对于偏移补偿,在漏极处相等的外部电阻(RD=RS)源pin是必须的。漏感检测过载的比较器有一个20mV对称磁滞(见图6)。在漏极电压下,将源引脚电压提高10mV,迫使定时器电容器放电。减小源引脚电压比漏极引脚电压低10mV检测到外部MOS过载,并且定时电容器将被加载。在达到针脚CT处的电压高于计时器阈值VThi受影响的频道被关闭。在这个如果过载存储在定时器电容器中。
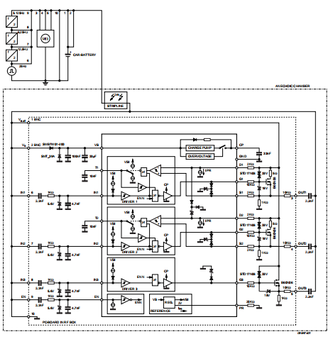
定时器电容器将使用输入端的“高”信号(见图4)。达到较低的定时器阈值后,过载保护复位,通道能够再次接通。应用示意图如图7所示。是电力线出现瞬变的原因运行期间以及系统需要外部电阻器。漏极处的正ISO脉冲,栅源采用主动夹紧结构夹紧。这个箝位电压小于60V。负极脉冲仅用静电放电结构夹紧低于-15V。该瞬态低于-15V会影响其他渠道。为了防止晶体管过载和栅极击穿保护二极管之间浇口和源头以及浇口和排水口必须有联系的。过电压进入VS(VS>20V)电荷泵振荡停止。然后电荷泵电容器将由一个二极管和一个电阻串联到VS(参见方块图)。在这种情况下,通道不是影响。在蓄电池处于反向状态时,针脚D1、D2、S1、S2跟随电池电位下降到-13V(高阻抗)和栅极驱动器引脚G1、G2指S1、S2。这样就可以保证M1和M2不会进入线性导电模式。这种保护功能正在为VS1,VS2工作,电压降到-15V。门在这种情况下,驱动器输出G3与D1有关。此函数保证源源极连接N沟道MOS晶体管M3M4保持关闭。所有电源和PC板的输入和输出都配有40线扁平电缆(不是用过的电线保持打开)。此电报已提交与DIN中所述的带状线中的RF连接40839-4或ISO 11456-5。被测电路建立在印刷电路板上带接地层的木板。在频率范围内从1MHz到400MHz和80%AM调制1KHz,场强200V/m,无影响在一个典型的设备上检测到基本功能。失效标准是输出信号的包络,振幅为20%,输入为2%时间。


对应用电路的建议:定时器和充电电容器都装有一个交流电流源。必须避免充电电容器的短接地连接电磁移民。电阻RD、RG和RS的尺寸必须符合每个引脚瞬态期间的最大电流。
典型特征
根据生产范围,可能会出现某些偏差。限值(参见第。(四)


安芯科创是一家国内芯片代理和国外品牌分销的综合服务商,公司提供芯片ic选型、蓝牙WIFI模组、进口芯片替换国产降成本等解决方案,可承接项目开发,以及元器件一站式采购服务,类型有运放芯片、电源芯片、MO芯片、蓝牙芯片、MCU芯片、二极管、三极管、电阻、电容、连接器、电感、继电器、晶振、蓝牙模组、WI模组及各类模组等电子元器件销售。(关于元器件价格请咨询在线客服黄经理:15382911663)
代理分销品牌有:ADI_亚德诺半导体/ALTBRA_阿尔特拉/BARROT_百瑞互联/BORN_伯恩半导体/BROADCHIP_广芯电子/COREBAI_芯佰微/DK_东科半导体/HDSC_华大半导体/holychip_芯圣/HUATECH_华泰/INFINEON_英飞凌/INTEL_英特尔/ISSI/LATTICE_莱迪思/maplesemi_美浦森/MICROCHIP_微芯/MS_瑞盟/NATION_国民技术/NEXPERIA_安世半导体/NXP_恩智浦/Panasonic_松下电器/RENESAS_瑞莎/SAMSUNG_三星/ST_意法半导体/TD_TECHCODE美国泰德半导体/TI_德州仪器/VISHAY_威世/XILINX_赛灵思/芯唐微电子等等
免责声明:部分图文来源网络,文章内容仅供参考,不构成投资建议,若内容有误或涉及侵权可联系删除。
Copyright © 2002-2023 深圳市安芯科创科技有限公司 版权所有 备案号:粤ICP备2023092210号-1