输出电流。100毫安
低损耗。100毫安时为1.1伏
工作范围。3.5伏至15伏
参考和误差放大器
法规
外部关闭
外部振荡器同步
设备可以并联
针对针兼容
LTC1044/7660型
描述
LT1054是一种双极开关电容器带调节器的电压转换器。它提供了更高的输出电流和电压显著降低比以前可用的转换器损耗。安自适应开关驱动方案优化在广泛的输出电流范围内的效率。100毫安输出电流下的总电压降通常为1.1 V。这适用于电源电压范围为3.5 V至15 V。静态电流通常为2.5毫安。LT1054还提供了调节功能,这是以前在开关电容电压中不可用的功能转换器。通过增加一个外部电阻分压器,可以获得一个可调节的输出。这个输出是调节的防止输入电压和输出电流的变化。LT1054也可以通过接地来关闭反馈终端。关机时的电源电流通常为100μA。LT1054的内部振荡器以25 kHz的标称频率运行。可以使用振荡器端子调整开关频率或外部同步LT1054。LT1054C的特点是在0°C到70°C的自由空气温度范围内工作。LT1054I其特点是在−40°C至85°C的自由空气温度范围内工作。

工作自由空气温度范围内的绝对最大额定值(除非另有说明)
电源电压,VCC(见注1)16 V。
输入电压范围,VI:FB/SD 0伏至V。OSC 0 V至Vref。
结温TJ(见注2):LT1054C 125。摄氏度
LT1054I 135。摄氏度
封装热阻抗,θJA(见注释3和4):DW封装57。摄氏度/瓦P包85。摄氏度/瓦
储存温度范围,Tstg−55。°C至150°C‡超过“绝对最大额定值”中列出的应力可能会对设备造成永久性损坏。这些只是压力等级,以及在“推荐操作条件”中所述的条件或任何其他条件下,设备的功能性操作不会发生暗指的。长时间暴露在绝对最大额定条件下可能会影响设备的可靠性。
注:1. 16 V的绝对最大电源电压额定值适用于未经调节的电路。对于VOUT≤15 V的调节模式电路额定值可增加至20 V。
2.器件在最高绝对结温下都能正常工作。
3.最大功耗是TJ(max)、θJA和TA的函数。任何允许的最大允许功耗环境温度为PD=(TJ(max)−TA)/θJA。在150°C的绝对最大TJ下运行可能会影响可靠性。
4.根据JESD 51-7计算封装热阻抗。
建议操作条件下的电气特性(除非另有说明)

LT1054C的全量程为0°C至70°C,LT1054I的全量程为−40°C至85°C。
所有典型值为TA=25°C。
注:5.所有调节规格适用于作为正-负转换器/调节器连接的装置,R1=20 kΩ,R2=102.5 kΩ,外部电容器CIN=10μF(钽),外部电容器COUT=100μF(钽),C1=0.002μF(见图15)。
6.对于电压损失测试,设备作为电压逆变器连接,端子1、6和7未连接。电压损失在其他配置中可能更高。CIN和COUT是外部电容器。
7.输出电阻定义为10毫安至100毫安输出电流的曲线斜率(∆VO与∆IO)。这代表曲线的线性部分。由于这种特性,当电流小于10mA时,曲线的增量斜率更高开关晶体管。



回顾一个基本的开关电容构建块有助于理解LT1054的操作。图12中所示的开关处于左侧位置,电容器C1向V1处的电压充电。总费用C1是q1=C1V1。当开关向右移动时,C1放电至V2电压。出院后时间,C1上的电荷为q2=C1V2。电荷已从源V1传输到输出V2。这个转移的电荷量如方程式1所示。

如果开关每秒循环f次,单位时间(即电流)的电荷转移如方程式所示

为了得到开关电容网络的等效电阻,这个方程可以用电压重写阻抗等效如等式3所示。

新变量REQUIV定义为REQUIV=1÷fC1。开关电容网络的等效电路为如图13所示。LT1054具有与基本开关电容积木相同的开关动作。偶数虽然这种简化不包括有限的开关导通电阻和输出电压纹波,但它提供了一个洞察力了解设备的工作原理。

这些简化电路将电压损失解释为振荡器频率的函数(见图7)。作为振荡器频率降低,输出阻抗最终由1/fC1项控制,电压损失上升。电压损失也随着振荡器频率的增加而增加。这是由内部开关损耗引起的在每一个开关周期中损失一些有限的电荷。每单位周期的电荷损失乘以开关频率,变成电流损耗。在高频下,这种损耗变得显著,电压损耗再站起来。LT1054的振荡器设计为在电压损失最小的频带内工作。
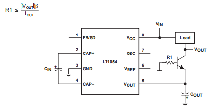
当CIN与输入电源并联切换时,电源电压VCC交替地将CIN充电到输入电压当CIN和COUT并联切换时,电荷转移到COUT上。开关发生在振荡器处频率。在CIN充电期间,峰值电源电流约为输出电流的2.2倍。在CIN向COUT输送电荷的过程中,电源电流下降到输出电流的0.2倍左右电流。输入电源旁路电容器提供LT1054和平均值的部分峰值输入电流从电源引出的电流。最小输入电源旁路电容器为2μF,优选钽或一些建议使用其他低等效串联电阻(ESR)类型。在某些情况下,更大的电容器是可取的。例如,当实际输入电源通过长引线连接到LT1054时,或LT1054产生的脉冲电流可能会通过电源耦合影响其他电路。除了作为输出端,VOUT还连接到器件的基板上。必须特别小心LT1054电路,以避免使VOUT相对于任何其他端子为正。对于有输出的电路负载从VCC连接到VOUT或从外部正电源电压连接到VOUT,外部晶体管必须添加(参见图14)。这种晶体管可防止在启动时电压被拉到GND以上。任何小的可以使用诸如2N2222或2N2219器件之类的通用晶体管。电阻器R1应选择为为外部晶体管提供足够的基极驱动,使其在额定输出电压和最大输出电压下饱和输出电流条件。

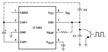
参考电压为参考电压(参考电压为105V-5)的参考电压。这个调整了基准电压(TC)的输出电压系数接近于零。如典型性能曲线所示,这要求参考输出具有正TC。这个非零漂移是抵消内部基准分配器和比较器网络固有的漂移项所必需的到反馈终端。这些漂移项的总体结果是调节输出,在输出电压低于5 V,当输出电压高于5 V时,TC略为负值。对于调节器反馈网络,参考输出电流应限制在约60μA。短路时Vref消耗约100μA接地,不影响内部基准/调节器。此端子也可以用作LT1054的上拉装置需要同步的电路。CAP+是输入电容器CIN的正极,在VCC和地之间交替驱动。当行驶到VCC,CAP+来自VCC的电流源。当被驱动到地面时,CAP+将电流汇至地面。盖−是负数输入电容器的一侧,在接地和电压输出之间交替驱动。当开到地面时,盖子下沉对地电流。当驱动至VOUT时,CAP−源于COUT的电流。在所有情况下,电流都在开关中流动是单向的,当使用双极开关时应该是这样。OSC可用于提高或降低振荡器频率或使设备与外部时钟同步。内部,OSC连接到振荡器定时电容器(Ct≈150 pF),通过电流源为±7μA,因此占空比约为50%。LT1054振荡器设计为磨合开关损耗最小化的频带。但是,频率可以提高、降低或如有必要,与外部系统时钟同步。可通过在距电容器5−20 pF范围内添加外部电容器(图15中的C2)来增加频率+致OSC。这个电容器将电荷耦合到电流互感器中在开关转换处。这缩短了充放电时间乘以并提高振荡器频率。同步可以通过增加一个外部上拉电阻来实现从OSC到Vref。建议使用20-kΩ上拉电阻器。开路集电极栅极或npn晶体管可以用于以图15所示的外部时钟频率驱动OSC。通过在OSC和地面之间增加一个外部电容器(图15中的C1),可以降低频率。这增加了充放电时间,降低振荡器频率。

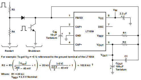
反馈/关机(FB/SD)终端有两个功能。将FB/SD拉到停机阈值以下(≈0.45 V)使装置停机。停机时,参考/调节器关闭,开关停止。开关的设置使得CIN和COUT都通过输出负载放电。静态电流停堆时降至约100μA。任何打开的集电极栅极均可用于将LT1054放入关机。对于正常(未调节)操作,当外部门关闭时,设备将重新启动。在LT1054电路采用调节功能,外部电阻分压器可提供足够的下拉保持在输出电容器(COUT)完全放电之前,设备处于关机状态。对于大多数应用程序,其中由于1054电容器的输出不断续运行,所以电容器不存在断续运行的问题与设备的关闭时间相比很短。在设备必须在输出前启动的应用程序中电容器(COUT)已完全放电,必须对LT1054的FB/SD施加重启脉冲。使用电路如图16所示,重启信号可以是脉冲(tp>100μs)或逻辑高。二极管耦合重启输入FB/SD的信号允许输出电压上升和调节而不出现过冲。电阻分压器R3/R4应选择图16所示,以在FB/SD下提供0.7−1.1 V的信号电平。FB/SD也是LT1054误差放大器的反向输入,因此,可以用来获得一个可调节的输出电压。

选择最接近的1%值。显示的管脚编号适用于P包。
法规(续)
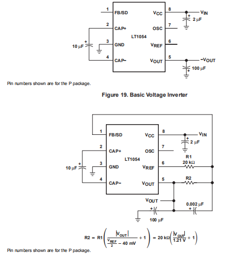
LT1054的误差放大器驱动pnp开关控制输入电容器(CIN)的电压,它决定了输出电压。当使用LT1054的基准和误差放大器时,外部电阻分压器是所有需要设置调节输出电压。图16显示了基本调节器配置和计算适当电阻值的公式。R1应为20 kΩ或更大因为参考电流被限制在±100μA。R2应在100 kΩ到300 kΩ的范围内。频率补偿是通过调整CIN与COUT的比值来实现的。为获得最佳结果,该比率应约为1:10。良好负载调节所需的电容器C1应所有输出电压为0.002μF。功能框图显示最大调节输出电压受电源电压限制。对于基本配置,参考LT1054接地端子的VOUT必须小于总数电源电压减去开关引起的电压损失。电压损失与输出电流在典型的性能曲线中可以找到开关。其他配置,如负极倍频器,可以在降低输出电流的情况下提供更高的电压。
电容器选择
而CIN和COUT的准确值是非临界的、高质量的低ESR电容器,如固态钽是在大电流下使电压损失最小化所必需的。对于CIN,血沉的影响电容器乘以4,因为开关电流大约是输出电流的两倍。在充电和放电循环中都会发生损耗,这意味着一个电容器的ESR为1Ω与将LT1054的输出阻抗增加4Ω的效果相同。这意味着电压损失增加。电流大约相等时交替地充放电输出电流。电容器的ESR使开关处的输出纹波出现阶跃函数过渡。此阶跃函数降低输出负载电流变化时的输出调节,应避免。为了获得低ESR和合理的成本,一种技术是并联一个较小的钽电容器配有大型铝电解电容器。
输出纹波
峰间输出纹波由输出电容和输出电流值决定。峰间输出纹波近似为:
哪里:
∆V=峰间纹波
fOSC=振荡器频率
对于具有显著ESR的输出电容器,必须添加第二项来说明切换转换。此步骤大约等于: 2出 COUT的ESR
功率损耗
必须限制LT1054电路的功耗,以使器件的结温不超过最大结温额定值。总功耗由两个计算得出组件-开关电压下降导致的功率损耗,以及驱动电流导致的功率损耗损失。LT1054消耗的总功率计算如下:

其中VCC和VOUT均参考地。其功耗相当于线性调节器。LT1054封装有限的功率处理能力导致有限的输出电流对于大的输入或输出,可以采取措施来消耗LT1054外部的功率差异。这是通过将一个电阻器与CIN串联来实现的,如图17所示。一部分在不影响输出调节的情况下,输入电压通过该电阻下降。因为开关电流是当CIN同时充电时,大约2.2倍的输出电流和电阻器会导致电压下降放电时,选择的电阻如下:
和IOUT=所需的最大输出电流系数1.3允许LT1054有一定的营业利润。当在100毫安输出电流下使用12-V至−5-V转换器时,在没有外部电阻器。

功耗(续)
对于商用塑料装置,在130°C/W的RθJA下,结温升高122°C。设备超过环境温度25°C时的最高结温。计算功率使用外部电阻器(RX)耗散,确定RX上可以降低多少电压。这个LT1054在标准调节器配置中,输出电流为100毫安时的最大电压损失为1.6伏。

电阻器将LT1054消耗的功率降低(4.9 V)(100 mA)=490 mW。总功率LT1054的消散量等于(940 mW−490 mW)=450 mW。结温升为58℃。尽管商用器件在125°C的结温下仍能正常工作,但这些规范都是经过测试的在本例中,这意味着将环境温度限制在42°C允许更高的环境温度,LT1054封装的热阻值表示最坏情况下的数字,没有下沉和静止的空气。小散热片可以用在较低的散热片上LT1054封装的电阻。一些系统中的气流有助于降低热阻。宽版印刷LT1054导线的电路板痕迹有助于消除设备的热量。塑料尤其如此包装。

注:电机转速表为佳能CKT26-T5-3SAE。显示的管脚编号适用于P包。

安芯科创是一家国内芯片代理和国外品牌分销的综合服务商,公司提供芯片ic选型、蓝牙WIFI模组、进口芯片替换国产降成本等解决方案,可承接项目开发,以及元器件一站式采购服务,类型有运放芯片、电源芯片、MO芯片、蓝牙芯片、MCU芯片、二极管、三极管、电阻、电容、连接器、电感、继电器、晶振、蓝牙模组、WI模组及各类模组等电子元器件销售。(关于元器件价格请咨询在线客服黄经理:15382911663)
代理分销品牌有:ADI_亚德诺半导体/ALTBRA_阿尔特拉/BARROT_百瑞互联/BORN_伯恩半导体/BROADCHIP_广芯电子/COREBAI_芯佰微/DK_东科半导体/HDSC_华大半导体/holychip_芯圣/HUATECH_华泰/INFINEON_英飞凌/INTEL_英特尔/ISSI/LATTICE_莱迪思/maplesemi_美浦森/MICROCHIP_微芯/MS_瑞盟/NATION_国民技术/NEXPERIA_安世半导体/NXP_恩智浦/Panasonic_松下电器/RENESAS_瑞莎/SAMSUNG_三星/ST_意法半导体/TD_TECHCODE美国泰德半导体/TI_德州仪器/VISHAY_威世/XILINX_赛灵思/芯唐微电子等等
免责声明:部分图文来源网络,文章内容仅供参考,不构成投资建议,若内容有误或涉及侵权可联系删除。
Copyright © 2002-2023 深圳市安芯科创科技有限公司 版权所有 备案号:粤ICP备2023092210号-1