特点和优点
•电池供电的独立RFID阅读器
•10$BOM成本目标
•低功耗(平均400uA)
•优化外形,便于集成
应用
•近程无触点门禁
•短程射频识别终端
订购信息
零件号说明
DEMO90121DA RFID门禁演示器
范围
DEMO90121DA是一个基于RFID收发器IC MLX90121的全包式非接触门接入示例。一旦设置好,它可以检测并读取ISO14443a-ic/" title="ISO14443A">ISO14443A卡,并且能够通过软件配置点亮红色或绿色LED。
作为一个运行在电池上的独立应用程序,考虑到快速响应时间,电流消耗得到了优化。为了证明MLX90121所允许的高集成度,外形尺寸被最小化。DEMO90121DA的材料清单的目标是为1000个模块设置每个组件10美元的成本。
完整的示意图、材料清单和布局附在本文件之后,便于快速开发。固件的源代码基于FW90121库,可以在DEMO90121DA附带的CD-ROM上找到。该设备基于ISO14443a-ic/" title="ISO14443A">ISO14443A RFID标准,但软件库使其易于调整固件以使用其他ISO协议。
本文档包括快速启动说明,描述了演示的性能,并解释了其硬件和软件。我们可以将本文件视为构建自己的访问控制系统的起点,通过调整其功能和性能来满足他们的特定要求。
相关Melexis产品
MLX90121–13.56MHz收发器

简介
你买了一台DEMO90121DA。谢谢你选择了梅莱西斯。该演示器是基于MLX90121的非接触式门禁解决方案。本文件包含使用和评估本演示器功能和性能的说明。
所有必要的硬件都在包装盒中提供,并且板上的微控制器已经用与CD上的固件相同的固件编程。您只需插入电缆,然后在一个或多个标签卡靠近天线时目视检查LED的状态。
如果您想根据这个演示器开始开发,您可以在本文档和CD上找到所有信息,如原理图、电路板布局、元件列表、固件源(C代码)和相关应用说明。请注意,所有这些材料的提供都是为了支持相关Melexis产品的使用。除非特别同意,否则Melexis不允许以任何方式在数据载体上复制、流通或存储用于任何其他类型的用途。
盒内容
您将在框中找到以下组件。
•1个RFID读卡器板

•1个天线板

•3张标签卡

•9V电池和电池电缆

•1张带有固件和文档的CD
交付的CD包含DEMO90121DA硬件和固件的完整文档、用户手册、数据表MLX90121、固件源代码(用C编写,flavor AVR gcc)、固件的十六进制文件、电路板示意图(ORCAD 9.2文件)、电路板布局(GERBER文件)、电路板材料清单
•1本用户手册(纸质)-本文件
•1盒内容(纸质)
连接
第一步是连接组件。将天线板连接到RFID读卡器板(3针连接器)。将读卡器的电缆(2)连接到读卡器上。将电池插入电缆的电池连接器。
工作原理
一旦连接,这个演示器允许使用几种功能,这些功能通常在RFID门禁设备中使用。其原理是基于ISO14443a-ic/" title="ISO14443A">ISO14443A标签的唯一标识号(UID)。
演示程序能够存储多个UID。所有存储在设备中UID号的卡都可以打开门。每张卡都与特定的访问权限、主密钥或有效密钥相关联。唯一的最高卡级别(主密钥)(它只能是一张具有主密钥特权的卡)可以将其开门的权利转让给通过这种方式获得第二个访问级别(有效密钥)的卡。
设备可以重新初始化。通过这种方式,您可以更改具有主密钥特权的卡,并从有效密钥卡列表中删除所有其他卡。当模块通电或通过复位按钮复位时,模块开始初始化阶段:
•如果天线的读取范围内没有标签,则配置没有任何变化。以前存储在内存中的uid将被保留。
•如果存在一个标记,设备将读取其UID,将其存储并与主密钥特权相关联,并从内存中删除其他UID。
•如果存在两个或多个标签,配置不会发生任何变化。以前存储在内存中的uid将被保留。
该装置可作为电池供电门禁系统的一个实例,优化了功耗。因此,该装置主要是在低功耗模式下运行的,其标签检测功能开启的时间不多。在没有标签的情况下,设备以低功率返回。在相反的情况下,它启动RFID通信和门访问功能。
功能和用途
系统初始化
在天线上放置一张卡。按下DEMO90121DA的按钮1(重置),检查LED D3和随后的D2是否开始快速闪烁(微控制器将1号标签卡注册为主卡)
开门
该设备分3个步骤执行此操作:标签检测、打开ISO14443a-ic/" title="ISO14443A">ISO14443A通信、读取和检查UID。接近天线附近的任何类型的卡。LED D2和D3将同时亮起,表示检测到标签。如果该卡符合ISO14443a-ic/" title="ISO14443A">ISO14443A,则D2将单独闪烁一次。在相反的情况下,什么都不会发生。如果该卡具有任何访问权限(主密钥或有效密钥),那么D3将单独闪烁一次,这意味着该卡被识别为有效卡。在另一种情况下,不会发生更多的事情。
转让使用权
将具有主密钥权限的卡(卡A)与另一张卡(卡B)放在靠近天线的位置。LED D2和D3将同时亮起(检测到标签),然后D2单独闪烁两次(检测到两个ISO14443a-ic/" title="ISO14443A">ISO14443A卡),然后D3单独闪烁两次(两个有效代码存储在微控制器内存中)。这意味着开门的权利从卡A转移到卡B。卡B UID被添加为有效的密钥卡1。
观察结果
1.DEMO90121DA的读数范围约为10厘米。
2.标签检测是通过改变天线场强负载来实现的(一个周期约为300ms或更长)。因此,LED D2和D3一起闪烁一次,表明磁场发生变化。可能会发生接近天线的物体产生标签检测指示
3.当一个或多个ISO14443标记卡已在字段中时,标签检测指示D2将闪烁,指示检测到的卡数:如果只有一个卡,则闪烁一次;如果检测到两个卡,则闪烁两次,以此类推。
4.为了减少标签卡之间的过强耦合,当接近两个或更多个标签卡到天线时,稍微扇动一下。
5.有效的标签码存储在DEMO90121DA微控制器的非易失性存储器中,因此断电后代码不会丢失。
6.平均电流消耗为~0.4mA(天线负载不变)。
硬件
概述
DEMO90121DA围绕MLX90121射频识别收发器前端和8位微控制器Atmel ATMega8构建。MLX90121在传输和接收中处理空中接口。它通过E类功率驱动器驱动天线产生高频磁场,并根据单片机产生的协议和命令进行调制。它解调来自标签的答案,并向微控制器提供数字信号。ATMega8运行协议和应用软件。该板有三个接口,一个用于开门机构,一个用于uC编程的SPI接口和一个调试连接器。它嵌入了复位按钮,时钟和电源管理功能,可以从电池供电。
射频部分
排放
MLX90121集成了一个E级驱动器,能够为天线提供高达200mW的功率。E类驱动器(TX引脚)通过谐振负载和适配器电路连接到天线。为了给用户选择连接到各种不同的天线,收发器输出与50ȍ阻抗匹配。自适应阻抗由L2、C6(谐振负载)、CV2、C8、L4、L3、C10、CV1(阻抗适配器)组成。为了获得最佳的性能,有必要对自适应电路进行调谐。调谐操作从调整CV2开始,以获得最大振幅。一旦CV2固定,就可以对CV1进行调整。可使用与50ȍ匹配的任何13.56MHz天线。但是,应该注意它的质量系数,它必须在10到25之间。如果天线的阻抗不是50ȍ,则使用电容器C9来匹配输出。当天线放置在其最终位置时,必须对其进行调谐,因为靠近金属部件(包括电线)会导致其在自由空气中的特性发生变化。有关建造天线的一些提示,请参阅13.56MHz RFID系统和天线设计指南。

前台
接收通过R1电阻器完成,该电阻器将MLX90121的接收器部分连接到天线。它的值可以从1kȍ到4.7kȍ不等,这取决于反向调制幅度和读取距离。在本例中,2.2kȍ给出了最佳折衷方案。使用其他值时必须特别小心。如果R1太大,则接收器看到的直流偏压和反向调制信号不足以进行正确接收。如果R1太小,直流偏压会使接收器输入饱和。
调制深度
10ȍ电阻器R2为ISO14443B通信固定了10%的调制指数。当使用ISO14443a-ic/" title="ISO14443A">ISO14443A卡时,R1电阻器被内部调制晶体管旁路。在使用OOK的情况下,电阻器可以保留在这里,也可以不安装。
微控制器
连接至MLX90121
微控制器控制MLX90121,管理时钟信号,并将RFID功能与应用程序(即门锁机构)接口。端口D用于通过信号CK、DSYNC、DOUT、DIN、RTB和MODE连接MLX90121。

时钟
在PB6和PB7之间连接了一个13.56MHz石英晶体振荡器来产生时钟。电阻器R12用于衰减MLX90121和ATMega8之间时钟连接产生的快速瞬态。
唤醒周期
为了降低功耗,微控制器交替使用休眠和唤醒模式。这个循环是由连接在PD3上的R16和C21组成的RC电路产生的。RC给出的时间常数在大约280ms后启用中断(INT)。精度由R16和C21的公差给出。
规划与开发
微控制器可以使用SPI接口在船上编程。这个串行接口与足够的硬件和软件相关联,允许对微控制器的所有内存块进行读写访问。这对于固件更新或更改非常有用,以适应特定要求。
代码大小
DEMO90121DA中使用的固件需要ATMega8的5.2k字节程序闪存。微控制器ATMega8可以被其他引脚兼容的ATMEL型号所取代,具有不同的特性和价格。
功率
DEMO90121DA嵌入5V调节器,因此至少需要6V直流电压供应。在电源连接器后面使用一个二极管来保护电路板不受反向电压的影响。

MLX90121有三组电源引脚(电源和接地),对应于三个主要模块:数字模块、发射机模块和接收机模块。为减少噪音,小心地分开电源线是很重要的。因此,电源引脚的连接方式如下:
-数字块电源引脚VSS2和VDD2分别接至微控制器数字接地,并直接连接至主+5V;
-通过滤波电路(L1、C7和C1)将变送器电源引脚连接至TX接地层(VSS1)和VDD1,与主+5V绝缘;
-接收器通过另一个滤波器(L5、C11)向RX接地层(VSS3)供电,VDD3向主+5V供电。
MLX90121的基准时钟块内部连接到传输块,因此引脚XIN、XOUT处的组件应放置在同一接地层上(GND U TX)。
微控制器有两组不同的电源引脚,数字电源(GND uC和主+5V)和模拟电源(GDN_ADC和AVCC引脚)通过滤波器(L6、C18)从主5V供电。
微控制器大约有0.98%的时间处于唤醒状态,发送器有0.25%的时间处于唤醒状态。测量的平均电源电流低于0.41mA。
两层PCB具有多个接地层,这些接地层通过可由一些小值电阻器(0805情况下)代替的分流器相互连接,以减少不同功能块之间的噪声传播:
时钟
唯一的时钟源参考是一个13.56MHz的石英谐振器连接到微控制器。为了减少元件数量和物料清单,Xtal被共享,并且来自微控制器的时钟输出PB7被馈送到收发器的时钟输入XIN。
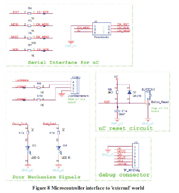
接口
微控制器与“外部世界”的接口还有其他组件:可用于微控制器编程的SPI接口、用于系统初始化的复位开关、供开发人员验证固件更改的调试连接器以及由2个LED、2个数字电平输入组成的功能接口用于两个位置传感器(限制器1和限制器2)和一个低功率数字电平输出(锁止马达)。

开发商应该增加一个足够的功率缓冲器,能够驱动门锁电机或电磁铁。
固件
结构
为DEMO90121DA开发的固件提供主标签编程、防撞处理和标签检测,作为门锁应用程序的基本服务功能。下面的流程图显示了固件的主要结构:

上电或复位后,微控制器向字段中的第一个标签发送读取命令,并将其ID存储在内存中。这将成为应用程序的主标记的ID。如果字段中没有标记,则先前存储的代码仍然有效,包括主代码。
一旦完成,固件进入主循环。测量RSSI电平并将其与存储在微控制器存储器中的基准相比较,以检测字段中是否存在标签。在没有任何标签的情况下,系统将在PD3上连接的RC电路定义的时间段内进入休眠模式。如果一个标签在字段中,它会根据ISO14443a-ic/" title="ISO14443A">ISO14443A协议启动一个清单(参见图10),并读取响应其请求的所有ID(标识码)。(见图9)

如果现场只有一个有效的标签,微控制器就会发出开门命令。如果字段中有多个有效标记,但没有主标记,则它们将被忽略,门将不会打开。(见图9)
如果主标记与其他标记(ISO14443a-ic/" title="ISO14443A">ISO14443A)一起检测到,固件会将所有代码注册为有效代码,并将重置所有以前的有效代码。为了防止错误地重新定义有效代码,此注册取决于两个限制器的状态:应打开门锁和按下车门把手。如果字段中只有主标记,则列表保持原样,并发送开门命令。(见图9)
为了降低代码扫描黑客设备的成功率,在现场只有一个有效标签的情况下才能打开门锁。这也适用于主标记。关门限位开关条件限制固件访问开门功能,并且只有一个有效标签出现在现场。(见图9)
硬件复位后,可以清除所有有效代码的列表并重新定义主标记代码。(见图11)

观察:
-有效的标签码最长可达12个字节(96位)。
-该算法可以根据目标应用的具体需求进行修改。
大约300ms的长睡眠时间是基于硬件的(见图12):一个连接到pin INT1(ATMega8的pin 1)的RC电路从VDD向输入电平“LOW”放电,从而触发一个中断(见图12)。
为了降低器件的功耗,我们采用了微控制器的掉电模式。所有的钟都停了,只有看门狗在跑。看门狗会在主循环结束时重置,也会在长时间延迟之后重置。

实用信息
DEMO90121DA的固件基于FW121库。(FW90121:固件说明)此库提供ISO15693和ISO14443协议功能,作为控制MLX90121、寻址其内部寄存器和读/写ATMEL微控制器的EEPROM的特定命令。在通电或复位时,微控制器IO端口、定时器、ADC和看门狗以及MLX90121收发器寄存器配置为符合MLX90121数据表中所述的ISO14443a-ic/" title="ISO14443A">ISO14443A协议。
固件是在avrstudio4下使用GCC开发的。固件可以使用连接到STK500、STK300、AVRISP mkII模块或类似模块的SPI接口加载到微控制器中,由适当的软件(AVR Studio、PonyProg2000等)驱动。FW_DA21_14A.c和FW_DA21_14A.h包含固件特定的gcc代码和函数的原型。h描述硬件(输入、输出引脚等)。文件FW_DA21_14A.aps是AVR Studio 4项目文件。
功耗
DEMO90121DA是专为电池供电而设计的,因此电流消耗得到了优化。下图(图13)显示了一个循环(回路)中典型的电流消耗变化。

平均电流消耗约为0.41mA,使用1000mAh电池可实现100天的自主性。此值当然取决于访问事件的数量,并且深受门锁机械装置消耗量的影响。在选择RSSI阈值(dVrssi参数)时应特别小心。如果它的值太小,噪音会使设备在没有标签的情况下启动资源清册尝试。

如表所示,MLX90121大部分时间处于断电状态(t1§288ms)。如果RSSI信号自上一个环路后没有变化,则发射机将在很短的时间内开启,然后微控制器将MLX90121置于断电状态。如果RSSI信号发生显著变化,MLX90121发送资源清册命令,然后进入断电模式(t4增加到数十毫秒)。微控制器将继续检查库存结果,最终打开门锁,或将新代码存储在EEPROM中。
使用四个碱性AA电池为应用板DEMO90121DA提供每天10次驱动(ISO14443a-ic/" title="ISO14443A">ISO14443A标签卡通过13.56MHz磁场),电压变化如图14所示。

结论
DEMO90121DA是基于Melexis 13.56MHz收发器MLX90121的小型、经济高效且简单的门禁控制模块。对于那些希望构建自己的系统以满足其特定需求的开发人员来说,它也可以被视为一个高级起点。
软件库FW121方便了MLX90121收发器的软件开发,程序员可以使用高级命令与MLX90121通信。通过这种方式,他们可以集中精力管理微控制器和应用程序的上层功能。
安芯科创是一家国内芯片代理和国外品牌分销的综合服务商,公司提供芯片ic选型、蓝牙WIFI模组、进口芯片替换国产降成本等解决方案,可承接项目开发,以及元器件一站式采购服务,类型有运放芯片、电源芯片、MO芯片、蓝牙芯片、MCU芯片、二极管、三极管、电阻、电容、连接器、电感、继电器、晶振、蓝牙模组、WI模组及各类模组等电子元器件销售。(关于元器件价格请咨询在线客服黄经理:15382911663)
代理分销品牌有:ADI_亚德诺半导体/ALTBRA_阿尔特拉/BARROT_百瑞互联/BORN_伯恩半导体/BROADCHIP_广芯电子/COREBAI_芯佰微/DK_东科半导体/HDSC_华大半导体/holychip_芯圣/HUATECH_华泰/INFINEON_英飞凌/INTEL_英特尔/ISSI/LATTICE_莱迪思/maplesemi_美浦森/MICROCHIP_微芯/MS_瑞盟/NATION_国民技术/NEXPERIA_安世半导体/NXP_恩智浦/Panasonic_松下电器/RENESAS_瑞莎/SAMSUNG_三星/ST_意法半导体/TD_TECHCODE美国泰德半导体/TI_德州仪器/VISHAY_威世/XILINX_赛灵思/芯唐微电子等等
免责声明:部分图文来源网络,文章内容仅供参考,不构成投资建议,若内容有误或涉及侵权可联系删除。
Copyright © 2002-2023 深圳市安芯科创科技有限公司 版权所有 备案号:粤ICP备2023092210号-1