一般说明
LPV321/358/324是低功耗(每通道9μALMV321/358/324运算放大器的5.0V)版本。这是LMV321/358/324系列普通运算放大器的又一个补充。LPV321/358/324是最具成本效益的解决方案对于低电压、低功率运行的应用,需要节省空间和低廉的价格。LPV321/358/324具有轨对轨输出摆动能力和输入共模电压范围包括接地。它们都抑制了出色的速度功率比,在仅9μa的供电电流下实现了5 kHz的频带宽度。LPV321提供节省空间的5针SC70大约是5针SOT23大小的一半。小的封装节省了PC板上的空间,并使设计成为可能小型便携式电子设备。它还允许设计人员将设备放在离信号源更近的地方减少噪声拾取,提高信号完整性。这些芯片是用国家先进的亚微米制造的硅栅BiCMOS工艺。LPV321/358/324有双极输入和输出级,提高噪声性能和更高的输出电流驱动。
特征
(对于V+=5V和V−=0V,除非另有说明,否则为典型值)
保证2.7V和5V性能
无交叉失真
节省空间组件5针SC702.0x2.1x1.0毫米
工业温度
范围−40˚C至+85˚C
增益带宽乘积152 kHz
低电源电流
LPV321 9μA
LPV358 15μA
LPV324 28微安
j轨间输出摆动
@100 kΩ负载V+−3.5毫伏
V−+90毫伏
VCM−0.2V至V+−0.8伏
应用
有源滤波器
通用低压应用
通用便携式设备
绝对最大额定值(注1)
ESD公差(注2)
人体模型
LPV324 2000V
LPV358 1500伏
LPV321 1500伏
机器型号100V
差分输入电压±电源电压
电源电压(V+–V负极)5.5伏
输出对V+短路(注3)
输出对V-短路(注4)
焊接信息
红外线或对流(20秒)235˚C
储存温度范围−65˚C至150˚C
接头温度。(TJ,最大值)(注5)150˚C
工作额定值(注1)
电源电压2.7V至5V
温度范围−40˚C至+85˚C
热阻(θJA)(注10)
5针SC70 478˚C/W
5针SOT23 265˚C/W
8针SOIC 190˚C/W
8针MSOP 235˚C/W
14针SOIC 145˚C/W
14针TSSOP 155˚C/W
2.7V直流电特性
除非另有规定,TJ=25˚C,V+=2.7V,V−=0V,VCM=1.0V,VO=V的所有限值+/2和R L>1 MΩ。

5V直流电特性
除非另有规定,否则TJ=25˚C,V+=5V,V−=0V,VCM=2.0V,VO=V的所有限值+/2和R L>1 MΩ。
粗体限制适用于极端温度。

5V交流电气特性(续)
注1:绝对最大额定值表示设备可能发生损坏的极限值。工作额定值表示设备的工作条件旨在发挥功能,但具体性能无法保证。有关保证的规格和测试条件,请参阅电气特性。
注2:人体模型,适用标准MIL-std-883,方法3015.7。机器型号,适用标准JESD22-A115-A(JEDEC的ESD MM标准)场致电荷器件型号,适用标准JESD22-C101-C(JEDEC的ESD FICDM标准)。
注3:将输出短路至V+将对可靠性产生不利影响。
注4:将输出短路至V−将对可靠性产生不利影响。
注5:最大功耗是TJ(MAX)θJA的函数。任何环境温度下的最大允许功耗为PD=(TJ(MAX)–TA)/θJA。所有数字适用于直接焊接到PC板上的封装。
注6:典型值代表表征时确定的最有可能的参数规范。实际典型值可能会随着时间的推移而变化也取决于应用程序和配置。典型值未经测试,且不保证装运的生产材料。
注7:所有限值均由试验或统计分析保证。
注8:RL与V相连-输出电压为0.5V≤VO≤4.5V。
注9:作为电压跟随器连接,3V阶跃输入。指定的数字是正负转换率中较慢的一个。
注10:所有数字都是典型的,适用于在静止空气中直接焊接到PC板上的封装。
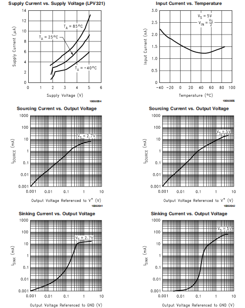
典型性能特性,除非另有规定,VS=+5V,单电源,TA=25摄氏度。



申请信息
LPV321/358/324的优点大小LPV321/358/324软件包的小尺寸节省了印刷电路板上的空间小型电子产品,如手机、寻呼机,或其他便携式系统。低姿态的LPV321/358/324使得它们可以用于PCMCIA类型III卡。信号完整性信号可以在信号源和放大器。通过使用体积更小的放大器组件,LPV321/358/324可以放在离信号更近的地方源,减少噪声拾取,提高信号完整性。
简化板布局
这些产品可帮助您避免在你的电脑板布局。这意味着不需要额外的元件,如电容器和电阻,来进行滤波输出由于干扰而产生的不需要的信号电脑的长轨迹。
低供电电流
这些设备将帮助您最大限度地延长电池寿命。他们是电池供电系统的理想选择。
供电电压低
National在2.7V和5V时提供有保证的性能。这些保证确保整个电池的运行一生。
轨间输出
轨间输出摆动在输出端提供最大可能的动态范围。这一点尤其重要在低电源电压下工作时。
输入包括接地
允许在单电源操作中直接感应GND附近。差分输入电压可能大于V+损坏设备。应提供保护,以防止输入电压负电压超过−0.3V(25摄氏度时)。一种输入钳位二极管,在IC输入端有一个电阻可以使用终端。
容性负载容限
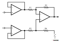
LPV321/358/324可直接驱动单位增益为200pf没有振荡。单位增益跟随器是对容性负载最敏感的结构。直接电容负载降低了放大器的相位裕度。放大器输出阻抗与电容的组合负载导致相位滞后。这会导致欠阻尼脉冲响应或振荡。开更重的车电容性负载,可使用图1中的电路。

在图1中,隔离电阻RISO和负载电容器CL形成一个极点,通过增加更多的相位来增加稳定性整个系统的裕度。理想的性能取决于RISO的值。电阻越大值,则VOUT越稳定。图2是一个输出图1的波形,RISO为100 kΩ,1000 pF为氯。

图3中的电路是对图中电路的改进1因为它提供直流精度和交流稳定性。如果图1中有一个负载电阻,输出为电压除以RISO和负载电阻。相反,在图3,RF通过使用前馈技术将车辆识别号(VIN)连接到RL,从而提供直流精度。需要小心在选择RF值时,由于LPV321/358/324。CF和RISO用于抵消通过将输出信号的高频分量反馈给放大器的逆变而造成的相位裕度损失输入,从而在整个反馈回路中保持相位裕度。通过增加CF值,可以增加电容驱动。这反过来会减慢脉冲回应。

输入偏置电流消除
LPV321/358/324系列具有双极输入级。这个LPV321/358/324的典型输入偏置电流为1.5 nA5V电源。因此,100 kΩ输入电阻将产生0.15 mV错误电压。通过平衡电阻值逆变和非逆变输入,由放大器的输入偏置电流将减小。电路输入图4显示了如何消除由输入偏差引起的错误电流。

差分放大器
差分放大器允许两个伏特的相减,或者在特殊情况下,消除一个信号两个输入共用。它可以作为计算放大器,在进行差分到单端转换或拒绝共模信号。

仪表电路
上一个差分放大器的输入阻抗为由电阻器R1、R2、R3和R4设置。为了消除低输入阻抗的问题,一种方法是使用每个输入前的电压跟随器,如后面两个仪表放大器所示。三运放仪表放大器四路LPV324可以用来建立一个三运算放大器仪表放大器,如图6所示

仪表放大器的第一级是差分输入,差分输出放大器,带两个伏级跟随器。这两个电压跟随器确保输入阻抗大于100 MΩ。该仪器放大器的增益由R2/R1的比值设定。R3应该等于R1和R4等于R2。R3与R1和R4与R2的匹配影响CMRR。对于良好的CMRR超温、低应使用漂移电阻器。使R4稍微小一点再加上一个等于两倍差的微调器在r2和R4之间将允许调整CMRR最佳的。
申请信息(续)
双运算放大器仪表放大器双运放仪表放大器也可用于制作高输入阻抗直流差分放大器(图7)。在三个运算放大器电路中,这个仪器放大器需要精确的电阻匹配以获得良好的共模抑制比。R4应该等于R1,R3应该等于R2

单电源逆变放大器
在某些情况下,输入信号进入放大器为负。因为放大器在单电源电压,使用R3和R4的分压器是使放大器偏置,使输入信号在放大器的输入公共电压范围。电容器C1放置在逆变输入和电阻器R1用于阻止直流信号进入交流信号来源,车辆识别号。R1和C1的值影响截止频率,fc=1/2πr1C1。因此,输出信号以中间电源为中心(如果分压器提供V+/2非倒置输入)。输出可以摆动到两个轨道上,最大化低电压系统中的信噪比。

有源滤波器
简单低通有源滤波器
简单的低通滤波器如图9所示。其低频增益(ω→o)由−R3/R1定义。这允许获得除单位以外的低频增益。这个滤波器在其拐角频率后具有−20 dB/decade衰减。R2应选择等于R1和R3使bais电流引起的误差最小化。这个滤波器的频率响应如图10所示

注意,单运算放大器有源滤波器用于要求低品质因数、Q(≤10)、低频率(≤5 kHz)和低增益(≤10),或增益乘以Q的乘积(≤100)。运算放大器应该有在最高间隔频率下的开环电压增益至少比滤波器在此频率下的增益大50倍频率。此外,所选运算放大器应具有满足以下要求的转换率:转换速率≥0.5 x(ωHV OPP)x 10−6V/μs式中,ωH为最高感兴趣频率,VOPP为输出峰间电压。
安芯科创是一家国内芯片代理和国外品牌分销的综合服务商,公司提供芯片ic选型、蓝牙WIFI模组、进口芯片替换国产降成本等解决方案,可承接项目开发,以及元器件一站式采购服务,类型有运放芯片、电源芯片、MO芯片、蓝牙芯片、MCU芯片、二极管、三极管、电阻、电容、连接器、电感、继电器、晶振、蓝牙模组、WI模组及各类模组等电子元器件销售。(关于元器件价格请咨询在线客服黄经理:15382911663)
代理分销品牌有:ADI_亚德诺半导体/ALTBRA_阿尔特拉/BARROT_百瑞互联/BORN_伯恩半导体/BROADCHIP_广芯电子/COREBAI_芯佰微/DK_东科半导体/HDSC_华大半导体/holychip_芯圣/HUATECH_华泰/INFINEON_英飞凌/INTEL_英特尔/ISSI/LATTICE_莱迪思/maplesemi_美浦森/MICROCHIP_微芯/MS_瑞盟/NATION_国民技术/NEXPERIA_安世半导体/NXP_恩智浦/Panasonic_松下电器/RENESAS_瑞莎/SAMSUNG_三星/ST_意法半导体/TD_TECHCODE美国泰德半导体/TI_德州仪器/VISHAY_威世/XILINX_赛灵思/芯唐微电子等等
免责声明:部分图文来源网络,文章内容仅供参考,不构成投资建议,若内容有误或涉及侵权可联系删除。
Copyright © 2002-2023 深圳市安芯科创科技有限公司 版权所有 备案号:粤ICP备2023092210号-1