特点
•±3 A输出电流
•宽电源电压范围:4.5 V–26 V
•高效率产生更少的热量
•多个开关频率
–主/从同步
–开关频率高达1.2 MHz
•具有高PSRR的反馈功率级架构降低了PSU要求
•单电源减少组件数量
•集成自我保护电路,包括过压、欠压、过热和短路,并提供错误报告
•热增强组件
–DAP(32针HTSSOP Pad down)
•–40°C至85°C环境温度范围
应用
•电力线通信(PLC)驱动程序
•热电冷却器(TEC)驱动器
•激光二极管偏压
•电机驱动器
•伺服放大器
说明
DRV595是一款高效、大电流的功率驱动器,非常适合驱动4.5V至26V的系统中的各种负载。PWM操作和低输出级导通电阻可显著降低放大器的功耗。
DRV595高级振荡器/PLL电路采用多个开关频率选项;这与主/从选项一起实现,使多个设备同步成为可能。
DRV595具有短路、热、过压和欠压保护功能,可防止故障发生。故障被报告回处理器,以防止设备在过载情况下损坏。
简化应用电路

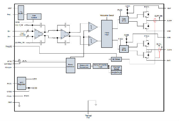
系统框图

典型特征






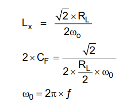
输出滤波器注意事项
DRV595可用于驱动TEC元件。用于这种应用的典型电路有两个反馈回路-一个用于恒流,另一个用于监测温度,并提供调节以保持激光二极管的恒定温度。误差放大器用于组合两个反馈回路,以及来自系统的控制信号。误差放大器的输出随后被送入DRV595。
需要使用一个输出滤波器来防止过多的纹波到达TEC元件。有些TEC元件可能会被纹波损坏;使用TEC规范设计滤波器,以减少开关波形,以防止TEC损坏。该滤波器还可减少耦合到TEC元件上的电噪声量。
对于大多数应用,一个二阶巴特沃斯低通滤波器,截止频率设置为几千赫兹就足够了。使用方程式2、方程式3和方程式4设计的过滤器示例见图12。
二阶巴特沃斯LPF传递函数

使用半电路分析


设备信息
典型应用

启动顺序
为确保通电时正常工作,在PVCC和AVCC稳定后等待10ms,然后再使用模拟输入,IN–和IN+。图14展示了这个序列。

(1)、注意:PVCC断言和AVCC断言之间的时序关系并不重要。
增益设置和主/从
DRV595的增益由连接到增益/SLV控制引脚的分压器设置。主或从模式也由同一引脚控制。内部ADC用于检测4种输入状态。前4个状态分别将DRV595设置为主模式,增益分别为20、26、32、36 dB;后四个状态将DRV595设置为从模式,增益分别为20、26、32、36 dB。增益设置在通电期间锁定,在设备通电时无法更改。表1显示了每种模式和增益组合的建议电阻值:

在主模式下,同步终端是输出,在从模式下,同步终端是时钟输入的输入。符合GVDD的TTL逻辑电平。
输入阻抗
DRV595输入级是一个全差分输入级,输入阻抗随增益设置的变化而变化,增益为36 dB时为9 kΩ,增益为20 dB时为60 kΩ。表1列出了从最小增益到最大增益的值。输入电阻值的公差为±20%,因此最小值将高于7.2 kΩ。

启动/关闭操作
DRV595采用了一种关闭操作模式,旨在将电源电流(Icc)降低到绝对最小水平,在不使用节能的情况下。当放大器在使用中时,在正常操作期间,SDZ输入端子应保持在高位(请参阅触发点规格表)。拉低SDZ将把输出到Hi-Z,放大器进入低电流状态。不建议将SDZ保持断开,因为放大器的运行是不可预测的。
GVDD供应
GVDD电源用于为输出全桥晶体管的栅极供电。它也可用于为增益/SLV分压器供电。使用X5R陶瓷1μF电容器将GVDD与GND断开。GVDD电源不打算用作外部电源。建议使用电阻分压器限制电流消耗,以获得100 kΩ或更高的增益/SLV。
BSP和BSN电容器
全H桥输出级仅使用NMOS晶体管。因此,他们需要引导电容器的高压侧的每一个输出正确地打开。必须从每个输出端连接到相应的自举输入端,质量为X5R或更高的220 nF陶瓷电容器,额定电压至少为16 V。(参见图13中的应用电路图。)连接在BSx管脚和相应输出管脚之间的自举电容器作为高侧N沟道功率MOSFET栅极驱动电路的浮动电源。在每个高压侧开关周期中,自举电容器将栅极到源极电压保持在足够高的水平,以保持高侧mosfet的导通。
差分或单端输入
放大器的差分输入级可消除出现在通道两条输入线上的任何噪声。要使用带有差分源的DRV595,请将信号源的正极引线连接到IN+输入端,将信号源的负极引线连接到IN–输入端。要将DRV595与单端电源一起使用,请使用分压器将IN-偏置至3.0V,并将单端信号应用于IN+。
设备保护系统
DRV595包含一套完整的保护电路,经过精心设计,使系统设计高效,并保护设备免受因短路、过载、过热和欠压而导致的永久性故障。如果根据下面的故障表检测到错误,FAULTZ引脚将发出信号:

短路保护和自动恢复功能
DRV595具有输出级短路引起的过电流保护。短路保护故障在FAULTZ引脚上报告为低状态。当短路保护闩锁接通时,放大器输出被切换到高阻抗状态。可通过循环SDZ引脚通过低状态来清除闩锁。
如果需要从短路保护闩锁中自动恢复,请将FAULTZ引脚直接连接至SDZ引脚。这允许FAULTZ引脚功能自动驱动SDZ引脚低电平,从而清除短路保护闩锁。

热防护
当内部模具温度超过150°C时,DRV595上的热保护可防止设备损坏。从设备到设备,该跳闸点有±15°C的公差。一旦模具温度超过热触发点,设备进入关机状态,输出被禁用。这是锁定故障。
热保护故障在FAULTZ终端上报告为低状态。
如果需要从热保护闩锁中自动恢复,请将FAULTZ引脚直接连接到SDZ引脚。这允许FAULTZ引脚功能自动驱动SDZ引脚低电平,从而清除热保护闩锁。
DRV595调制方案
DRV595可以选择在BD调制或1SPW调制下运行;这是由MODSEL引脚设置的。
MODSEL=GND:BD调制
这是一种允许通过TEC负载的较小纹波电流的调制方案。每个输出从0伏切换到电源电压。在没有输入的情况下,输出端和输出端是同相的,因此负载中只有很少的电流或没有电流。对于正输出电压,OUTP的占空比大于50%,OUTN小于50%。对于负输出电压,OUTP的占空比小于50%,OUTN大于50%。在整个开关过程中,负载上的电压保持在0V,降低了开关电流,从而减少了负载中的任何I2R损耗。

MODSEL=高:1SPW调制
1SPW模式改变了常规的调制方式,以获得更高的效率,纹波电流略有下降,并且在输出滤波器的选择上需要更多的注意。在1SPW模式下,输出在怠速状态下以约15%的调制工作。当输入信号被应用时,一个输出减少,一个增加。降低的输出信号迅速地轨道到GND,此时所有的调制都通过上升的输出发生。结果往往只有一个输出是开关。由于降低了开关损耗,这种模式的效率得到了提高。每次输出轨道接地时,每个半输出端产生的输出信号都具有不连续性。这可能会导致输出滤波器出现响铃,除非在选择滤波器组件和所用滤波器类型时特别小心。

功耗和最高环境温度
尽管DRV595比传统的线性解决方案效率高很多,但是输出晶体管通电阻上的功率降确实会在封装中产生一些热量,这可以通过方程式5计算得出:
例如,在最大输出电流为3A,通电总电阻为60 mΩ时(TJ=25°C),封装中消耗的功率为1.1 W。
使用方程式6计算最高环境温度:

印刷电路板(PCB布局)
在规划印刷电路板的布局时,必须小心谨慎。以下建议将有助于满足EMC要求。
•去耦电容器-高频去耦电容器应尽可能靠近PVCC和AVCC端子。大型(100μF或更高)大容量电源去耦电容器应放置在PVCC电源上的DRV595附近。本地高频旁路电容器应尽可能靠近PVCC引脚。这些盖子可以直接连接到IC GND焊盘上,以获得良好的接地连接。考虑在芯片两端的PVCC连接中添加一个小的、质量好的低ESR陶瓷电容器,以及一个100 nF到1μF之间的更大的中频电容器,这些电容器的质量也很好。
•接地-PVCC去耦电容器应连接至GND。所有接地应连接在IC GND上,该接地应用作DRV595的中央接地或星形接地。
安芯科创是一家国内芯片代理和国外品牌分销的综合服务商,公司提供芯片ic选型、蓝牙WIFI模组、进口芯片替换国产降成本等解决方案,可承接项目开发,以及元器件一站式采购服务,类型有运放芯片、电源芯片、MO芯片、蓝牙芯片、MCU芯片、二极管、三极管、电阻、电容、连接器、电感、继电器、晶振、蓝牙模组、WI模组及各类模组等电子元器件销售。(关于元器件价格请咨询在线客服黄经理:15382911663)
代理分销品牌有:ADI_亚德诺半导体/ALTBRA_阿尔特拉/BARROT_百瑞互联/BORN_伯恩半导体/BROADCHIP_广芯电子/COREBAI_芯佰微/DK_东科半导体/HDSC_华大半导体/holychip_芯圣/HUATECH_华泰/INFINEON_英飞凌/INTEL_英特尔/ISSI/LATTICE_莱迪思/maplesemi_美浦森/MICROCHIP_微芯/MS_瑞盟/NATION_国民技术/NEXPERIA_安世半导体/NXP_恩智浦/Panasonic_松下电器/RENESAS_瑞莎/SAMSUNG_三星/ST_意法半导体/TD_TECHCODE美国泰德半导体/TI_德州仪器/VISHAY_威世/XILINX_赛灵思/芯唐微电子等等
免责声明:部分图文来源网络,文章内容仅供参考,不构成投资建议,若内容有误或涉及侵权可联系删除。
Copyright © 2002-2023 深圳市安芯科创科技有限公司 版权所有 备案号:粤ICP备2023092210号-1