特征
•>155.5 Mbps(77.7 MHz)交换速率
•接受小摆幅(350 mV)差分信号电平
•超低功耗
•5V,最大偏差25°C
•6.0 ns最大传播延迟
•工业操作温度范围
•军事操作温度范围选项
•表面贴装封装(SOIC)和(LCCC)
•引脚兼容DS26C32A、MB570(PECL)和41LF(PECL)
•支持开放输入故障保护
•通过添加外部故障保护偏置,支持短路和端接输入故障保护
•兼容IEEE 1596.3 SCI LVDS标准
•符合ANSI/TIA/EIA-644 LVDS标准
•可用于标准微电路图(SMD)5962-95834
说明
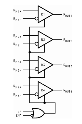
DS90C032是一款四路CMOS差分线接收机,专为要求超低功耗和高数据速率的应用而设计。该设备支持超过155.5 Mbps(77.7 MHz)的数据速率,并使用低压差分信号(LVDS)技术。
DS90C032接受低电压(350毫伏)差分输入信号,并将其转换为CMOS(兼容TTL)输出电平。接收机支持可用于多路复用输出的三态函数。接收器还支持开路、短路和端接(100Ω)输入故障保护,外加外部故障保护偏置。在两种故障保护条件下,接收器输出都会很高。
DS90C032和伴生线驱动器(DS90C031)为高速点对点接口应用提供了一种替代高功率伪ECL器件的新方法。
接线图

功能图和真值表

接受者

参数测量信息




典型应用

应用程序信息
LVDS驱动程序和接收器主要用于简单的点到点配置中,如图6所示。这种配置为驱动器的快速边缘速率提供了一个干净的信令环境。接收器通过一个平衡的介质连接到驱动程序,该介质可以是标准的双绞线电缆、平行对电缆或简单的PCB迹线。通常,介质的特性阻抗在100Ω的范围内。应选择100Ω的终端电阻以匹配介质,并尽可能靠近接收器输入引脚。终端电阻器将驱动器产生的电流转换为接收器检测到的电压。其他配置也可以,如多接收器配置,但必须考虑中流连接器、电缆头和其他阻抗不连续性以及地面移动、噪声容限值和终端总负载的影响。
DS90C032差分线路接收器能够在±1V共模范围内(以+1.2V为中心)检测低至100 mV的信号。这与驱动器偏移电压(通常为+1.2V)有关。驱动信号以该电压为中心,并可能在该中心点周围移动±1V。±1V偏移可能是驱动器的接地基准和接收器的接地基准之间的地电位差、耦合噪声的共模效应或两者的组合的结果。两个接收器输入引脚都应符合其规定的工作输入电压范围0V至+2.4V(从每个引脚到地面测量),超过这些限值可能会打开ESD保护电路,该电路将钳制总线电压。
接收器故障保护
LVDS接收机是一种高增益高速器件,它将一个小的差分信号(20mV)放大到CMOS逻辑电平。由于接收机的高增益和严格的阈值,应注意防止噪声作为有效信号出现。
接收器的内部故障保护电路设计用于产生或吸收少量电流,为浮动、端接或短路的接收器输入提供故障保护(高输出电压的稳定已知状态)。
1.打开输入引脚。DS90C032是四路接收机设备,如果应用程序只需要1个、2个或3个接收机,则未使用的信道输入应保持打开状态。不要将未使用的接收器输入连接到接地或任何其他电压。输入由内部高值上拉和下拉电阻偏置,以将输出设置为高状态。这种内部电路确保了开路输入的高稳定输出状态。
2.终止输入。TDS90C032需要外部故障保护偏置,以终止输入故障保护。
终端输入故障保护是指接收器在其输入端具有100Ω终端,并且驱动器处于以下情况。拔出总线,或驱动器输出处于三态或断电状态。外部偏置电阻的使用提供了一个小的偏差,以设置差分输入电压,而线路是非驱动的,因此接收器输出将处于高状态。如果将驱动器从总线上拆下,但电缆仍然存在并浮动,则未拔出的电缆可能会成为一个浮动天线,可以拾取噪声。LVDS接收器设计用于检测非常小的振幅和宽度信号,并将其恢复到标准逻辑电平。因此,如果电缆接收到超过10mV的差分噪声,接收器可能会做出响应。为了确保任何噪声都被视为共模而非差分,建议使用平衡互连和双绞线电缆,因为它们有助于确保噪声耦合到两条线路上,并被接收器拒绝。
3.输入短路。如果发生使接收器输入短路的故障,从而导致0V差分输入电压,接收器输出将保持在高状态。在设备的共模范围内(1.2V±1V),不支持短路输入故障保护。它只在输入短路且不施加外部共模电压的情况下受支持。
4.在差分噪声大于10mV的环境中工作。
出于系统级和信号质量的原因,TI建议在其LVDS接收器上采用外部故障保护偏置。首先,只有需要故障保护偏置的应用程序才需要使用它。其次,故障保护偏置量现在是一个应用程序设计参数,可以根据具体应用程序进行定制。在低噪声环境中的应用中,他们可能会选择使用非常小的偏差(如果有的话)。对于不平衡互连和/或在高噪声环境中的应用,他们可以选择进一步增强故障保护。TIs LVDS用户手册提供了选择正确故障保护偏置电阻器的详细计算。第三,在非驱动状态下,共模电压被电阻偏置。这被选择为接近标称驱动器偏移电压(VOS)。因此,当在驱动和非驱动状态之间切换时,总线上的共模调制保持在最小值。用于其他故障保护偏置信息,请参考应用说明AN-1194(SNLA051)了解更多详细信息。
DS90C032的占地面积与行业标准26LS32四差分(RS-422)接收机相同。
典型性能特征



安芯科创是一家国内芯片代理和国外品牌分销的综合服务商,公司提供芯片ic选型、蓝牙WIFI模组、进口芯片替换国产降成本等解决方案,可承接项目开发,以及元器件一站式采购服务,类型有运放芯片、电源芯片、MO芯片、蓝牙芯片、MCU芯片、二极管、三极管、电阻、电容、连接器、电感、继电器、晶振、蓝牙模组、WI模组及各类模组等电子元器件销售。(关于元器件价格请咨询在线客服黄经理:15382911663)
代理分销品牌有:ADI_亚德诺半导体/ALTBRA_阿尔特拉/BARROT_百瑞互联/BORN_伯恩半导体/BROADCHIP_广芯电子/COREBAI_芯佰微/DK_东科半导体/HDSC_华大半导体/holychip_芯圣/HUATECH_华泰/INFINEON_英飞凌/INTEL_英特尔/ISSI/LATTICE_莱迪思/maplesemi_美浦森/MICROCHIP_微芯/MS_瑞盟/NATION_国民技术/NEXPERIA_安世半导体/NXP_恩智浦/Panasonic_松下电器/RENESAS_瑞莎/SAMSUNG_三星/ST_意法半导体/TD_TECHCODE美国泰德半导体/TI_德州仪器/VISHAY_威世/XILINX_赛灵思/芯唐微电子等等
免责声明:部分图文来源网络,文章内容仅供参考,不构成投资建议,若内容有误或涉及侵权可联系删除。
Copyright © 2002-2023 深圳市安芯科创科技有限公司 版权所有 备案号:粤ICP备2023092210号-1